w2 (950632), страница 2
Текст из файла (страница 2)
Строим ЛАЧХ неизменяемой части САУ
на рис. 2. (сплошная линия).
1.6. Построение желаемой ЛАЧХ.
Формирование желаемой ЛАЧХ является итеративным, творческим процессом, основанным на знании и опыте проектировщика.
Выше и правее рабочей точки Ар проводим сопрягающую асимптоту AB под наклоном -40 дб/дек. Она сопрягается со среднечастотной асимптотой на частоте
. Отсюда
.
Если поднять ЛАЧХ неизменяемой части OAFHI до рабочей точки Ар, то видно, что получаемая система либо неустойчива, либо очень плохого качества, т.к. точка сопряжения желаемой ЛАЧХ с ЛАЧХ неизменяемой части САУ очень близка к частоте среза
. Не обеспечивается достаточная протяженность среднечастотной асимптоты BC с наклоном -20 дб/дек. после пересечения ею оси абсцисс. Кроме того в формируемой ЛАЧХ, среднечастотная асимптота BCQ с наклоном -20 дб/дек. переходит в высокочастотную асимптоту с наклоном -80 дб/дек. Это приведет к резонансному всплеску в точке Q и ухудшит качество переходного процесса.
Дополним среднечастотную часть желаемой ЛАЧХ второй асимптотой CD с сопрягающей частотой
с тем, чтобы асимптота в точке сопряжения C имела длину 5-10 дб. Постоянная времени
.
Пристыкуем первую высокочастотную асимптоту DE к желаемой ЛАЧХ под наклоном -80 дб/дек. Вторая высокочастотная асимптота в точке D сопрягается с первой на частоте
и идет с наклоном -100 дб/дек. Высокочастотная часть желаемой ЛАЧХ формируется за счет ЛАЧХ неизменяемой части САУ, поэтому полностью повторяет ее конфигурацию.
2. Сопряжение желаемой ЛАЧХ с ЛАЧХ неизменяемой части САУ.
Высокочастотная часть желаемой ЛАЧХ формируется за счет ЛАЧХ неизменяемой части САУ
. Поднимем общий коэффициент усиления (добротность) с тем, чтобы высокочастотные асимптоты желаемой и неизменяемой ЛАЧХ совпали по всей длине JKPLQDE . В этом случае получаем систему с очень высоким общим коэффициентом усиления (свыше 1000). Это приведет к неустойчивости внутреннего контура САУ, а значит к ее неработоспособности.
Выходом из данной ситуации является «опускание» низкочастотной области ЛАЧХ неизменяемой части САУ за счет введения последовательного корректирующего устройства П(s) в цепь сигнала ошибки.
Для упрощения реализации корректирующих устройств выберем форсирующую постоянную времени равную
. На частоте ей соответствующей суммарная ЛАЧХ
MH примет нулевой наклон, затем на частоте
за счет апериодического звена неизменяемой части наклон ЛАЧХ станет -20 дб/дек. HP. На сопрягающей частоте
за счет апериодической части П(s), наклон ЛАЧХ станет -40 дб/дек. PL, и далее ЛАЧХ совпадет с ЛАЧХ
с недопустимо большим общим коэффициентом усиления построенной ранее PLQDE.
Таким образом нашей задачей является выбор точек P, H, M с тем, чтобы включив в общую структуру проектируемой системы последовательное корректирующее устройство вида
деформировать ЛАЧХ неизменяемой части
с включенным последовательным корректирующим устройством к виду RMHPLQDE. При этом добротность проектируемой системы µ будет больше расчетной ( у системы повысится точность), но не будет превышать допустимый уровень µ = 1000.
Окончательно синтезированная нами желаемая ЛАЧХ до точки R имеет наклон (-1), затем идет по ломаной RABCDE. Рабочая точка A лежит не выше синтезированной желаемой ЛАЧХ. Желаемая ЛАЧХ проходит через расчетную точку частоты среза
. Кстати, увеличение значения частоты среза может улучшить динамические свойства системы за счет снижения ее инерционности, т.е. повышения быстродействия.елаемая ЛАЧХ проходит через расчетную точку частоты среза нь ледовательное корректирующее устройство вида 000000000000000000
3. Расчет параметров корректирующих устройств.
Из построения на рис. 2 видно, что в среднечастотной области желаемой ЛАЧХ имеет место равенство
В связи с выбором при построении
, последняя дробь равна единице. Но это не является обязательным требованием.
Из рекомендуемой структурной схемы САУ рис. 1 видно, что сигнал местной обратной связи (параллельного корректирующего устройства Z(s)) формируется из суммы сигналов пропорциональных скорости и ускорению выходной величины. Очевидна формула:
, где K(s) - передаточная функция в цепи местной обратной связи.
Приравняем выражения, полученные из построений рис. 2 и рекомендуемой структурной схемы рис.1 получим:
Можно видеть, что бином в числителе формируется за счет отношения коэффициентов передачи по ускорению и скорости, т.е.
.
Передаточную функцию в местной обратной связи сформируем за счет знаменателя выражения
Числовые значения:
= 52 дб.
= 400 .
. Выбираем
, тогда
.
Таким образом, расчет параметров корректирующих устройств выполнен.
Следует четко понимать, в каких точках, на каких частотах, какими средствами были получены деформации тех или иных ЛАЧХ.
Так ЛАЧХ прямой цепи ошибки ε(t)
деформируется в точке M на частоте
c (-1) наклона переходит на нулевой, а затем в точке P на частоте
c (-1) наклона на (-2).
Среднечастотная область желаемой ЛАЧХ
формируется за счет параллельного и последовательного корректирующих устройств
, причем в точке B на частоте
асимптота RB деформируется с (-2) наклона на (-1), а в точке C на частоте
асимптота BC деформируется с (-1) наклона на (-2).
4. Определение запасов устойчивости по фазе и амплитуде синтезированной системы.
В соответствии с наклонами асимптотической желаемой ЛАЧХ построим логарифмическую фазочастотную характеристику (рис. 2).
Построение приближенно, однако видно, что на частоте среза запас устойчивости по фазе составляет 40-60 градусов. На частоте пересечения ЛФЧХ оси -180 градусов запас устойчивости по амплитуде составляет 10-20 дб.
5. Проверка устойчивости внутреннего контура.
ЛАЧХ внутреннего контура может быть получена
,
т.е. из ЛАЧХ неизменяемой части, скорректированной последовательным устройством MHPLQDE необходимо вычесть среднечастотную часть желаемой ЛАЧХ – ApBCD (штрих-пунктирная линия на рис. 2). Из рисунка видно, что ЛАЧХ внутреннего контура пересекает ось абсцисс под наклоном – 40 дб./дек., следовательно значение ЛФЧХ в точке пересечения не будет превышать 180 град. Тем не менее постройте ЛФЧЖ внутреннего контура. Внутренний контур устойчив.
6. Проверка расчетов путем моделирования САУ с помощью пакета MatLab 6.5.
Для проверки правильности проведенных расчетов, выполним математическое моделирование САУ, используя пакет «MatLab».
Описание пакета «MatLab» и «Simulink» можно найти в литературе[…], а также по адресу www.matlab.ru.
Итак, запускаем пакет «MatLab», щелкаем ярлык «Simulink», в меню «File» выбираем «New».
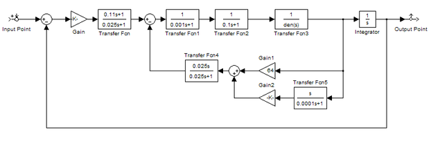
На наборном поле расставляем в прямой цепи входную точку, сумматор для ввода главной единичной отрицательной обратной связи, коэффициент добротности, последовательное корректирующее устройство, звенья, образующие неизменяемую часть САУ, выходную точку. Входной сигнал для местной обратной связи выбираем со входа интегратора, поэтому он пропорционален скорости выходного сигнала.
Для получения сигнала ускорения вводим дифференциатор. Так как нельзя реализовать чистое дифференцирование, то в знаменатель включаем бином с постоянной времени меньшей в 10 раз, чем минимальная постоянная времени в моделируемой системе. В нашем случае это 0.0001 сек. Численное дифференцирование использовать при линейном анализе системы нельзя, система станет нелинейной, но можно использовать дифференцирование при моделировании. (Когда есть источник сигнала и осциллограф Scope)
Заметим, что при вставке элементов местной обратной связи, необходимо инвертировать направление сигналов в блоках. Для этого необходимо выделить блок и нажать Ctrl_R, блок повернется на 90 градусов. Входная и выходная точки берутся из раздела «Control System Toolbox», передаточные функции – из раздела «Simulink»/ «Continuous», сумматоры и коэффициенты усиления– из раздела «Simulink»/ «Math Opepations».
Сформированная таким образом модель САУ приводится на рис.4.
Рис. 4. Модель САУ.
В окне модели выбираем раздел «Tools» / «Linear Analysis...», появится окно «LTI Viewer:имя_модели». В разделе «Edit» / «Configuration...» выбираем количество графиков в окне и их содержание: импульс, шаг, диаграмма Боде (ЛАЧХ) и т.д. Затем из раздела «Simulink» / «Get Linearized Model» запускаем выбранные процессы. Щелкнув правой клавишей по графику, можно установить или убрать сетку, изменить цвета и т.д.
Рис. 5. ЛАЧХ и ЛФЧХ скорректированной САУ, полученные с помощью пакета MatLab.















