Задача26(1-9)Пружина (941567)
Текст из файла
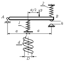
| ИЭЭ | Задача № 26.1 | 2005 г. | |
| Недеформируемый элемент AB удерживается тремя пружинами: D1=D2=8 см, d1=d2=12мм, n1=n2= 8, D3=12 см, d3=15 мм, n3=10, a=75 см. Из условия прочности и ограничения перемещения h определить допускаемую нагрузку [q], [τ] = 300 МПа, h = 8 мм. | |||
| Каф. "Динамика и прочность машин" | Доц.Ю.П.Самсонов | ||
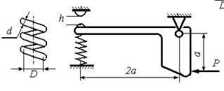
| ИЭЭ | Задача № 26.5 | 2005 г. | |
| Для перекрытия зазора h необходимо приложить усилие Р. Из условия прочности и условия ограничения перемещения h подобрать параметры пружины d, D, n, если индекс пружины D/d = 8. [τ] = const. | |||
| Каф. "Динамика и прочность машин" | Доц.Ю.П.Самсонов | ||
| ИЭЭ | Задача № 26.6 | 2005 г. | |
| Проверить прочность пружин. D1 = 10 см,D2 = 6 см, d1 = 12 мм, d2 = 8 мм, n1 = 8, n2 = 12, Р = 4 кН, [τ] = 300 МПа. | |||
| Каф. "Динамика и прочность машин" | Доц.Ю.П.Самсонов | ||
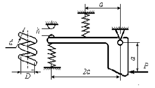
| ИЭЭ | Задача № 26.9 | 2005 г. | |
| Для перекрытия зазора h необходимо приложить усилие Р. Из условия прочности и условия ограничения перемещения h подобрать параметры пружин d, D, n, если индекс пружин D/d = 8. [τ] = const. Обе пружины одинаковые. | |||
| Каф. "Динамика и прочность машин" | Доц.Ю.П.Самсонов | ||
Характеристики
Тип файла документ
Документы такого типа открываются такими программами, как Microsoft Office Word на компьютерах Windows, Apple Pages на компьютерах Mac, Open Office - бесплатная альтернатива на различных платформах, в том числе Linux. Наиболее простым и современным решением будут Google документы, так как открываются онлайн без скачивания прямо в браузере на любой платформе. Существуют российские качественные аналоги, например от Яндекса.
Будьте внимательны на мобильных устройствах, так как там используются упрощённый функционал даже в официальном приложении от Microsoft, поэтому для просмотра скачивайте PDF-версию. А если нужно редактировать файл, то используйте оригинальный файл.
Файлы такого типа обычно разбиты на страницы, а текст может быть форматированным (жирный, курсив, выбор шрифта, таблицы и т.п.), а также в него можно добавлять изображения. Формат идеально подходит для рефератов, докладов и РПЗ курсовых проектов, которые необходимо распечатать. Кстати перед печатью также сохраняйте файл в PDF, так как принтер может начудить со шрифтами.














