Задача18(1-9)Растяжение(ст.н.) (941559)
Текст из файла
| ИЭЭ | Задача № 18.1 | 2006 г. | |
| Построить эпюру Nz(z), определить максимальное напряжение. | |||
| Каф. "Динамика и прочность машин" | Доц.Ю.П.Самсонов | ||
| ИЭЭ | Задача № 18.2 | 2005 г. | |
| Построить эпюру Nz(z), определить максимальное напряжение. | |||
| Каф. "Динамика и прочность машин" | Доц.Ю.П.Самсонов | ||
| ИЭЭ | Задача № 18.3 | 2005 г. | |
| Построить эпюру Nz(z), определить максимальное напряжение. | |||
| Каф. "Динамика и прочность машин" | Доц.Ю.П.Самсонов | ||
| ИЭЭ | Задача № 18.4 | 2006 г. | |
| Построить эпюру Nz(z), определить максимальное напряжение. | |||
| Каф. "Динамика и прочность машин" | Доц.Ю.П.Самсонов | ||
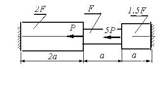
| ИЭЭ | Задача № 18.5 | 2006 г. | |
| Определить значение параметра нагрузки Р, при котором перекроется зазор. | |||
| Каф. "Динамика и прочность машин" | Доц.Ю.П.Самсонов | ||
| ИЭЭ | Задача № 18.6 | 2006 г. | |
| Построить эпюру Nz(z), определить максимальное напряжение. | |||
| Каф. "Динамика и прочность машин" | Доц.Ю.П.Самсонов | ||
| ИЭЭ | Задача № 18.7 | 2005 г. | |
| Построить эпюру Nz(z), определить перемещение сечения A-A. | |||
| Каф. "Динамика и прочность машин" | Доц.Ю.П.Самсонов | ||
| ИЭЭ | Задача № 18.8 | 2005 г. | |
| Построить эпюру Nz(z), определить перемещение сечения А-А. | |||
| Каф. "Динамика и прочность машин" | Доц.Ю.П.Самсонов | ||
| ИЭЭФ | Задача № 18.9 | 2006 г. | |
| Построить эпюру Nz(z), определить перемещение сечения А-А. | |||
| Каф. "Динамика и прочность машин" | Доц.Ю.П.Самсонов | ||
Характеристики
Тип файла документ
Документы такого типа открываются такими программами, как Microsoft Office Word на компьютерах Windows, Apple Pages на компьютерах Mac, Open Office - бесплатная альтернатива на различных платформах, в том числе Linux. Наиболее простым и современным решением будут Google документы, так как открываются онлайн без скачивания прямо в браузере на любой платформе. Существуют российские качественные аналоги, например от Яндекса.
Будьте внимательны на мобильных устройствах, так как там используются упрощённый функционал даже в официальном приложении от Microsoft, поэтому для просмотра скачивайте PDF-версию. А если нужно редактировать файл, то используйте оригинальный файл.
Файлы такого типа обычно разбиты на страницы, а текст может быть форматированным (жирный, курсив, выбор шрифта, таблицы и т.п.), а также в него можно добавлять изображения. Формат идеально подходит для рефератов, докладов и РПЗ курсовых проектов, которые необходимо распечатать. Кстати перед печатью также сохраняйте файл в PDF, так как принтер может начудить со шрифтами.














