Задача15(1-9)Растяжение (941556)
Текст из файла
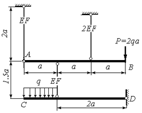
| ИЭЭ | Задача № 15.1 | 2006 г. | |
| Определить усилия в стержнях. AC, BD - недеформируемые элементы. | |||
| Каф. "Динамика и прочность машин" | Доц.Ю.П.Самсонов | ||
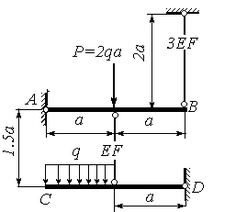
| ИЭЭ | Задача № 15.2 | 2006 г. | |
| Определить усилия в стержнях. AB, CD - недеформируемые элементы. | |||
| Каф. "Динамика и прочность машин" | Доц.Ю.П.Самсонов | ||
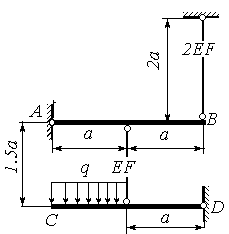
| ИЭЭ | Задача № 15.3 | 2005 г. | |
| Определить усилия в стержнях. AB, CD - недеформируемые элементы. | |||
| Каф. "Динамика и прочность машин" | Доц.Ю.П.Самсонов | ||
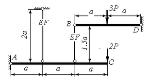
| ИЭЭ | Задача № 15.4 | 2005 г. | |
|
Определить усилия в стержнях. AB, CD - недеформируемые элементы. | |||
| Каф. "Динамика и прочность машин" | Доц.Ю.П.Самсонов | ||
| ИЭЭ | Задача № 15.5 | 2005 г. | |
| Определить усилия в стержнях. AC, BD - недеформируемые элементы. | |||
| Каф. "Динамика и прочность машин" | Доц.Ю.П.Самсонов | ||
| ИЭЭ | Задача № 15.6 | 2005 г. | |
| Определить усилия в стержнях. AC, BD - недеформируемые элементы. | |||
| Каф. "Динамика и прочность машин" | Доц.Ю.П.Самсонов | ||
| ИЭЭ | Задача № 15.7 | 2005 г. | |
| Определить усилия в стержнях. AC, BD - недеформируемые элементы. | |||
| Каф. "Динамика и прочность машин" | Доц.Ю.П.Самсонов | ||
| ИЭЭ | Задача № 15.8 | 2005 г. | |
| Определить усилия в стержнях. AB, CD - недеформируемые элементы. | |||
| Каф. "Динамика и прочность машин" | Доц.Ю.П.Самсонов | ||
| ИЭЭ | Задача № 15.9 | 2006 г. | |
| Определить усилия в стержнях. AB, CD - недеформируемые элементы. | |||
| Каф. "Динамика и прочность машин" | Доц.Ю.П.Самсонов | ||
Характеристики
Тип файла документ
Документы такого типа открываются такими программами, как Microsoft Office Word на компьютерах Windows, Apple Pages на компьютерах Mac, Open Office - бесплатная альтернатива на различных платформах, в том числе Linux. Наиболее простым и современным решением будут Google документы, так как открываются онлайн без скачивания прямо в браузере на любой платформе. Существуют российские качественные аналоги, например от Яндекса.
Будьте внимательны на мобильных устройствах, так как там используются упрощённый функционал даже в официальном приложении от Microsoft, поэтому для просмотра скачивайте PDF-версию. А если нужно редактировать файл, то используйте оригинальный файл.
Файлы такого типа обычно разбиты на страницы, а текст может быть форматированным (жирный, курсив, выбор шрифта, таблицы и т.п.), а также в него можно добавлять изображения. Формат идеально подходит для рефератов, докладов и РПЗ курсовых проектов, которые необходимо распечатать. Кстати перед печатью также сохраняйте файл в PDF, так как принтер может начудить со шрифтами.














