Задача13(1-9)Растяжение (941554)
Текст из файла
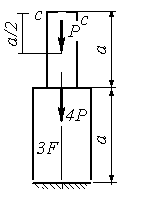
| ИЭЭ | Задача № 13.1 | 2006 г. | |
| Определить максимальное напряжение и перемещение сечения С-С, а = 1 м, Р = 8 кН, F = 1.5 см2, Е = 2*1011 Па. | |||
| Каф. "Динамика и прочность машин" | Доц.Ю.П.Самсонов | ||
| ИЭЭ | Задача № 13.2 | 2005 г. | |
| Определить максимальное напряжение и перемещение сечения С-С, а = 1 м, Р = 10 кН, F = 2. см2, Е = 2*1011 Па | |||
| Каф. "Динамика и прочность машин" | Доц.Ю.П.Самсонов | ||
| ИЭЭ | Задача № 13.3 | 2006 г. | |
| Определить максимальное напряжение и перемещение сечения С-С, а = 1 м, Р = 10 кН, F = 2 см2, Е = 2*1011 Па. | |||
| Каф. "Динамика и прочность машин" | Доц.Ю.П.Самсонов | ||
| ИЭЭ | Задача № 13.4 | 2005 г. | |
| Построить эпюры Nz(z), σ(z), вычислить перемещение сечения С-С. а = 1 м, Р = 10 кН, F = 1.5 см2, Е = 2*1011 Па. | |||
| Каф. "Динамика и прочность машин" | Доц.Ю.П.Самсонов | ||
| ИЭЭ | Задача №13.5 | 2005 г. | |
| Построить эпюры Nz(z), σ(z), вычислить перемещение сечения С-С. а = 1 м, Р = 10 кН, F = 2.5 см2, Е = 2*1011 Па. | |||
| Каф. "Динамика и прочность машин" | Доц.Ю.П.Самсонов | ||
| ИЭЭ | Задача № 13.6 | 2005 г. | |
| Построить эпюры Nz(z), σ(z), вычислить перемещение сечения С-С. а = 1 м, Р = 15кН, F = 1.5 см2, Е = 2*1011 Па. | |||
| Каф. "Динамика и прочность машин" | Доц.Ю.П.Самсонов | ||
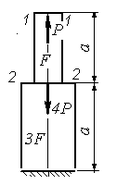
| ИЭЭ | Задача № 13.7 | 2006 г. | |
| Построить эпюры Nz(z), σ(z), вычислить перемещение сечений 1-1 и 2-2. а = 1,5 м, Р = 10 кН, F = 1.5 см2, Е = 2*1011 Па. | |||
| Каф. "Динамика и прочность машин" | Доц.Ю.П.Самсонов | ||
| ИЭЭ | Задача № 13.8 | 2005 г. | |
| Определить максимальное напряжение и перемещение сечения С-С, а = 1 м, Р = 10 кН, F = 2 см2, Е = 2*1011 Па. | |||
| Каф. "Динамика и прочность машин" | Доц.Ю.П.Самсонов | ||
| ИЭЭ | Задача № 13.9 | 2005 г. | |
| Каф. "Динамика и прочность машин" | Доц.Ю.П.Самсонов | ||
Характеристики
Тип файла документ
Документы такого типа открываются такими программами, как Microsoft Office Word на компьютерах Windows, Apple Pages на компьютерах Mac, Open Office - бесплатная альтернатива на различных платформах, в том числе Linux. Наиболее простым и современным решением будут Google документы, так как открываются онлайн без скачивания прямо в браузере на любой платформе. Существуют российские качественные аналоги, например от Яндекса.
Будьте внимательны на мобильных устройствах, так как там используются упрощённый функционал даже в официальном приложении от Microsoft, поэтому для просмотра скачивайте PDF-версию. А если нужно редактировать файл, то используйте оригинальный файл.
Файлы такого типа обычно разбиты на страницы, а текст может быть форматированным (жирный, курсив, выбор шрифта, таблицы и т.п.), а также в него можно добавлять изображения. Формат идеально подходит для рефератов, докладов и РПЗ курсовых проектов, которые необходимо распечатать. Кстати перед печатью также сохраняйте файл в PDF, так как принтер может начудить со шрифтами.














