Задача12(1-9Устойчивость) (941553)
Текст из файла
| ИЭЭ | Задача № 12.1 | 2005 г. | |
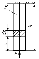
| Для цилиндрической бетонной колонны, площадью сечения F = 0.25 м2, определить высоту h, при которой напряжения в нижнем сечении колонны под действием собственного веса равны [σ] = 2 МПа. Плотность материала ρ =2*103 кг/м3. Определить укорочение колонны. Е = 2*1010 Па. | |||
| Каф. "Динамика и прочность машин" | Доц.Ю.П.Самсонов | ||
| ИЭЭ | Задача № 12.2 | 2005 г. | |
| Д F = 0.2 м2, определить высоту h, при которой напряжения в нижнем сечении колонны под действием собственного веса равны [σ] = 160 МПа. Плотность материала ρ =8*103 кг/м3. Определить укорочение колонны. Е = 2*1011 Па. | |||
| Каф. "Динамика и прочность машин" | Доц.Ю.П.Самсонов | ||
| ИЭЭ | Задача № 12.4 | 2005 г. | |
| Цилиндрическая бетонная колонна нагружена силой Р. Построить эпюру продольной силы Nz(z), учитывая собственный вес колонны. Определить допускаемое значение силы [P] из условия, чтобы напряжения в нижнем сечении были равны [σ] = 2 МПа. F = 0.25 м2, ρ = 2*103 кг/м3, а = 20 м. | |||
| Каф. "Динамика и прочность машин" | Доц.Ю.П.Самсонов | ||
| ИЭЭ | Задача № 12.5 | 2006 г. | |
| Цилиндрический стальной стержень закреплен как показано на рис. Нагрузкой является собственный вес стержня. Построить эпюру продольной силы Nz(z), определить удлинение стержня под действием собственного веса. F = 0.025 м2, а = 5 м, ρ = 8*103 кг/м3, Е = 2*1011 Па. | |||
| Каф. "Динамика и прочность машин" | Доц.Ю.П.Самсонов | ||
| ИЭЭ | Задача № 12.6 | 2005 г. | |||
| Цилиндрическая бетонная колонна нагружена силой Р. Построить эпюру продольной силы Nz(z), учитывая собственный вес колонны. Определить допускаемое значение силы [P] из условия, чтобы напряжения в нижнем сечении были равны [σ] = 2 МПа. F = 0.25 м2, ρ = 2*103 кг/м3, h = 20 м. | |||||
| Каф. "Динамика и прочность машин" | Доц.Ю.П.Самсонов | ||||
| ИЭЭ | Задача № 12.7 | 2006 г. | |
| 1. Построить эпюру продольной силы Nz(z) от действия только собственного веса и определить удлинение стержня. 2. Какую силу P необходимо приложить к нижнему концу стержня, чтобы в верхнем сечении напряжение было равно допускаемому. F = 0.045 м2, h = 15 м, ρ = 8*103 кг/м3, Е = 2*1011 Па [σ] = 160 МПа. | |||
| Каф. "Динамика и прочность машин" | Доц.Ю.П.Самсонов | ||
| ИЭЭ | Задача № 12.8 | 2006 г. | ||
| Для цилиндрической колонны, площадью сечения F = 0.3 м2, определить высоту h, при которой напряжения в нижнем сечении колонны под действием собственного веса равны σ = 50 МПа. Определить укорочение колонны. Плотность материала ρ =8*103 кг/м3.,. Е = 2*1011 Па. | ||||
| Каф. "Динамика и прочность машин" | Доц.Ю.П.Самсонов | |||
Характеристики
Тип файла документ
Документы такого типа открываются такими программами, как Microsoft Office Word на компьютерах Windows, Apple Pages на компьютерах Mac, Open Office - бесплатная альтернатива на различных платформах, в том числе Linux. Наиболее простым и современным решением будут Google документы, так как открываются онлайн без скачивания прямо в браузере на любой платформе. Существуют российские качественные аналоги, например от Яндекса.
Будьте внимательны на мобильных устройствах, так как там используются упрощённый функционал даже в официальном приложении от Microsoft, поэтому для просмотра скачивайте PDF-версию. А если нужно редактировать файл, то используйте оригинальный файл.
Файлы такого типа обычно разбиты на страницы, а текст может быть форматированным (жирный, курсив, выбор шрифта, таблицы и т.п.), а также в него можно добавлять изображения. Формат идеально подходит для рефератов, докладов и РПЗ курсовых проектов, которые необходимо распечатать. Кстати перед печатью также сохраняйте файл в PDF, так как принтер может начудить со шрифтами.
ля цилиндрической стальной колонны, площадью сечения















