Задача10(1-9)Кручение(ст.н.) (941551)
Текст из файла
| ИЭЭ | Задача № 10.1 | 2005 г. | |
| Определить допускаемое значение момента из условия прочности и жесткости. а = 0.6 м, G = 0.8*1011 Па, θ = 0.005 рад/м, d = 2,6 см, [τ] = 80 МПа. | |||
| Каф. "Динамика и прочность машин" | Доц.Ю.П.Самсонов | ||
| ИЭЭ | Задача №10.2 | 2005 г. | |
| Определить допускаемое значение момента из условия прочности и жесткости. а = 0.8 м, G = 0.8*1011 Па, θ = 0.005 рад/м, d = 4 см, [τ] = 90 МПа. | |||
| Каф. "Динамика и прочность машин" | Доц.Ю.П.Самсонов | ||
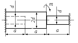
| ИЭЭ | Задача № 10.3 | 2005 г. | |
| Определить допускаемое значение момента из условия прочности и жесткости. а = 1.0 м, G = 0.8*1011 Па, θ/а = 0.008 рад/м, d = 5 см, [τ] = 80 МПа. | |||
| Каф. "Динамика и прочность машин" | Доц.Ю.П.Самсонов | ||
| ИЭЭ | Задача № 10.4 | 2005 г. | |
| Определить допускаемое значение момента из условия прочности а = 0.5 м, d = 5 см, G = 0.8*1011 Па, [τ] = 100 МПа. | |||
| Каф. "Динамика и прочность машин" | Доц.Ю.П.Самсонов | ||
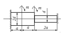
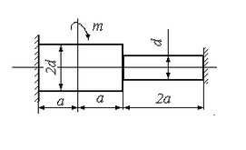
| ИЭЭ | Задача № 10.5 | 2005 г. | |
| Из условия прочности определить [m], d1 = 5 см, d2 = 0.7d1, d3 = 1.4d1, a = 0.5 м, [τ] = 90 Мпа. | |||
| Каф. "Динамика и прочность машин" | Доц.Ю.П.Самсонов | ||
| ИЭЭ | Задача № 10.6 | 2005 г. | |
| Проверить прочность и жесткость стержня, d = 2 см, а = 0.5 м, m = 0.3 кНм, [τ] = 90 МПа, [θ] = 0.004 рад/м. | |||
| Каф. "Динамика и прочность машин" | Доц.Ю.П.Самсонов | ||
| ИЭЭ | Задача № 10.7 | 2005 г. | |
| Проверить прочность и жесткость стержня, d = 2 см, а = 0.5 м, m = 0.2 кНм, [τ] = 90 МПа, [θ] = 0.004 рад/м. | |||
| Каф. "Динамика и прочность машин" | Доц.Ю.П.Самсонов | ||
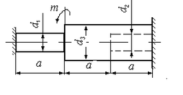
| ИЭЭ | Задача № 10.8 | 2005 г. | |
| Из условия жесткости определить [m], d1 = 5 см, d2 = 0.7d1, d3 = 1.4d1, a = 0.5 м,. [θ] = 0.01 рад/м | |||
| Каф. "Динамика и прочность машин" | Доц.Ю.П.Самсонов | ||
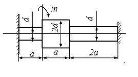
| ИЭЭ | Задача №10.9 | 2005 г. | |
| Определить допускаемое значение момента из условия прочности. Построить эпюру углов закручивания. а = 0.8 м, G = 0.8*1011 Па, d = 4 см, [τ] = 90 МПа. | |||
| Каф. "Динамика и прочность машин" | Доц.Ю.П.Самсонов | ||
Характеристики
Тип файла документ
Документы такого типа открываются такими программами, как Microsoft Office Word на компьютерах Windows, Apple Pages на компьютерах Mac, Open Office - бесплатная альтернатива на различных платформах, в том числе Linux. Наиболее простым и современным решением будут Google документы, так как открываются онлайн без скачивания прямо в браузере на любой платформе. Существуют российские качественные аналоги, например от Яндекса.
Будьте внимательны на мобильных устройствах, так как там используются упрощённый функционал даже в официальном приложении от Microsoft, поэтому для просмотра скачивайте PDF-версию. А если нужно редактировать файл, то используйте оригинальный файл.
Файлы такого типа обычно разбиты на страницы, а текст может быть форматированным (жирный, курсив, выбор шрифта, таблицы и т.п.), а также в него можно добавлять изображения. Формат идеально подходит для рефератов, докладов и РПЗ курсовых проектов, которые необходимо распечатать. Кстати перед печатью также сохраняйте файл в PDF, так как принтер может начудить со шрифтами.















