Задача06(1-9)Устойчивость (941547)
Текст из файла
| ИЭЭ | Задача № 6.1 | 2005 г. | |
| Проверить устойчивость стержня в плоскости чертежа. P = 350 кН, [σ] = 160 МПа, l = 3 м, h = 5 см, Е = 2*1011Па Материал стержня - ст.3. Коэффициенты Ясинского: а = 310 МПа, b = 11 МПа | |||
| Каф. "Динамика и прочность машин" | Доц.Ю.П.Самсонов | ||
| ИЭЭ | Задача № 6.2 | 2005 г. | |
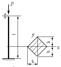
| Проверить устойчивость стержня относительно осей x и y. P = 70 кН, [σ] = 160 МПа, l = 3 м, E = 2*1011 Па. Материал стержня - ст.3. Коэффициенты Ясинского: a = 320 МПа, b = 11 МПа | |||
| Каф. "Динамика и прочность машин" | Доц.Ю.П.Самсонов | ||
| ИЭЭ | Задача № 6.3 | 2005 г. | |
| Проверить устойчивость стержня относительно осей x и y. P = 230 кН, [σ] = 160 МПа, l = 3 м, E = 2*1011 Па. Материал стержня - ст.3. Коэффициенты Ясинского: a = 320 МПа, b = 11МПа | |||
| Каф. "Динамика и прочность машин" | Доц.Ю.П.Самсонов | ||
| ИЭЭ | Задача № 6.4 | 2005 г. | |
| Проверить устойчивость стержня относительно оси x. P = 400 кН, [σ] = 160 МПа, l = 4 м, E = 2*1011 Па. Материал стержня - ст.3. Коэффициенты Ясинского: a = 320 МПа, b = 11 МПа | |||
| Каф. "Динамика и прочность машин" | Доц.Ю.П.Самсонов | ||
| ИЭЭ | Задача № 6.5 | 2005 г. | |
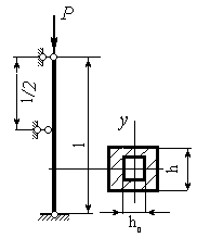
| Проверить устойчивость стержня в плоскости чертежа. P = 200 кН, [σ] = 160 МПа, l = 5 м, h = 7см, h0/h = 0.7 E = 2*1011 Па. Материал стержня - ст.3. Коэффициенты Ясинского: a = 320 МПа, b = 11 МПа. | |||
| Каф. "Динамика и прочность машин" | Доц.Ю.П.Самсонов | ||
| ИЭЭ | Задача № 6.6 | 2005 г. | |
| Проверить устойчивость стержня в плоскости чертежа. P = 200 кН, [σ] = 160 МПа, l = 5 м, h = 7см, h0/h = 0.7 E = 2*1011 Па. Материал стержня - ст.3. Коэффициенты Ясинского a = 320 МПа, b = 11 МПа. | |||
| Каф. "Динамика и прочность машин" | Доц.Ю.П.Самсонов | ||
| ИЭЭ | Задача № 6.7 | 2005 г. | |
| Проверить устойчивость стержня в плоскости чертежа. P = 200 кН, [σ] = 160 МПа, l = 3 м, h = 7см, h0/h = 0.7 E = 2*1011 Па. Материал стержня - ст.3. Коэффициенты Ясинского: a = 320 МПа, b = 11 МПа | |||
| Каф. "Динамика и прочность машин" | Доц.Ю.П.Самсонов | ||
| ИЭЭ | Задача № 6.8 | 2006 г. | |
|
Проверить устойчивость стержня относительно осей x и y. P = 50 кН, [σ] = 140 МПа, l = 3 м, E = 2*1011 Па. Материал стержня - ст.3. Коэффициенты Ясинского: a = 320 МПа, b = 11 МПа | |||
| Каф. "Динамика и прочность машин" | Доц.Ю.П.Самсонов | ||
| ИЭЭ | Задача № 6.9 | 2005 г. | |
| Проверить устойчивость стержня относительно оси x. P = 500 кН, [σ] = 120 МПа, l = 4,5 м, E = 2*1011 Па. Материал стержня - ст.3. Коэффициенты Ясинского: a = 320 МПа, b = 11 МПа | |||
| Каф. "Динамика и прочность машин" | Доц.Ю.П.Самсонов | ||
Характеристики
Тип файла документ
Документы такого типа открываются такими программами, как Microsoft Office Word на компьютерах Windows, Apple Pages на компьютерах Mac, Open Office - бесплатная альтернатива на различных платформах, в том числе Linux. Наиболее простым и современным решением будут Google документы, так как открываются онлайн без скачивания прямо в браузере на любой платформе. Существуют российские качественные аналоги, например от Яндекса.
Будьте внимательны на мобильных устройствах, так как там используются упрощённый функционал даже в официальном приложении от Microsoft, поэтому для просмотра скачивайте PDF-версию. А если нужно редактировать файл, то используйте оригинальный файл.
Файлы такого типа обычно разбиты на страницы, а текст может быть форматированным (жирный, курсив, выбор шрифта, таблицы и т.п.), а также в него можно добавлять изображения. Формат идеально подходит для рефератов, докладов и РПЗ курсовых проектов, которые необходимо распечатать. Кстати перед печатью также сохраняйте файл в PDF, так как принтер может начудить со шрифтами.















