Задача03(1-9)Кручение (941544)
Текст из файла
| ИЭЭ | Задача № 3.1 | 2005 г. | |
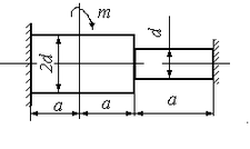
| Из условия прочности определить [m], d = 5 см, a = 0.5 м, [τ] = 90 Мпа. | |||
| Каф. "Динамика и прочность машин" | Доц.Ю.П.Самсонов | ||
| ИЭЭ | Задача № 3.3 | 2005 г. | |
| Из условия прочности определить [m], d = 4 см, a = 0.7 м, [τ] = 80 Мпа. | |||
| Каф. "Динамика и прочность машин" | Доц.Ю.П.Самсонов | ||
| ИЭЭ | Задача № 3.2 | 2005 г. | |
| Проверить прочности стержня, d = 4 см, a = 0.4 м, [τ] = 80 Мпа, m = 0.5 кНм | |||
| Каф. "Динамика и прочность машин" | Доц.Ю.П.Самсонов | ||
| ИЭЭ | Задача № 3.4 | 2005 г. | |
| Проверить прочности стержня, d = 5 см, a = 0.5 м, [τ] = 80 Мпа, m = 0.5 кНм | |||
| Каф. "Динамика и прочность машин" | Доц.Ю.П.Самсонов | ||
| ИЭЭ | Задача № 3.5 | 2005 г. | |
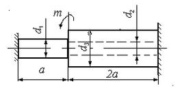
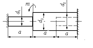
| Из условия прочности определить [m], d1 = 5 см, d2 = 0.7d1, d3 = 1.4d1, a = 0.5 м, [τ] = 90 Мпа. | |||
| Каф. "Динамика и прочность машин" | Доц.Ю.П.Самсонов | ||
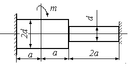
| ИЭЭ | Задача № 3.6 | 2005 г. | |
| Проверить прочности стержня, d1 = 8 см, d2 = 0.7d1, d3 = 1.4d1, a = 0.5 м, [τ] = 90 МПа, m = 0.7 кНм | |||
| Каф. "Динамика и прочность машин" | Доц.Ю.П.Самсонов | ||
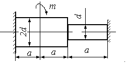
| ИЭЭ | Задача № 3.7 | 2005 г. | |
| Проверить прочности стержня, d = 5 см, a = 0.5 м, [τ] = 80 Мпа, m = 0.7 кНм | |||
| Каф. "Динамика и прочность машин" | Доц.Ю.П.Самсонов | ||
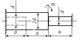
| ИЭЭ | Задача № 3.8 | 2005 г. | |
| Построить эпюры крутящего момента, максимальных касательных напряжений и углов закручивания. d1 = 8 см, d2 = 0.7d1, d3 = 1.4d1, a = 0.5 м, m = 0.7 кНм | |||
| Каф. "Динамика и прочность машин" | Доц.Ю.П.Самсонов | ||
| ИЭЭ | Задача № 3.9 | 2005 г. | |
| Из условия прочности определить [m], построить эпюру углов закручивания. d = 4 см, a = 0.7 м, [τ] = 80 Мпа. | |||
| Каф. "Динамика и прочность машин" | Доц.Ю.П.Самсонов | ||
Характеристики
Тип файла документ
Документы такого типа открываются такими программами, как Microsoft Office Word на компьютерах Windows, Apple Pages на компьютерах Mac, Open Office - бесплатная альтернатива на различных платформах, в том числе Linux. Наиболее простым и современным решением будут Google документы, так как открываются онлайн без скачивания прямо в браузере на любой платформе. Существуют российские качественные аналоги, например от Яндекса.
Будьте внимательны на мобильных устройствах, так как там используются упрощённый функционал даже в официальном приложении от Microsoft, поэтому для просмотра скачивайте PDF-версию. А если нужно редактировать файл, то используйте оригинальный файл.
Файлы такого типа обычно разбиты на страницы, а текст может быть форматированным (жирный, курсив, выбор шрифта, таблицы и т.п.), а также в него можно добавлять изображения. Формат идеально подходит для рефератов, докладов и РПЗ курсовых проектов, которые необходимо распечатать. Кстати перед печатью также сохраняйте файл в PDF, так как принтер может начудить со шрифтами.















