ПЗ-Туркин (814377), страница 4
Текст из файла (страница 4)
Рисунок 2.4 - Указатель грузоподъемности крана КС-4572.
Ограничитель подъема крюка (рисунок 2.5) предназначен для автоматического отключения механизма грузовой лебедки при подъеме крюковой подвески на предельную высоту и установлен на оголовке стрелы. На основании 6 установлен конечный выключатель 5. Грузик 3 подвешен на неподвижной ветви грузового каната с помощью троса 4. Под действием массы грузика постоянно замкнуты контакты выключателя. При подходе крюковой подвески к головке стрелы приподнимается грузик 3, контакты выключателя размыкаются и обесточивают электромагнит парораспределителя, механизм грузовой лебедки останавливается.
-
Описание принципа работы системы управления устойчивостью
Принцип работы предлагаемой системы управления устойчивостью мобильного грузоподъемного крана заключается в том, что осуществляют вычисление грузового момента и сравнивают его с предельно допустимым значением.
Рисунок 2.5 - Ограничитель подъема крюка крана КС-4572
В зависимости от полученных данных формируют сигнал включения тех исполнительных механизмов, которые обеспечивают уменьшение грузового момента. При этом дополнительно измеряют скорости изменения давления в гидроцилиндрах выносных опор и определяют их знак. Составляют контрольные комбинации скоростей изменения давления, которые сравнивают с эталонными значениями.
В зависимости от совпадения или несовпадения полученных контрольных комбинаций с эталонными формируют сигнал управления параметрами, влияющими на устойчивость.
Конструктивно система для управления устойчивостью мобильного грузоподъемного представлена на рисунках 2.6 и 2.7, где изображены: 1 - расчетная схема опорной плоскости крановой установки; 2, 3, 4, 5 - опорные гидроцилиндры, воспринимающие основную нагрузку; 6 - телескопическая стрела; 7 - опорный контур; 8 - гидроцилиндр аутригера; 9 - гидроцилиндр опоры, 10 - датчик давления; 11 - гидрораспределитель выносной опоры; 12 - главный гидрораспределитель; 13 - гидролинии выносных опор.
Рисунок 2.6 – Схема опорного контура: 1 - расчетная схема опорной плоскости крановой установки; 2, 3, 4, 5 - опорные гидроцилиндры, воспринимающие основную нагрузку; 6 - телескопическая стрела; 7 - опорный контур
Кроме этого система включает в себя аналого-цифровой преобразователь и бортовой микропроцессор. В память бортового микропроцессора введена математическая модель мобильного грузоподъемного крана, выполненная с возможностью изменения в зависимости от типа грузоподъемной крана.
Рисунок 2.7 – Конструкция гидросистемы вывешивания крана:
8 - гидроцилиндр аутригера; 9 - гидроцилиндр опоры, 10 - датчик давления; 11 - гидрораспределитель выносной опоры; 12 - главный гидрораспределитель; 13 - гидролинии выносных опор
В гидролинию выносных опор включены датчики давления 10 (см. рисунок 2.7). Бортовой микропроцессор имеет связь с датчиками давления, а механизм поворота стрелы снабжен регулируемым аксиально-поршневым гидродвигателем.
После включения главного гидрораспределителя 12 (см. рисунок 2.7) становится возможным включение гидрораспределителей 11, с помощью которых создается давление в гидроцилиндрах аутригеров 8 и опорных гидроцилиндрах 9, и крановая установка вывешивается.
С помощью датчиков давления 10 определяется изменение давления в полости гидроцилиндра при трансформации опорного контура 7 (см. рисунок 2.6), при помощи бортового микропроцессора определяется скорость изменения давления.
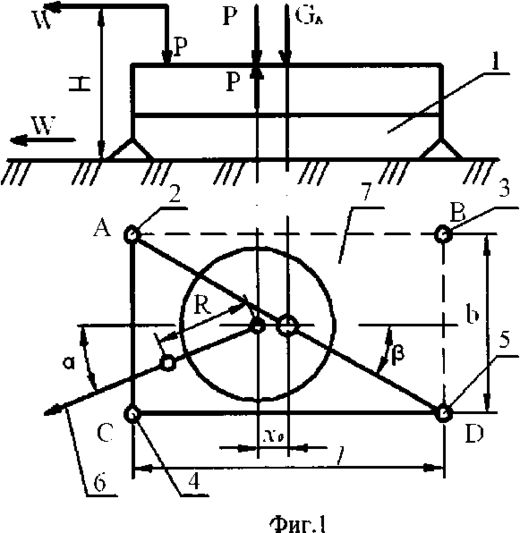
На рисунке 2.6 видно, что при данном положении телескопической стрелы крана 6 основная нагрузка воспринимается трехопорным контуром 7, вершинами которого являются гидроцилиндры 2, 4, 5 (А, С, D). Вес стрелы 6 с грузом, перенося его в центр вращения поворотной части крана, образует пару сил и создает опрокидывающий момент.
Нагрузки на опоры будут составлять
где M=PR+WH.
При моделировании процесса выполнения грузоподъемных операций, как правило, рассматривается трехопорный контур, четвертая опора в данном случае является ненагруженной.
Считая, что вывешивание рамы базовой машины осуществляется за счет создания необходимого давления в полостях гидроцилиндров выносных опор, при нормальном функционировании эталонная комбинация текущих значений изменения скоростей давления в опорах при подъеме или перемещении груза будет соответствовать положению стрелы следующим образом:
где
- скорости изменения давления в полостях гидроцилиндров ACD контура.
Такая комбинация будет считаться эталонной для соответствующего положения стрелы относительно опор.
Для реализации поставленной задачи управления устойчивостью крана во время работы наиболее целесообразным является применение способа определения грузовой устойчивости крана по изменению скоростей давления в гидроцилиндрах выносных опор относительно рассмотренного опорного контура.
В этом способе учитываются также дополнительные воздействия на кран: силы инерции, ветер, уклон рабочей площадки и др., а численное значение коэффициента грузовой устойчивости крана определяется по формуле
где Мудерж - удерживающий момент крана;
Mon - опрокидывающий момент, созданный весом груза и весом стрелы.
В процессе поворота стрелы треугольный опорный контур меняет третью вершину треугольника (опору) и в эталонной комбинации учитываются скорости изменения давления нового опорного контура. Одновременно с этим следящая система контролирует горизонтальное положение опорной рамы.
Накапливая в процессе выполнения грузоподъемных операций данные о значениях этих величин, система управления с определенной вероятностью может судить о дальнейшем их изменении.
Если при подъеме или маневре стрелы с грузом система управления фиксирует, что
или
то можно считать создание предпосылок ненормального функционирования или аварийной ситуации. Создается угроза опрокидыванию крана, для предотвращения которой подается сигнал машинисту, и, если не последовало никакой реакции, система управления медленно останавливает поворот, блокирует возможность движения в эту сторону. Машинисту дается возможность уменьшить опрокидывающий момент, тем самым снизить нагрузку на аварийную опору. Это может достигаться уменьшением вылета стрелы, увеличением угла наклона стрелы к горизонту, т.е. уменьшением расстояний от центра т жести крановой установки до центров т жести стрелы и груза, что влияет на воспринимаемые выносными опорами нагрузки.
Выбрав изменение давления в гидроцилиндрах выносных опор за контролируемый параметр, легко показать, что максимальное значение коэффициента устойчивости будет в том случае, пока соблюдается условие нормального функционирования или эталонная комбинация:
Если скорость изменения давления рабочей жидкости в гидроцилиндре не начнет изменяться в сторону увеличения или изменения знака на положительный, а продолжит оставаться неизменным, то поворот стрелы будет возможен только в сторону разгрузки аварийной опоры.
Постоянный контроль параметров, определяющих устойчивость крана, осуществляется датчиками давления 10, сигналы с которых поступают на аналого-цифровой преобразователь с целью представления в удобную для обработки форму.
Обработка поступающей информации осуществляется с помощью микропроцессорного модуля на базе микропроцессора с постоянным запоминающим устройством и оперативным запоминающим устройством (рисунок 2.8).
Алгоритм функционирования системы будет иметь циклическую структуру. С датчиков давления информация собирается и обрабатывается в микропроцессорном модуле, составляются контрольные комбинации изменения скоростей давления, происходит сравнивание этих комбинаций с эталонными. В случае несовпадения составленных комбинаций с эталонными формируется сигнал на снижение скорости поворота стрелы в аварийную зону до полной остановки с последующей блокировкой поворота в эту зону. Машинисту дается возможность уменьшить опрокидывающий момент. Если после очередного сбора и обработки данных с датчиков давления составленные контрольные комбинации совпадают с эталонными, блокировка поворота в аварийную зону снимается с условием ограниченного опрокидывающего момента. Если составленные комбинации не совпадают с эталонными, а дальнейшее уменьшение опрокидывающего момента невозможно, поворот в аварийную зону остаётся заблокирован.
Рисунок 2.8 - Алгоритм работы системы повышения устойчивости при работе в болотистой местности
Реализация исполнительной части требует минимальной модернизации конструкции гидравлического оборудования механизма поворота стрелы (установка регулируемого аксиально-поршневого гидродвигателя) и гидравлического оборудования опорного контура (оснащение датчиками давления).
Отличительными чертами способа управления устойчивостью мобильного грузоподъемного крана и устройства для его осуществления является:
-
способ учитывает возможность случайной просадки грунта под опорами, результатом установления предаварийной ситуации является активное управление устойчивостью, которое не исключает движения в сторону аварийной опоры в случае достижения критического момента, когда будет выполняться условие нормального функционирования или составленные контрольные комбинации изменения скоростей давления будут соответствовать эталонным;
-
устройство для реализации способа управления устойчивостью мобильного грузоподъемного крана универсально, так как в основе его действий лежит математическая модель ГПМ, находящаяся в памяти бортового микропроцессора, и может быть изменена в зависимости от типа крана и его индивидуальных особенностей и усложнена (вес стрелы, учет динамических нагрузок, изменения параметров стрелы на одном кране) при предъявлении более жестких требований и по мере развития исследований (т.е. устойчива к моральному старению).
-
Конструкция пневматической подкладки под аутригер
Анализ возможных технических решений для повышения устойчивости крана показывает возможность применения пневматических подкладок под аутригеры. Общий вид конструкции такой подкладки представлен на рисунке 2.9.
Рисунок 2.9 - Пневматическая подкладка: 1 – плита верхняя; 2 – плита нижняя;
3 – гайка; 4 – камера; 5 – винт
3. ТЕХНИЧЕСКИЕ РАСЧЕТЫ
3.1. Расчёт грузовой лебёдки
Исходные данные.
грузоподъёмность mг = 16000 кг;
высота подъёма H = 21,7 м.
скорость подъёма V = 0,14 м/с.
кратность полиспаста а = 4.
масса крюковой подвески mкр = 150 кг.
3.1.1. Находим грузоподъёмную силу по формуле
где g = 9,81 м/с
- ускорение свободного падения.
3.1.2. Определяем КПД полиспаста по следующей формуле:















