СТАТИКА (805265), страница 2
Текст из файла (страница 2)
3. Крышка AВСD прямоугольного ящика опирается на невесомый стержень с шарнирами D и E на концах. Вес крышки P = 20 Кн , угол
DAE = 60°, AD = AE.
Рассматривая крышку как однородную пластину, определить реакции в петлях A и B, а также реакцию стержня DE.
МОДУЛЬ СТАТИКА ВАРИАНТ № 15
1. Запишите определение пары сил и формулы для вычисления векторного момента пары сил.
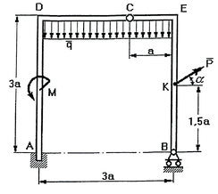
2. Найти реакцию шарнира B и момент заделки A, если M = 4 кНм, q0 = 4 кН/м (AC и BC в метрах).
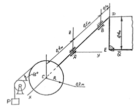
3. Коленчатый вал с жёстко насаженным на него шкивом радиуса R = 0,2 м закреплён в подшипниках А и B . К валу в точке E приложена сила Q, расположенная в плоскости, перпендикулярной к оси вала, а на шкив намотана верёвка, перекинутая через неподвижный блок и к которой привязан груз весом Р = 50 Н.
Определить величину силы Q, необходимой для равновесия вала, а также реакции подшипников A и B.
2. Найти необходимую для равновесия силу Q и реакцию в опоре B, если Р = 10 кН, R = 2r = 0,2l; l = 1 м, α = 30°, β = 60°.
МОДУЛЬ СТАТИКА ВАРИАНТ № 16
1. Дайте определение главного момента системы сил относительно центра приведения. Как найти его величину и направление?
3. Определить реакцию заделки A, если известны следующие величины:
P, M = 4Pl, q0 = 3P/l, α = 60°, β = 30°,
AB = BC = CD = l.
МОДУЛЬ СТАТИКА ВАРИАНТ № 17
1. Запишите определение и формулу момента силы относительно оси.
2. Найти усилие в шарнире C и момент заделки A, если P = 10 кН, M = 8 кНм, q0 = 6 кН/м (AC и BC в метрах).
3. Однородный брус весом P, имеющий форму прямоугольного параллепипеда со сторонами
AB = 0,6 м, BC = 0,4 м, AA1 = 0,3 м, прикреплён к стене
с помощью шарового шарнира A и петли B, а в точке D опирается на острие. К брусу приложены силы
и
.
Найти опорные реакции, если F1 =100 Н, F2 =40 Н, P=200.
МОДУЛЬ СТАТИКА ВАРИАНТ № 18
1. Докажите теорему Вариньона о моменте равнодействующей силы.
2. Найти реакцию шарнира B и момент в заделке A, если M = 6 кНм, q = 2 кН/м
(AC и BC в метрах).
3. Стержень ABC, заделанный в стену, нагружен силой
, расположенной в вертикальной плоскости, образующей с плоскостью Ayz угол α и силами, распределёнными по линейному закону с максимальной интенсивностью
.
Определить реакцию заделки A, если
α = 60°, β = 45°, Р =6 кН, qm = 4 кН/м.
МОДУЛЬ СТАТИКА ВАРИАНТ № 19
1. Запишите определение пары сил и формулы для вычисления векторного момента пары сил.
2. Найти усилие в шарнире C и момент заделки A, если P = 6 кН, M = 8 кНм, q0 = 2 кН/м (AC и BC в метрах).
z
3. Крышка AВСD прямоугольного ящика опирается на невесомый стержень с шарнирами H и K на концах. Вес крышки P = 10 Кн , угол
DAE = 60°, AD = AE, DK = KC = EH = HF.
Рассматривая крышку как однородную пластину, определить реакции в петлях A и B, а также реакцию стержня HK.
МОДУЛЬ СТАТИКА ВАРИАНТ № 20
1. Запишите условия равновесия произвольной пространственной системы сил в векторной и аналитической форме.
2. Найти реакцию шарнира B и момент в заделке A, если M = 6 кНм, q = 2 кН/м
(AC и BC в метрах).
3. Стержень ABC, заделанный в стену, нагружен силой
, расположенной в вертикальной плоскости, образующей с плоскостью Ayz угол α и силами, распределёнными по линейному закону с максимальной интенсивностью
.
Определить реакцию заделки A, если
α = 60°, β = 45°, Р =4 кН, qm = 2 кН/м.
М
2. Найти необходимую для равновесия силу Q и реакцию в опоре B, если Р = 10 кН, R = 2r = 0,2l; l = 1 м, α = 30°, β = 60°.
ОДУЛЬ СТАТИКА ВАРИАНТ № 211. Дайте определение главного вектора системы сил и запишите формулы для его вычисления.
3. Определить реакцию заделки A, если
известны следующие величины:
P, M = 4Pl, q0 = 3P/l, α = 60°, β = 30°,
AB = BC = CD = DE =l.
β
3. Определить реакцию заделки A, если
известны следующие величины:
P, M = 4Pl, q0 = 3P/l, α = 60°, β = 30°,
AB = BC = CD = l.
МОДУЛЬ СТАТИКА ВАРИАНТ № 22
1. Докажите лемму о параллельном переносе силы.
2. Определить опорные реакции, если:
M = 20 Нм, q = 10 Н/м, L = 1 м.
М
2. Найти необходимую для равновесия силу Q и реакцию в опоре B, если Р = 10 кН, R = 2r = 0,2l; l = 1 м, α = 30°, β = 60°.
ОДУЛЬ СТАТИКА ВАРИАНТ № 231. Дайте определение главного момента системы сил относительно центра приведения. Как найти его величину и направление?
3. Определить реакцию заделки A, если
известны следующие величины:
P, M = 4Pl, q0 = 3P/l, α = 60°, β = 30°,
AB = BC = CD = DE =l.
МОДУЛЬ СТАТИКА ВАРИАНТ № 24
1. Запишите условия равновесия произвольной пространственной системы сил в векторной и аналитической форме.
2. Найти необходимую для равновесия силу Q и реакцию в опоре B, если Р = 10 кН, R = 2r = 0,2l; l = 1 м, α = 30°, β = 60°.
3. Определить реакцию заделки A, если
известны следующие величины:
P, M = 4Pl, q0 = 3P/l, α = 60°, β = 30°,
AB = BC = CD = l.
МОДУЛЬ СТАТИКА ВАРИАНТ № 25
1. Дайте определение главного момента системы сил относительно центра приведения. Как найти его величину и направление?
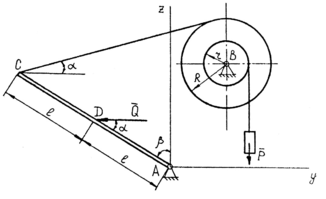
2. Г-образный стержень AВС шарнирно соединен со стержнем CD, удерживаемым в горизонтальном положении нитью DЕ. Пролет ВD нагружен равномерно распределенной силой с интенсивностью
.
Определить натяжение нити DЕ и реакцию заделки, если М = 200Нм, q = 10 Н/м, L = 1м.
3. Определить реакцию заделки A, если
известны следующие величины:
P, M = 4Pl, q0 = 3P/l, α = 60°, β = 30°,
AB = BC = CD =l.
МОДУЛЬ СТАТИКА ВАРИАНТ № 26
1. Запишите условия равновесия произвольной пространственной системы сил в векторной и аналитической форме.
2. Конструкция нагружена, как показано на рисунке. Определить реакции опор A и B , если дано: P, q = 2P/l, M = 10Pl, α = 90° .
3. Определить реакцию заделки A, если
известны следующие величины:
P, M = 4Pl, q0 = 3P/l, α = 60°, β = 30°,
AB = BC = CD = DE = l.
МОДУЛЬ СТАТИКА ВАРИАНТ № 27
1. Докажите лемму о параллельном переносе силы.
2. Г-образный стержень АDС шарниром соединён
со стержнем СЕВ, опирающимся в точке B на катки.
Стержни нагружены так, как показано на рисунке.
Определить реакцию в шарнире C и момент в
заделке А, если:
Р = 100 кН, М = 200 кНм, q = 10 кН/м, а = 1 м, α = 30°.
3. Определить реакцию заделки A, если
известны следующие величины:
P, M = 4Pl, q0 = 3P/l, α = 60°, β = 30°,
AB = BC = CD = DE =l.
МОДУЛЬ СТАТИКА ВАРИАНТ № 28
-
Сформулируйте условия, при которых момент силы относительно оси равен нулю.
П
2. Однородный стержень веса
и длины ЗL, шарнирно прикрепленный к неподвижному основанию, удерживается в горизонтальном положении с помощью невесомой и нерастяжимой нити, намотанной на барабан радиуса R. В точке D стержня приложена сила
, а к барабану - пара сил с моментом М. Определить реакцию в точке А и величина момента М, если:
F = 30 Н, Q = 50 Н, AD = AC/3, α = 30°, β =60°. Весом барабана пренебречь.
риведите примеры.
3. Определить реакцию заделки A, если
известны следующие величины:
P, M = 4Pl, q0 = 3P/l, α = 60°, β = 30°,
AB = BC = CD = l.
МОДУЛЬ СТАТИКА ВАРИАНТ № 29
-
Сформулируйте условия, при которых момент силы относительно оси равен нулю.
Приведите примеры.
2. Цилиндр опирается на гладкую стену и гладкий пол. Радиус цилиндра равен R. На цилиндр опирается гладкий стержень, прикрепленный шарниром A к полу. В точке В стержня к нему приложена сила Р. Определить реакцию в точке А и давление цилиндра на стену, если: Р=100Н, R =0,5м, α = 60°.
3. Определить реакцию заделки A, если
известны следующие величины:
P, M = 4Pl, q0 = 3P/l, α = 60°, β = 30°,
AB = BC = CD = DE =l.
МОДУЛЬ СТАТИКА ВАРИАНТ № 30
-
Инварианты системы сил и их свойства.
2. Найти усилие в шарнире C и момент в заделке A, если Р =10 кН, M = 16 кНм,
q0 = 5 кН/м (AC и BC в метрах).
3. Стержень ABC, заделанный в стену, нагружен силой
, расположенной в вертикальной плоскости, образующей с плоскостью Axz угол α и силами, распределёнными по линейному закону с максимальной интенсивностью
.
Определить реакцию заделки A, если
α = 30°, β = 60°, Р =2 кН, qm = 4 кН/м.
















