DZ_3_modul_2018 (785544)
Текст из файла
Домашняя задача (3 модуль). Цепи несинусоидального тока
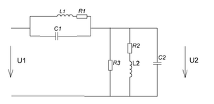
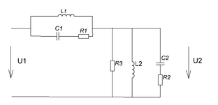
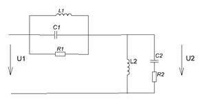
Определить значение напряжения u2(t). Определить активную мощность, выделяемую на резисторе R2. Построить зависимости сигналов u1(t) и u2(t).
N - номер группы,
M - номер по журналу.
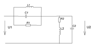
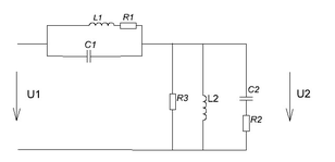
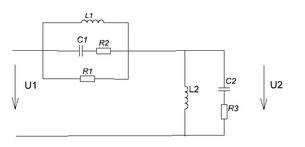
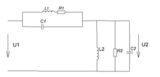
| Вариант №1, 11, 21 | Вариант №2, 12, 22 |
| Вариант №3, 13, 23 | Вариант №4, 14, 24 |
| Вариант №5, 15, 25 | Вариант №6, 16, 26 |
| Вариант №7, 17, 27 | Вариант №8, 18, 28 |
| Вариант №9, 19, 29 | Вариант №10, 20, 30 |
Характеристики
Тип файла документ
Документы такого типа открываются такими программами, как Microsoft Office Word на компьютерах Windows, Apple Pages на компьютерах Mac, Open Office - бесплатная альтернатива на различных платформах, в том числе Linux. Наиболее простым и современным решением будут Google документы, так как открываются онлайн без скачивания прямо в браузере на любой платформе. Существуют российские качественные аналоги, например от Яндекса.
Будьте внимательны на мобильных устройствах, так как там используются упрощённый функционал даже в официальном приложении от Microsoft, поэтому для просмотра скачивайте PDF-версию. А если нужно редактировать файл, то используйте оригинальный файл.
Файлы такого типа обычно разбиты на страницы, а текст может быть форматированным (жирный, курсив, выбор шрифта, таблицы и т.п.), а также в него можно добавлять изображения. Формат идеально подходит для рефератов, докладов и РПЗ курсовых проектов, которые необходимо распечатать. Кстати перед печатью также сохраняйте файл в PDF, так как принтер может начудить со шрифтами.















