Уоссермен Ф. - Нейрокомпьютерная техника (778921), страница 14
Текст из файла (страница 14)
Далее, допустим, что величина NET меньше порога. Тогда величина δOUTj может быть только отрицательной или нулем. Следовательно, опять энергия должна уменьшиться или остаться без изменения.
И окончательно, если величина NET равна порогу, δj равна нулю и энергия остается без изменения.
Это показывает, что любое изменение состояния нейрона либо уменьшит энергию, либо оставит ее без изменения. Благодаря такому непрерывному стремлению к уменьшению энергия в конце концов должна достигнуть минимума и прекратить изменение. По определению такая сеть является устойчивой.
Симметрия сети является достаточным, но не необходимым условием для устойчивости системы. Имеется много устойчивых систем (например, все сети прямого действия!), которые ему не удовлетворяют. Можно продемонстрировать примеры, в которых незначительное отклонение от симметрии может приводить к непрерывным осцилляциям. Однако приближенной симметрии обычно достаточно для устойчивости систем.
Ассоциативная память
Человеческая память ассоциативна, т. е. некоторое воспоминание может порождать большую связанную с ним область. Например, несколько музыкальных тактов могут вызвать целую гамму чувственных воспоминаний, включая пейзажи, звуки и запахи. Напротив, обычная компьютерная память является локально адресуемой, предъявляется адрес и извлекается информация по этому адресу.
Сеть с обратной связью формирует ассоциативную память. Подобно человеческой памяти по заданной части нужной информации вся информация извлекается из «памяти». Чтобы организовать ассоциативную память с помощью сети с обратными связями, веса должны выбираться так, чтобы образовывать энергетические минимумы в нужных вершинах единичного гиперкуба.
Хопфилд разработал ассоциативную память с непрерывными выходами, изменяющимися в пределах от +1 до –1, соответствующих двоичным значениям 0 и 1, Запоминаемая информация кодируется двоичными векторами и хранится в весах согласно следующей формуле:
где т – число запоминаемых выходных векторов; d – номер запоминаемого выходного вектора; OUTi,j – i-компонента запоминаемого выходного вектора.
Это выражение может стать более ясным, если заметить, что весовой массив W может быть найден вычислением внешнего произведения каждого запоминаемого вектора с самим собой (если требуемый вектор имеет n компонент, то эта операция образует матрицу размером п х п) и суммированием матриц, полученных таким образом. Это может быть записано в виде
где Di – i-й запоминаемый вектор-строка.
Как только веса заданы, сеть может быть использована для получения запомненного выходного вектора по данному входному вектору, который может быть частично неправильным или неполным. Для этого выходам сети сначала придают значения этого входного вектора. Затем входной вектор убирается и сети предоставляется возможность «расслабиться», опустившись в ближайший глубокий минимум. Сеть идущая по локальному наклону функции энергии, может быть захвачена локальным минимумом, не достигнув наилучшего в глобальном смысле решения.
Непрерывные системы
В работе [7] рассмотрены модели с непрерывной активационной функцией F, точнее моделирующей биологический нейрон. В общем случае это S-образная или логистическая функция
где – коэффициент, определяющий крутизну сигмоидальной функции. Если велико, F приближается к описанной ранее пороговой функции. Небольшие значения дают более пологий наклон.
Как и для бинарных систем, устойчивость гарантируется, если веса симметричны, т. е. wij = wji и wii = 0 при всех i. Функция энергии, доказывающая устойчивость подобных систем, была сконструирована, но она не рассматривается здесь из-за своего концептуального сходства с дискретным случаем. Интересующиеся читатели могут обратиться к работе [2] для более полного рассмотрения этого важного предмета.
Если велико, непрерывные системы функционируют подобно дискретным бинарным системам, окончательно стабилизируясь со всеми выходами, близкими нулю или единице, т. е. в вершине единичного гиперкуба. С уменьшением устойчивые точки удаляются от вершин, последовательно исчезая по мере приближения к нулю. На рис. 6.3 показаны линии энергетических уровней непрерывной системы с двумя нейронами.
Сети Хопфилда и машина Больцмана
Недостатком сетей Хопфилда является их тенденция стабилизироваться в локальном, а не глобальном минимуме функции энергии. Эта трудность преодолевается в основном с помощью класса сетей, известных под названием машин Больцмана, в которых изменения состояний нейронов обусловлены статистическими, а не детерминированными закономерностями. Существует тесная аналогия между этими методами и отжигом металла, поэтому и сами методы часто называют имитацией отжига.
Термодинамические системы
Металл отжигают, нагревая его до температуры, превышающей точку его плавления, а затем давая ему медленно остыть. При высоких температурах атомы, обладая высокими энергиями и свободой перемещения, случайным образом принимают все возможные конфигурации. При постепенном снижении температуры энергии атомов уменьшаются, и система в целом стремится принять конфигурацию с минимальной энергией. Когда охлаждение завершено, достигается состояние глобального минимума энергии.
Рис. 6.3. Линии энергетических уровнен
При фиксированной температуре распределение энергий системы определяется вероятностным фактором Больцмана
exp(–E/kT),
где Е – энергия системы; k – постоянная Больцмана; Т – температура.
Отсюда можно видеть, что имеется конечная вероятность того, что система обладает высокой энергией даже при низких температурах. Сходным образом имеется небольшая, но вычисляемая вероятность, что чайник с водой на огне замерзнет, прежде чем закипеть.
Статистическое распределение энергий позволяет системе выходить из локальных минимумов энергии. В то же время вероятность высокоэнергетических состояний быстро уменьшается со снижением температуры. Следовательно, при низких температурах имеется сильная тенденция занять низкоэнергетическое состояние.
Статистичекие сети Хопфилда
Если правила изменения состояний для бинарной сети Хопфилда заданы статистически, а не детерминированно, как в уравнении (6.1), то возникает система, имитирующая отжиг. Для ее реализации вводится вероятность изменения веса как функция от величины, на которую выход нейрона OUT превышает его порог. Пусть
Ek = NETk – k,
где NETk – выход NET нейрона k; – порог нейрона k, и
(отметьте вероятностную функцию Больцмана в знаменателе), где Т – искусственная температура.
В стадии функционирования искусственной температуре Т приписывается большое значение, нейроны устанавливаются в начальном состоянии, определяемом входным вектором, и сети предоставляется возможность искать минимум энергии в соответствии с нижеследующей процедурой:
-
Приписать состоянию каждого нейрона с вероятностью рk значение единица, а с вероятностью 1–рk – нуль.
-
Постепенно уменьшать искусственную температуру и повторять шаг 1, пока не будет достигнуто равновесие.
Обобщенные сети
Принцип машины Больцмана может быть перенесен на сети практически любой конфигурации, хотя устойчивость не гарантируется. Для этого достаточно выбрать одно множество нейронов в качестве входов и другое множество в качестве выходов. Затем придать входному множеству значения входного вектора и предоставить сети возможность релаксировать в соответствии с описанными выше правилами 1 и 2.
Процедура обучения для такой сети, описанная в [5], состоит из следующих шагов:
-
Вычислить закрепленные вероятности.
а) придать входным и выходным нейронам значения обучающего вектора;
б) предоставить сети возможность искать равновесие;
в) записать выходные значения для всех нейронов;
г) повторить шаги от а до в для всех обучающих векторов;
д) вычислить вероятность
, т. е. по всему множеству обучающих векторов вычислить вероятность того, что значения обоих нейронов равны единице.
2. Вычислить незакрепленные вероятности.
а) предоставить сети возможность «свободного движения» без закрепления входов или выходов, начав со случайного состояния;
б) повторить шаг 2а много раз, регистрируя значения всех нейронов;
в) вычислить вероятность
, т. е. вероятность того, что значения обоих нейронов равны единице.
3. Скорректировать веса сети следующим образом:
где δwij – изменение веса wij, η – коэффициент скорости обучения.
ПРИЛОЖЕНИЯ
Аналого-цифровой преобразователь
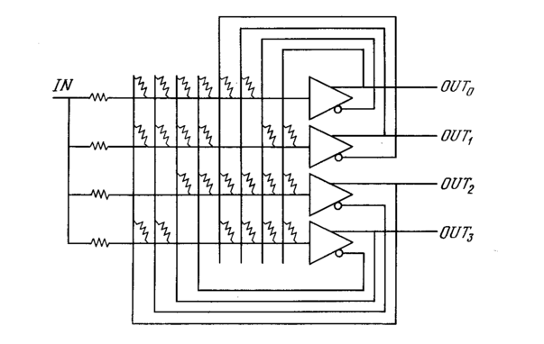
В недавних работах [8,10] рассматривалась электрическая схема, основанная на сети с обратной связью, реализующая четырехбитовый аналого-цифровой преобразователь. На рис. 6.4 показана блок-схема этого устройства с усилителями, выполняющими роль искусственных нейронов. Сопротивления, выполняющие роль весов, соединяют выход каждого нейрона с входами всех остальных. Чтобы удовлетворить условию устойчивости, выход нейрона не соединялся сопротивлением с его собственным входом, а веса брались симметричными, т. е. сопротивление от выхода нейрона i к входу нейрона j имело ту же величину, что и сопротивление от выхода нейрона j к входу нейрона i.
Заметим, что усилители имеют прямой и инвертированный выходы. Это позволяет с помощью обычных положительных сопротивлений реализовывать и те случаи, когда веса должны быть отрицательными. На рис. 6.4 показаны все возможные сопротивления, при этом никогда не возникает необходимости присоединять как прямой, так и инвертированный выходы нейрона к входу другого нейрона.
В реальной системе каждый усилитель обладает конечным входным сопротивлением и входной емкостью, что должно учитываться при расчете динамической характеристики. Для устойчивости сети не требуется равенства этих параметров для всех усилителей и их симметричности. Так как эти параметры влияют лишь на время получения решения, а не на само решение, для упрощения анализа они исключены.
Предполагается, что используется пороговая функция (предел сигмоидальной функции при , стремящемся к бесконечности). Далее, все выходы изменяются в начале дискретных интервалов времени, называемых эпохами. В начале каждой эпохи исследуется сумма входов каждого нейрона. Если она больше порога, выход принимает единичное значение, если меньше – нулевое. На протяжении эпохи выходы нейронов не изменяются.
Рис. 6.4. Четырехбитовый аналого-цифровой преобразователь,
использующий сеть Хопфилда
Целью является такой выбор сопротивлений (весов), что непрерывно растущее напряжение X, приложенное к одновходовому терминалу, порождает множесство из четырех выходов, представляющих двоичную запись числа, величина которого приближенно равна входному напряжению (рис. 6.5). Определим сначала функцию энергии следующим образом:
где X – входное напряжение.
Когда Е минимизировано, то получаются нужные выходы. Первое выражение в скобках минимизируется, когда двоичное число, образованное выходами, наиболее близко (в среднеквадратичном смысле) к аналоговой величине входа X. Второе выражение в скобках обращается в нуль, когда все выходы равны 1 или 0, тем самым накладывая ограничение, что выходы принимают только двоичные значения.
Если уравнение (6.7) перегруппировать и сравнить с уравнением (6.2), то получим следующее выражение для весов:















