РПЗ1 (777754), страница 3
Текст из файла (страница 3)
На рисунке 5 приведены возможные схемы установки, которые могут быть применены для обработки данной детали.
Рисунок 5 – Схемы установки.
-
Разработка маршрута обработки основных поверхностей детали
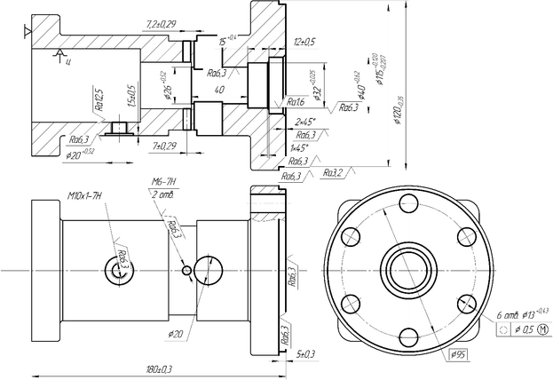
Рисунок 6 – Поверхности.
В нижеприведенной таблице 5 для поверхностей, изображенных на рисунке 6, показан маршрут их обработки, достигаемый параметр точности и шероховатости, а также номер схемы установки, которая может быть использована при их обработке.
Таблица 5 – Маршрут обработки поверхностей.
| № Пов-ти | Маршрут обработки поверхности | Достигаемые параметры | |
| Точность | Шероховатость | ||
| 3 | Растачивание черновое Растачивание чистовое | IT11 IT7 | Ra 6.3 Ra 1.6 |
| 6 | Растачивание черновое Растачивание чистовое | IT11 IT9 | Ra 6.3 Ra 1.6 |
| 1, 8 | Точение черновое Точение получистовое | IT 12 IT11 | Ra 12.5 Ra 6.3 |
| 2, 4, 5, 9, 10 | Растачивание черновое | IT11 | Ra 6.3 |
| 7, 12 | Точение черновое Точение получистовое однократное Точение чистовое | IT12 IT11 IT8 | Ra 12.5 Ra 6.3 Ra 3.2 |
| 17, 18 | Сверление | IT14 | Ra 12.5 |
| 11, 13, 14, 16 | Резьбонарезание | ||
| 19 | Сверление Долбление черновое Долбление чистовое | IT12 IT12 IT11 | Ra 12.5 Ra 6.3 Ra 3.2 |
| 15, 20, 21 | Цекование | IT12 | Ra 6.3 |
-
Расчет припусков на обработку. Оформление эскиза заготовки
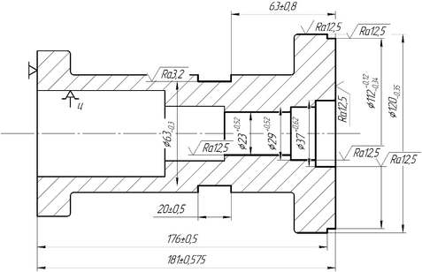
Проведем расчет припусков для диаметрального размера Ø32H7(-0.03) для которого Ra = 1.6 мкм. Заготовка – литье в кокиль.
Результаты расчета приведены в таблицу 6.
Таблица 6 - Результаты расчета припусков.
| Маршрут Обработки Поверхности | Элементы припуска | Расчетные величины | Допуск, Ti | Размеры заготовки | Предв. значение припусков | ||||||
|
|
|
|
|
|
|
|
|
|
| ||
| Точение черновое | 63 | 60 | 10,8 | 150 | - | 64,725 | 400 | 64,3 | 64,7 | - | - |
| Точение получистовое однократное | 12 | 30 | 0,5 | 0 |
| 64,824 | 90 | 64,83 | 64,92 | 0,53 | 0,22 |
| Точение чистовое | 8 | 15 | 0,02 | 50 |
| 64,97 | 30 | 64,97 | 65 | 0,14 | 0,08 |
итого: 0,67 0,3
, где
- черновая обр.,
чистовая обр.
Черновая обработка:
мм
Чистовая обработка:
мм
-
Разработка технологического процесса механической обработки
Ниже приведено маршрутное описание технологического процесса изготовления детали «Корпус», разработанного на основании п. 2.3 и базового технологического процесса.
Операция 005 Токарная с ЧПУ
Оборудование Токарный станок с ЧПУ модели TС30
Установ А
Установ Б
Операция 010 Сверлильно-фрезо-расточная с ЧПУ
Оборудование
Операция 015 Долбежная
Оборудование
Операция 020 Слесарная
Оборудование
Операция 030 Моечная
Оборудование Моечная машина
Операция 035 Контрольная
-
Проектирование технологических операций
-
Формирование структуры технологической операции и выбор средств технологического оснащения
-
В качестве проектной операции выберем операцию 005 Токарная с ЧПУ, так как на данной операции выполняется черновая и получистовая обработка основных поверхностей детали, а также формируются базы для дальнейшей обработки.
На основании разработанного маршрута обработки основных поверхностей и маршрутного описания обработки детали можно сделать вывод, что для обработки всех поверхностей на операции 005 Токарная с ЧПУ потребуется 4 перехода, которые будут выполняться за 2 установа.
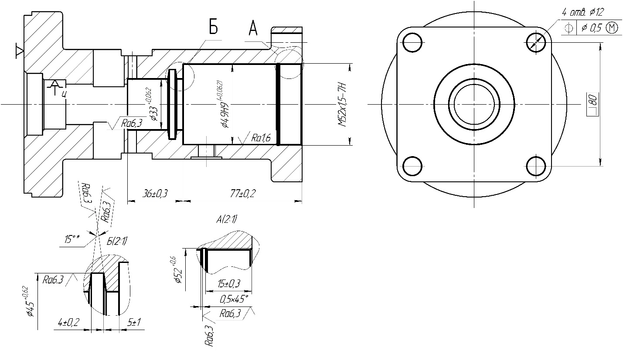
Закрепление заготовки при обработке на каждом из установов будет выполняться по схемам 1 и 2 приведенным на Рисунке 3.
Операционные эскизы всех переходов данной операции с указанием оборудования, приспособления, инструмента, его траектории и режимов резания приведены ниже.
-
Расчет и назначение режимов резания
Режимы резания сведены в таблицы в соответствии с опорными точками траектории инструмента. Назначение режимов выполнено в соответствии с рекомендациями, приведёнными в каталоге Sandvik Coromant.
Скорость резания и операционное время рассчитано по формулам:
;
соответственно.
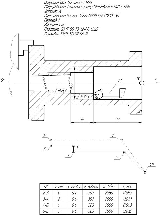
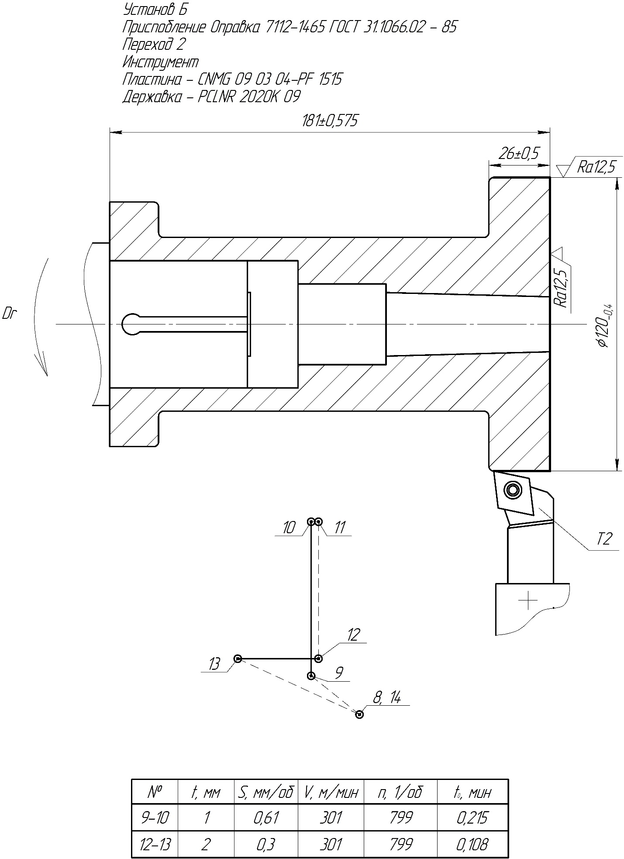
1 переход
Опорные точки 2-3 Опорные точки 3-4
Опорные точки 4-5 Опорные точки 5-6
2 переход
Опорные точки 9-10 Опорные точки 12-13
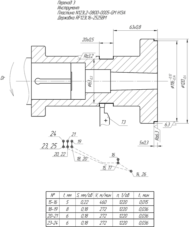
3 переход
Опорные точки 15-16 Опорные точки 18-19
Опорные точки 20-21 Опорные точки 23-24
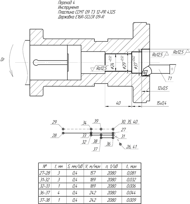
4 переход
Опорные точки 27-28 Опорные точки 31-32
Опорные точки 32-33 Опорные точки 36-37
Опорные точки 37-38
-
Технологическое нормирование
Пронормировать операцию в курсовом проекте – значит определить штучное(штучно-калькуляционной) время.
, где
-оперативное время, мин;
-доля времени на техническое обслуживание рабочего места в процентах от оперативного времени (6%), мин;
-доля времени на организационное обслуживание рабочего времени в процентах от оперативного времени (6..8%), мин;
-доля времени перерывов на отдых и личные потребности в процентах от оперативного времени (4%), мин.
, где
- суммарное основное время по всем технологическим переходам, выполняемым в операции, мин;
- суммарное вспомогательное время по всем вспомогательным и технологическим переходам, выполняемым в операции, мин.
Расчет штучно-калькуляционного времени для операции 005 :
Расчет штучно-калькуляционного времени для операции 010 :
;
Расчет штучно-калькуляционного времени для операции 015 :
, где
- подача мм/дв.х;
- число двойных ходов в минуту;
- ширина строгания;
– число ходов
, где
- скорость резания, м/мин;
- длинна хода инструмента;
- коэффициент, показывающий отношение рабочего и холостого хода
При черновой обработке: При получистовой обработке
;
-
Исследование производительности изготовления детали с применением сетевой модели
-
Постановка задачи исследования
-
Рассмотрение задачи о максимальном сетевом потоке при проектировании технологических процессов согласно [5] формулируется следующим образом.
Задана направленная сеть, на которой исследуется процесс,
моделируемый потоком FN, переносящим по сети некоторые абстрактные
элементы потока. Поток сети перемещается из вершины-источника s сети к
вершине-стоку t через промежуточные вершины x1, х2,…хе… по дугам сети
(xе, хе+1). Множество дуг сети А нагружено двумя весовыми функциями -
функцией величины текущего потока на дугах сети F={f(xе, хе+1)} |
(xе, хе+1)
А и функцией пропускной способности дуг сети L={l(xе, хе+1)} |
(xе, хе+1)
А. Требуется определить такую конфигурацию функции текущего потока на множестве дуг сети F={ f(xе, хе+1)}, при которой общий поток сети достигает максимального значения maxFN.
Сеть моделирует техпроцесс, заданный как множество операций,














