РПЗ (777678)
Текст из файла
М
осковский государственный технический университет им. Н. Э. Баумана
К
афедра «Технология машиностроения»
Выпускная квалификационная работа бакалавра
по теме
«Технология изготовления клапана криогенной техники»
Расчётно-пояснительная записка
С
тудент Шепель Н.И. Группа МТ3-81
Р
уководитель проекта Лукьянец О.Ф.
2015
Оглавление
1.Разработка технологической схему сборки узла (сб.единицы) 4
1.1 Назначение узла. Анализ технических требования на сборку, выявление основных технологических задач. 4
1.2. Анализ технологичности конструкции: качественные и количественные критерии оценки технологичности конструкции, выводы. 5
1.3. Расчёт размерных цепей с выбором метода достижения точности сборки. 6
1.4. Разработка и обоснование технологической схемы общей сборки узла. 8
1.5. Разработка технологического процесса сборки с выбором оборудования, инструментов, техническим нормированием времени и определением суммарной трудоёмкости сборки узла. 11
1.6. Разработка эскизов сборки элемента узла. 12
2. Разработка технологического маршрута изготовления детали 13
2.1 Назначение детали в узле, анализ технических требований чертежа детали, выявление основных технологических задач, разработка схем контроля по основным параметрам точности. 13
2.2 Отработка конструкции на технологичность для заданного типа производства. 14
2.3 Обоснование выбора материала детали: критерии выбора, условия эксплуатации, возможные варианты материала 16
2.4. Выбор и обоснование метода получения заготовки: критерии выбора, схематическое изображение заготовки с припусками. 17
2.5 Маршруты обработки основных поверхностей детали, их обоснование. 18
2.6 Выбор баз и анализ схем базирования для нескольких операций. 18
2.7 Разработка маршрута изготовления детали для заданного типа производства с выбором технологического оборудования, инструментов, средств контроля 20
2.8 Разработка технологических наладок для операций с выбором режущих инструментов, обоснованием и расчётом режимов обработки и припусков. 21
2.9 Точностные расчёты по разработанным операциям маршрута изготовления детали. 27
3. Научно-исследовательская часть 28
3.1 Основы формализации технологических знаний 28
3.1.1 Традиционное представление знаний в технологии машиностроения и проектирования…………………………………………………………………………28
3.1.2 Терминологический словарь языка программирования прикладных задач …29
3.1.3 Информационный блок как универсальная форма представления технологических знаний……………………………………………………………….30
3.2 Решатель инженерных задач - реализация системы, основанной на знаниях……..31
3.2.1 Состав нормативно-справочной информации…………………………………31
3.2.2 Формальная модель принятия решений………………………………………..32
3.3 Разработка системы автоматизированного нормирования слесарных работ 33
3.3.1 Общемашиностроительные нормативы времени на слесарные работы по реализации оборудования 33
3.3.2 Разработка информационных блоков для маркирования 34
Литература 36
Приложение А. Маршрутные карты процессов сборки
1. Разработка технологической схемы сборки узла
(сб. единицы)
1.1 Назначение узла. Анализ технических требований на сборку, выявление основных технологических задач
Клапан типа А3В служит для перекрытия потока рабочей среды в трубопроводе. Клапан предназначен для работы в средах с температурой от 14 до 323К (-259..+50С), устанавливается на трубопроводах и сосудах с вакуумной изоляцией.
Клапан состоит из следующих основных узлов: корпуса и шпиндельной группы. Уплотнение рабочей полости по штоку обеспечивается многослойным сильфоном. Для уменьшения силы трения в месте касания штока и шпинделя установлены подпятники повышенной твёрдости. На некоторые модели клапана возможна установка электрического сигнализатора положения запорного органа для дистанционного контроля.
При вращении маховика по ходу часовой стрелки шпиндель, шток и клапан перемещаются в сторону закрытия и перекрывают проходное отверстие корпуса.
При вращении маховика против хода часов происходит открытие клапана.
Анализ технических требований:
1) В закрытом и открытом положениях клапана выполнить риски, совпадающие с торцом «Р». Маркировку «О» и «З» нанести ударным способом. Риски и маркировку залить эмалью красной ЭП-51 ГОСТ 9640-85.
Ударный способ нанесения маркировки обеспечивает долговременную сохранность риски на корпусе изделия. Использование эмали красного цвета позволяет беспрепятственно обнаружить необходимую риску на корпусе изделия в процессе эксплуатации.
2) Маркировать Ну, Чу, Шу, Ду шрифт 5-Пр3 ГОСТ 26.008-85.
Маркировка определёнными шрифтами способствует сокращению времени сборочных операций и обслуживания.
Невыполнение этого требования влечет за собой увеличение продолжительности процесса сборки, а значит и себестоимость, неудобства в обслуживании и пр.
3) Непассивированные сварные швы зачистить до Ме-блеска.
Данная операция необходима для того, чтобы обеспечить лучшее сцепление с материалом шва покрытия, которое будет нанесено позже.
4) Подрезку торцев «Т» выполнять при использовании для испытаний приварной технологической оснастки. При подрезке предохранять полости П1 и П2 от попадания посторонних включений.
При использовании другого вида оснастки данное требование можно не выполнять.
5) Транспортные заглушки закрепить на кожухе тремя слоями полиэтиленовой ленты.
Невыполнение данного требования создаст условия для попадания в полости конструкции паров влаги, а также частиц грязи из внешней среды, что может привести к выходу из строя оборудования при его эксплуатации.
1.2 Анализ технологичности конструкции: качественные и количественные критерии оценки технологичности конструкции, выводы
Качественная оценка:
Качественная оценка конструктивного исполнения изделия даётся на основании анализа соответствия его основным требованиям к производственной, эксплуатационной и ремонтной технологичности конструкции.
1) Для сокращения длительности узловой, а, следовательно, и общей сборки клапана предусмотрена возможность независимо друг от друга присоединения различных составных частей к базовой детали узла.
2) Сборка производится из узлов, что позволяет производить сборку параллельно, упрощает контроль и ускоряет процесс сборки.
3) Масса узла небольшая и не требует применения грузоподъёмных механизмов на промежуточных операциях сборки.
4) Простая конструкция узла не требует применения сложных приспособлений и механизации.
5) Узел имеет удобный доступ к местам контроля и не требует высокой квалификации исполнителей сборки и контроля.
6) Установка клапана на седло корпуса, требует притиров для обеспечения необходимой шероховатости поверхностей. Операция технологична только для единичного и мелкосерийного производства.
Количественная оценка:
Количественная оценка основана на инженерно-расчётных методах, представляющих собой совокупность приемов, посредством которых определяются и сопоставляются расчётным путём численные значения показателя технологичности конструкции изделия и соответствующего показателя конструкции, принятой в качестве базы для сравнения.
Коэффициент стандартизации
где Е,
общее число сборочных единиц и стандартных сборочных единиц в конструкции; Д,
число деталей и число стандартных деталей, не входящих в сборочные единицы. Соответственно
Полученное значение выше граничного (0,2≤
≤0,4, [4]), что свидетельствует о том, что по данному критерию узел технологичен.
Коэффициент сборности, показывает возможность расчленения на рациональное число составных частей, сборку которых можно производить независимо друг от друга
где Е- число сборочных единиц ; Д- число деталей, не вошедших в сборочные единицы. Соответственно:
Полученное значение удовлетворяет граничным ( 0,1≤
≤0,25, [4])-это свидетельствует о том, что по данному критерию узел не технологичен.
Вывод: конструкция клапана, так как она отвечает современному уровню техники, позволяет изготовлять, ремонтировать и эксплуатировать изделие при минимальных затратах в заданном объеме выпуска и в установленные сроки.
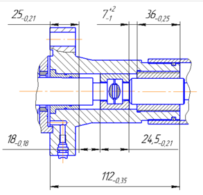
1.3 Расчет размерных цепей с выбором метода достижения точности сборки
Анализ конструкции группы шпиндельной показал, что при сборке необходимо обеспечить ход на расстояние
мм. При вращении маховика по ходу часовой стрелки шпиндель, шток и клапан перемещаются в сторону закрытия и перекрывают проходное отверстие корпуса. При вращении маховика против хода часовой стрелки происходит открытие клапана.
Рис.1.1а Схема размерной цепи
Рис.1.1б Расчётная схема размерной цепи
Таблица 1.1 – Таблица для расчета размерной цепи
| Обозн. звена | Физическая сущность звена | | Чертежный размер звена | ТАi |
| A0 | Расстояние хода между сухарём муфты и резьбовой втулкой | - |
| 3 |
| A1 | Размер фонаря | +1 |
| 0,35 |
| A2 | Размер втулки | -1 |
| 0,21 |
| А3 | Расстояние между втулкой и сухарём муфты | -1 |
| 0,18 |
| А4 | Размер сухаря муфты | -1 |
| 0,21 |
| А5 | Размер резьбовой втулки | -1 |
| 0,25 |
Сделаем расчёт методом полной взаимозаменяемости (метод, при котором детали соединяются на сборке без пригонки, регулирования)[5].
Увеличивающие размеры:
.
Уменьшающие размеры:
.
Замыкающее звено:
.
Номинальный размер А4:
=∑
– ∑
=
= 112-25-18-24,5-36=7,5мм
Верхнее отклонение Es определим из соотношения:
Характеристики
Тип файла документ
Документы такого типа открываются такими программами, как Microsoft Office Word на компьютерах Windows, Apple Pages на компьютерах Mac, Open Office - бесплатная альтернатива на различных платформах, в том числе Linux. Наиболее простым и современным решением будут Google документы, так как открываются онлайн без скачивания прямо в браузере на любой платформе. Существуют российские качественные аналоги, например от Яндекса.
Будьте внимательны на мобильных устройствах, так как там используются упрощённый функционал даже в официальном приложении от Microsoft, поэтому для просмотра скачивайте PDF-версию. А если нужно редактировать файл, то используйте оригинальный файл.
Файлы такого типа обычно разбиты на страницы, а текст может быть форматированным (жирный, курсив, выбор шрифта, таблицы и т.п.), а также в него можно добавлять изображения. Формат идеально подходит для рефератов, докладов и РПЗ курсовых проектов, которые необходимо распечатать. Кстати перед печатью также сохраняйте файл в PDF, так как принтер может начудить со шрифтами.














