168153 (741793), страница 2
Текст из файла (страница 2)
Достоинства .метода электрокоагуляции: компактность установок и простота управления, отсутствие потребности в реагентах, малая чувствительность к изменениям условий проведения процесса очистки (температура, рН среды, присутствие токсичных веществ), получение шлама с хорошими структурно-механическими свойствами. Недостатком метода является повышенный расход металла и электроэнергии. Электрокоагуляция находит применение в пищевой, химической и целлюлозно-бу-мажной промышленности.
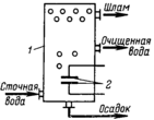
Технологическая схема очистки сточных вод электрокоагуляцией показана на рис 3.
Рис. 3. Схема электрокоагуляционной установки:
1 — усреднитель; 2 — бак для приготовления раствора; 3 — источник постоянного тока; 4 — электрокоагулятор; 5 — отстойник; 6 — аппарат для обезвоживания осадка
Обезвоживание осадка проводят в фильтр-прессе или центрифуге. Выделяющийся в процессе газообразный водород можно использовать для флотации гидроксида. С этой целью в схеме очистки используют электрокоагуляторы-флотаторы, или специальные флотационные аппараты, например гидроциклоны-флотаторы. Замена отстойника на флотаторы позволяет значительно уменьшить габариты установки, сократить капитальные затраты и получить менее влажный осадок гидроксида.
Электрокоагуляционную очистку сточных вод можно использовать для очистки от эмульсий нефтепродуктов, масел, жиров (электрокоагулятор представляет собой ванну с электродами). Эффективность очистки от нефтепродуктов составляет: от масел 54—68%, от жиров 92—99% при удельном расходе электроэнергии 0,2—3,0 Вт-ч/м3.
На практике наиболее широко используют безнапорные пластинчатые электрокоагуляторы, направление движения жидкости в которых может быть горизонтальным и вертикальным. Они могут быть однопоточными, многопоточными и смешанными. При многопоточной схеме движения вода проходит одновременно через промежутки между электродами (параллельное соединение каналов). При однопоточной схеме вода проходит между электродами последовательно (последовательное соединение каналов), что уменьшает пассивацию электродов. Скорость движения воды у однопоточных электрокоагуляторов в п—1 раз больше, чем у многопоточных (га—число электродов).
Полезный объем ванны электрокоагулятора (объем сточных вод, постоянно находящихся в аппарате) равен
Расход железа на процесс
Ток, обеспечивающий растворение железа за время т, равен
Рабочая поверхность анодов и общее их число определяют из соотношений
Общее число электродов (катодов и анодов) составляет
Общий объем ванны электролизера равен
где Q — расход сточных вод, мз/ч; — время процесса, ч; d — удельный расход железа на удаление определенного загрязнения, г/ч; с — исходная концентрация иона металла, загрязняющего воду, г/м3; k — электрохимический эквивалент железа, равный 1,042 г/(А-ч); — выход железа по току, % (при обработке воды с рН=3—5 близок к 100%); i—оптимальная плотность тока, А/м2; Si — площадь одного анода, м2; Vэ—объем всех электродов.
Толщину электродов, их ширину, межэлектродное расстояние определяют с учетом конструктивных особенностей, а также заданной скорости движения воды.
Количество газа, генерируемого в электрофлотаторе, определяют по формуле
где Vo— объем газа, выделяющегося при нормальных условиях, м3; qн - количество газа, выделяющегося при прохождении 1 кА-ч (электрохимический эквивалент), м3; I —ток, проходящий через аппарат, кА; —время обработки, ч; B - коэффициент использования тока, доли единицы; п—число пар электродов; qH2 —0,418 м3/кА-ч).
Объем влажного газа в реальных условиях равен
где р — парциальное давление насыщенных водяных паров (при 20 °С равное 2,3 кПа); 5—давление в системе, кПа; Р—атмосферное давление, кПа; 101,3—давление при нормальных условиях, кПа.
Электрофлотация.
В этом процессе очистка сточных вод от взвешенных частиц проходит при помощи пузырьков газа, образующихся при электролизе воды. На аноде возникают пузырьки кислорода, а на катоде — водорода. Поднимаясь в сточной воде, эти пузырьки флотируют взвешенные частицы. При использовании растворимых электродов происходит образование хлопьев коагулянтов и пузырьков газа, что способствует более эффективной флотации.
Основную роль при электрофлотации играют пузырьки, образующиеся на катоде. Размер пузырьков водорода значительно меньше, чем при других методах флотации. Он зависит от краевого угла смачивания и кривизны поверхности электродов. Диаметр пузырьков меняется от 20 до 100 мкм. Из пересыщенных растворов мельчайшие пузырьки выделяются на поверхности частичек загрязнений и тем самым способствуют эффекту флотации. Для получения пузырьков требуемого размера необходим правильный подбор материала, диаметра проволоки катода и плотности тока. Оптимальное значение плотности тока 200—260 А/м2, газосодержание—около 0,1%.
При небольших объемах сточных вод (10—15 м3/ч) электрофлотационные установки могут быть однокамерными (рис. 4), при больших — следует применять двухкамерные установки, которые могут быть горизонтальными и вертикальными.
Рис. 4. Схема однокамерной электрофлотационной установки (/—корпус; 2—электроды)
Они состоят из электродного отделения и отстойной части. Схема горизонтального электрофлотатора показана на рис. 5. Сточная вода поступает в успокоитель, который отделен от электродного отделения решеткой. Проходя через межэлектродное пространство, вода насыщается пузырьками газа. Всплывание пузырьков с частицами происходит в отстойной части. Всплывший шлам перемещается скребком в шлакоприемник, откуда его удаляют. Расчет установки сводится к определению общего объема электродного отделения и отстойной части, а также необходимых конструктивных и электрических параметров.
Рис. 5. Горизонтальный электрофлотатор:
1—впускная камера; 2— электроды; 3— скребок; 4 — шлаиоприемник; 5 — патрубок выпуска осадка
Электродиализ.
Процесс очистки сточных вод электродиализом основан на разделении ионизированных веществ под действием электродвижущей силы, создаваемой в растворе по обе стороны мембран. Этот процесс широко используют для опреснения соленых вод. В последнее время его начали применять и для очистки промышленных сточных вод.
Процесс проводят в электродиализаторах, простейшая конструкция которых состоит из трех камер, отделенных одна от другой мембранами (рис. П-53,а). В среднюю камеру заливают раствор, а в боковые, где расположены электроды, — чистую воду. Анионы током переносятся в анодное пространство. На аноде выделяется кислород и образуется кислота. Одновременно катионы переносятся в катодное пространство. На катоде выделяется водород и образуется щелочь. По мере прохождения тока концентрация солей в средней камере уменьшается до тех пор, пока не станет близкой к нулю.
За счет диффузии в среднюю камеру поступают ионы Н+ и ОН-, образуя воду. Этот процесс замедляет перенос ионов соли к соответствующим электродам.
П
ри использовании электрохимически активных (ионообменных) диафрагм повышается эффективность процесса и снижается расход электроэнергии. Ионообменные мембраны проницаемы только для ионов, имеющих заряд того же знака, что и у подвижных ионов.
Рис. 6. Схемы электродиализаторов с пористыми диафрагмами (а) и иони-товыми мембранами (б)
В электродиализаторе (рис. 6, б) имеется две мембраны. Одна из них — анионообменная и пропускает в анодную зону анионы. Другая мембрана— катионообменная расположена со стороны катода и пропускает катионы в катодное пространство.
Обычно электролизеры для очистки воды делают многокамерными (100— 200 камер) с чередующимися катионо- и анионопроницаемыми мембранами. Электроды помещают в крайних камерах. В многокамерных аппаратах достигается наибольший выход по току.
Для обессоливания воды применяют гомогенные и гетерогенные мембраны. Гомогенные мембраны состоят только из одной смолы и имеют малую механическую прочность. Гетерогенные мембраны представляют собой порошок ионита, смешанный со связующим веществом — каучуком, полистиролом, метилмер-каптаном и др. Из этой смеси вальцеванием получают пластины. Мембраны должны обладать малым электрическим сопротивлением. На эффективность работы электродиализатора большое влияние оказывает расстояние между мембранами. Обычно оно составляет 1—2 мм. Во избежание засорения мембран сточные воды перед подачей в электродиализатор должны быть очищены от взвешенных и коллоидных частиц.
Расход энергии при очистке воды, содержащей 250 мг/л примесей, до остаточного содержания солей 5 мг/л составляет 7 кВт-ч/м3. С увеличением содержания солей в воде удельный расход энергии возрастает.
Основным недостатком электродиализа является концентрационная поляризация,, приводящая к осаждению солей на поверхности мембран и снижению показателей очистки.
Электрохимическая активация
Электрохимическая активация представляет собой самостоятельную область прикладной электрохимии наряду с традиционными и имеет несколько принципиальных особенностей. Термин электрохимическая активация (ЭХА) появился в результате серии исследований, которыми было установлено, что жидкости, подвергнутые униполярному (анодному или катодному) электрохимическому воздействию переходят в термодинамически неравновесное состояние и в течение времени релаксации проявляют аномально высокую химическую активность. Этот термин был введен в науку академиком российской академии медико-технических наук В.М. Бахиром. В отличие от известных электрохимических процессов, исходным веществом в процессах электрохимической активации являются разбавленные водно-солевые растворы, пресная или слабоминерализованная вода, т.е. жидкости низкой электропроводностью. Конечным продуктом ЭХА являются не концентрированные химические вещества, а активированные растворы, т.е. низкоминерализованные жидкости в метастабильном состоянии.
Электрохимическая активация практически не используется как самостоятельный технологический процесс. Ее целью является уменьшение или полное исключение расхода химических реагентов, снижение загрязненности растворов, повышение качества целевых продуктов, сокращение времени, повышение эффективности и упрощение различных технологических процессов. Иными словами ЭХА используется для создания высокоэффективных и экологически чистых технологий в различных областях человеческой деятельности. Практически в любой области человеческой деятельности, там, где имеется соприкосновение с жидкостью, могут использоваться технологии ЭХА.
Электрохимические принципы работы активаторов
Цель ЭХА -придание воде необходимых функциональных свойств перед использованием, в том числе каталической и биокаталической активности.
Электрохимическая активация производиться путем катодной или анодной (униполярной) электрохимической обработке воды в диафрагменном электрохимическом реакторе. Диафрагма в виде пористой диэлектрической перегородки между электродами реактора препятствует смешиванию объемов воды (растворов) в анодной и катодной электродной камерах.















