diplom (739336), страница 4
Текст из файла (страница 4)
Р
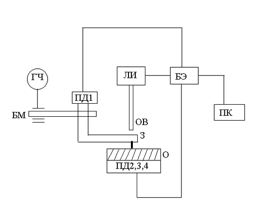
ис.2. Принципиальная схема АСМ
З- зонд;
БМ- биморфный элемент;
ГЧ- генератор частот;
О- образец;
ЛИ- люминисцентный источник;
ОВ- оптическое волокно;
БЭ- блок электроники;
ПК- персональный компьютер;
ПД1,2,3,4- пьезоэлементы двигателя.
Изменение амплитуды колебаний зонда детектируется оптической системой, в которой пучок света от ЛИ проходя по ОВ, отражается, во-первых, от его скола на краю волокна подведенном с помощью регулируемого кронштейна на расстояние 10мкм к ΄пятке’ зонда и , во-вторых, от полированного участка на поверхности балки. Разность отраженных оптических сигналов регистрируется и обрабатывается блоком электроники (БЭ). По изменениям разницы сигналов судят об изменении амплитуды колебаний зонда и , следовательно, об изменении расстояния между сканирующим острием и исследуемой поверхностью. С помощью системы обратной связи на базе управляющего компьютера (ПК) и блока электроники (БЭ) подаются соответствующие управляющие напряжения на Z-участок, пьезоэлементы двигателя (ПД). ПД, удлиняясь или укорачиваясь, совершают перемещение острия (или образца) вдоль оси Z и тем самым поддерживают постоянным расстояние между острием зонда и поверхностью образца во время сканирования.
Системы детектирования и перемещений обеспечивают чувствительность по оси Z 0,1-0,2 нм, в плоскости ХОУ- разрешение до 5-10 нм.
Сканирование острия зонда над измеряемой поверхностью осуществляется пьезодержателем ПД1. Для этого соответствующие квантовые напряжения на ХУ-участки трубчатого элемента подают, что приводит к их изгибу относительно осей ОХ и ОУ и, следовательно, к сканированию в плоскости ХОУ. В зависимости от состояния системы цифровой процессор управляет положением зонда. Компьютер реализует растровую разветку пьезодвигателя. В заданных узлах растровой сетки производятся измерения положений. Данные накапливаются в ОЗУ компьтера.
Сканирование.
Подготовленный для исследований на САМ образец закрепляют на платформе держателя в аналитическом узле таким образом, что предполагаемый участок сканирования располагается под острием зонда. Платформа устанавливается на направляющие. После чего, осуществляется подвод образца, выбор режима и производится сканирование.
Обработка данных.
В результате экспериментальных исследований были получены САМ-изображения, обработка производится на компьютере с использованием оригинальных программ.
Первичная обработка включает вычисление общей плоскости наклона изображения и фильтрацию шумовых компонентов. Затем методом многократной повторной фильтрации находят длинноволновые составляющие рельефа.
Для полученных изображений производится статистический анализ высот топографии, углов наклона рельефа и ориентационных углов. Кроме того, выполняются профильные сочетания изображений, которые затем обрабатываются по специальной программе для определения параметров шероховатости.
2.4. Определение ударной вязкости
Ударная вязкость в данной работе определялась на маятниковом копре RM-201.Маятниковый копер предназначен для испытания пластмасс на сопротивление изгибу при ударе, на их долговечность и вязкость.
Маятниковый копер работает по принципу Шарпи. Маятник качается на оси, вращающийся в подшипниках, закрепленных на вилкообразной чугунной стойке. В нижней части стойки имеются опоры для закрепления образца. Расстояние между опорами можно регулировать соответственно размерам образца. На полукруглой шкале, расположенной центрично с осью маятника, имеются два деления в соответствии с работой удара разных маятников. В поднятом положении маятник фиксируют собачкой. Вытянув собачку и освободив этим маятник, накопившаяся в нем кинетическая энергия освобождается и маятник в своем самом нижнем положении ударяет на установленный на опорах образец и ломает его. Часть энергии израсходуется на разрушение образца; оставшаяся в маятнике кинетическая энергия заставляет маятник взлетать в противоположную сторону. Выходящий за пределы самого нижнего положения маятник, сломав образец при помощи ручки, насаженной на его ось, перемещает из своего исходного положения фрикционную стрелку, которая показывает величину взлета маятника. Шкала отградуирована с таким расчетом, что позволяет непосредственный отсчет энергии, израсходованной на излом.
2.5. Рентгеноструктурный анализ
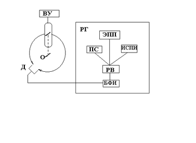
Рентгеновские дифрактометры- приборы, использующие ионизационные или инсциляторные методы регистрации дифракционных максимумов.[14]
Современный дифрактометр является сложной установкой, в которой осуществляется фокусировка рентгеновских лучей, отраженных от образца, и измеряется интенсивность дифракционных максимумов с помощью счетчиков. Установка снабжена электронной и интегрирующей схемами и автоматической записью кривых интенсивностей.
В СНГ серийно выпускаются дифрактометры семейства ДРОН (дифрактометр рентгеновский общего назначения) в основе которых используется одна и та же схема фокусировки рентгеновских лучей, названная в честь авторов - фокусировка по Брэггу-Брентано.
Дифракционная картина регистрируется последовательно по мере вращения образца и счетчика. Поэтому необходимо, чтобы интенсивность излучения рентгеновской трубки была постоянной, а геометрическая съемка должна быть фокусирующей при сравнительно больших размерах образца.
Дифрактометры семейства ДРОН состоят из источника высокого напряжения, на котором обычно располагается оперативный стол с реализацией той или иной схемы фокусировки, которая включает рентгеновскую трубку, счетчик рентгеновских квантов. В отдельных стойках (или стойке, в зависимости от модели) размещаются блоки линейного усилителя, дифференциального дискриминатора, пересчетного устройства, его секундомера, устройство вывода информации, дифропечатающего устройства, самопишущего прибора, которые обеспечивают функционирование и возможность реализации той или иной задачи.
РТ- рентгеновская трубка,
Д- детектор,
РГ- регестрирующее устройство,
БФИ- блок формирования импульса,
ПС- пересчетная схема,
ИСПИ- измеритель скорости подачи импульсов,
ЭПП- электронный пишущий потенциометр,
ВУ- высоковольтное устройство,
Рис.3 Принципиальная схема дифрактометра
Глава III. Исследование структуры и свойств полимерных материалов, модифицированных кремнийсодержащими добавками
3.1. Результаты рентгеноструктурного анализа
3.1.1.Рентгеноструктурный анализ кремня
Анализу подвергался кремний до термообработки, после термообработки при 1000С, 2000С, 3000С в течении одного часа.
Результаты расчета рентгенограмм приведены в таблице №2. За основу составления этих таблиц приняты значения межплоскостных расстояний, которые рассчитывались по формуле
d/n=/2sin (4)
где -длина волны рентгеновского излучения, Å;
-угол скольжения,0.
Таблица №2 Результаты расчета рентгенограмм кремния
| Реф-лекс № | Кремень до Термообработ-ки | После термо-обработки при 1000С | После термо-обработки при 2000С | После термо-обработки при 2000С | ||||||||
| Θ 0 | d/n | ΔI | Θ 0 | d/n | ΔI | Θ 0 | d/n | ΔI | Θ 0 | d/n | ΔI | |
| 1 | 10,5 | 4,23 | 0,20 | 10,4 | 4,27 | 0,21 | 10,4 | 4,27 | 0,22 | 10,4 | 4,27 | 0,23 |
| 2 | 12,0 | 3,71 | 0,05 | |||||||||
| 3 | 13,4 | 3,32 | 1,00 | 13,3 | 3,35 | 1,00 | 13,4 | 3,32 | 1,00 | 13,4 | 3,32 | 1,00 |
| 4 | 13,8 | 3,23 | 0,11 | |||||||||
| 5 | 16,7 | 2,68 | 0,03 | |||||||||
| 6 | 18,3 | 2,45 | 0,22 | 18,3 | 2,45 | 0,19 | 18,2 | 2,47 | 0,14 | 18,3 | 2,45 | 0,13 |
| 7 | 19,8 | 2,27 | 0,34 | 19,7 | 2,29 | 0,26 | 19,7 | 2,29 | 0,24 | 19,8 | 2,27 | 0,25 |
| 8 | 20,2 | 2,23 | 0,12 | 20,1 | 2,24 | 0,10 | 20,1 | 2,24 | 0,07 | 20,2 | 2,23 | 0,10 |
| 9 | 21,3 | 2,12 | 0,26 | 21,3 | 2,12 | 0,16 | 21,2 | 2,13 | 0,15 | 21,3 | 2,12 | 0,17 |
| 10 | 22,9 | 1,98 | 0,13 | 22,9 | 1,99 | 0,13 | 22,9 | 1,98 | 0,12 | 23,0 | 1,97 | 0,16 |
| 11 | 23,7 | 1,92 | 0,03 | |||||||||
| 12 | 24,3 | 1,87 | 0,04 | |||||||||
| 13 | 25,1 | 1,82 | 0,46 | 25,1 | 1,82 | 0,42 | 25,1 | 1,82 | 0,41 | 25,1 | 1,82 | 0,48 |
| 14 | 27,5 | 1,67 | 0,16 | 27,4 | 1,67 | 0,14 | 27,4 | 1,67 | 0,13 | 27,5 | 1,67 | 0,13 |
| 15 | 28,8 | 1,60 | 0,03 | |||||||||
| 16 | 30,1 | 1,54 | 0,36 | 30,0 | 1,54 | 0,27 | 30,0 | 1,54 | 0,24 | 30,0 | 1,54 | 0,24 |
| 17 | 32,1 | 1,45 | 0,10 | 32,0 | 1,45 | 0,08 | 32,1 | 1,45 | 0,07 | 32,0 | 1,45 | 0,06 |
| 18 | 32,8 | 1,42 | 0,04 | |||||||||
| 19 | 34,1 | 1,37 | 0,47 | 34,1 | 1,37 | 0,42 | 34,1 | 1,37 | 0,33 | 34,0 | 1,38 | 0,43 |
| 20 | 36,9 | 1,28 | 0,13 | 36,8 | 1,29 | 0,08 | 36,8 | 1,29 | 0,09 | 36,8 | 1,29 | 0,08 |
| 21 | 37,9 | 1,25 | 0,15 | 37,8 | 1,26 | 0,12 | 37,9 | 1,25 | 0,08 | 37,9 | 1,25 | 0,10 |
| 22 | 38,9 | 1,23 | 0,07 | 38,8 | 1,23 | 0,05 | 38,8 | 1,23 | 0,04 | 38,8 | 1,23 | 0,06 |
| 23 | 38,9 | 1,23 | 0,07 | |||||||||
| 24 | 39,7 | 1,21 | 0,06 | |||||||||
| 25 | 40,0 | 1,20 | 0,15 | 40,0 | 1,20 | 0,12 | 40,0 | 1,20 | 0,10 | 40,0 | 1,20 | 0,11 |
| 26 | 40,7 | 1,18 | 0,20 | 40,6 | 1,18 | 0,13 | 40,7 | 1,18 | 0,13 | 40,8 | 1,18 | 0,13 |
| 27 | 41,9 | 1,15 | 0,08 | 41,8 | 1,16 | 0,10 | 42,0 | 1,15 | 0,04 | 42,0 | 1,15 | 0,05 |
| 28 | 45,5 | 1,08 | 0,08 | 45,5 | 1,08 | 0,10 | 45,4 | 1,08 | 0,06 | 45,5 | 1,08 | 0,06 |
| 29 | 47,5 | 1,05 | 0,08 | 47,4 | 1,05 | 0,10 | 47,4 | 1,05 | 0,04 | 47,5 | 1,05 | 0,05 |
| 30 | 48,2 | 1,03 | 0,08 | 48,3 | 1,03 | 0,04 | 48,2 | 1,03 | 0,04 | 48,1 | 1,04 | 0,04 |
| 31 | 49,4 | 1,01 | 0,05 | 49,4 | 1,01 | 0,03 | 49,3 | 1,02 | 0,03 | 49,3 | 1,02 | 0,02 |
| 32 | 51,3 | 0,99 | 0,06 | 51,2 | 0,99 | 0,05 | 51,3 | 0,99 | 0,04 | 51,3 | 0,99 | 0,04 |
| 33 | 52,1 | 0,98 | 0,04 | 0,04 | ||||||||
| 34 | 53,3 | 0,96 | 0,06 | 53,2 | 0,96 | 0,04 | 53,3 | 0,96 | 0,06 | 53,3 | 0,96 | 0,04 |
| 35 | 57,3 | 0,92 | 0,08 | 57,3 | 0,92 | 0,07 | 57,2 | 0,92 | 57,4 | 0,91 | 0,06 | |
| 36 | 59,2 | 0,90 | 0,06 | 59,2 | 0,90 | 0,04 | ||||||
Из таблицы видно, что имеются некоторые изменения в структуре кремния после термообработки (ТО).















