151162 (732934), страница 2
Текст из файла (страница 2)
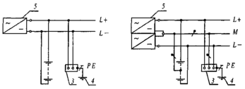
а б
Рис. 1. Система TN-C переменного (а) и постоянного (б) тока. Нулевой защитный и нулевой рабочий проводники совмещены в одном проводнике:
1 - заземлитель нейтрали (средней точки) источника питания;
2 - открытые проводящие части; 3 - источник питания постоянного тока
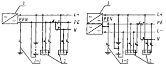
Рис. 2. Система TN—S переменного (а) и постоянного (б) тока. Нулевой защитный и нулевой рабочий проводники разделены:
1 - заземлитель нейтрали источника переменного тока; 1-1 - заземлитель вывода источника постоянного тока; 1-2 - заземлитель средней точки источника постоянного тока; 2 - открытые проводящие части; 3 - источник питания
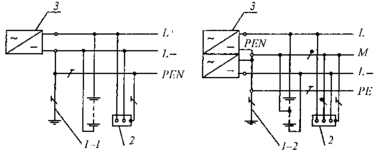
Рис. 3. Система TN-C-S переменного (а) и постоянного (б) тока. Нулевой защитный и нулевой рабочий проводники совмещены в одном проводнике в части системы:
1 — заземлитель нейтрали источника переменного тока; 1-1 - заземлитель вывода источника постоянного тока; 1-2 - заземлитель средней точки источника постоянного тока; 2 - открытые проводящие части, 3 - источник питания
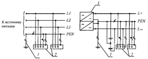
Рис. 4. Система IT переменного (а) и постоянного (б) тока. Открытые проводящие части электроустановки заземлены. Нейтраль источника питания изолирована от земли или заземлена через большое сопротивление:
1 - сопротивление заземления нейтрали источника питания (если имеется); 2 — заземлитель;
3 — открытые проводящие части; 4 - заземляющее устройство электроустановки; 5 - источник питания
Заземле́ние — электрическое соединение предмета из проводящего материала с землёй. Заземление состоит из заземлителя (проводящей части или совокупности соединенных между собой проводящих частей, находящихся в электрическом контакте с землей непосредственно или через промежуточную проводящую среду) и заземляющего проводника, соединяющего заземляемое устройство с заземлителем. Заземлитель может быть простым металлическим стержнем (чаще всего стальным, реже медным) или сложным комплексом элементов специальной формы. Качество заземления определяется значением электрического сопротивления цепи заземления, которое можно снизить, увеличивая площадь контакта или проводимость среды — используя множество стержней, повышая содержание солей в земле и т.д. Как правило, электрическое сопротивление заземления нормируется.
Проводники защитного заземления во всех электроустановках, а также нулевые защитные проводники в электроустановках напряжением до 1кВ с глухозаземленной нейтралью, в том числе шины, должны иметь буквенное обозначение РЕ и цветовое обозначение чередующимися продольными или поперечными полосами одинаковой ширины (для шин от 15 до100мм) желтого и зеленого цветов. Нулевые рабочие (нейтральные) проводники обозначаются буквой N и голубым цветом. Совмещенные нулевые защитные и нулевые рабочие проводники должны иметь буквенное обозначение PEN и цветовое обозначение: голубой цвет по всей длине и желто-зеленые полосы на концах.
Системы TN-C и TN-S
Система TN-C (фр. Terre-Neutre-Combine) предложена немецким концерном АЭГ (AEG, Allgemeine Elektricitäts-Gesellschaft) в 1913 году. Рабочий ноль и PE-проводник (Protection Earth) в этой системе совмещены в один провод. Самым большим недостатком было образование линейного напряжения (в 1,732 раза выше фазного) на корпусах электроустановок при аварийном обрыве нуля.
Несмотря на это, на сегодняшний день можно встретить данную систему заземления в постройках стран бывшего СССР.
На замену условно опасной системы TN-C в 1930-х была разработана система TN-S (фр. Terre-Neutre-Separe), рабочий и защитный ноль в которой разделялись прямо на подстанции, а заземлитель представлял собой довольно сложную конструкцию металлической арматуры. Таким образом, при обрыве рабочего нуля в середине линии, корпуса электроустановок не получали линейного напряжения. Позже такая система заземления позволила разработать дифференциальные автоматы и срабатывающие на утечку тока автоматы, способные почувствовать незначительный ток. Их работа и по сей день основывается на законах Кирхгофа, согласно которым текущий по фазному проводу ток должен быть численно равным текущему по рабочему нулю току.
Также можно наблюдать систему TN-C-S, где разделений нулей происходит в середине линии, однако в случае обрыва нулевого провода до точки разделения корпуса окажутся под линейным напряжением, что будет представлять угрозу для жизни при касании.
Вывод
Из выше изложенного можно сделать заключение, что система TN-S, является наиболее безопасной. И позволяющей использовать современные разработки в области защитной аппаратуры.
Литература
www.toroid.ru/esovm.html
www.marketelectro.ru
www.soniir.samara.ru/emc/emc-law.html
www.ecolan.ru/imp_info/introduction/evrodirect/
www.news.elteh.ru/arh/2005/31/06.php
Цицикян Г.Н. "Электромагнитная совместимость в электроэнергетике" учебное пособие. Санкт- Петербург 2006г.













