150404 (732704), страница 2
Текст из файла (страница 2)
(3.4)
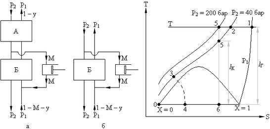
Модификация цикла Линде заключается в том, что часть сжатого газа "М", предварительно охлажденного, направляется в расширитель – детандер, где расширяется, одновременно понижая температуру, до начального давления Р1, а полученная при этом работа компенсирует часть затраты энергии на сжатие. Оставшаяся часть газа 1 – М продолжает охлаждаться и дросселируется, а затем ее сепарируют, а далее процессы аналогичны, как в цикле Линде. Принципиальные схемы установок и циклов Клода (цикла среднего давления) и цикла Гейландта (высокого давления) показаны на рис. 3.3.
Рис. 3.3.
Схема: а) Клода, б) Гейландта; lК – работа в цикле Клода; lГ - работа в цикле Гейландта.
Удельная степень ожижения у' равна:
(10.5)
А удельная энергия, затрачиваемая на сжатие, с учетом работы расширения, рассчитывается как:
(10.6)
Пример. Холодильная установка работает по циклу Карно, рабочее тело – пар аммиака. Параметры пара t1 = – 10 °C, t2 = 20 °C Х2 = 1 а Х3 = 0 (см. рис. 3.4). Определить холодопроизводительность аммиака, тепловую нагрузку конденсатора, работу, затраченную в цикле и холодильный коэффициент.
Решение. Параметры пара аммиака определяются по таблице 8 (см. приложение).
Холодопроизводительность установки:
q0 = h1 – h4 = r1(X1 – X4).
При t1 = – 10 °C и r1 = 1296,6 кДж/кг принимая процессы 1 – 2 и 3 – 4 адиабатным, имеем:
S2 = S1 = S' + (S"1 + S'1) X.
S'1 = 4,071 кДж/(кг×К), S"1 =8,944 кДж/(кг×К).
S2 = S"2 = 8,566 кДж/(кг×К).
X1 = (S"2 – S'1) /(S"1 – S'1) = (8,566 – 4,071) /(8,944 – 4,071) = 0,9224.
X4 = (S"2 – S'1) /(S"1 – S'1) = (4,516 – 4,017) /4,917 = 0,1015.
Следовательно:
q0 = 1296,6 × (0,9224 – 0,1015) = 1064,4 кДж/кг.
Тепловая нагрузка конденсатора:
q = h2 – h3 = r2 = 1186,9 кДж/кг.
Работа, затраченная в цикле:
l = q – q0 = 1186,9 – 1064,4 = 122,5 кДж/кг.
Холодильный коэффициент:
εХ = q0/l = 1064,4/122,5 = 8,69.
Рис. 3.4.
Задачи для самостоятельного решения.
Задача № 3.1. В схеме аммиачной холодильной установки, рис.10.4, расширительный цилиндр (процесс 3 – 4) заменен дроссельным вентилем, а остальные условия задачи сохраняются. Определить новое значение холодильного коэффициента, результаты сравнить.
Задача № 3.2. Аммиачная холодильная машина работает при температуре испарения t1 = – 10 °C. Пар из испарителя выходит сухим насыщенным. Температура конденсации пара t = 20 °C и она достигается в результате процесса дросселирования. Определить холодильный коэффициент и изобразить цикл установки в P – V и T – S координатах.
Задача № 3.3. Теоретическая мощность аммиачного компрессора холодильной установки N = 50 кВт. Температура испарения аммиака t1 = – 5 °C. Из компрессора пар выходит сухим насыщенным, при температуре t2 = 25 °C. температура жидкого аммиака понижается в дроссельном вентиле. Определить часовую холодопроизводительность 1 кг аммиака и всей установки.
Задача № 3.4. Определить холодильный коэффициент холодильной установки, работающей по влажному циклу Карно, если температура в испарителе – 30 °C, а в конденсаторе 27 °C.
Решение:
εХ = T0/(T – T0) = (273,15 – 30) /((273,15 – 27) – (273,15 – 30)) = 4,27.
Задача № 3.5. Вычислить теоретическую мощность, затрачиваемую аммиачной холодильной установкой, холодопроизводительностью Q0 = 17,4 кВт, работающей по циклу Карно если температура испарения – 19 °C, а конденсации 15 °C.
Задача № 3.6. Определить для углекислотной холодильной установки, работающей по влажному циклу, удельную холодопроизводительность, холодильный коэффициент, количество отводимой в конденсаторе теплоты, количество холодильного агента и мощность эл. двигателя, если температура испарения – 30 °C, а конденсации – 16 °C. Холодопроизводительность установки Q0 = 58,15 кВт.
Задача № 3.7. Определить количество получаемого в 1 ч жидкого воздуха и необходимую для этого затрату мощности при переработке 200 кг/ч воздуха, сжатого до Р2 = 200 атм. Установка работает по циклу Линде. Температура воздуха до и после компрессора 25 °C. Воздух дросселируется до Р1 = 1 атм потери холода в окружающую среду принять в размере 4,19 кДж на 1 нм3 воздуха (при нормальных условиях). Недорекуперация 5 °C. ηкэф = 0,62
Решение. Согласно рис.10.2 и формулам (10.2) – (10.4), пользуясь TS диаграммой для воздуха находим: h1 = 510 кДж/кг; h2 = 474 кДж/кг, h0 = 92,1 кДж/кг, qНР = CPΔt = 1,01 × 5 = 5,05 кДж/кг; q0 = 4, 19/ρH = 4, 19/1,29 = 3,25 кДж/кг.
Задача № 3.8. Определить количество получаемого в 1 ч жидкого воздуха и необходимую для этого затрату энергии при переработке 200 кг/ч воздуха, сжатого до Р2 = 200 атм. Установка работает по циклу Гейландта. Температура воздуха до и после компрессора 25 °C. Воздух дросселируется до Р1 = 1 атм. В детандер отводится 80% воздуха (М = 0,8). Недорекуперация 5 °C. Потери холода принять q0 = 0,93 кВт. Работа, получаемая в детандере составляет 50% от теоретической (при S = Const; ηкэф = 0,65; ηдэф = 0,7).















