150329 (732691), страница 4
Текст из файла (страница 4)
.
Графически выходные характеристики для транзистора p-n-p типа, включённого по схеме ОЭ, представлены на рисунке 9.
СПОСОБЫ ЭКСПЕРИМЕНТАЛЬНОГО ОПРЕДЕЛЕНИЯ ОСНОВНЫХ ХАРАКТЕРИСТИК ПОЛУПРОВОДНИКОВЫХ ПРИБОРОВ
Снятие ВАХ диода при помощи вольтметра и амперметра
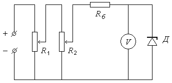
На рисунке 4 изображена принципиальная схема, позволяющая исследовать ВАХ p-n-перехода, функции которого выполняет полупроводниковый диод Д. Показанное на схеме включение реостатов
и
позволяет осуществлять плавную регулировку напряжения на электродах диода в большом диапазоне значений. Двухполюсной ключ К предназначен для изменения полярности питающего цепь напряжения. Так как диод представляет собой последовательное соединение полупроводника и запирающего слоя, а вольтметр фиксирует полное падение напряжения (не только на запирающем слое), то выражение (2), вообще говоря, следует записывать так:
, (3)
где
– напряжение на электродах диода,
– падение напряжения на слое полупроводника сопротивлением R. Согласно (2) и (3) при
(в прямом направлении) и при больших значениях
величина
,
и формулы могут быть переписаны в виде:
, (4)
то есть с ростом напряжения ток возрастает экспоненциально.
При ещё большем напряжении, когда падение напряжения на слое полупроводника становится соизмеримым с падением напряжения на электродах диода, следует писать:
, (5)
Д
ифференцируя выражение (3) по
и исключая из производной
напряжение
, можно убедиться, что при большом прямом токе характеристика становится линейной и дифференциальное сопротивление диода устремляется к постоянной величине:
. (6)
Если сопротивление запирающего слоя много больше сопротивления полупроводника, то, пренебрегая величиной
и логарифмируя выражение (2), получаем линеаризованную ВАХ диода:
, (7)
которая позволяет экспериментально определить величину коэффициента
(ток насыщения при этом определяется по ВАХ, показанной на рисунке 3).
Схема экспериментальной установки изображена на рисунке 4. Реостаты
и
предназначены для плавной регулировки напряжения на электродах диода Д в широких пределах. Ключ К предназначен для изменения полярности напряжения. Снятие ВАХ рекомендуется начинать с максимальной величины обратного тока
(правое по схеме положение ключа К) в сторону уменьшения. По достижении
=0 следует при помощи переключателя К изменить полярность напряжения и продолжать снимать зависимость
вплоть до величины
.
В ходе работы при пользовании ключом следует помнить о соблюдении полярности измерительных приборов.
Снятие ВАХ диода при помощи осциллографа
С
хема экспериментальной установки показана на рисунке 5. Питание цепи осуществляется от ЛАТРа через понижающий трансформатор Тр. На электродах диода действует переменное напряжение, которое подаётся на горизонтально отклоняющие пластины электронного осциллографа ЭО. На вертикально отклоняющие пластины осциллографа подаётся напряжение с резистора R. Поскольку это напряжение пропорционально силе тока в цепи, то вертикальное отклонение электронного луча осциллографа позволяет измерять силу тока, соответствующую разности потенциалов на электродах диода (см. лабораторную работу «Изучение электронного осциллографа»).
Снятие ВАХ диода при помощи операционного усилителя
При измерении силы тока посредством амперметра последний вносит в цепь некоторое дополнительное сопротивление (внутреннее сопротивление амперметра), что приводит к изменению режима работы цепи и, следовательно, к возникновению систематической погрешности измерений. Избежать этого можно, используя при измерении силы тока операционный усилитель с бесконечно малым внутренним сопротивлением.
Операционный усилитель представляет собой усилитель постоянного тока с большим (более
) коэффициентам усиления, который схемах с обратной связью может выполнять математические операции (сложение, умножение, интегрирование и пр.) над напряжением, подаваемым на его вход. На рисунке 6 показан традиционный способ включения операционного усилителя DA для измерения тока. Поскольку потенциалы точек a и b практически одинаковы, то падения напряжения на участке ab не возникает и режим работы цепи не нарушается. Измеряемый ток
равен току I через резистор R обратной связи, что позволяет, зная величину этого сопротивления и измерив напряжение на выходе операционного усилителя, можно определить ток в изучаемой цепи:
.
С
хема экспериментальной установки по изучению ВАХ p-n-перехода показана на рисунке 7. В качестве сопротивления обратной связи здесь используется сопротивление p-n-перехода, функции которого выполняет полупроводниковый диод VD. При снятии прямой ветви ВАХ в цепь при помощи ключа К включается резистор
, а при снятии обратной ветви – резистор
(
и полярность диода меняется на обратную).
П
оскольку потенциалы точек a и b равны нулю, то напряжение U на диоде VD равно напряжению на выходе операционного усилителя. Ток через диод равен току через последовательно включённый резистор
или
, так как входная цепь операционного усилителя тока не потребляет. Согласно сказанному выше, ток I через диод VD можно определить, измерив напряжение U, подаваемое на резисторы
или
с потенциометра R по формуле:
,
где
при снятии прямой ветви ВАХ и
- при снятии обратной ветви.
Снятие ВАХ стабилитрона
С
нятие ВАХ стабилитрона может быть осуществлено аналогично описанному для диода с учётом иной полярности включения и крутизной ветвей характеристики. Однако на практике обычно оказывается достаточным точно знать величину напряжения стабилизации стабилитрона
. Остальные его предельные параметры (минимальный и максимальный токи стабилизации, максимально допустимые прямое и обратное напряжения) берутся из справочников. Определить величину напряжения стабилизации конкретного стабилитрона можно при помощи схемы, показанной на рисунке …. Работает она аналогично рассмотренной выше. Плавно изменяя напряжение на электродах стабилитрона, следят за показаниями вольтметра, которые сначала возрастают, а затем остаются неизменными. Это напряжение и есть напряжение стабилизации.
Снятие статических характеристик транзистора
П
ринципиальная схема простейшего устройства для снятия входных и выходных характеристик транзистора показана на рисунке …. Резисторы
и
предназначены для плавной регулировки напряжения на базе транзистора, а резисторы
и
обеспечивают возможность грубой и точной регулировки напряжения между коллектором и эмиттером. Порядок работы со схемой следующий:
-
При разомкнутой входной цепи устанавливают напряжение на коллекторе
= -8 В и измеряют начальный обратный ток коллектора
. -
Устанавливают значение
= 0 В и, изменяя напряжение между базой и эмиттером
от нуля до 250 мВ с шагом 50 мВ, измеряют ток базы
. -
Повторяют измерения при напряжениях
= -5 В и
= -10 В. -
По полученным данным строят три входные статические характеристики
транзистора, включённого по схеме с общим эмиттером. Результаты измерений удобно заносить в следующую таблицу:
| № |
|
|
| |||||
|
|
|
|
|
|
| |||
| 1 | ||||||||
| 2 | ||||||||
| 3 | ||||||||
| … | ||||||||
-
Устанавливают ток базы
= 50 мкА и, изменяя напряжение на коллекторе
от нуля до –12 В с шагом 1 В, измеряют ток коллектора. -
Повторяют измерения при токах базы
= 100 мкА и
= 150 мкА. -
Результаты измерений заносят в нижеприводимую таблицу, по которой строят три выходные характеристики
транзистора
.
| № |
|
|
| |||||
|
|
|
|
|
|
| |||
| 1 | ||||||||
| 2 | ||||||||
| 3 | ||||||||
| … | ||||||||
ВЫПРЯМЛЕНИЕ ТОКА
Способность диода проводить электрический ток только в одном направлении может быть использована при выпрямлении переменного тока. Наибольшее распространение на практике получили две схемы выпрямления переменного тока: однополупериодная и двухполупериодная (или мостовая).
Н
а рисунке 6 а показана схема однополупериодного выпрямителя, который представляет собой всего один диод, включённый последовательно с нагрузкой
. В течение второй половины периода на аноде диода действует положительный полупериод напряжения, а на катоде – отрицательный. При этом диод открывается и через него, а значит и через нагрузку
, протекает ток. В течение второй половины периода, когда на аноде диода действует отрицательный полупериод напряжения, а на катоде – положительный, диод закрыт и ток через нагрузку практически не течёт (при этом через нагрузку протекает обратный ток диода, значительно меньший прямого). Таким образом диод, отсекая отрицательные полупериоды переменного тока, пропускает через нагрузку пульсирующий ток одного направления (в течение положительных полупериодов переменного напряжения). На рисунке 7 показаны графики временной зависимости переменного тока и выпрямленного (пульсирующего) тока, протекающего через нагрузку. Однополупериодный выпрямитель обеспечивает частоту пульсаций тока, равной частоте переменного тока.
= -8 В и измеряют начальный обратный ток коллектора
.
от нуля до 250 мВ с шагом 50 мВ, измеряют ток базы
.
транзистора, включённого по схеме с общим эмиттером. Результаты измерений удобно заносить в следующую таблицу:
.














