150215 (732642), страница 2
Текст из файла (страница 2)
Сили обмінної взаємодії викликають у феромагнетиках паралельну орієнтацію електронних спінів. Однак обмінні сили залежать від структури тіла, і тому характер оріентації спінів може бути різний. Виявляється, що існують речовини, у яких також виникає сильна орієнтація електронних спінів, але, на відміну від феромагнетиків, електронні спіни орієнтовані в них попарно антипаралельно. У найпростішому випадку електронні спіни утворять як би дві просторові підрешітки, вставлені одна в одну і намагнічені в протилежних напрямках (рис. 5).
Речовини, у яких намагніченість обох подрешіток одинакова по модулю, одержали назву антиферомагнетиків. Їхнє існування було передбачено теоретично Л.Д. Ландау в 1933 р. Антиферомагнетиками є деякі з'єднання марганцю (MnO, MnS), хрому (NiCr, Сг2О3), ванадію (VО2) і ін. Подібні речовини при низьких температурах мають мізерно малу магнітну сприйнятливість.
Рис. 5. Характер намагнічування в антиферомагнетиках (а) і феритах (б) (схематично).
При підвищенні температури строго попарна антипаралельність електронних спінів порушується і магнітна сприйнятливість збільшується. При деякій температурі (антиферомагнітна температура Кюри або температура Нееля) області самодовільної оріентації електронних спінів руйнуються й антиферомагнетик перетворюється в парамагнетик. При подальшому підвищенні температури магнітна сприйнятливість, як у всякого парамагнетика, зменшується, а отже, при антиферомагнітній температурі Кюрі магнітна сприятливість має максимум. Якщо намагніченість обох підрешіток неоднакова по модулю, то з'являється незкомпенсований антиферомагнетизм і речовина може мати значний магнітний момент. Такий характер намагнічування має місце у ферритах
3. Процеси намагнічування феромагнетика
Однієї з основних задач теорії феромагнетизму є пояснення технічної кривої намагнічування, тобто залежності намагніченості від напруженості магнітного поля. У результаті численних досліджень була встановлена така загальна картина процесу намагнічування феромагнетиків. При відсутності зовнішнього поля феромагнетик розбивається на домени таким чином, що його результуючий магнітний момент близький до нуля. Це схематично показано на рис. 6а, де зображені чотири домена однакові по об’єму, намагнічені до насичення з магнітним моментом Js/4, рівним чверті повного моменту усього магнетика в стані насичення. При включенні зовнішнього поля енергії окремих доменов стають неодинаковими: енергія менша для тих доменов, у яких вектор намагніченості утворить з напрямком поля гострий кут, і більше в тому випадку, якщо цей кут тупий. Тому виникає процес зсуву границь доменів, при якому об’єм доменів з меншої енергією зростає, а з більшою енергією зменшується (рис. 66). У дуже слабких полях ці зсуви границь оборотні і встигають за зміною поля. Початкова сприйнятливість феромагнетиков і область l кривої намагнічування (рис. 6, е) обумовлені процесами оборотного зсуву границь.
Рис. 6. Різні типи процесів намагнічування феромагнетика (схематично); а – б) зсув границь, г) обертання вектора намагніченості, д) область насичення
При збільшенні поля зсуви границь доменів стають необоротними. При достатній величині намагнічуючого поля, енергетично невигідні домены зникають зовсім (рис. 6в). Цьому відповідає область 2 кривої намагнічування (рис. 6е).
Якщо поле збільшується ще більше, то виникає новий тип процесу намагнічування, при якому змінюється напрямок магнітного моменту усередині домена (обертання вектора намагніченості, рис. 6г; цьому відповідає область 3 на рис. 6е).
Нарешті, у дуже сильному полі магнітні моменти всіх доменів установлюються паралельно полю. У цьому стані феромагнетик має найбільший, можливий при даній температурі магнітний момент, тобто намагнічений до насичення (рис. 6д).
Зазначені процеси намагнічування (за винятком зсуву границь у слабких полях) відбуваються з деякою затримкою, тобто зсув границь і поворот вектора намагніченості відстають від зміни поля, що приводить до появи гістерезиса.
Гістерезис може виникнути і з іншої причини. Ми говорили вище, що при наявності поля внаслідок зсуву границь доменів відбувається збільшення об’єму (тих доменів), що має меншу енергію. Однак може виявитися, що дана фаза при даному стані феромагнетика або даному напрямку поля не існує, і тому повинні виникнути і вирости малі області цієї фази або зародки перемагнічування. Такі зародки виникають не точно при тому значенні поля, при якому існування цієї фази робиться енергетично вигідним, а відбувається затримка росту зародків перемагнічування, що також приводить до появи гістерезиса. Це явище подібне перенасченню пари і переохолодженню рідини, тобто існуванню нестабільних фаз унаслідок затримки росту зародків стійкої фази. Якщо феромагнетик має мілкокристаллическую структуру, так що окремі його кристалики складаються усього з одного домена, то можливе одержання особливо великої коерцитивної сили.
Таким чином природа феромагнетизму цілком ясна. У феромагнітних речовин існують неспарені (відповідальні за феромагнетизм) електрони, спіни яких у порівняно великих областях орієнтуються в одному напрямку. Кожна з таких областей, або, як їх звичайно називають, доменів, намагнічена до насичення. Різні стани намагніченості усього зразка відрізняються взаємною орієнтацією векторів намагніченості окремих доменів: у розмагніченій речовині вони розташовані хаотично, а в. намагніченому спрямовані в одну сторону.
4. Дослідження кривих гістерезису феромагнетика за допомогою осцилографа
Вимірювання магнітної індукції в зразках
Магнітну індукцію зручно визначати за допомогою е.р.с., яка виникає при зміні магнітного потоку Ф в котушці, що охоплює зразок:
Е = – dФ/dt. (2)
Нехай котушка щільно охоплює зразок і індукція В в зразку однорідна. У цьому випадку
Ф = SNB, (3)
де N – число витків у вимірювальній котушці, S – площа витка. Підставляючи (3) у вихідну формулу (2), після інтегрування знайдемо
B = – 1/SN Е dt. (4)
Таким чином, для визначення В потрібно проінтегрувати сигнал, наведений змінним магнітним полем у вимірювальній котушці, намотаній на зразок.
Для інтегрування сигналу застосовують різного роду інтегруючі схеми. Найпростіша з них складається із з'єднаних послідовно резистора та конденсатора (мал. 7) і виконує своє призначення, якщо вихідний сигнал набагато менший вхідного:
Uвих Uвх (5)
Справді, при виконанні цієї умови I Uвх / R, а
Uвих = q/C = 1/C I dt 1/RC Uвх dt. (6)
Ми бачимо, що вихідний сигнал RC-ланцюжка дійсно пропорційний, інтегралу від вхідного. Цей висновок тим ближче до істини, чим більше постійна часу τ=RC перевершує характерний час процессу – його період.
Рис. 7. Найпростіша схема інтегратора.
Дослідження петлі гістерезиса феромагнітного зразка
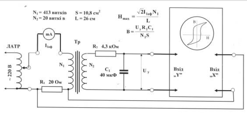
Схема вимірювальної установки показана на рис. 8. Досліджуваний зразок магнетика представляє собою замкнутий кільцевий сердечник (тороїд), складений із тонких пластин трансформаторної сталі. На сердечник намотані намагнічувальна та вимірювальна обмотки з числом витків N1 та N2, відповідно. Напруга з мережі 50 Гц за допомогою автотрансформатора подається на намагнічувальну обмотку N1. Вимірювальна обмотка N2 приєднана до інтегруючого RC – ланцюжка. Через обмотку N1, від джерела напруги пропускається змінний струм, величина якого вимірюється міліамперметром. Послідовно з міліамперметром підключений резистор R1. На ньому виникає сигнал напруги, пропорційний струму в обмотці і, отже, напруженості H магнітного поля в зразку. Цей сигнал подається на вхід «X» осцилографа. Сигнал Uy з інтегруючої ємності C пропорційний величині вектора В і подається на вхід «У». Картина на екрані осцилографа в деякому масштабі відтворює петлю гистерезису: досліджуваного зразка. Щоб надати цій кривій кількісний зміст, необхідно установити масштаб зображення, тобто провести калібрування горизонтального і вертикального каналів осциллографа. Максимальний розхил по осі «Х» електронного променя на екрані відповідає подвоєному амплітудному значенню струму у намагнічувальній обмотці, а отже, і максимальному значенню напруженості магнітного поля. Його значення обчислюється за формулою
Hмакс=1,4 ІефN1/L, (7)
де L – довжина досліджуваного тороїдального сердечника (осердя) по середній лінії.
Рис. 8. Схема установки для дослідження намагнічування тороїдалних зразків.
У вимірювальній котушці індукується е.р.с.
Е = Uc= N2SdB/dt, (8)
де S – площа поперечного перерізу сердечника. Ця електрорушійна сила викликає у вимірювальній котушці струм І2 = Е/R2 (якщо знехтувати індуктивним опором котушки та ємнісним опором конденсатора С1, які набагато менші R2). Струм І2 створює на конденсаторі напругу
UC = q/C1 = 1/C1 I2 dt 1/RC Uc dt. (9)
яка подається на «Y» вхід осцилографа. Таким чином, враховуючи (8)
Uy = – N2SB/R2C1. (10)
Звідси
B=UyC1R2/N2S. (11)
Значення Uy вимірюється каліброваним входом осцилографа.
Висновки
В даному рефераті розглянуто:
– явище феромагнітного гістерезису та причини його виникнення;
– доменну структуру феромагнетиків та те як вона вплває на форму петлі гістерезису;
– деякі способи дослідження кривих гістерезису феромагнетика.
Список використаної літератури
-
В.А. Костицын, «Опыт математической теории гистерезиса», Матем. сб., 32:1 (1924), 192–202
-
М.А. Красносельский, А.В. Покровский. Системы с гистерезисом М., Наука, 1983. 271 стр.
-
R.V. Lapshin (1995). «Analytical model for the approximation of hysteresis loop and its application to the scanning tunneling microscope» (PDF). Review of Scientific Instruments 66 (9): 4718–4730. DOI:10.1063/1.1145314. ISSN 0034–6748
-
4) К.В. Шалимова, Физика полупроводников, «Энергия», М., 1976. ст. 11–24, 29–42, 54–60.
-
5) П.С. Киреев, Физика полупроводников, «Высшая школа», М., 1975, ст 37–48, 58–62, 72–76, 85–89, 100–101.
-
6) В.Ф. Лысов, Практикум по физике полупроводников, «Просвещение», М., 1976, ст. 5–34.















