149680 (732056), страница 2
Текст из файла (страница 2)
Рис. 8
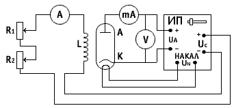
В работе используется электрическая схема, представленная на рис.9. Она состоит из двух цепей: а) - цепь соленоида, б) - цепь диода.
В цепи соленоида реостаты R1 и R2 служат для изменения силы тока IС , протекающего через соленоид L. Сила тока IС измеряется с помощью амперметра А. Наряжение в цепи соленоида UС подается с источника питания ИП.
Рис. 9
В цепи диода источник питания ИП служит для подачи анодного напряжения UА на лампу и напряжения UN на нить накала лампы. Анодное напряжение UА измеряется с помощью вольтметра V . Сила тока IА в анодной части цепи измеряется с помощью миллиамперметра mA. Анодное напряжение регулируется с помощью ползунка, вмонтированного в источник питания.
-
Основная расчетная формула для определения удельного заряда электрона :
где Ua— анодное напряжение, L — длина соленоида, D — диаметр соленоида, N — число витков соленоида, Ra — радиус анода, — магнитная постоянная, Ic,кр — критический ток соленоида.
Магнетрон :
а) соленоид
диаметр D = 33,5 мм ,
длина L = 50,00 мм.,
число витков N = 213;
D = 0,1 мм.,
L = 0,01 мм;
б) диод
радиус анода Ra = 5,00 мм.,
R = 0,01 мм.
Ua = 5 В.
2.Cхема электрической цепи.
3.Результаты измерений (в форме табл.1-2).
Первое анодное напряжение
| Ic, А | 0 | 0,6 | 1,2 | 1,4 | 1,6 | 1,8 | 2,0 | 2,2 | 2,4 | 2,6 | 2,8 | 3,0 | 3,4 | 3,8 | 4,2 | 4,6 | 4,8 | 5,0 |
| Ia, мА | 15 | 15 | 15 | 15 | 14,5 | 14,5 | 14 | 13,5 | 13,5 | 13 | 13 | 12,5 | 11,5 | 11 | 10 | 9,5 | 9,5 | 9 |
Второе анодное напряжение
| Ic, А | 0 | 0,6 | 1,2 | 1,8 | 2,4 | 3 | 3,6 | 4,2 | 4,8 | 5 |
| Ia, мА | 22 | 22 | 22 | 21,5 | 20,5 | 19 | 18 | 16 | 15 | 15 |
4. График зависимости анодного тока от тока в соленоиде I a = f(Ic) представлен на миллиметровке
5. Определение критического тка Ic в соленоиде .
6.Удельный заряд электрона
|e| _
m Кл / кг.
7. Окончательный результат
8. Вывод:
12















