CBRR2894 (732019), страница 4
Текст из файла (страница 4)
3.3. ТРАНЗИСТОРНЫЕ И ТИРИСТОРНЫЕ ОПТОПАРЫ
Транзисторные оптопары (рис. 3.2, c) рядом своих свойств выгодно отличаются от других видов оптронов. Это прежде всего схемотехническая гибкость, проявляющаяся в том, что коллекторным током можно управлять как по цепи светодиода (оптически), так и по базовой цепи (электрически), а также в том, что выходная цепь может работать и в линейном и в ключевом режиме. Механизм внутреннего усиления обеспечивает получение больших значений коэффициента передачи тока Кi, так что последующие усилительные каскады не всегда необходимы. Важно, что при этом инерционность оптопары не очень велика и для многих случаев вполне допустима. Выходные токи фототранзисторов значительно выше, чем, например, у фотодиодов, что делает их пригодными для коммутации широкого круга электрических цепей. Наконец, следует отметить, что все это достигается при относительной технологической простоте транзисторных оптопар.
Тиристорные оптопары (рис. 3.2, b) наиболее перспективны для коммутации сильноточных высоковольтных цепей: по сочетанию мощности, коммутируемой в нагрузке, и быстродействию они явно предпочтительнее Т2 -оптопар. Оптопары типа АОУ103 предназначены для использования в качестве бесконтактных ключевых элементов в различных радиоэлектронных схемах: в цепях управления, усилителях мощности, формирователях импульсов и т. п.
3.4. РЕЗИСТОРНЫЕ ОПТОПАРЫ
Резисторные оптопары (рис. 3.2, d) принципиально отличаются от всех других видов оптопар физическими и конструктивно-технологическими особенностями, а также составом и значениями параметров.
В основе принципа действия фоторезистора лежит эффект фотопроводимости, т. е. изменения сопротивления полупроводника при освещении.
3.5. ДИФФЕРЕНЦИАЛЬНЫЕ ОПТОПАРЫ ДЛЯ ПЕРЕДАЧИ АНАЛОГОВОГО СИГНАЛА
Весь изложенный выше материал касается вопросов передачи цифровой информации по гальванически развязанной цепи. Во всех случаях, когда говорилось о линейности, об аналоговых сигналах, речь шла о виде выходной характеристики оптопары. Во всех случаях управление по каналу излучатель - фотоприемник не описывалось линейной зависимостью. Важную задачу представляет собой передача аналоговой информации с помощью оптопары, т.е., обеспечение линейности передаточной характеристики вход - выход [36]. Лишь при наличии таких оптопар становится возможным непосредственное распространение аналоговой информации по гальванически развязанным цепям без преобразования ее к цифровой форме (последовательности импульсов).
Сопоставление свойств различных оптопар по параметрам, важным с точки зрения передачи аналоговых сигналов приводит к заключению, что если эта задача и может быть решена, то только с помощью диодных оптопар, обладающих хорошими частотными и шумовыми характеристиками. Сложность проблемы заключается прежде всего в узком диапазоне линейности передаточной характеристики и степени этой линейности у диодных оптопар.
Следует отметить, что в создании приборов с гальванической развязкой, пригодных для передачи аналоговых сигналов, сделаны лишь первые шаги и можно ожидать дальнейшего прогресса.
3.6. ОПТОЭЛЕКТРОННЫЕ МИКРОСХЕМЫ И ДРУГИЕ ПРИБОРЫ ОПТРОННОГО ТИПА
Оптоэлектронные микросхемы представляют собой один из наиболее широко применяемых, развивающихся, перспективных классов изделий оптронной техники. Это обусловлено полной электрической и конструктивной совместимостью оптоэлектронных микросхем с традиционными микросхемами, а также их более широкими по сравнению с элементарными оптронами функциональными возможностями. Как и среди обычных микросхем, наиболее широкое распространение получили переключательные оптоэлектронные микросхемы.
Специальные виды оптронов резко отличаются от традиционных оптопар и оптоэлектронных микросхем. К ним относятся прежде всего оптроны с открытым оптическим каналом. В конструкции этих приборов между излучателем и фотоприемником имеется воздушный зазор, так что, помещая в него те или иные механические преграды, можно управлять световым потоком и тем самым выходным сигналом оптрона. Таким образом, оптроны с открытым оптическим каналом выступают в качестве оптоэлектронных датчиков, фиксирующих наличие (или отсутствие) предметов, состояние их поверхности, скорость перемещения или поворота и т. п.
4. СФЕРЫ ПРИМЕНЕНИЯ ОПТРОНОВ И ОПТРОННЫХ МИКРОСХЕМ
Перспективные направления развития н применения оптронной техники в значительной степени определились. Оптроны и оптронные микросхемы эффективно применяются для передачи информации между устройствами, не имеющими замкнутых электрических связей. Традиционно сильными остаются позиции оптоэлектронных приборов в технике получения и отображения информации. Самостоятельное значение в этом направлении имеют оптронные датчики, предназначенные для контроля процессов и объектов, весьма различных по природе и назначении. Заметно прогрессирует функциональная оптронная микросхемотехника, ориентированная на выполнение разнообразных операций, связанных с преобразованием, накоплением и хранением информации. Эффективной и полезной оказывается замена громоздких, недолговечных и нетехнологичных (с позиций микроэлектроники) электромеханических изделий (трансформаторов, потенциометров, реле) оптоэлектронными приборами и устройствами. Достаточно специфическим, но во многих случаях оправданным и полезным является использование оптронных элементов в энергетических целях.
4.1. ПЕРЕДАЧА ИНФОРМАЦИИ
Рис 4.1. Схема межблочной гальванической развязки.
При передаче информации оптроны используются в качестве элементов связи, и, как правило, не несут самостоятельной функциональной нагрузки. Их применение позволяет осуществить весьма эффективную гальваническую развязку устройств управления и нагрузки (рис 4.1), действующих в различных электрических условиях и режимах. С введением оптронов резко повышается помехоустойчивость каналов связи; практически устраняются “паразитные” взаимодействия по цепям “земли” и питания.
Интерес представляет также рациональное и надежное согласование цифровых интегральных устройств с разнородной элементной базой (ТТЛ, ЭСЛ, И2Л , КМОП и т. п).
Рис 4.2. Схема сопряжения ТТЛ и МДП элементов по оптическому каналу.
Активно используются оптические связи в телефонных устройствах и системах. С помощью оптронов технически несложными средствами удается подключать к телефонным линиям микроэлектронные устройства, предназначенные для вызова, индикации, контроля и других целей.
Введение оптических связей в электронную измерительную аппаратуру, кроме полезной во многих отношениях гальванической развязки исследуемого объекта и измерительного прибора, позволяет также резко уменьшить влияние помех, действующих по цепям заземления и питания.
Рис 4.3. Схема коммутации нагрузки переменного тока.
Бесконтактное управление мощными, высоковольтными цепями по оптическим каналам весьма удобно и безопасно в сложных технических режимах, характерных для многих устройств и комплексов промышленной электроники. В этой области сильны позиции тиристорных оптронов (рис 4.3).
4.2. ПОЛУЧЕНИЕ И ОТОБРАЖЕНИЕ ИНФОРМАЦИИ
Рис 4.4. Оптоэлектронный датчик.
Оптроны и оптронные микросхемы занимают прочные позиции в бесконтактной дистанционной технике оперативного получения и точного отображения информации о характеристиках и свойствах весьма различных (по природе и назначению) процессов и объектов. Уникальными возможностями в этом плане обладают оптроны с открытыми оптическими каналами. Среди них оптоэлектронные прерыватели, реагирующие на пересечение оптического канала непрозрачными объектами (рис 4.4), и отражательные оптроны, у которых воздействие светоизлучателей на фотоприемники всецело связано с отражением излучаемого потока от внешних объектов.Круг применений оптронов с открытыми оптическими каналами обширен и разнообразен. Уже в 60-е годы оптроны подобного типа эффективно использовались для регистрации предметов и объектов. При такой регистрации, характерной в первую очередь для устройств автоматического контроля и счета объектов, а также для обнаружения и индикации различного рода дефектов и отказов, важно четко определить местонахождение объекта или отразить факт его существования. Функции регистрации оптроны выполняют надежно и оперативно.
4.3. КОНТРОЛЬ ЭЛЕКТРИЧЕСКИХ ПРОЦЕССОВ
Мощность излучения, генерируемого светодиодом, и уровень фототока, возникающего в линейных цепях с фотоприемниками, прямо пропорциональны току электрической проводимости излучателя. Таким образом, по оптическим (бесконтактным, дистанционным) каналам можно получить вполне определенную, информацию о процессах в электрических цепях, гальванически связанных с излучателем. Особенно эффективным оказывается использование светоизлучателей оптронов в качестве датчиков электрических изменений в сильноточных, высоковольтных цепях. Четкая информация о подобных изменениях важна для оперативной защиты источников и потребителей энергии от электрических перегрузок.
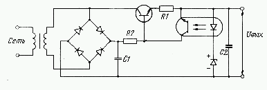
Рис. 4.5. Стабилизатор напряжения с контролирующим оптроном.
Оптроны успешно действуют в высоковольтных стабилизаторах напряжения, где они создают оптические каналы отрицательных обратных связей. Рассматриваемый стабилизатор (рис. 4.5) относятся к устройству последовательного типа, причем регулирующим элементом является биполярный транзистор, а кремниевый стабилитрон действует как источник, опорного (эталонного) напряжения. Сравнивающим элементом служит светодиод.Если выходное напряжение в схеме рис. 4.5 возрастает, то увеличивается и ток проводимости светодиода. Фототранзистор оптрона воздействует на транзистор, подавляя возможную нестабильность выходного напряжения.
4.4. ЗАМЕНА ЭЛЕКТРОМЕХАНИЧЕСКИХ ИЗДЕЛИИ
Рис 4.5. Схема оптоэлектронного трансформатора
В комплексе технических решений, ориентированных на повышение эффективности и качества устройств автоматики, радиотехники, электросвязи, промышленной и бытовой электроники, целесообразной и полезной мерой является замена электромеханических изделий (трансформаторов, реле, потенциометров, реостатов, кнопочных и клавишных переключателей) более компактными, долговечными, быстродействующими аналогами. Ведущая роль в этом направлении отводится оптоэлектронным приборам и устройствам. Дело в том, что весьма важные технические достоинства трансформаторов и электромагнитных реле (гальваническая развязка цепей управления и нагрузки, уверенное функционирование в мощных, высоковольтных, сильноточных системах) свойственны и оптронам. Вместе с тем оптоэлектронные изделия существенно превосходят электромагнитные аналоги по надежности, долговечности, переходным и частотным характеристикам. Управление компактными и бытродействующими оптоэлектронными трансформаторами, переключателями, реле уверенно осуществляется с помощью интегральных микросхем цифровой техники без специальных средств электрического согласования.Пример замены импульсного трансформатора приведен на рис 4.5.
4.5. ЭНЕРГЕТИЧЕСКИЕ ФУНКЦИИ
В энергетическом режиме оптроны используются в качестве вторичных источников ЭДС и тока. КПД оптронных преобразователей энергии невелик. Однако возможность введения дополнительного источника напряжения или тока в любую цепь устройства без гальванической связи с первичным источником питания дает разработчику новую степень свободы, особенно полезную при решении нестандартных технических зада.
Литература:
1. Ю. Р. Носов, А. С. Сидоров “Оптроны и их применение”- М.: Радио и связь, 1981 г.
2. В. И. Иванов, А. И. Аксенов, А. М. Юшин “Полупроводниковые оптоэлектронные приборы. / Справочник.”- М.: Энергоатомиздат, 1984 г.















