149575 (731853), страница 2
Текст из файла (страница 2)
Описанные опыты показывают, что для узкого цветного пучка, выделенного из спектра, показатель преломления имеет вполне определенное значение, тогда как преломление белого света можно только приблизительно охарактеризовать одним каким то значением этого показателя. Сопоставляя подобные наблюдения, Ньютон сделал вывод, что существуют простые цвета, не разлагающиеся при прохождении через призму, и сложные, представляющие совокупность простых, имеющих разные показатели преломления. В частности, солнечный свет есть такая совокупность цветов, которая при помощи призмы разлагается, давая спектральное изображение щели.
Таким образом, в основных опытах Ньютона заключались два важных открытия:
1)Свет различного цвета характеризуется различными показателями преломления в данном веществе (дисперсия).
2)Белый цвет есть совокупность простых цветов.
Мы знаем в настоящее время, что разным цветам соответствуют различные длины световых волн. Поэтому первое открытие Ньютона можно сформулировать следующим образом:
Показатель преломления вещества зависит от длины световой волны.
Обычно он увеличивается по мере уменьшения длины волны.
Гипотеза Планка
Стремясь преодолеть затруднения классической теории при объяснении излучения нагретого твёрдого тела, немецкий физик Макс Планк в 1900г. высказал гипотезу, которая положила начало подлинной эволюции в теоретической физике. Смысл этой гипотезы заключается в том, что запас энергии колебательной системы, находящейся в равновесии с электромагнитным излучением, не может принимать любые значения. Энергия элементарных систем, поглощающих и излучающих электромагнитные волны, обязательно должна быть равна целому кратному некоторого определенного количества энергии.
Минимальное количество энергии, которое система может поглотить или излучить, называется квантом энергии. Энергия кванта Е должна быть пропорциональна частоте колебаний v:
Е=hv.
Коэффициент пропорциональности h в этом выражении носит название постоянной Планка. Постоянная Планка равна
6,6261937.10-34 Дж. с
Постоянную Планка иногда называют квантом действия. Заметим, что размерность h совпадает с размерностью момента импульса.
Исходя из этой новой идеи, Планк получил закон распределения энергии в спектре, хорошо согласующийся с экспериментальными данными. Хорошее согласие теоретически предсказанного закона с экспериментом было основательным подтверждением квантовой гипотезы Планка.
Открытие фотоэффекта
Гипотеза Планка о квантах послужила основой для объяснения явления фотоэлектрического эффекта, открытого в 1887г. немецким физиком Генрихом Герцем.
Явление фотоэффекта обнаруживается при освещении цинковой пластины, соединенной со стержнем электрометра. Если пластине и стержню передан положительный заряд, то электрометр не разряжается при освещении пластины. При сообщении пластине отрицательного электрического заряда электрометр разряжается, как только на пластину попадает ультрафиолетовое излучение. Этот опыт доказывает, что с поверхности металлической пластины под действием света могут освобождаться отрицательные электрические заряды. Измерение заряда и массы частиц, вырываемых светом, показало, что эти частицы – электроны.
Фотоэффекты бывают нескольких видов: внешний и внутренний фотоэффект, вентильный фотоэффект и ряд других эффектов.
Внешним фотоэффектом называют явление вырывания электронов из вещества под действием падающего на него света.
Внутренним фотоэффектом называют появление свободных электронов и дырок в полупроводнике в результате разрыва связей между атомами за счет энергии света, падающего на полупроводник.
Вентильным фотоэффектом называют возникновение под действием света электродвижущей силы в системе, содержащей контакт двух различных полупроводников или полупроводника и металла.
Законы фотоэффекта
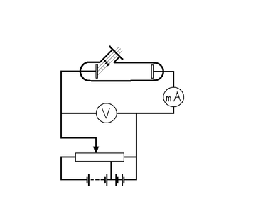
Количественные закономерности фотоэлектрического эффекта были установлены выдающимся русским физиком Александром Григорьевичем Столетовым (1839 – 1896) в 1888 – 1889гг. Используя вакуумный стеклянный баллон с двумя электродами (рис.2), он исследовал зависимость силы тока в баллоне от напряжения между электродами и условий освещения электрода.
В
вакуумном баллоне находятся два металлических электрода А и К, к которым прикладывают напряжение. Полярность электродов и приложенное к ним напряжение можно изменять с помощью потенциометра R с отводом от средней точки. Когда ползунок потенциометра находится слева от средней точки, на электрод А подают минус, а на электрод К – плюс. Напряжение, приложенное между электродами, измеряют вольтметром V. Электрод К через окно, закрытое кварцевым стеклом, облучают светом. Под его воздействием из этого электрода вырывают электроны (называемые фотоэлектронами), которые летят к электроду А и образуют фототок, регистрируемый миллиамперметром mA.
На описанной установке, используя электроды, изготовленные из разных металлов, для каждого освещаемого
вещества можно получить вольтамперные характеристики внешнего фотоэффекта(т.е. зависимости силы фототока I от напряжения U между электродами) при различных значениях потока энергии падающего света.
Две такие характеристики представлены на (рис.3).
Экспериментально установлены следующие закономерности и законы внешнего фотоэффекта.
-
При отсутствии напряжения между электродами фототок отличен от нуля. Это значит, что фотоэлектроны обладают при вылете кинетической энергией.
-
По мере увеличения U фототок I постепенно возрастает, т.к. всё большее число фотоэлектронов достигает анода.
-
При достижении между электродами некоторого ускоряющего напряжения Uн все электроны, выбиваемые из катода, достигают анода и сила фототока перестаёт зависеть от напряжения. Такой фототок, сила которого с увеличением напряжения не возрастает, называют фототоком насыщения. Если число фотоэлектронов, вылетающих из освещаемого металла в единицу времени, равно nе, то сила фототока насыщения
Iн=q/t=Ne/t=ne
Поэтому, измерив силу тока насыщения, можно определить число фотоэлектронов, вылетающих за одну секунду.
-
Сила фототока насыщения прямо пропорциональна потоку энергии света, падающего на металл (первый закон фотоэффекта):
Iн=Ф
Здесь - коэффициент пропорциональности, называемый фоточувствительностью вещества. Следовательно, число электронов, вырываемых за одну секунду из вещества, прямо пропорционально потоку энергии света, падающего на это вещество.
-
За счет начальной кинетической энергии электроны могут совершать работу против сил задерживающего электрического поля. Поэтому фототок существует и в области отрицательных напряжений от 0 до U3 (электрод А соединен с «минусом» источника тока). Начиная с некоторого задерживающего напряжения U3, фототок прекращается. При этом работа задерживающего электрического поля Аэ=еU3 равна максимальной начальной кинетической энергии фотоэлектронов Wк.м.=mvм2/2:
Аэ=Wк.м.; еU3=mvм2/2
отсюда
Vм= 2еU3/m
Таким образом, измерив задерживающее напряжение U3, можно определить максимальную начальную кинетическую энергию и максимальную начальную скорость фотоэлектронов.
-
Значение задерживающего напряжения, а следовательно максимальная кинетическая энергия и максимальная скорость фотоэлектронов не зависит от интенсивности падающего света, а зависит от его частоты (второй закон фотоэффекта).
-
Для каждого вещества существует определенное значение частоты vк (и , следовательно, длины волны к), такое, что при частотах v падающего света меньших vк (т.е. длинах волн света, больших к),фотоэффект не наблюдается (третий закон фотоэффекта ). Частоту vк ( и длину волны к)называют красной границей фотоэффекта. Например, при облучении цинковой пластинки видимым светом даже очень большой интенсивности фотоэффекта не происходит, тогда как при её облучении ультрафиолетовым светом даже очень малой интенсивности фотоэффект наблюдается.
8. С начала облучения металла светом до начала вылета фотоэлектронов проходит время <10-9 с. Следовательно, фотоэффект безынерционен. Если частота падающего света v>vк, то вылет фотоэлектронов происходит практически мгновенно. Если же v<vк, то как бы долго не освещали металл, фотоэффект не наблюдается.
Фотоны
В релятивистской физике (в теории относительности) показывается, что масса m и энергия W взаимосвязаны:
W=mc2
Поэтому кванту энергии Wф=hv электромагнитного излучения соответствует масса
mф=Wф/c2=hv/c2
Электромагнитное излучение, а следовательно и фотон, существует только при распространении со скоростью с. Это означает, что масса покоя фотона равна нулю.
Фотон, имея массу mф и двигаясь со скоростью с, обладает импульсом
pф=mфc=hv/c
Фотон имеет также собственный момент импульса, называемый спином.
Lф=h/2h
Объект, обладающий энергией, массой, импульсом, моментом импульса ассоциируется, скорее всего, с частицей. Поэтому квант энергии электромагнитного излучения – фотон – является как бы частицей электромагнитного излучения, в частности света.
Из того, что электромагнитное излучение – это совокупность фотонов, следует, что электромагнитное поле частицы представляет собой совокупность фотонов, испускаемых и поглощаемых самой же частицей.
В рамках классической физики испускание переносчика взаимодействия свободной частицей запрещено законами сохранения энергии и импульса. Квантовая физика снимает указанное запрещение, используя соотношение неопределённостей энергии и времени. Более того, при этом устанавливается связь между массой переносчика взаимодействия и радиусом действия.
Такие процессы, которые идут как бы с нарушением закона сохранения энергии, принято называть виртуальными процессами, а частицы, которые переносят взаимодействие и не могут обладать энергией и импульсом, связанными так же, как в свободных частицах, - виртуальными частицами. Виртуальные обменные частицы, участвующие во взаимодействии, обнаружить невозможно. Но, увеличивая энергию излучающей частицы, например, ускоряя электроны, можно виртуальные фотоны превратить в действительные, свободные, которые могут регистрироваться. Это является процессом излучения реальных фотонов.
Такое представление электромагнитного поля приводит к пересмотру концепции взаимодействия электрически заряженных частиц посредством электромагнитного поля. Если от частицы окажется другая заряженная частица, то фотон, испущенный одной частицей, может поглотиться другой, и наоборот, в результате чего произойдет обмен фотонами, т.е. частицы начнут взаимодействовать. Таким образом, электромагнитное взаимодействие частиц происходит путем обмена фотонами. Этот механизм взаимодействия называется обменным и распространяется на все взаимодействия. Любое поле – это совокупность квантов – переносчиков взаимодействий, испускаемых взаимодействующей частицей, а любое взаимодействие – это обмен переносчиками взаимодействия.
В заключении отметим, что фотон является одной из частиц из группы фундаментальных частиц.
Невозможность объяснения законов фотоэффекта на основе волновых представлений о свете.
Были сделаны попытки объяснить закономерности внешнего фотоэффекта на основе волновых представлений о свете. Согласно этим представлениям, механизм фотоэффекта выглядит так. На металл падает световая волна. Электроны, находящиеся в его поверхностном слое, поглощают энергию этой волны, и их энергия постепенно увеличивается. Когда она становится больше работы выхода, электроны начинают вылетать из металла. Таким образом, волновая теория света будто бы способна качественно объяснить явление фотоэффекта.
Однако расчеты показали, что при таком объяснении время между началом освещения металла и началом вылета электронов должно быть порядка десяти секунд. Между тем из опыта следует, что <10-9 c. Следовательно, волновая теория света не объясняет безынерционности фотоэффекта. Не может она объяснить и остальные законы фотоэффекта.
Согласно волновой теории кинетическая энергия фотоэлектронов должна возрастать с увеличением интенсивности света, падающего на металл. А интенсивность волны определяется амплитудой колебаний напряжённости Е, а не частотой света. (От интенсивности падающего света зависит лишь число выбиваемых электронов и сила тока насыщения).
Из волновой теории следует, что энергию, необходимую для вырывания электронов из металла, способно дать излучение любой длины волны, если его интенсивность достаточно велика, т.е. что фотоэффект может вызываться любым световым излучением. Однако существует красная граница фотоэффекта, т.е. получаемая электронами энергия зависит не от амплитуды волны, а от ее частоты.
Таким образом, попытки объяснить закономерности фотоэффекта на основе волновых представлений о свете оказались несостоятельными.
Объяснение законов фотоэффекта на основе квантовых представлений о свете. Уравнение Эйнштейна для фотоэффекта.
Для объяснения закономерностей фотоэффекта А. Эйнштейн использовал квантовые представления о свете, введенные Планком для описания теплового излучения тел.
Эйнштейн, анализируя флуктуации энергии излучения абсолютно чёрного тела пришёл, к выводу о том, что излучение ведёт себя так, как если бы оно состояло из N=W/(hv) независимых квантов энергии величиной hv каждый. По Эйнштейну, при распространении света, вышедшего из какой – либо точки, энергия распределяется не непрерывно во всё более возрастающем пространстве. Энергия состоит из конечного числа локализованных в пространстве квантов энергии. Эти кванты движутся, не делясь на части; они могут поглощаться и испускаться только как целое.
Таким образом, Эйнштейн пришёл к выводу, что свет не только излучается, но и распространяется в пространстве и поглощается веществом в виде квантов. Порции светового излучения – кванты света – обладающие корпускулярными свойствами, т.е. свойствами частиц, являющимися носителями свойств электромагнитного поля. Эти частицы получили название фотонов.
С точки зрения квантовых представлений о свете энергия монохроматического излучения, падающего на металл состоит из фотонов с энергией
Wф=hv
и равна
Wсв=NWф=Nhv
а поток энергии света равен
Ф=Wсв/t=Nhv/t=nфhv
где N – число фотонов, падающих на металл за время t; nф – число фотонов, падающих на металл за единицу времени.
Взаимодействие излучения с веществом состоит из огромного числа элементарных актов, в каждом из которых один электрон целиком поглощает энергию одного фотона. Если энергия фотонов больше работы выхода или ей равна, то электроны вылетают из металла. При этом часть энергии поглощённого фотона тратится на выполнение работы выхода Ав, а остальная часть составляет кинетическую энергию фотоэлектрона. Поэтому
Wф=Ав+Wк;hv=Ав+mv2/2.
Это выражение называется уравнением Эйнштейна для фотоэффекта.
10>10>














