147720 (730554), страница 2
Текст из файла (страница 2)
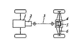
Рис. 5. Схема клиноременной передачи:
1 — трубопровод; 2 — полость; 3, 6 — пружины; 4 — груз; 5 — редуктор; 7, 9 – шкивы; 8 — ремень; 10, 13, 14 — шестерни; 11 — муфта; 12 — вал; R1 R2 – радиусы шкивов
При разгоне автомобиля действующие силы от грузов 4 центробежного регулятора и вакуума в полости 2 преодолевают силу пружин 3 и 6, сдвигают половины ведущего шкива 9 и раздвигают половины ведомого шкива 7. Таким образом, осуществляется бесступенчатое изменение передаточного числа и, следовательно, крутящего момента.
Эта передача выполняет также функции межколесного дифференциала. Передача применяется на некоторых моделях легковых автомобилей.
Механические бесступенчатые передачи не получили широкого распространения и имеют ограниченное применение на автомобилях из-за недостаточной надежности их работы.
4. Гидрообъемная трансмиссия
Этот вид трансмиссии представляет собой бесступенчатую передачу автомобиля.
В гидрообъемной трансмиссии (верхняя половина рис. 6) двигатель 1 внутреннего сгорания приводит в действие гидронасос 2, соединенный трубопроводами с гидромоторами 3, валы которых связаны с ведущими колесами автомобиля. При работе двигателя гидродинамический напор жидкости, создаваемый гидронасосом в гидромоторах ведущих колес, преобразуется в механическую работу. Ведущие колеса с гидромоторами, установленными в них, называются гидромотор-колесами.
Рабочее давление в системе в зависимости от конструкции гидроагрегатов — 10...50 МПа.
На рис. 7 представлена простейшая схема устройства и работы гидрообъемной передачи, в которой используется гидростатический напор жидкости. При вращении коленчатого вала двигателя через кривошип 2 и шатун 3 производится перемещение поршня 4 гидронасоса. Жидкость из гидронасоса через трубопровод 9 подается в цилиндр гидродвигателя, поршень 8 которого перемещает через шатун 7 кривошип 5 и приводит во вращение ведущее колесо 6.
Рис. 6. Схема гидрообъемной (верхняя половила схемы) и электрической (нижняя половина) трансмиссии:
1 — двигатель; 2 — гидронасос; 3 — гидромотор; 4 — электродвигатель; 5 — генератор
Преимуществом гидрообъемной трансмиссии является бесступенчатое автоматическое изменение ее передаточного числа и передаваемого крутящего момента, что обеспечивает плавное трогание автомобиля с места, облегчает и упрощает управление автомобилем и снижает утомляемость водителя и, следовательно, повышает безопасность движения. Она также повышает проходимость автомобиля в результате непрерывного потока мощности и плавного изменения крутящего момента.
В действительности гидрообъемные передачи, применяемые на автомобилях, гораздо сложнее, чем представленная на рис. 7. Так, они включают роторные гидронасосы плунжерного типа, колесные гидродвигатели, магистрали высокого и низкого давления, редукционные клапаны, охладитель, дренажную и подпитывающую системы (резервуар, фильтр, охладитель, насос, редукционный и предохранительный клапаны).
Рис. 7. Схема гидрообъемной передачи:
1 — двигатель; 2, 5 — кривошипы; 3, 7 — шатуны; 4, 8 — поршни; 6 —колесо; 9 — трубопровод
По сравнению с механической гидрообъемная трансмиссия имеет большие габаритные размеры и массу, меньшие КПД, долговечность и более высокую стоимость. Она сложна в изготовлении и требует надежных уплотнений.
5. Электрическая трансмиссия
Это бесступенчатая передача, в которой крутящий момент измеряется плавно, без участия водителя, в зависимости от сопротивления дороги и частоты вращения коленчатого вала двигателя.
В электрической трансмиссии (см. нижнюю половину рис. 6) двигатель 1 внутреннего сгорания приводит в действие генератор 5. Ток от генератора поступает к электродвигателям 4 ведущих колес автомобиля.
Ведущее колесо (рис. 8) с установленным внутри электродвигателем 1 называется электромотор-колесом. Крутящий момент от электродвигателя к колесу передается через колесный редуктор 2. При применении быстроходных электродвигателей в ведущих колесах используются понижающие зубчатые передачи.
Преимуществом электрических трансмиссий является бесступенчатое автоматическое изменение ее передаточного числа. Это обеспечивает плавное трогание автомобиля с места, упрощает и облегчает управление автомобилем и снижает утомляемость водителя, в результате повышается безопасность движения. Кроме того, повышается проходимость автомобиля вследствие непрерывного потока мощности и плавного изменения крутящего момента. Повышается также долговечность двигателя из-за уменьшения динамических нагрузок и отсутствия жесткой связи между двигателем и ведущими колесами. Однако у электрических трансмиссий КПД не превышает 0,75, что ухудшает тягово-скоростные свойства автомобиля. Кроме того, расход топлива по сравнению с механическими трансмиссиями повышается на 10...20 %. Электрические трансмиссии также имеют большую массу и высокую стоимость.
Рис. 8. Электромотор-колесо:
1 — электродвигатель; 2 — редуктор
6. Гидромеханическая трансмиссия
Это комбинированная трансмиссия, которая состоит из механизмов механической и гидравлической трансмиссий. В гидромеханической трансмиссии передаточное число и крутящий момент изменяются ступенчато и плавно (см. рис. 3, в).
В гидромеханическую трансмиссию (рис. 9) входят гидромеханическая коробка передач 2, включающая гидротрансформатор и механическую коробку передач, карданная передача 3, главная передача 4, дифференциал 5 и полуоси 6.
Гидротрансформатор устанавливают вместо сцепления, и в нем передача крутящего момента от двигателя 1 к трансмиссии происходит за счет гидродинамического (скоростного) напора жидкости. Гидротрансформатор плавно автоматически изменяет крутящий момент в зависимости от нагрузки. При этом крутящий момент от гидротрансформатора передается к механической коробке передач, в которой передачи включаются с помощью фрикционных механизмов. Применение гидротрансформатора обеспечивает плавное трогание автомобиля с места, уменьшает число переключений передач, что снижает утомляемость водителя, улучшает проходимость автомобиля, почти в два раза повышается долговечность двигателя и механизмов трансмиссии вследствие уменьшения в трансмиссии динамических нагрузок и крутильных колебаний. Снижается также вероятность остановки двигателя при резком увеличении нагрузки.
Рис. 9. Схема гидромеханической трансмиссии:
1 — двигатель; 2 — гидромеханическая коробка передач; 3 — карданная передача; 4 — главная передача; 5 — дифференциал; 6 — полуоси
Недостатком гидромеханической трансмиссии являются более низкий КПД, что ухудшает тягово-скоростные свойства и топливную экономичность автомобиля, более сложная конструкция и большая масса, а также высокая стоимость в производстве, которая составляет около 10 % стоимости автомобиля.
Электромеханическая трансмиссия. Это комбинированная трансмиссия, которая состоит из элементов механической и электрической трансмиссий.
На рис. 10 показана схема электромеханической трансмиссии автобуса большой вместимости. Двигатель 4 внутреннего сгорания расположен в задней части автобуса и приводит в действие генератор 5. Ток, вырабатываемый генератором, подводится к электродвигателю 1. Крутящий момент от электродвигателя через карданную передачу 2 подводится к ведущему мосту 3 и далее через главную передачу, дифференциал и полуоси к ведущим колесам автобуса. Сцепление и коробка передач в трансмиссии отсутствуют, так как при возрастании сопротивления дороги уменьшается частота вращения электродвигателя и автоматически увеличивается крутящий момент, подводимый к ведущим колесам автобуса.
Режим работы двигателя в различных дорожных условиях зависит только от подачи топлива, которая осуществляется педалью. Отсутствие педали сцепления и рычагов переключения коробки передач существенно облегчает работу водителя автобуса, который в условиях города работает с частыми остановками. Кроме того, электромеханическая трансмиссия повышает проходимость и безопасность движения. Недостатками электромеханической трансмиссии по сравнению с механической являются меньший КПД, не превышающий 0,85, что ухудшает тягово-скоростные свойства и топливную экономичность (расход топлива увеличивается на 15... 20 %), а также большие габаритные размеры и масса.
Рис. 10. Схема электромеханической трансмиссии:
1 – электродвигатель; 2 — карданная передача; 3 — ведущий мост; 4 — двигатель; 5 — генератор
7. Трансмиссии автопоездов
Автопоезда, состоящие из автомобиля-тягача и прицепов или полуприцепов, могут иметь различного типа трансмиссии в зависимости от назначения автопоезда. Так, на автопоездах, предназначенных для работы по дорогам с твердым покрытием, трансмиссию имеет только автомобиль-тягач. На автопоездах, рассчитанных на работу в условиях бездорожья, для повышения их проходимости прицепы и полуприцепы обычно оборудуются ведущими мостами. Мощность и крутящий момент к этим мостам могут подводиться от двигателя автомобиля-тягача через механическую, гидравлическую или электрическую передачи.
Для привода дополнительного оборудования автопоезда (лебедки, насоса подъема грузового кузова и др.) в трансмиссии имеется коробка отбора мощности, которая присоединяется к коробке передач.
Список использованной литературы
1. Сарбаев В.И. Техническое обслуживание и ремонт автомобилей. − Ростов н/Д: «Феникс», 2004.
2. Вахламов В.К. Техника автомобильного транспорта. − М.: «Академия», 2004.
3. Барашков И.В. Бригадная организация технического обслуживания и ремонта автомобилей. – М.: Транспорт, 1988г.















