147372 (730468), страница 3
Текст из файла (страница 3)
6 Способ погрузки и разгрузки
На автомобильном транспорте используются различные формы организации погрузо-разгрузочных работ. Наиболее распространенной из них является выполнение работ средствами грузоотправителей и грузополучателей при постоянном закреплении погрузо-разгрузочных машин, механизаторов, грузчиков и стропальщиков за грузовыми постами или пунктами. При такой форме достигается необходимая специализация рабочих и машин по условиям производства погрузо-разгрузочных работ, виду груза, типам применяемого подвижного состава, что в конечном итоге способствует повышению производительности труда при погрузке и выгрузке грузов.
При определении преимущественного способа выполнения погрузо-разгрузочных работ у клиентуры должен соблюдаться основной принцип – максимальный уровень механизации погрузки у грузоотправителя и выгрузки у грузополучателя. Выделяются ручной, частично механизированный (погрузка ручная, выгрузка механизированная и наоборот) и механизированный способы. При частично механизированном и механизированном способах с применением экскаваторов, бункеров, автомобилеопрокидователей, авто- и электропогрузчиков устанавливается направление погрузки и выгрузки: сверху, сзади слева или справа. Одновременно возникает дополнительное требование – необходимо усилить пола кузова, если погрузо-разгрузочные операции внутри кузова выполняются авто- и электропогрузчиками.(рис. 6.1)
Ручной способ выполнения погрузо-разгрузочных работ требует минимальной погрузочной высоты и обязательного оборудования транспортного средства грузоподъемным бортом типа УГБ, различными типами кранов и опрокидывающих устройств.
При преимущественном использовании различных перегрузочных устройств и механизмов предпочтительно применение открытых или закрытых кузовов со съемными, сдвижными крышками, а также широко открывающимися дверьми.
Погрузо-разгрузочные работы выполняются вилочными аккумуляторными малогабаритными погрузчиками типа.
Функция погрузки грузов на автомобиль заключается в систематическом повторении рабочего цикла, в состав которого входят перемещение поддонов с ящиками от штабеля, где они сложены, к автомобилю, где погрузчик укладывает их на грузовую платформу.
Рис. 6.1 – Автопогрузчик вилочного типа.
Данный автопогрузчик имеет небольшую грузоподъёмность и предназначен для работы внутри складских помещений, обладает высокой манёвренностью
Техническая характеристика вилочного погрузчика 4034
| параметр | СИ | Значение |
| грузоподъёмность | Кг | 900 |
| Максимальная высота погрузки | Мм | 1950 |
| Радиус поворота | М | 1.84 |
7 Способ перевозки
В транспортном процессе наиболее динамичным элементом является транспортное состояние груза, которое в результате научно-технического прогресса подвергается существенное трансформации, а это требует создания принципиально новых типов транспортных средств, перегрузочного оборудования, других организационных форм перевозки.
Влияние транспортного состояния груза на транспортные и перегрузочные средства и технологию перевозки особенно проявилось при транспортировке мелкоштучного грузов.
Мелкоштучные грузы во всех больших количествах перевозят в виде укрупненных грузовых мест. На первом этапе в качестве средств укрепления грузовых мест были использованы пакеты, сформированные на универсальных поддонах. Производительность технологических линий увеличилась. Однако общее время доставки грузов продолжало оставаться большим. Требовались радикальные меры в области транспортировки грузов, одной из которых явилось применение контейнеров. Их использование при организации сквозных перевозок «от двери грузоотправителя до двери грузополучателя» позволило решить три основные проблемы транспортировки: сократить общее время доставки грузов, снизить стоимость перевозки, автоматизировать процесс учета и планирования транспортного потока. Это вызвало радикальную перестройку транспортной системы: в материально-технической области потребовалось создать парк крупнотоннажных контейнеров, соответствующих транспортных средств; построить терминалы с мощным подъемно транспортным оборудованием; создать контейнерные участки на железнодорожных станциях, речных пристанях.
Изменение технологии транспортировки привело к изменению ее организации. Развитие перевозок в контейнерах, трейлерах вызвало углубление интеграции разных видов транспорта в национальном и междугородном масштабах. При этом оказались затронутыми интересы не только транспорта, но и отправителей и получателей грузов.
Влияние транспортного состояния груза на технологию и организацию перевозок – процесс не односторонний. Условия и масштабы перевозок, их технологическая оснащенность приводят к максимальной унификации транспортного состояния груза, его наибольшей приспособленности к контейнерным условиям данной транспортировки.
При транспортировании грузов должны соблюдаться требования Правил дорожного движения.
Груз должен быть равномерно распределен в кузове, чтобы не нарушать устойчивость автомобиля и не затруднять управление им. Груз не должен смещаться во время движения.
Для перевозки можно использовать два автомобиля наиболее подходящих для перевозки чая в ящиках, это ЗИЛ-5301 «Бычок» и ГАЗ 33021 «Газель». Оба этих автомобиля имеют бортовую платформу и оборудуются тентом.
Критерия правильного выбора автотранспортного средства являются минимальная себестоимость перевозки, максимальная производительность труда, обеспечение сохранности груза и своевременная его доставка, максимальная безопасность движения. Для расчетного выбора подвижного состава определяем 2 типа специализированных автотранспортных средств, которые можно использовать для перевозки заданного груза. Затем приступаем к анализу его технико-эксплуатационных и экономических показателей.
8. Полная масса АТС
Полная масса автотранспортных средств состоит из снаряженной массы, массы груза (по грузоподъемности) или пассажиров (по числу мест), их багажа, водителя и другого обслуживающего персонала.
Полная масса автопоездов: для прицепного поезда – сумма полных масс тягача и прицепа; для седельного – сумма снаряженной массы тягача, массы персонала в кабине и полной массы полуприцепа.
8.1 Категории дорог
По виду покрытий все дороги разделяются на пять групп:
Д1 - цементобетонные (монолитные и сборные); асфальтобетонные из смесей, укладываемых в горячем, теплом и холодном состоянии; из брусчатки и мозаики на бетонном или каменном основании.
Д2 - покрытия из бетонно-минеральных смесей подобранного состава с применением прочного щебня и вязкого битума, приготовленных в смесителях и укладываемых в горячем состоянии.
Д3 - щебеночные, гравийные и из других прочных минеральных материалов с необходимым уплотнением их при строительстве; дегтебетонные смеси, укладываемые как в горячем, так и в холодном состоянии.
Д4 - покрытия из булыжного и колотого камня; покрытия из грунтов и местных мало-прочных каменных материалов, обработанных органическими вяжущими веществами или сочетанием различных вяжущих и добавок активных веществ.
Д5 - естественные грунтовые дороги; из грунтов, укрепленных или улучшенных различными местными материалами; деревянные покрытия.
9. Осевая нагрузка
По допустимой осевой нагрузке установлены 4 основные группы дорог:
-
грунтовые дороги, имеющие наименьшую несущую способность (преимущественно для автотранспортных средств повышенной и высокой проходимости);
-
дороги с твердым покрытием, выдерживающие осевую нагрузку в 6 т (преимущественно для автотранспортных средств группы Б (таблица));
-
дороги с усовершенствованным покрытием, выдерживающие осевую нагрузку в 10 т (преимущественно для автотранспортных средств группы А, а также с осевой нагрузкой 8 т);
-
дороги специальные, технологические, выдерживающие осевую нагрузку от одиночной оси, превышающую 10 т (для внедорожных автотранспортных средств).
Таблица 9.1 – Наибольшие пределы статической осевой нагрузки
| Расстояние между осями, м | Осевая нагрузка, т | ||
| Группа А | Группа Б | ||
| 2,5 м и более | 10 | 6,0 | |
| Свыше 1,39 до 2,5 | 9,0 | 5,5 | |
| Свыше 1,25 до 1,39 | 8,0 | 5,0 | |
| От 1 до 1,25 | 7,0 | 4,5 | |
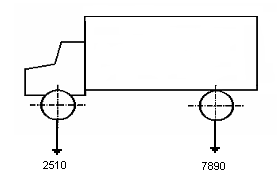
Таблица 9.2 Осевая нагрузка
| на переднюю ось, Ga1 | кг | 2510 |
| на заднюю ось, Ga2 | кг | 7890 |
Рис. 9.1 распределение нагрузки
10 Грузоподъемность
Грузовые автомобили делятся на группы по полной массе
1 до 1.2 т.
2 1.2 – 2 т.
3 2-8 т.
4 8 – 14 т.
5 14-20 т.
6 20-40 т.
7 свыше 40 т.
Грузоподъемность определяется как масса перевозимого груза без массы водителя и пассажиров в кабине
| Грузоподъёмность | кг | 3000 |
11. Классификационные признаки автомобиля ЗиЛ 5301
ЗиЛ – трижды ордена Ленина, ордена октябрьской революции и ордена Трудового красного знамени Московский автотранспортный завод имени И. А. Лихачёва. Старейший автомобильный завод страны (выпускает машины 1924 года) ныне является часовыми в объединении «Авто ЗиЛ», его предприятия расположены во многих городах страны. Значительную часть продукции (около 200 тысяч машин в год) составляют двухосные и трёхосные грузовики семейства ЗиЛ-130, ЗиЛ-131, ЗиЛ-133 и их многочисленные модификации. ЗиЛ также поставляет двигатели для грузовиков «Урал», КАЗ, автобусов ЛиАЗ и ЛАЗ. В производственной программе завода и представительские легковые автомобили. Для одной из последних моделей создан V-образный восьми цилиндровый двигатель с распределительным валом в головке цилиндров.
Бортовой автомобиль ЗиЛ-5301, выпускается Московским автомобильным заводом имени А. И. Лихачёва с 1998 года. Кузов – цельно металлический с возможностью установки тента, с откидными задним и боковыми бортами. Компоновка кабины полукапотная. Сиденье водителя - регулируемое по длине, высоте и наклону спинки.
Характеристика автомобиля ЗиЛ-5301 представлена в таблице 1.1 и на рисунке 7.1. и 7.2
Рис 11.1 Общий вид автомобиля ЗиЛ-5301
Таблица 11.1 – Характеристика автомобиля ЗиЛ-5301
| Параметры | Единицы измерения | Значение |
| Грузоподъёмность | кг | 3000 |
| Снаряженная масса | кг | 4113 |
| В том числе на переднюю ось на заднюю ось | кг кг | 2350 4900 |
| Полный вес, Ga | кг | 6950 |
| в том числе на переднюю ось, Ga1 заднюю ось, Ga2 | кг кг | 2510 7800 |
| Радиус поворота по оси внешнего переднего колеса | м | 8,3 |
| Максимальная скорость автомобиля | км/ч | 100 |
| Контрольный расход топлива (при скорости 60; 80 км/ч) | л/100 км | 25,8; 32,2 |
| Передаточные числа коробки передач | I-7,44; II-4,10; III-2,29; IV-1,47; V-1,00; ЗХ-7,09 | |
| главной передачи | 6,33 | |
| Число ходовых колёс | 6 | |
| Размер шин | дюйм (мм) | 9,00R20 (260R508) |
| База | мм | 4250 |
| Колея передних колёс | мм | 1820 |
| задних колёс | мм | 1690 |
| Кузов: длина | мм | 4385 |
| ширина | мм | 2215 |
| Погрузочная высота Hп | мм | 1450 |
















