146904 (730349), страница 5
Текст из файла (страница 5)
Однако жесткость характеристики ЭДВ обеспечивает плавность хода стартера, а также ограниченность оборотов холостого хода, и поэтому параллельное возбуждение иногда вводится в ЭДВ классического электростартера дополнительно к последовательному (рис. 8. 1, г). Такое возбуждение обеспечивает ЭДВ усредненную (умеренно жесткую) механическую характеристику и называется смешанным. Используется, например, в стартерах для автомобилей ВАЗ.
Исключительно удачным техническим решением для автомобильного электростартера является наличие в его конструкции электродвигателя с независимым возбуждением от постоянных магнитов (рис. 8. 1, д) и дополнительного понижающего планетарного редуктора, установленного непосредственно внутри корпуса стартера между валом электродвигателя и осью, по которой перемещается муфта свободного хода.
Такие стартеры имеют следующие преимущества.
Во-первых, главное магнитное поле электродвигателя с постоянными магнитами на статоре не зависит ни от тока якоря, ни от падения напряжения АКБ при пуске ДВС.
Во-вторых, система постоянных магнитов на статоре электродвигателя делается многополюсной (не менее шести полюсов), что позволяет заметно уменьшить габариты магнитной системы (постоянные магниты значительно меньше электромагнитов), а следовательно, и всего стартера в целом. КПД и обороты стартерного электродвигателя с многополюсным статором также выше.
В-третьих, сами постоянные магниты выполняются не из сплавов дорогостоящих металлов, а из спекаемых ферритовых порошков с большой коэрцитивной силой, что делает магниты легкими, прочными, технологичными и, как следствие, дешевыми.
В-четвертых, наличие дополнительного понижающего редуктора в электростартерной системе пуска позволяет оптимально согласовать жесткую механическую характеристику электродвигателя независимого возбуждения с минимальной пусковой частотой вращения коленвала ДВС при максимальной механической нагрузке стартера.
И наконец, в-пятых, стартерный ЭДВ с независимым возбуждением от постоянных магнитов и с дополнительным редуктором может работать в режиме повышенных оборотов при пуске холодного двигателя, потребляя при этом от АКБ меньший ток по сравнению с классическим стартером. КПД стартерного режима АКБ и надежность пуска ДВС увеличиваются.
Как и любая новая техника, электростартеры с планетарным редуктором и с возбуждением от постоянных магнитов на начальном этапе внедрения обладали некоторыми недостатками: они были значительно дороже классических за счет высокой стоимости постоянных магнитов и планетарного редуктора; в них быстрее изнашивались щетки из-за более высоких оборотов; их работа сопровождалась повышенным шумом.
Современная технология изготовления стартеров нового поколения исключает эти недостатки. Так, постоянные магниты, как уже отмечалось, стали ферритовыми. Главная шестерня планетарного редуктора изготавливается литьем под давлением из термореактивной пластмассы. Пластмассу армируют бронзой, что делает планетарную шестерню прочной, износостойкой, технологичной и дешевой. Остальные детали дополнительного редуктора обычного исполнения. Планетарный редуктор с пластмассовой шестерней не шумит. Быстрый износ коллекторных щеток устранен применением в них более жесткого графита и удалением из него порошковой меди. Последнее стало возможным за счет понижения величины якорного тока. Уменьшена сила прижатия щеток к коллектору.
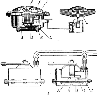
Устройство стартера
| 1 – вал привода; 2 – втулка передней крышки; 3 – ограничительное кольцо; 4 – шестерня с внутренним кольцом обгонной муфты; 5 – ролик обгонной муфты; 6 – опора вала привода с вкладышем; 7 – ось планетарной шестерни; 8 – прокладка; 9 – кронштейн рычага; 10 – рычаг привода; 11 – передняя крышка; 12 – якорь реле; 13 – удерживающая обмотка; 14 – втягивающая обмотка; 15 – тяговое реле; 16 – шток тягового реле; 17 – сердечник тягового реле; 18 – контактная пластина; 19 – крышка тягового реле; | 20 – контактные болты; 21 – вывод "положительных" щеток; 22 – скоба; 23 – щеткодержатель; 24 – "положительная" щетка; 25 – вал якоря; 26 – стяжная шпилька; 27 – задняя крышка с втулкой; 28 – коллектор; 29 – корпус; 30 – постоянный магнит; 31 – сердечник якоря; 32 – опора вала якоря с вкладышем; 33 – планетарная шестерня; 34 – центральная (ведущая) шестерня; 35 – водило; 36 – шестерня с внутренними зубьями; 37 – кольцо отводки; 38 – ступица с наружным кольцом обгонной муфты |
Звуковой сигнал
Принцип работы автомобильных сигналов основан на циклическом замыкании и размыкании контактов. При этом происходит колебание мембраны. Громкость, тон и сила потребляемого тока определяются зазором между якорем (подвижным контактом) и сердечником (неподвижным контактом). В зависимости от потребляемого тока сигналы могут включаться непосредственно включателем или через реле. Звуковые сигналы в автомобиле бывают безрупорными (шумовыми) или рупорными (тональными). Комплект звуковых сигналов включает шумовые и тональные сигналы, настроенные на совместную работу. Основное назначение звукового сигнала – обратить на себя внимание других участников движения, особенно, когда не хватает видимости.
Звуковой сигнал вибрационного типа, безрупорный. Включатель с кольцевой кнопкой установлен на рулевом колесе. На автомобиле ВАЗ-2101 устанавливаются два сигнала - низкого и высокого тона. Сигнал состоит из корпуса, электромагнита 3, якорька 4, контактов 6, мембраны 7 и резонаторного диска 5. При нажатии на кнопку замыкается электрическая цепь, и ток из аккумуляторной батареи поступает по замкнутым контактам 6 в обмотку электромагнита 3. При этом электромагнит притягивает якорек 4, который прогибает мембрану 7 и одновременно размыкает контакты 6. Электрическая цепь прерывается, электромагнит размагничивается, и якорек под действием упругости мембраны отходит обратно,, вследствие чего контакты смыкаются, снова образуется замкнутая электрическая цепь, якорек вновь притягивается, и процесс повторяется. При этом создаются частые колебания мембраны (до 100 колебаний в секунду) и появляется звук. Тон звука каждого сигнала регулируется винтом 1, расположенным на задней стенке. При вращении винта по часовой стрелке сила звука увеличивается, а при вращении против часовой стрелки - уменьшается.
Рис. Звуковые сигналы:
а - автомобиля Mocквич-412; б - ВA3-2101; 1 - регулировочный винт; 2 - конденсатор;3 - электромагнит; 4 - якорёк; 5 - резонаторный диск; 6 - контакты; 7 - мембрана;
Неисправности звукового сигнала
| Не работают звуковые сигналы | Устранение неисправности |
| а) Перегорел предохранитель. | Заменить предохранитель, предварительно устранить причину перегорания предохранителя. |
| б) Обрыв цепи в схеме звуковых сигналов: окислены или разъединены наконечники проводов в разъемных соединениях, повреждены провода. | Проверить последовательно наличие цепи в разъемных соединениях согласно схеме включения звуковых сигналов |
| в) Окисление, загрязнение контактного кольца на рулевом колесе. | При замыкании контактной пластины центрального переключателя на "массу" звуковые сигналы работают. Зачистить контактное кольцо, отрегулировать. |
| г) Перекос арматуры рулевого колеса, накладки сигнальной кнопки или не отрегулирован зазор включения звуковых сигналов. | При замыкании контактной пластины центрального переключателя на "массу" звуковые сигналы работают. Зачистить контактное кольцо, отрегулировать. Заменить поврежденные детали, отогнуть накладку рулевого колеса, отрегулировать. |
| д) Отогнута пластина включателя звуковых сигналов центрального переключателя или ее излом. | При замыкании контактной пластины центрального переключателя на "массу" звуковые сигналы работают. Зачистить контактное кольцо, отрегулировать. Отогнуть пластину или заменить центральный переключатель. |
| е) Не работает реле включения звуковых сигналов. | Проверить реле на работоспособность,в случае поломки заменить аналогичным |
| ж) Неправильно установлена перемычка в месте установки реле включения звуковых сигналов на монтажном блоке. | Проверить и установить правильно перемычку: на блоке. |
| и) Обрыв цепи монтажного блока : перегорание дорожек, ложная пайка. | Проверить цепь согласно схеме монтажного блока. Заменить монтажный блок. |
| к) Не работает звуковой сигнал: разрегулировка, обрыв цепи обмотки катушки, отпадание "таблетки" контакта, попадание влаги. | Отрегулировать или заменить звуковой сигнал. При регулировке сигнала винтом возможно постоянное замыкание контактов и перегорание предохранителя. |
| Некачественное звучание звуковых сигналов | Устранение неисправности |
| а) Неисправность звуковых сигналов: разрегулировка, трещина мембраны. | Отрегулировать сигналы или заменить. |
Указатель температуры воды
Указатель температуры служит для контроля температуры воды в головке блока цилиндров двигателя в пределах от +40° до 100°С или 110°С. Указатель температуры импульсный, электротеплового типа и состоит из приемника, расположенного на щитке приборов, и датчика типа ТМЗ-А, установленного на двигателе. Схематически конструкция указателя температуры показана на фиг. 370. Главной деталью приемника является биметаллическая П-образная плоская пружина 8, на которой намотана обмотка из проволоки высокого сопротивления 7. Один конец пружины прикреплен к корпусу приемника, другой связан со стрелкой 6. Концы обмотки выведены клеммами на корпус приемника. Датчик представляет собой герметичный баллон с наружной резьбой. Внутри баллона имеется также биметаллическая пружина с обмоткой. Обмотка приемника и датчика соединены последовательно в цепь.
Активный слой биметаллической пружины датчика расположен так, что при нагреве пружины электрическим током, проходящим по обмоткам, она поднимается вверх и разрывает цепь. Охладившись, пружина возвращается в первоначальное положение и замыкает электрическую цепь. Процесс размыкания и замыкания электрической цепи многократно повторяется, и в цепи устанавливается определенный режим импульсов тока. При повышении температуры воды в головке блока биметаллическая пружина остывает дольше, чем при> низкой температуре. Следовательно, число импульсов с повышением температуры за единицу времени уменьшится, а следовательно, уменьшится и величина тока в цепи обмоток. С понижением температуры число импульсов тока за единицу времени увеличится, и ток в цепи обмоток увеличится. Изменение величины тока вызывает различный нагрев биметаллической пружины в приемнике, и она, изгибаясь от нагрева, устанавливает стрелку в определенном положении. Указатель температуры воды работает только при включенном зажигании. При выключенном зажигании стрелка указателя температуры устанавливается несколько правее деления 100° С или 110° С. Указатель -температуры воды не требует никакого ухода. Ремонт приемника и датчика в эксплуатационных условиях невозможен. Поэтому в случае выхода прибора из строя следует проверить только электрические соединения, целость предохранителя и исправность проводки и, если они в порядке, сменить приемник или датчик. Исправность указателя температуры воды может быть проверена па специальном стенде или путем сравнения показаний прибора и ртутного термометра. Для этого следует вывернуть датчик прибора, удлинить с помощью дополнительного отрезка его провод, соединить корпус прибора отдельным отрезком провода с клеммой М (масса) генератора и погрузить датчик и ртутный термометр в банку с кипятком, расположив их ближе к ее центру (вдали от стенок). Клемму при этом погружать в кипяток не следует. Затем сравнить показания прибора и ртутного термометра, доводя постепенно температуру воды в баке до требуемой величины доливкой холодной воды. Погрешность в показаниях прибора при 1!0°С на 4°С, при 80°С на 5°С и при 40°С на 10°С является допустимой. Если погрешность прибора выше указанных пределов, то необходимо сменить датчик. Если датчик исправен, то следует проверить приемник и при необходимости заменить его. При проведении ремонта электропроводки или смене приборов (приемника и датчика) нельзя допускать замыкания их клемм на массу. Даже непродолжительное замыкание приводит к потере прибором регулировки, а более продолжительное (5—8 мин. ) может привести к сгоранию обмотки. Необходимо постоянно следить за температурой и уровнем воды в системе охлаждения. Запуск и прогрев двигателя при отсутствии воды в радиаторе, применяемый некоторыми водителями в зимнее время, может вызывать выход из строя датчика температуры воды. Контрольная лампа предельной температуры воды в радиаторе. При повышении температуры воды в радиаторе выше 92—98°С контрольная лампа загорается. . В случае загорания лампы автомобиль следует остановить и устранить причину, вызвавшую перегрев (ослабление ремня вентилятора, чрезмерное закрытие жалюзи или теплого капота и др. ). Если причиной перегрева было чрезмерное закрытие жалюзи, движение приостанавливать не нужно. Сигнальная лампа может загореться и на стоянке, сразу после остановки. В этом случае движение можно возобновить, не дожидаясь пока лампа погаснет, так как загорание лампы вызвано местным перегревом вследствие прекращения циркуляции воды. При возобновлении движения температура воды быстро выравняется до нормальной, и контрольная лампа погаснет. Контрольная лампа предельной температуры воды в радиаторе работает только при включенном зажигании. Особого ухода в эксплуатации контрольная лампа и датчик не требуют.
Датчики давления
Обязательным элементом датчика давления является мембрана - плоская или гофрированная пластина, выполненная из бронзы или какого-либо иного упругого материала, жестко зажатая по краям. Герметичная полость, расположенная под мембраной, должна соединяться через штуцер с полостью измерения давления. В большинстве случаев мембрану снабжают жестким центром, на котором укрепляют устройство, связывающее мембрану с передающим механизмом. С изменением давления мембрана прогибается и ее жесткий центр перемещается. Связь перемещения жесткого центра П с величиной измеряемого давления Р, как показано на рис. 9. 4, а, нелинейна, причем гофрированная мембрана при прочих равных условиях более чувствительна к изменению давления, чем плоская. Отличие датчиков давления друг от друга в основном состоит в том, как в них перемещение жесткого центра преобразуется в электрический сигнал. Это зависит от системы измерения, в которой используется датчик. На рис. 5. 5, б, изображен датчик давления масла, снабженный реостатным датчиком. Толкатель, закрепленный в жестком центре мембраны, через качалку воздействует на ползунок реостата, который при этом поворачивается вокруг своей оси. Возвратное движение ползунка происходит под действием пружины. Дроссель, запрессованный в штуцер датчика, создает большое сопротивление протеканию масла и препятствует возникновению колебаний ползунка реостата при резком изменении давления. Ползунок соединен с массой датчика, и изменение сопротивления реостата происходит между его выводом и "массой". В датчике импульсной системы (рис. 5. 5, в) на жесткий центр мембраны опирается выступом упругая пластина с контактом, соединенным с "массой". Другой контакт закреплен на плече П-образной биметаллической пластины, с навитой на нем спиралью, один конец спирали приварен к пластине, другой соединен через упругий токовод с выводом датчика. Второе плечо П-образной биметаллической пластины закреплено на упругом держателе, положение которого можно изменить поворотом воздействующего на него регулятора. Это позволяет осуществлять настройку датчика, изменяя первоначальное усилие прижатия контактов друг к другу. Изменение давления перемещает жесткий центр мембраны, при этом меняется усилие прижатия контактов друг к другу и соответственно изменяется относительное время нахождения их в замкнутом состоянии.















