Kurs_KiR2 (730084), страница 5
Текст из файла (страница 5)
Желательно, чтобы эффективный статический прогиб соответствовал следующим данным:
для легковых автомобилей – 150300 мм;
для автобусов – 100200 мм;
для грузовых автомобилей – 80140 мм.
Для обеспечения надлежащей плавности хода желательно также, чтобы отношение статических прогибов задней и передней подвесок fз/fп находилось в следующих пределах:
легковые автомобили – 0,80,9;
грузовые автомобили и автобусы – 1,01,2.
Ж
есткость подвески равна тангенсу угла наклона касательной к средней линии характеристики подвески:
При статической нагрузке :Cp=Gст/fст, Н/мм
Полные динамические ходы отбоя fдв и fдн,а также прогибы f’ox и f”ox, при которых вступают в работу ограничители хода, показаны на рис.2.1.Динамический прогиб подвески fд определяет динамическую емкость подвески (заштрихованная площадь на рис.2.1). Чем выше динамическая емкость подвески, тем меньше вероятность ударов в ограничитель при движении автомобиля по неровной дороге. Динамический прогиб fд (включая прогиб резинового буфера) зависит от упругой характеристики подвески и от статического прогиба fст. Динамические прогибы сжатия fд можно принять в
следующих пределах:
-
для легковых автомобилей fдв=fд=(0,50,6) fст;
-
для грузовых автомобилей fдв=fд=fст;
-
для автобусов fдв=fд=(0,70,8) fст.
Д
инамические качества подвески оценивает коэффициент динамичности КД по формуле:
Упругая характеристика подвески.
Рис.2.1
При движении по неровным дорогам с увеличением амплитуды колебаний подвески ее жесткость должна увеличиваться. При малых значениях КД наблюдаются частые удары в ограничитель и подвеска «пробивается».
Оптимальное значение КД равно 2,53. Упругую характеристику подвески желательно иметь нелинейную, что достигается применением дополнительных, упругих элементов, резиновых буферов и другими методами.
2.2.2.Упругая характеристика с двумя упругими элементами.
Построение упругой характеристики с 2-мя упругими элементами (рессорой и буфером) производим в следующей последовательности (рис.2.2):
-
находим точку А по координатам fст и G2а, предварительно определив fст по формуле (2.1), а G2а–найдя полную массу автомобиля, приходящуюся на расчетную рессору автомобиля, и жесткость на этом участке будет равна:
-
по найденному значению fст в зависимости от типа автомобиля и рекомендаций, приведенных выше, определяем fд=fст fд=81мм;
-
ж
есткость подвески сохраняется постоянной и равной Cp1 до нагрузки G”=1,4G2a, т.е. до вступления в работу буфера (ограничителя хода). Тогда прогиб подвески на участке от G2a до G”составит:
а
прогиб при работе ограничителя хода:
-
по координатам G”и fox строим точку В;
-
з
адаваясь значением коэффициента динамичности КД=2,53, найдем Gmax=kД*G2a и жесткость подвески с ограничителем хода (буфером) Cp2 по формулам:
наибольшее перемещение колеса из нижнего крайнего положения колеса вверх до упора найдем по формуле:
-
по координатам Gmax и fmax строим точку С.
Упругая характеристика подвески
с двумя упругими элементами.
Рис2.2
2.3. Нагрузки на упругий элемент и прогиб.
От кинематической схемы подвески зависит компоновка автомобиля, плавность хода, устойчивость и управляемость, масса автомобиля, его надежность и долговечность.
Зависимая подвеска.(рис 2.3.)
где Rz-нормальная реакция полнота дороги на колесо, Н;
gk-нагрузка от массы колеса и моста ( неподрессорные массы), Н;
На расчетную рессору ГАЗ-53А приходится неподрессорной массы:1/2 массы переднего моста и масса одного колеса.
gk=1/2*1380+840=1530 н
Rz=G2a=9050 н
Pp=9050-1530=7520 н
Прогиб упругого элемента равен перемещению колес относительно кузова.
fp=fk
Зависимая подвеска.
2.4.Упругие элементы подвески и их расчет. Листовые рессоры.
Наибольшее распространение среди упругих элементов имеют листовые рессоры. Их положительными свойствами являются относительно простая технология изготовления, удобство ремонта и возможность выполнять функцию направляющего устройства. Недостаток листовых рессор - высокая металлоемкость и недостаточный срок службы. Величина потенциальной энергии при упругой деформации у рессоры в 2 – 3 раза меньше, чем торсионов и пружин. Однако и пружины, и торсионы требуют рычажного направляющего устройства, что увеличивает вес подвески. Из листовых рессор наиболее распространенными являются:
-
полуэллиптическая (качающаяся серьга) Рис.(2.4);
-
кантилеверная (консольная);
-
четвертная (защемленная).
Наибольшее распространение из них имеет полуэллиптическая рессора, серьга которой имеет наклон около 5, а при максимальном прогибе до 40. Листы растягиваются под действием сил S и за счет этого увеличивается жесткость рессоры. В настоящее время применяют рессоры в проушинах которых устанавливают резиновые втулки, что уменьшает скручивающие усилия при перекосе мостов. Отрицательно влияет на работу рессор трение между листами, поэтому их смазывают графитовой смазкой, а для легковых машин применяют неметаллические прокладки. По концам рессорных листов устанавливают вставки из пластмасс или пористой резины (против сухого трения).
Материалом для изготовления рессор служат стали 55ГС, 50С2, 60С2.
Для несимметричной полуэллиптической листовой рессоры прогиб fp под нагрузкой Pp может быть найден по формуле:
Г
де lэ - эффективная длина рессоры, равная lэ= l-lо (l -полная длина, lо -расстояние между стремянками, для ГАЗ-53А lо=100мм);
lэ=1450-100=1350мм
Рр-нагрузка от моста или расчетная нагрузка;
Е=2,15*105Мпа – модуль, продольной упругости;
δ - коэффициент деформации, учитывает влияние последующих листов на предыдущие, который для рессор равного сопротивления изгибу (идеальная рессора) равен 1,451,50 и для реальных – 1,251,45; δ=1,35
ε - коэффициент асимметрии, равный:
В существующих конструкциях коэффициент асимметрии ε=0,10,3; ε=0,15.
П
олученное значение fp должно быть меньше значения fmax (см. упругую характеристику подвески).это условие является обязательным для обеспечения нормальной работы подвески.
Длина рессор принимается в зависимости от базы автомобилей:
l=(0,350,5)Б – для легковых;
l=(0,250,35)Б – для грузовых.
П
роверку на прочность проводим по напряжениям изгиба:
Где Pmax=КД*РР;
[σи]< [σ]
650Мпа<700Мпа
Жесткость определяем по формуле:
2.5.Расчет амортизаторов.
2.5.1.Расчет амортизаторов и быстрота затухания колебаний,
Устройство, гасящее колебание в подвеске и называемое амортизатором, совместно с трением в подвеске создаёт силы сопротивления колебаниям автомобиля и переводит механическую энергию колебаний в тепловую. На автомобилях широко применяются гидравлические амортизаторы двухстороннего действия: рычажные и телескопические. Телескопические амортизаторы легче рычажных, имеют более развитую поверхность охлаждения, работают при меньших давлениях (2,5 – 5,0 МПа), технологичнее в производстве. В силу указанных преимуществ они получили широкое распространение на отечественных и зарубежных автомобилях. Основные параметры и размеры телескопических амортизаторов стандартизированы (ГОСТ 11728 – 76).
Б
ыстрота затухания колебаний при работе упругих элементов подвески достигается созданием достаточно большой силы Рс сопротивления колебаниям. Эта сила создается межлистовым трением рессор, трением в шарнирах подвески и в основном сопротивлением амортизаторов. В первом приближении силу Рс можно считать пропорциональной скорости V колебаний кузова относительно колеса:
Где Кэ – эквивалентный коэфициент, оценивающий сопротивление подвески колебаний и в основном зависящий от коэфициента Ка сопротивления амортизатора.
В
теории автомобиля оценку затухания колебаний производят по относительному коэффициенту затухания:
Где с=Ро/f - жёсткость подвески, Н/см;
М=Рр/g - подрессорная масса , приходящаяся на колесо (нагрузка на упругий элемент), кг.
У современных автомобилей колебания кузова происходят с затуханием, соответствующим =0,150,35; =0,2. Для сохранения заданной степени затухания колебаний в подвеске с уменьшением её жёсткости сопротивление амортизаторов также следует уменьшать.
П
реобразуя уравнение (2.16) ,получим формулу для нахождения эквивалентного коэфициента:
Где Рр – вес подрессорной части, приходящейся на колесо в статическом положении, Н;
fст - статический прогиб подвески, см.
При заданном эквивалентном коэффициенте сопротивления колебаниям Кэ коэфициент Ка сопротивления амортизатора зависит от его типа и расположения относительно колеса.
2.5.2.Характеристика амортизатора и определение его геометрических параметров.
Характеристика амортизатора называется зависимость его силы сопротивления от скорости движения поршня относительно цилиндра. Она изображается графически в координатах Ра – Vn .Несимметричная характеристика амортизатора с разгрузочными клапанами показана на рис.
У
силия в амортизаторе Ра определяются для телескопического амортизатора, установленного под углом:
Зависимость силы на штоке амортизатора от скорости относительно перемещения штока и цилиндра рассчитывается в общем случае по формулам:
Где РN – сила на штоке амортизатора на начальном участке, Н;
Vn - скороость поршня, см/с;
Кан –коэффициент сопротивления амортизатора на начальном участке до открытия клапана, Н с/см;
n – показатель степени, принимаемый при инженерных расчётах n=1.
Где Рн – сила сопротивления амортизатора в момент открытия клапана, Н;
Кан- коэфициент сопротивления амортизатора на клапанном участке, Н с/см ;
Рис2.5.
Vn –критическая скорость поршня , соответствующая открытию клапана, Vn=2030 см/с; Vn=30 см/с.
Скорость поршня принимается в расчётах равной 50-60 см/с. При значительной скорости колебаний на ходе сжатия и отбоя открываются разгрузочные клапаны (т. 1 и 2 характеристики амортизатора).
Д
ля двухстороннего амортизатора:
Г
де - угол наклона амортизатора, =40;
Н
аходим силу сопротивления амортизатора в момент открытия клапанов (Vn=30 м/с и n=1,0):
Д
алее найдём Рсжк и Ротбк по формулам:
П
ри выборе основных размеров амортизатора пользуются расчётной мощностью Nрасч, соответствующей скорости поршня амортизатора Vn=2030 см/с, причём последняя цифра характеризует весьма напряжённый режим. Мощность, поглощаемую амортизатором, можно подсчитать по формуле:
З
ная расчётную мощность амортизатора, можно рассчитать работу L,поглощенную амортизатором за время = 1 час и перешедшую в тепло:
L=Nрасч , Н м (2.26)
L=81.9*3600=294840Нм
И
з уравнения теплопередачи, ограничивая температуру жидкости внутри амортизатора, можно представить его основные размеры (рис2.):
Где - коэффициент теплопередачи, равный 200 кДж/м r кал, (5070 ккал/м r с);
F – поверхность наружных стенок амортизатора, м;
tmax - максимальная допустимая температура наружных стенок амортизатора при работе в течение часа, равная 100С;
tо – температура окружающей среды (берётся обычно to=20C).
Д
ля телескопического амортизатора площадь наружных стенок амортизатора:
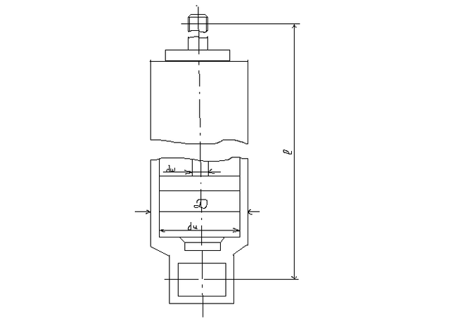
Где Д – наружный диаметр цилиндра;
l - длина резервуара , которая обычно определяется по конструктивным соображениям.
Д
иаметр рабочего цилиндра амортизатора определяется по формуле:
Где Рам-давление в амортизаторе , равное ( 2,5-5,0 )*10 Па ;
F
вн - площадь по внутреннему диаметру стенки амортизатора , равная:
F
ш - площадь в сечении по штоку, равная:
dц и dш -диаметр цилиндра и штока, dш=0,5dц ,м;
В
результате преобразований и вычислений найдем:
В
результате преобразований получим:
Наружный диаметр амортизаторов:
Г
де - толщина стенки, равная 2,55 мм.
К
онструктивную длину амортизатора найдем по формуле:
Амортизатор и его основные параметры.
Расчет амортизатора на прочность.
З
апас прочности по напряжениям изгиба: s==1600,0 Мпа; max=700 Мпа
З
апас прочности по напряжениям кручения: s==700 Мпа; max=50 Мпа.
Полученный общий запас прочности позволяет сделать следующий вывод:
-
общий запас прочности n>2.0, будет обеспечена прочность амортизатора.
Список литературы
-
Автомобиль (учебник водителя третьего класса). Калисский В. С., Манзон А. И. и др.- М.: Транспорт, 1970.- 384с.
-
Автотранспортные средства: Методические указания к выполнению курсового проекта.- Вологда: ВПИ, 1986, 36с.
-
Цимбалин В.Б., Успенский И.Н. Атлас конструкций. Шасси автомобиля - Москва: «Машиностроение», 1977, 106с.
-
Баринов А. А. Элементы расчета агрегатов автомобиля: Учебное пособие.- Вологда: ВоПИ, 1994.- 132с.
-
Краткий автомобильный справочник.- 10-е изд., перераб. и доп.- М.: Транспорт, 1984.- 220с.
-
Осепчугов В. В., Фрумкин А. К. Автомобили: Анализ конструкций элементов расчета. - М.: Машиностроение, 1989.- 304с.
-
Теория эксплуатационных свойств АТС. Тягово-скоростные свойства. Методические указания к практическим занятиям для студентов специальности 150200.- Вологда: ВоГТУ.- 2000.- 46с.
















