ch 1 (729783), страница 3
Текст из файла (страница 3)
3 – й переход - калибровка.
Изготовление детали с заданными радиусами, формирование угла 1 градус по большей стороне.
Технологический процесс.
-
Резка листа на карточки 550 500 мм.
-
Штамповка. Вырубка контура.
-
Штамповка. Вытяжка, 1 переход.
-
Штамповка. Вытяжка, 2 переход.
-
Штамповка. Калибровка, 3 переход.
-
Штамповка. Обсечка фланца по заданному размеру.
3.1.4. Конструирование штампа.
Штампы для холодной листовой штамповки представляют собой сложную конструкцию, состоящую из большого количества деталей разнообразного технологического и конструктивного назначения. Исходя из условий работы и различного характера сопряжения, эти детали требуют различной точности изготовления.
Наиболее точного изготовления требуют рабочие детали вырубных штампов – пуансоны и матрицы, а также направляющие колонки и втулки прецизионных штампов. Шероховатость поверхности деталей штампов определяется назначением детали и требованиями, предъявляемыми к ней. В соответствии с этим для изготовления детали применяются те или иные способы механической обработки. Шероховатость поверхности оценивается в классах и параметрах по ГОСТ 2789 – 73.
Зазор между матрицей и пуансоном определяется в процентом соотношении от толщины материала или по правилам: при вырубке наружного контура зазор берется за счет уменьшения размеров пуансона, размер матрицы принимают равным наименьшему предельному размеру детали; при пробивке отверстий зазор образуется за счет увеличения размеров матрицы, размер пуансона берется равным наибольшему предельному размеру отверстия.
Определение исполнительных размеров рабочих частей (пуансон и матрица).
3.1.4.1. Штамп для калибровки. (1, стр. 410)
Исполнительные размеры вытяжных пуансонов и матриц определяются по формулам (1, стр. 410, табл. 195).
Вытяжка деталей с допуском по внутреннему размеру d + :
d м = ( d + ) + м; dп = d–п, (3. 5) (3. 6)
где - зазор, = 1,1 S = 1,1 0,8 = 0,88 мм (1, стр. 183, табл. 83);
м = 0,08, п = 0,06 (1, стр. 411, табл. 196)
Для размера 380 имеем:
d м = (380 + 0,88 )+ 0,08 = 380,88 + 0,08 мм;
d п = 380 – 0,06 мм
Радиусы закругления матрицы равны 1 мм.
3.1.4.2. Штамп для вырубки. (1, стр. 408)
Исполнительные размерв вырубных матриц и пуансонов определяются по формулам (1, стр. 407, табл. 193).
Вырубка наружного контура L-:
Dм = (D - )+м, Dп = (D - - )-п, (3. 7) (3. 8)
где - зазор, = 0,05 мм; (1, стр. 24, табл. 196).
м = 0,02, п = 0,012 (1, стр. 411, табл. 196)
Для размера 520 Н 14 = 1,5:
Lм = (520 – 1,5)+0,02 = 518,5+0,02 мм,
Lп = (520 – 1,5 – 0,05)-0,012 = 518,45-0,012 мм
Остальные размеры расчитываются аналогично.
3.1.5. Выбор оборудования. Расчет усилия пресса.
3.1.5.1.Усилие для вытяжки.
Усилие вытяжки изменяется на протяжении рабочего хода пуансона, достигая максимума при глубине h = (0,4 0,6) H, где Н – полная глубина вытяжки.
На практике получили применение инженерные формулы для определения усилия вытяжки, которые исходят из известного положения, что допустимые напряжения в опасном сечении должны быть меньше разрушающих, а следовательно, наибольшее усилие предельно возможной вытяжки должно быть несколько меньше усилия, необходимого для разрыва стенок изделия около дна (в опасном сечении).
Фактическая величина напряжений в опасном сечении, а следовательно, и усилие вытяжки зависит от сопротивления металла деформированию, степени деформации или коэффициента вытяжки, относительной толщины заготовки, относительного радиуса закругления матрицы и пуансона, показателя анизотропии.
Усилие вытяжки последней операции (калибровки) (1, стр. 171, табл. 72):
Pв = ( 4 В – 1,72 r ) S в кф, (3. 9)
где S – толщина материала, S = 0,8 мм;
в - предел прочности, в = 54 кгс/мм2;
кф – коэффициент, кф = 0,7
P в = ( 4 380 – 1,72 100) 0,8 54 0,7 = 40763,52 кгс
Полное усилие вытяжки:
P = Pв + Q, (3. 10)
где Q – усилие прижима, Q = 0,25 Pв, отсюда
Р = 1,25 Pв = 1,25 40763,52 = 50954,4 кгс
Исходя из конструктивных особенностей пресса, выбираем пресс усилием 250 т. с.
Штамп устанавливается на 250 т. с. пресс модели КБ3534А (2, стр. 46 ):
| Номинальное усилие на внутреннем ползуне пресса, кН | 2500 |
| Ход ползуна, мм | 400 |
| Число ходов ползуна в минуту | 25 |
| Число одиночных ходов ползуна в минуту | 19 |
| Мощность АО С 2 – 81 – 4, кВт | 40 |
| Суммарная мощность, кВт | 43,3 |
| Габаритные размеры 4555 2900 6850 | |
3.1.5.2. Усилие для вырубки.
В процессе вырубки листового металла возникает сложное неоднородное силовое поле, сконцентрированное вблизи режущих кромок пуансона и матрицы. Ввиду сложности и неоднородности силового поля при вырубке в расчетах применяется условная технологическая величина – сопротивление срезу.
Рассчитаем усилие пресса для вырубки заготовки (1, стр. 16):
Рср = L S ср, (3. 11)
где ср – сопротивление срезу, ср = 46 кгс / мм2;
L – периметр, L = 4 180 + 180 + 160 = 1787,6 мм
Рср = 1787,6 46 0,8 = 65783,68 кгс
Полное усилие вырубки обычно учитывает поправку на неоднородность материала и затупление режущих кромок пуансонов и матриц введением поправочного коэффициента и рассчитывается по формуле:
Р = 1,36 Рср = 1,36 65783,68 = 89465,8 кгс (3. 12)
Выбираем пресс усилием 160 или 250 т.с.
Штамп устанавливается на 250 т. с. пресс модели КБ3534А.
3.2. Деталь «Крышка».
Деталь типа Крышка изготовляется из материала сталь 10, толщина листа S = 1,5 мм.
3.2.1. Анализ технологичности формы и конструктивных элементов детали. (1, стр. 280-281)
-
Деталь имеет сложную вытягиваемую форму, поэтому изготовление штампов будет производиться с ручной подготовкой рабочих деталей (матрицы и пуансона).
-
Радиусы закруглений у фланца r 3S = 5 мм, радиусы закруглений у дна могут быть не меньше r 2S = 3 мм.
-
В прямоугольных коробках следует избегать острых углов в плане и у дна детали.
Исходя из изложенных ранее технологических требований делаем вывод, что деталь технологична и ее изготовление возможно методом холодной штамповки.
3.2.2. Определение формы и размеров заготовки. Расход материала.
(1, стр. 284)
При вытяжке прямоугольных коробок с фланцем (1, стр. 113) ввиду значительной неравномарной деформации вдоль контура обязательно необходима последующая обрезка неровного фланца. (Требования смотри выше.) Это упрощает технологические рассчеты заготовки. Построение заготовки производится путем развертки коробки на плоскость.
Длина выпрямленной стенки находится по уравнению:
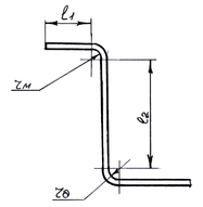
при rд = 50 мм, rм = 5 мм, L1 = 11мм,
L2 = 0 мм
рис.3.4. Отдельный элемент детали.
рис. 3.5. Отдельный элемент детали (радиусы скругления дна и фланца).
3) Поскольку высота детали изменяется вдоль длинной стороны детали, рассчитываем длины стенки в наибольшей части и наименьшей части, таким образом:
рис. 3.6. Отдельный элемент детали (длина стенки).
Рассчитываем высоту развертки.
Деталь после гибки:
рис. 3.7. Чертеж детали после гибки.
тогда l =
=
= 494,5 мм (3. 14)
Деталь до гибки (после вытяжки):
рис. 3.8. Чертеж детали до гибки.
Полная развертка детали будет:
L = 230 + 494,5 = 724,5 мм
Найдем длину плоской части детали:
В = 724 – 76 – 35,5 = 612,5 мм
Найдем ширину плоской части детали:
А = 316 – 2 16 – 30 = 254 мм
Поскольку при формировании ребер жесткости их размеры практически не влияют на величину развертки детали, определим размеры развертки:
К = В + L + L = 612,5 + 97,35 + 53,82 = 763,67 мм, (3. 15)
Nб = A + 2Lб = 254 + 72,4 2 = 398,8 мм, (3. 16)
Nм = A + 2Lм = 254 + 42,4 2 = 338,8 мм, (3. 17)
С учетом припуска на обрезку, равную 10 мм, получим размеры заготовки:
К = 763,67 + 10 = 774 мм
Nб = 398,8 + 10 = 410 мм
Nм = 350 мм
Для построения эскиза заготовки необходимо определить радиус заготовки в углах, которые расчитываются как для вытяжки стаканчика с фланцем:
где r у – радиус коробки, rу = R = 15 мм;















