KursDM_101 (729337), страница 2
Текст из файла (страница 2)
-
Т2(т) – момент на тихоходном валу цилиндрической передачи;
[]к – допускаемое напряжение при кручении, равное 15…20 МПа.
к – величина зазора между тихоходным валом и колесом быстроходной ступени;
deа2(б) – внешний диаметр окружности вершин зубьев конического колеса быстроходной ступени, при котором должно выполняться условие к 3 мм.
-
L1 – линейный габарит по длине, вычисляемый по формуле:
dа2(т) – диаметр окружности вершин зубьев цилиндрического колеса;
-
L2 – линейный габарит по ширине, вычисляемый по формуле:
b1(т) – ширина зубчатого венца цилиндрической шестерни;
b – ширина зубчатого венца конической передачи;
δ2 – угол делительного конуса конической ступени.
-
L3 – линейный габарит по высоте, равный большему из значений dа2(т) и deа2(б).
-
Vp – расчетный объем, занимаемый передачей. Определяется по формуле:
-
ΔС – величина разности уровней погружения зубчатых колес в масляную ванну. Определяется по формуле:
Лучшему варианту соответствует условие ΔСmin и Vmin, а т.к. ΔСmin=ΔС4=22,13 мм, и V4=3,57106<
Таблица 3.1
Результаты анализа компоновочной схемы редуктора
| № | n, об/мин | de2, мм | аw(т), мм | dв(т), мм | Δк, мм | L1, мм | L2, мм | L3, мм | Vp, мм³, 106 | ΔС, мм | Вывод | |
| 1 | 950 | 209,74 | 140 | 58,0 | 30,76 | 338,29 | 54,17 | 236,08 | 4,33 | 37,79 | - | |
| 2 | 700 | 154,55 | 160 | 59,6 | 39,92 | 380,21 | 62,04 | 259,85 | 5,57 | 39,65 | - | |
| 3 | 950 | 211,11 | 125 | 58,3 | 15,56 | 311,80 | 49,21 | 213,02 | 3,62 | 26,23 | - | |
| 4 | 700 | 155,56 | 125 | 59,7 | 14,85 | 307,70 | 49,21 | 204,82 | 3,57 | 22,13 | + | |
| 5 | 950 | 211,11 | 125 | 58,3 | 33,08 | 294,28 | 48,12 | 213,02 | 3,34 | 43,75 | - | |
| 6 | 700 | 155,56 | 125 | 59,7 | 24,84 | 297,71 | 48,56 | 204,82 | 3,41 | 32,11 | - |
4. Расчет и конструирование валов
Для предварительного определения диаметра вала выполняют ориентировочный расчет его на кручение по допускаемому напряжению []к без учета влияния изгиба.
Тк – крутящий момент на валу (Нм);
[]к=2025 МПа – для входных и выходных участков вала;
[]к=1015 МПа – для промежуточного участка вала.
Остальные диаметры принимаем конструктивно с учетом формул:
-
диаметр буртика под подшипник
, где r – координата фаски подшипника (выбирается из таблицы 12.1); -
диаметр буртика для упора зубчатого колеса
, где f берется из таблицы 12.2 [3].
4.1 Ведущий вал
мм, где Т1=29,71 Нм, []к=22,5 МПа
При соединении электродвигателя и вала редуктора через муфту пользуемся зависимостью:
-
dвх – диаметр входного конца вала редуктора;
-
dэ – диаметр вала электродвигателя;
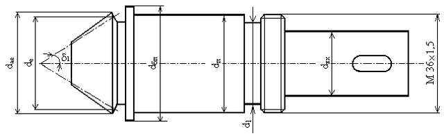
По ГОСТ 6636-69 принимаем dвх=32 мм, d1=38 мм, резьбу выбираем М361,5, диаметр ведущего вала под подшипники назначаем dп=40 мм, dбп=45 мм. Эскиз ведущего вала представлен на рис. 4.1.
4.2. Промежуточный вал
мм, гдеТ2=127,07 Нм, []к=12,5 МПа
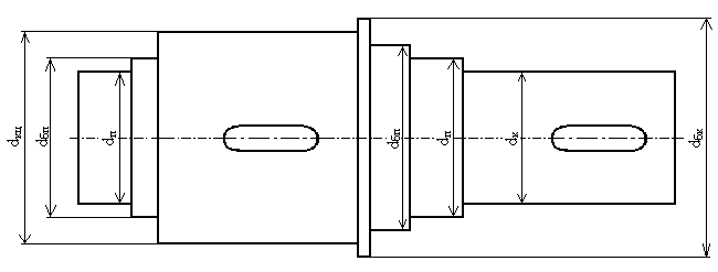
Принимаем диаметр вала под подшипник dп=40 мм, диаметр буртика под подшипник dбп=47 мм, под коническое колесо dкк=50 мм, диаметр буртика конического колеса dбк=60 мм. Эскиз промежуточного вала представлен на рис. 4.2.
4.3 Ведомый вал
мм, гдеТ3=498,28 Нм, []к=22,5 МПа
По ГОСТ 6636-69 принимаем d=50 мм, диаметр ведущего вала под подшипники назначаем dп=55 мм, диаметр буртика под подшипник dбп=63 мм, диаметр под цилиндрическое колесо dк=67 мм, диаметр буртика цилиндрического колеса dбк=75 мм. Эскиз ведомого вала представлен на рис. 4.3.
dае=41,12 мм; dе=39,56 мм; d1=38 мм; dбп=45 мм; dп=40 мм; dвх=32 мм.
Рис. 4.1 Эскиз быстроходного вала
dп=40 мм; dбп=47 мм; da1=53,18 мм; d1=49,18 мм; df1=44,18 мм; dбк=60 мм; dкк=50 мм.
Рис. 4.2 Эскиз промежуточного вала
dп=55 мм; dбп=63 мм; dкц=67 мм; dбк=75 мм; dк=50 мм.
Рис. 4.3 Эскиз тихоходного вала
5.Конструктивные размеры колёс
По данным распечатки известны диаметры окружностей вершин, впадин и делительных окружностей, а так же ширина венца колеса.
Для конического зубчатого колеса: de=160 мм; dae=160,57 мм; dfe=158,53 мм; bкон=24 мм; δ2=77,47; Tк=127,07 Нм.
Для цилиндрического зубчатого колеса: d2=200,82 мм; da=204,82 мм; df=195,82 мм; bцил=39 мм; Tк=498,28 Нм.
Выбираем форму зубчатого колеса со ступицей и рассчитываем остальные параметры:
а). Диаметр ступицы
dк – посадочный диаметр колеса.
-
конического колеса
Размер принимаем согласно ГОСТ 6636-69
dст=80 мм.
-
цилиндрического колеса
Размер принимаем согласно ГОСТ 6636-69
dст=105 мм.
б). Длина ступицы
-
конического колеса
Размер принимаем согласно ГОСТ 6636-69
lст=56 мм.
-
цилиндрического колеса
Размер принимаем согласно ГОСТ 6636-69
lст=71 мм.
в). Толщина торцов зубчатого венца
-
конического колеса
-
цилиндрического колеса
г). Толщина диска
-
конического колеса
Размер принимаем согласно ГОСТ 6636-69
Скон=8,5 мм.
-
цилиндрического колеса
Размер принимаем согласно ГОСТ 6636-69
Сцил=7,1 мм.
Эскиз конического колеса быстроходной передачи приведен на рис. 5.1., а тихоходной передачи (цилиндрического колеса) – на рис. 5.2.
Рис. 5.1 Эскиз конического колеса
Рис. 5.2 Эскиз цилиндрического колеса
6. Конструктивные размеры элементов крышки и корпуса редуктора
Корпусные детали имеют, как правило, сложную форму, поэтому изготавливают их чаще всего литьем. Наиболее распространенным материалом для литых корпусов является чугун.
Корпусная деталь состоит из стенок, бобышек, фланцев, ребер и других элементов, соединенных в единое целое. Толщину стенки, отвечающую требованиям технологии литья и необходимой жесткости корпуса редуктора, находят по формуле:
Ттв - крутящий момент на тихоходном валу, Нм; Т=498,28 Нм (см. табл. 2.4).
Принимаем толщину дна корпуса и толщину ребер жесткости равными толщине стенки. Плоскости стенок, встречающиеся под прямыми углами, сопрягаются радиусами
где R – наружный радиус; – внутренний радиус.
Размеры принимаем согласно ГОСТ 6636-69
R=13 мм, r=4,2 мм.
Для крепления к корпусу крышек предусматривают опорные платики. Эти платики при отливе могут быть смещены, поэтому размеры сторон опорных платиков должны быть на величину С больше размеров опорных поверхностей крышек. Величина С=35 мм. Обрабатываемые поверхности корпуса отделяются от черновых выступами в виде платиков высотой h:
Размер принимаем согласно ГОСТ 6636-69
h=3,8 мм.
Чтобы вращающиеся детали редуктора не задевали за внутреннюю поверхность корпуса, между ними предусматривается зазор:
где L1 – наибольшее расстояние между внешними поверхностями деталей передач.
Размер принимаем согласно ГОСТ 6636-69
a=11 мм.
Чтобы не происходило перемешивание осевшей на дно грязи с маслом, расстояние от поверхности колес до дна корпуса принимают:
Размер принимаем согласно ГОСТ 6636-69
Для соединения корпуса и крышки по всему контуру плоскости разъема редуктора выполнены фланцы. Для соединения крышки с корпусом используют болты класса прочности не менее 6,6 с наружной шестигранной уменьшенной головкой. Диаметры болтов находим по формуле:
По ГОСТ 7808 принимаем dб=10 мм. Расстояние между болтами принимают равным десяти диаметрам болта. Ширину фланца bф выбираем из условия свободного размещения головок болта и возможного поворота ее гаечным ключом на угол больше 60:
где С1- расстояние от стенки корпуса до оси болта;
С2- расстояние от оси болта до торца фланца,
Размер принимаем согласно ГОСТ 6636-69
bф=36 мм.
Опорную поверхность корпуса выполняют в виде четырех платиков, расположенных в местах установки болтов. Диаметр болтов крепления корпуса к раме принимаем:
где dб – диаметр болта, соединяющего крышку с корпусом.
Размер принимаем согласно ГОСТ 6636-69
dф=13 мм.
Толщина рамы:
Размер принимаем согласно ГОСТ 6636-69
р=20 мм.
Для слива масла в корпусе предусматривается сливное отверстие, закрываемое резьбовой пробкой.
7. Эскизная компоновка редуктора
Эскизная компоновка редуктора выполнена на миллиметровой бумаге в масштабе 1:1. Предварительно выбираем подшипники, исходя из посадочного диаметра:
-
быстроходный и промежуточный – радиально-упорный однорядный подшипник легкой серии 36208;
-
тихоходный вал – радиально-упорный однорядный подшипник легкой серии 36211.
Перед построением компоновочной схемы проводим горизонтальную осевую линию ведущего вала и намечаем положение осей промежуточного и ведомого вала, с учетом межосевого расстояния валов. Далее намечаем и вычерчиваем контуры зубчатых колес, валов и стенки корпуса. Компоновочная схема (рис.7.1.) выполняется на основе предыдущих расчетов на ЭВМ (см. таблицу 3.1) с проставлением основных размеров, необходимых для расчета подшипников на ЭВМ.
8. Расчет подшипников на ЭВМ
8.1. Подготовка исходных данных
Необходимые для расчета данные приведены в таблице 8.1.
-
Ресурс работы передачи применяется на основании технического задания и рассчитанного ранее при подготовке исходных данных расчета редуктора на ЭВМ (см. п. 2.2.), t=12194 ч.
-
Коэффициент вращения кв=1.
-
Коэффициент безопасности ко=1,3.
-
Температурный коэффициент кт=1,05.
-
Коэффициенты и принимаются по заданному в техническом задании графику нагрузки, т.е. =1; 0,5; 0; 0; =0,15; 0,85; 0; 0.
-
Схема установки подшипников быстроходного вала – 2, промежуточного и тихоходного валов – 1.
-
Диаметры цапф в опорах А и В принимаем согласно п.4.
da=dв=40 мм – для быстроходного вала.
da=dв=40 мм – для промежуточного вала.
da=dв=55 мм – для тихоходного вала.
8. Частота вращения валов принимается согласно таблицам 2.3 и 2.4.
n1=700 (об/мин); n2=155,56 (об/мин); n3=38,10 (об/мин).
8.2. Расчетные схемы валов
Расчетные схемы валов изображены на рисунках 8.1., 8.2 и 8.3.
Значения сил принимаются из распечатки (табл. 2.3.) согласно принятому варианту расчета.
1). На быстроходный вал действуют силы Ft1=1852,39 H, Fr1=-514,35 H, Fa1=1442,60 H. Торцевой модуль конической шестерни mte=2,54 мм, число зубьев z=14.
Рис. 8.1. Расчетная схема быстроходного вала.
Значение момента принимаем из расчетов:
Расстояние от опор до точки приложения силы берутся из компоновочной схемы редуктора на рис. 7.1. L1=46 мм, Lab=105 мм. В точках, где отсутствуют силы и моменты, их значения и значения моментов, а так же расстояния принимаем равными нулю.
2).Силы, действующие в зацеплении на промежуточном валу: Ft4=1852,39 H, Ft2=4962,51 H, Fr4=1442,60 H, Fr2=-1850,62 H, Fa4=514,35 H, Fa2=-1107,26 H. Делительный диаметр цилиндрической шестерни промежуточного вала d2=49,18 мм.
Рис. 8.2. Расчетная схема промежуточного вала.
Значения моментов: М2=-27,2 Нм, М4=77,2 Нм.
Расстояния от опор до точек приложения сил: L2=74 мм, L4=129 мм, Lab=222 мм. Остальные значения сил и расстояний принимаем равными нулю.
3). Силы, действующие в зацеплении на тихоходном валу: Ft2=-4962,51 H, Fr2=1850,62 H, Fa2=1107,26 H. Делительный диаметр цилиндрического колеса тихоходного вала d2=200,82 мм
Рис. 8.3. Расчетная схема тихоходного вала.
Значение момента: М2=111,2 Нм.
Расстояния от опор до точек действия сил: L2=74 мм, Lab=225 мм. Остальные значения сил, моментов и расстояний принимаем равными нулю.
8.3. Анализ результатов расчета и выбор подшипников
Программа расчета подшипников качения на долговечность имеет имя POD1. Итогом расчета подшипников на ЭВМ являются распечатки (табл. 8.2., 8.3., 8.4.), где указаны исходные данные для контрольной проверки, а так же подшипники, которые удовлетворяют заданной нагрузке на вал.
По данным распечаток выбираем подшипники по ресурсу их работы. Для обеих опор быстроходного вала выбираем шариковые радиально-упорные однорядные подшипники легкой серии № 36208. Для обеих опор промежуточного вала выбираем шариковые радиальные двухрядные подшипники лёгкой серии № 1208. Для обеих опор тихоходного вала выбираем шариковые радиально-упорные однорядные подшипники № 36211.
9. Выбор и расчет шпонок
Для соединения валов зубчатыми колесами применяют, чаще всего, призматические шпонки. Шпонка служит для передачи крутящего момента от вала к ступице колеса и наоборот. Размер сечений шпонок, длина и пазы выбираются по ГОСТ 23360-78. Материал шпонки – сталь 45 нормализованная
Расчет шпонок производят по условию прочности на смятие. Для проверки выбора используется следующая формула:
где Тк – крутящий момент на валу, Нм; d – диаметр вала, мм; h – высота шпонки, мм; l – длина шпонки, мм.
- допускаемое напряжение смятия, Нм.
9.1. Быстроходный вал
Диаметр вала со шпоночным пазом под муфту d=32 мм. В соответствие с этим подбираем шпонку с сечением bhl=10824.
Проверяем выбранную шпонку по напряжению смятия:
9.2. Промежуточный вал
Диаметр вала под коническое колесо d=50 мм. В соответствие этого выбираем шпонку с сечением bhl=14936.
Проверяем выбранную шпонку по напряжению смятия:
9.3. Тихоходный вал
Диаметр вала под цилиндрическое колесо d=67 мм. В соответствие с этим выбираем шпонку с сечением bhl=201250.
Проверяем выбранную шпонку по напряжению смятия:
Диаметр вала под шпоночным пазом для муфты d=50 мм. В соответствие с этим выбираем последнюю шпонку с сечением bhl=14950.
Проверяем выбранную шпонку по напряжениям смятия:
10. Расчет вала на выносливость
10.1. Подготовка исходных данных
Исходные данные для расчета вала на выносливость приведены в таблице 10.1. Расчетная схема промежуточного вала изображена на рис. 10.1.
Приступая к расчету, предварительно намечаем опасные сечения вала, которые подлежат расчету. При этом учитывается характер эпюр изгибающих и крутящих моментов, структурная форма вала и места концентрации напряжений.
1). Предел прочности материала принимаем равным пределу прочности материала шестерни 920 МПа.
2). Изгибающие моменты в выбранных сечениях вала рассчитывается по формуле:
г
де
- изгибающие моменты в горизонтальной и вертикальной плоскостях соответственно.
Р
ис. 10.1 Расчетная схема промежуточного вала
Сечение 1-1:
Мz=RAyL2=2997,89 Нм
My1=RAyL2=811,98 Нм
My2=RAyL2-M1=784,78 Нм.
Сечение 2-2:
Мz=RAyL4-Ft2(L4-L2)=2518,64 Нм
My1=RAyL2-Fr2(L4-L2)-M1=389,52 Нм
My2=RAyL2-Fr2(L4-L2)-M1+M2=784,78 Нм.
При построении эпюр изгибающих моментов, значения реакций в опорах берем из распечатки (табл. 8.3.).
10.2. Анализ результатов расчета
Результаты расчета показали, что прочность промежуточного вала с заданными параметрами обеспечена.
11. Смазка редуктора
Основное назначение смазки - это снижение потерь мощности на трение, снижение интенсивности износа, предохранение от заедания, задиров, коррозии, для лучшего отвода теплоты трущихся поверхностей. Для смазки принимается масляная ванна (картерная смазка). В корпус редуктора заливается масло, так чтобы венцы колес были погружены в него. При их вращении масло разбрызгивается, в результате чего внутри редуктора образуется масляный туман (взвесь частиц масла). Данный способ требует герметичных уплотнений. Смазка зубчатых колес происходит за счет погружения их в масляную ванну, также полностью должны быть погружены и зубья конического колеса. Подшипники качения смазываются брызгами масла. Для отделения подшипникового узла от общей смазочной системы, а также в целях предупреждения попадания продуктов износа в подшипник, устанавливаются мазеудерживающие кольца, вращающиеся вместе с валом. Для смазки подшипника вала конической шестерни, удаленной от масляной ванны, на фланце корпуса в плоскости разъема делают канавки, а на крышке корпуса скосы. Масло, стекая со стенок, попадает в канавки к стакану с отверстиями, а затем к подшипникам. Во избежание выброса масла и сравнивание давления создаваемого в редукторе с внешней средой, на крышке корпуса устанавливается отдушина. Для наблюдением за уровнем масла устанавливают щуп. В целях замены масла днище редуктора выполняют резьбовую пробку, через которую производят слив.
Выбор смазочного материала основан на опыте эксплуатации машин. Принцип назначения сорта масла следующий: чем выше контактное в зубьях, тем больше вязкостью должно обладать масло, и чем выше окружная скорость колеса, тем меньше должна быть вязкость масла. Поэтому требуемую вязкость масла определяют в зависимости от контактного напряжения и окружной скорости колеса.
Средняя окружная скорость тихоходного и промежуточного валов колес:
Определяем марку масла по таблице. В качестве смазки редуктора выбираем И-Г-А-68 с кинематической вязкостью 61-75 мм2/с при 40 С.
12. Выбор посадок
Назначаем посадки для конического и цилиндрического колеса.
-
коническое колесо H7/s7;
-
цилиндрическое колесо H7/r7;
-
втулки в полумуфтах H7/js6;
-
сопряжение вал – корпус H7;
-
сопряжение подшипник – вал k6;
-
наружный диаметр крышки h8;
-
уплотнительные кольца H8/r8;
-
полумуфты H7/f7 и H7/k6;
-
пазы для шпонок H7/m6.
13. Выбор муфт
Муфтой называется устройство, которое служит для соединения концов валов и передачи крутящего момента без изменения его величины и направления. Широко применяемые муфты стандартизированы. В нашем случае выбираем муфту МУВП – муфту упругую втулочно-пальцевую по ГОСТ 21424-93. Эта муфта получила распространение особенно в приводах от электродвигателя, благодаря легкости изготовления и замены резиновых элементов, компенсирующих несоосность валов.
13.1. Выбор муфты для выходного вала.
По диаметру выходного вала dв=32 мм и диаметру вала электродвигателя dэд=32 мм выбираем муфту с учетом крутящего момента Т1=29,71 (Нм):
dв=32 мм, dэд=32 мм; l=121 мм; D=140 мм.
13.2. Выбор муфты для ведомого вала.
Для ведомого вала аналогично выбираем муфту МУВП по ГОСТ 21424-93. Диаметр ведомого вала dв=50 мм, Т3=498,28 (Нм) - крутящий момент на валу:
dв=50 мм; l=170 мм; D=190 мм.
Заключение
В ходе выполнения курсового проекта был спроектирован привод ленточного транспортера, состоящий из электродвигателя 4А112МА8 мощностью 2,2 кВт, двух упругих втулочно-пальцевых муфт, двухступенчатого коническо-цилиндрического редуктора, имеющего горизонтальное расположение ведущего вала-шестерни и два перпендикулярных ему вала. Все валы установлены на радиальных подшипниках.
В процессе проектирования были решены следующие задачи: сконструированы валы, зубчатые колеса, выбраны подшипники, сконструирован корпус редуктора и проверен промежуточный вал на выносливость.
Технические характеристики привода:
- окружное усилие на барабане 2400 Н;
- скорость ленты транспортера 0,8 м/с
- частота вращения вала электродвигателя 700 об/мин.
Литература
-
Детали машин, загрузочные и транспортные устройства: Методические указания к курсовому проекту. Расчет цилиндрических конических передач на ЭВМ. - Вологда: ВПИ, 1988.- 34 с.
-
Дунаев П.Ф. Леликов О.П. Детали машин. Курсовое проектирование: Учеб. пособие для машиностроит. спец. техникумов, - 2-е изд. перераб. и доп. - Высш. шк., 1990.- 399 с., ил.
-
Иванов М.Н. Детали машин: Учеб. для студентов высш. техн. учеб. заведений. – 5-е изд., перераб. и доп. – М.:Высш. школа, 1991.- 383 с.: ил.
-
Проектирование механических передач: Учебно-справочное пособие для втузов/ Чернавский С.А. и др. – 5-е изд., перераб. и доп. – М.: Машиностроение, 1984.- 560 с., ил.
-
Курсовое проектирование деталей машин: Учеб. пособие для учащихся машиностроительных специальностей техникумов/С.А. Чернавский, К.Н. Боков, И.М. Чернин и др. – 2-е изд., перераб. и доп. – М.: Машиностроение, 1988.- 416 с.: ил.
-
Тарабасов Н.Д., Учаев П.Н. Проектирование деталей и узлов машиностроительных конструкций: Справочник. – М.: Машиностроение, 1983.- 239 с., ил.
-
Перель Л.Я. Подшипники качения: Расчёт, проектирование и обслуживание опор: Справочник. - М.: Машиностроение, 1983. – 543 с., ил.
-
Детали машин: Энергетический расчет привода на ЭВМ. Методические указания к курсовому проекту. - Вологда: ВоПИ, 1987.- 25 с.
-
Детали машин: Конструирование зубчатых и червячных колёс, шкивов и звёздочек: Методические указания к курсовому проекту. – Вологда: ВоПИ, 1998. – 19 с.
-
Детали машин: Конструирование подшипниковых узлов: Методические указания к курсовому проекту. – Вологда: ВоПИ, 1997. – 15 с.















