OS_PONAT (729191), страница 4
Текст из файла (страница 4)
3.Установка инструмента относительно оси вращения.
1.Влияние геометрических параметров инструмента.
-
и 1 - углы резца в плане главный и вспомогательный.
АВ - главное режущее лезвие.
ВС - вспомогательное режущее лезвие.
Режущие кромки сопряжены радиусом r. Высота микронеровностей H связана с шагом подачи S.
Углы и 1 в значительной степени влияют на микронеровности. С увеличением и 1 высота микронеровностей увеличивается, с уменьшением - уменьшается.
Величины и 1 влияют на силы резания. Чем меньше и 1, тем больше силы резания и наоборот. В свою очередь силы резания также влияют на микронеровности, т.к. при различных силах заготовка получает различный прогиб.
При необходимости получения точением минимальных микронеровностей нужно стремиться к тому, чтобы 0. Припуск на обработку в этом случае должен быть минимальным.
-
Влияние скорости резания.
Влияние скорости резания на чистоту поверхности связано с образованием нароста на резце. Нарост с увеличением скорости до некоторой величины увеличивается, а при дальнейшем увеличении скорости уменьшается. Скорость, при которой возникает наибольшая величина нароста, называется критической. Для сталей она равна 15-30 м/сек. Соответственно увеличению нароста на резце увеличиваются силы резания, прогибающие обрабатываемую заготовку, благодаря чему увеличивается высота микронеровностей.
При скорости V>Vкр нарост не успевает образовываться и почти не удерживается на резце.
-
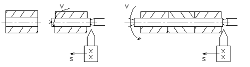
Влияние установки инструмента относительно оси вращения.
Вершина резца должна устанавливаться на оси вращения, при другом положении вершины резца увеличиваются силы резания, и ухудшается поверхность образца.
Качество поверхности устанавливается на основе ГОСТ 2789-73.
Количественно оно определяется одним из следующих параметров:
а) средним арифметическим отклонением Rа=100..0.08 мкм
б) высотой неровностей Rz=1600..0.025 мкм
Rмах=1600..0.025 мкм
S=12.5..0.002 мкм
Sn=12.5..0.002 мкм
средним арифметическим отклонением профиля Rа называется среднее арифметическое расстояний (Y1,Y2,Y3,...,Yn) точек измеренного профиля до его средней линии m-m (рис.).
Средняя линия m-m делит измеренный профиль таким образом, что в пределах базовой длины L сумма квадратов расстояний (Y1,Y2,Y3,...,Yn) точек профиля до этой линии минимальна. При определении положения средней линии допускается следующее условие: в пределах базовой длины L площади по обеим сторонам линии m-m до линии профиля равны между собой
F1+F3+...+Fn-1=F2+F4+...+Fn
Среднее арифметическое отклонения профиля Rа до средний линии суммируется без учета алгебраического знака
n
Rа=(еYi)/n
i=1
Высота неровностей Rz - это среднее расстояние между находящимися в пределах базовой длины L пятью высшими точками выступов и пятью низшими точками впадин, измеренное от линии, || -ой средней линии m-m (рис.).
Rz=(h1+h3+...+h9)+(h2+h4+...+h10)
5
Стандартом установлено 14 классов чистоты поверхности. Самый грубый класс чистоты 1й класс - 1, самый высококачественный – Ra=0,003 мкм. Шероховатость грубее 1го класса обозначается знаком
, над которым указывается высота неровностей в миикронах. Для 1го класса Rz=300 мкм и Rа=80 мкм; для 14го класса Rz=0.05 мкм и Rа=0.01 мкм. ГОСТом определяются величины для оценки микронеровностей (класса чистоты), так 6-12 классов определяются по Rа, а 1-5 и 13-14 по Rz. Это объясняется тем, что при определении чистоты пользуются различными приборами, дающими в зависимости от измеряемых величин различную погрешность. Приборы позволяют записать в увеличенном масштабе профиль поверхности - профилограмму поверхности. Для определения микронеровностей применяют контактные приборы (оптико-механические профилографы, электродинамические, пьезоэлектрические и индуктивные профилографы) и бесконтактные (интерференционные, двойные, микроскопы, микроскопы сравнения) приборы.
При проектировании технологических процессов следует пользоваться соответствующими материалами, в которых указан класс чистоты поверхности в зависимости от служебного назначения детали, и данными о том, какая чистота поверхности может быть получена при применении того или иного вида и режима обработки.
1.9. Производительность и экономичность
механической обработки.
Производительность труда.
Производительность труда определяется количеством продукции, изготовляемой рабочим в единицу времени.
N=Ф/Т
N - количество изделий, изготовляемых рабочим в рассматриваемый период времени.
Ф - номинальный фонд времени в тот же период.
Т - время изготовления одного изделия (норма штучного времени).
Технологически обоснованная норма времени.
Нормой штучного времени называют время, необходимое для изготовления данной детали, с учетом технико- экономических показателей данного предприятия, возможностей оборудования и применения передовых методов труда.
Технологичность изделия (ГОСТ 14.205-83 (СТ СЭВ 2063-79)) - это совокупность свойств конструкции изделия, определяющих ее приспособленность к достижению оптимальных затрат при производстве, эксплуатации и ремонте для заданных показателей качества, объема выпуска и условий выполнения работ.
Норма штучного времени складывается из 4х основных частей:
Тшт=То+Твсп+Торг-тех +Тпер
-
То - основное технологическое время (время, необходимое для формоизготовления заготовки).
Пример.
То=L [мин]
n*S
n=1000*V [об/мин]
*d
-
мм,S - мм - путь и шаг подачи инструмента.
-
Твсп - вспомогательное время - время для выполнения различных приемов во время технологического процесса; время на подвод и отвод инструмента, включение и выключение станка, поворот револьверной головки, смену инструмента.
-
Торг-тех - организационно-техническое время - время на подготовку к выполнению операции: ознакомление с чертежом, режущим инструментом, технологией, время на смазку станка, регулировку инструмента и т.п.
-
Тпер - время перерывов: на отдых и естественные неоюходимости.
Сумма основного и вспомогательного времени составляет оперативное время:
То+Твсп= Топер
Время Торг-тех +Тпер составляет 10..12% от Топер.
Торг-тех +Тпер= (0.10..0.12) * Топер.
При серийном производстве изготовление деталей производится партиями. Поэтому в серийном производстве оценка времени происходит не по штучному времени, а по штучно-калькуляционному времени:
Тшт.кальк. =Тшт +Тп.з.
n
Тп.з. - подготовительно-заключительное время (установка соответствующих приспособлений, нового инструмента, переналадка оборудования) оно всегда стремится к партии деталей n.
Пути повышения производительности.
Анализируя формулу производительности труда N=Ф/Т
можно установить, что повышение производительности можно достигнуть за счет уменьшения нормы штучного времени и за счет более полного использования фонда рабочего времени.
1)Одним из наиболее распространенных способов увеличения производительности труда является уменьшение основного технологического времени. Это может быть достигнуто 2 способами:
а) увеличением скорости резания V;
б) увеличением скорости подачи S.
Увеличение скорости резания не всегда возможно из-за возможного быстрого износа инструмента и наростообразования, что связано с деформированием поверхностного слоя установки и качеством поверхности.
Увеличение скорости подачи связано с качеством поверхности. В каждом случае увеличение скорости резания и подачи должно экономически оправдываться.
2) Возможный путь повышения производительности труда - сокращение вспомогательного времени. Это можно осуществить за счет автоматизации и механизации, ||-ой обработки нескольких изделий одновременно или ||-последовательной обработки.
Твсп может быть уменьшено при последовательной обработке за счет использования одной и той же заготовки.
-
Сокращение Торг-тех возможно за счет повышения общей культуры производства и квалификации рабочих.
-
Повышение производительности труда за счет Тпер (отдых, естественные нужды) невозможно. Однако в значительной мере зависит от индивидуальных качеств рабочего.
-
Основным направлением сокращения Тп.з. является применение групповых методов. Сущность заключается в том, что детали объединяются в группы по определенным признакам (например группа втулок); для группы разрабатывается комплексная деталь, заключающая в себе все элементы деталей группы; по комплексной детали производится настройка станков (т.е. станок имеет все инструменты для обработки комплексной детали). Настройка же на определенную деталь группы производится подналадкой станка.
Группа деталей Комплексная деталь
Применение группового метода позволяет сократить подготовительно-заключительное время в несколько раз.
Экономический анализ технологических процессов
При разработке конструкций изделий и проектировании технологических процессов необходимо создавать условия для быстрейшего освоения и обеспечения высоких эксплуатационных качеств изделий. При возможности изготовления по нескольким технологическим вариантам нужно уметь выбрать тот вариант, который обеспечивает меньшую себестоимость изготовления.
Структура себестоимости детали.
Технологическая себестоимость - есть та часть полной себестоимости, которая зависит от выбранного варианта технологического процесса.
Технологическая себестоимость единичной детали равна:
С1=А+В , где А - текущие затраты на одну деталь
Nгод В - единовременные затраты на годовую программу;
Nгод - годовая программа выпуска деталей (задана).
Величины А и В определяются из следующих выражений:
A=m+ Lш +P
B=Lп.з. +i*k,
где
m - затраты на основные материалы и технологическое топливо (с учетом суммы, возвращеной заводу при утилизации отходов);
Lш - прямая зарплата производственных рабочих;
P - расходы, связанные с эксплуатацией оборудования, нормальных приспособлей и инструмента;
Lп.з. - зарплата наладчиков оборудования;
i - стоимость специальных инструментов и приспособлений, необходимых для выполнения годовой программы;
k - коэффициент амортизации, учитывающий срок службы оснастки и расходы, связанные с ее эксплуатацией.
Затраты на основные материалы определяются формулой:
m=Cm * qm - Co*qo,
где Cm - стоимость материала;
qm - норма расхода материала на деталь;
Co - стоимость отходов;
qo - масса всех отходов.
Зарплата рабочих:
n
Lш = Tш * S * (1+H1/100)
1 60
где Tш - норма штучного времени;
S - часовая тарифная ставка по данной квалификации и профессии;
n - число операций;
H1 - начисления на зарплату основных производственных рабочих.














