146013 (729071), страница 2
Текст из файла (страница 2)
1- Распределение мышьяка в эмиттерной области после диффузии;
2- Распределение бора в базовой области после диффукзии;
3- Концентрация примеси в коллекторе
Рисунок 1-Профиль распределения примесей в эмиттере и базе
Рисунок 2- Суммарное распределение примесей эмиттера и базы
2 Расчет слоевых сопротивлений биполярного транзистора
Слоевые сопротивления для базовой и эмиттерной областей рассчитываем по следующей формуле:
где q = 1.6ּ10 -19 Кл – заряд электрона;
N(x,t) – распределение примеси в данной области транзисторной структуры;
μ(N(x,t)) – зависимость подвижности от концентрации примеси.
Зависимость подвижности от концентрации примеси определяется по формулам:
(10)
(11)
Таким образом, слоевое сопротивление эмиттера рассчитываем по формуле:
где NЭМ(x,t) – распределение примеси в эмиттере рассчитанное по формуле 5.
Теперь произведём расчёт слоевого сопротивления базы по формуле:
где NБАЗ(x,t) – распределение бора в базовой области рассчитанное по формуле 1.
Для расчёта слоевых сопротивлений воспользуемся пакетом программ Mathcad 5.0 Plus, в результате расчёта получили следующие значения слоевых сопротивлений:
Произведём также расчёт слоевых сопротивлений для двух крайних значений, определённых с точностью поддержания температур при легировании области эмиттера Т=±1,5°С. В результате расчётов получим следующие значения слоевых сопротивлений:
при Т = 1101,5°С
= 6.07 Ом/кв.
при Т = 1098,5°С
= 7.37 Ом/кв.
Затем с помощью программы Biptran рассчитаем параметры моделей транзисторов при номинальной температуре и для двух крайних значений, определённых с точностью поддержания температур при легировании области эмиттера Т=±1,5°С.
В результате расчётов получаем следующие модели транзисторов (см. Приложение ).
3 Расчет основных параметров инвертора
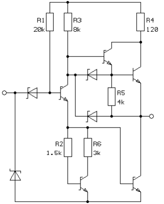
Схема инвертора представлена на рисунке 3.
Рисунок 3-Схема инвертора
В данной курсовой работе необходимо определить следующие параметры инвертора:
-
напряжение логических уровней;
-
пороговое напряжение;
-
времена задержки;
-
помехоустойчивость схемы;
-
среднюю потребляемую мощность.
Прежде чем приступить к расчету основных параметров инвертора, учтем влияние технологического процесса на номиналы резисторов. В данной работе мы будем выполнять высокоомные резисторы на основе базового слоя, а низкоомные на основе эмиттерного слоя, то естественно, что изменение температуры будет сказываться на номиналах резисторов.
Это связано с тем, как было описано выше, слоевое сопротивление изменяется с изменением температуры. Учитывая все выше сказанное и выражение:
где: l,b – геометрические размеры резисторов.
Тогда:
где: R’ – сопротивление с учетом температуры.
Таблица 4 – Сопротивления резисторов при различных температурах
| R, Ом | Т=1100 0С | Т=1101,5 0С | Т=1098,5 0С |
R1 | 20ּ103 | 19.8ּ103 | 20.20ּ103 |
| R2 | 1.5ּ103 | 1.48ּ103 | 1.51ּ103 |
| R3 | 8ּ103 | 7.98ּ103 | 8.08ּ103 |
| R4 | 120 | 101.7 | 123.52 |
| R5 | 3ּ103 | 2.97ּ103 | 3.03ּ103 |
При сравнении номиналов резисторов можно сделать вывод, что при увеличении температуры номиналы резисторов уменьшаются, а при уменбшении-увеличиваются.
Напряжение логических уровней определяем по передаточной характеристики ТТЛШ – инвентора, построенной при помощи пакета программ Pspice, которая представленаа в Приложении .
Напряжения логических нулей равны:
U° =B;
U' =B.
Для того, чтобы найти пороговое напряжения необходимо продифференцировать
, тогда в соответствии с Приложением :
U°пор = 0.5B,
U'пор = 1.73B.
Зная напряжения логических уровней и пороговые напряжения, можно определить помехоустойчивость схемы:
Uпом = min(U0пом,U1пом)
U0пом = U0пор – U0
U1пом = U1 – U1пор
U0пом = В
U1пом
Uпом = В
Время задержки легко определить, сравнением входного и выходного импульсов (Приложение ) = В
Средняя потребляемая мощность определяется из графика в Приложении 10:
Таким образом, получим потребляемую мощность:
При расчёте выяснилось что у схемы маленькая помехоустойчивость. В связи с этим рекомендуется уменьшить сопротивление коллекторов у выходных транзисторов схемы (Q4 и Q5).
Это приведёт к уменьшению напряжения логического нуля, что в свою очередь приведёт к повышению помехоустойчивости схемы.
Заключение
В ходе данной работы было произведено сквозное проектирование ТТЛШ – инвертора. В результате были рассчитаны параметры биполярного транзистора. Профили распределения примесей в биполярной структуре представлены на графиках в Приложениях 1,2,3, а модели транзисторов в Приложении 6.
Кроме того мы рассчитали такие параметры ТТЛШ – инвертора, как напряжение логических уровней, пороговые напряжения, помехоустойчивость схемы, время задержки, среднюю потребляемую мощность. Результаты расчётов представлены в пункте 3 и приложениях 7,8,9,10. Полученные результаты удовлетворяют требованиям ТТЛШ – микросхем.
Расчёты представленные в этой работе являются приближёнными, так как для более точных расчётов необходимы более мощные средства автоматического проектирования.
В ходе работы мы пренебрегли процессами сегрегации примеси при окислении, а также зависимостью коэффициента диффузии от концентрации.
В результате работы мы получим математическую модель технологического процесса ТТЛШ –инвертора.
Список используемой литературы
1 Курносов А.И., Юдин В.В. Технология производства полупроводниковых приборов.- Москва.: Высшая школа, 1974. – 400с.: ил.
2 Черняев В.Н. Физико-химические процессы в технологии РЭА: Учебное пособие для вузов.- Москва.: Высшая школа, 1982. 224 с.: ил.
3 Матсон Э.А. Крыжановский Д.В. Справочное пособие по конструированию микросхем. –Мн.: Высшая школа, 1983. –271 с.: ил.
4 Коледов Л.А. Конструирование и технология микросхем. курсовое проектирование: Учебное пособие для вузов.- Москва.: Высшая школа, 1984. –231с.: ил.















