teploteh (729034), страница 3
Текст из файла (страница 3)
О
тсчетные устройства приборов. На рис. 4 показано отсчетное устройство аналогового прибора.
Деление шкалы – промежуток l между двумя соседними отметками шкалы. Длина деления шкалы – расстояние между осями двух соседних отметок. Цена деления шкалы – разность значений величины, соответствующих двум соседним отметкам шкалы.
Шкалы бывают равномерными и неравномерными. Равномерная шкала в отличие от неравномерной – шкала с делениями постоянной длины и с постоянной ценой деления.
Отсчетом называется число, определенное по отсчетному устройству.
Показание прибора – значение величины, определяемое по отсчетному устройству и выраженное в принятых единицах этой величины.
В многопредельных приборах, где одна и та же шкала используется для на разных пределах измерения, показание прибора равно отсчету, умноженному на цену деления для соответствующего предела измерения. В некоторых случаях показание определяется с помощью отсчета, по прилагаемой к прибору градуированной характеристике – зависимости между отсчетом и значением величины на входе прибора, представленной в виде таблицы, графика или формулы.
Диапазон показаний (ДП) – область значений шкалы, ограниченная конечным (наибольшим) и начальным (наименьшим) значениями физической величины, указанными на шкале.
Диапазон измерений (ДИ) – область значений измеряемой величины, для которой нормирована погрешность средства измерений.
Предел измерений – наибольшее или наименьшее значение диапазона измерений. Диапазон показаний и диапазон измерений могут не совпадать (см. рис. 4).
Отсчетное устройство цифрового прибора характеризуется числом десятичных разрядов и ценой (деления) единицы младшего разряда, которая, очевидно, не может быть меньше шага квантования. Цифровое отсчетное устройство эквивалентно равномерной шкале, так как одинаковому цифрового кода соответствует одинаковое приращение показаний. Поэтому наличие нелинейности преобразования измеряемой величины в код приводит к погрешности цифрового прибора. Соответственно к преобразователям цифровых приборов предъявляется требование высокой линейности. В то же время в аналоговом приборе нелинейная зависимость перемещения указателя от изменения измеряемой величины может быть учтена введением соответствующей нелинейности (неравномерности) шкалы.
Параметры входного и выходного сигналов СИ, влияющие величины, функции влияния.
Входной и выходной сигналы СИ характеризуются информативными и неинформативными параметрами. Информативный параметр входного сигнала является самой измеряемой величиной или величиной, функционально связанной с измеряемой. Неинформативный параметр не связан функционально с измеряемой величиной, но влияет на метрологические характеристики СИ (в частности, на погрешность). Например. При измерении амплитуды напряжения информативным параметром является амплитуда сигнала, а неинформативным – его частота. Выходной сигнал преобразователя также может быть охарактеризован информативными и неинформативными параметрами.
На метрологические характеристики СИ сильно влияют внешние физические воздействия (климатические, механические, электромагнитные) и изменения параметров источников питания – влияющие величины.
По условиям применения СИ, различают нормальные и рабочие условия. Они отличаются диапазоном изменения неинформативных параметров входного сигнала и влияющих величин.
Нормальными называются условия, для которых нормируется основная погрешность СИ. При этом влияющие величины и неинформативные параметры входного сигнала имеют нормальные значения. Например, для генератора определенного типа установлены нормальные температурные условия +10..+35 С. В этом температурном диапазоне гарантируется основная погрешность прибора, указанная в его паспорте. Но прибор может работать и в более широком диапазоне температур, например, от 0 до +40 С. Этот диапазон называется рабочим. Для нормальных условий нормируется основная погрешность СИ, для рабочих – дополнительная.
Условия эксплуатации СИ оговаривают в соответствующих стандартах и делят на группы, различающиеся значениями влияющих величин.
Функция влияния – зависимость изменения метрологической характеристики СИ от изменения влияющей величины или неинформативного параметра входного сигнала в пределах рабочих условий эксплуатации. Функция влияния может нормироваться в виде формулы, графика или таблицы.
Наряду с условиями применения для всех СИ задаются предельные условия транспортирования и хранения, не изменяющие метрологические свойства СИ после его возвращения в рабочие условия.
Характеристики преобразования. Быстродействие СИ.
Статическая характеристика преобразования – связь, выражающая зависимость информативного параметра выходного сигнала от постоянного информативного параметра входного сигнала. Ее можно представить в аналитическом виде, графическом или табличном. В аналитическом виде характеристика преобразования - уравнения y=F(x), которое может быть может быть линейным (рис. 5-а.) или нелинейным (рис. 5-б., 5-в.).
З
аметим, что для прибора, шкала которого проградуирована в значениях измеряемой величины, всегда y=x и графическая характеристика преобразования представляет прямую линию под углом 45 градусов относительно оси х. В то же время угол отклонения указателя аналогового отсчетного устройства этого прибора при наличии нелинейных преобразователей (например, в квадратичном вольтметре) будет нелинейной функцией х. В цифровых приборах из-за квантования сигнала характеристика преобразователя является ступенчатой функцией (рис. 6-г.), определяемой выражением у=nx, где у – показания прибора,x – шаг квантования, n – цифровой код измеряемой величины х. При нелинейных преобразователях необходимо линеаризовать характеристики преобразования прибора. В аналоговых приборах для этого используют шкалу с соответствующей неравномерностью. В цифровых приборах отсчетное устройство эквивалентно равномерной шкале. Для линеаризации характеристики преобразования необходимо в прибор вводить аналоговые линеаризирующие преобразователи либо вычислительные средства, выполняющие необходимое преобразование цифрового кода.
Динамические характеристики СИ определяют инерционные свойства СИ и представляют собой зависимость информативного параметра выходного сигнала от меняющихся во времени параметров входного сигнала. К числу динамических характеристик относятся : импульсная g(t), является реакцией преобразователя на дельта – функцию (t); переходная h(t) – реакция на единичный ступенчатый сигнал; дифференциальное уравнение СИ; передаточная функция, является отношением операторных изображений выходной величины к входной К(р) = y(p)/x(p); амплитудно-частотная и фазо-частотная.
Динамические свойства СИ характеризуются также быстродействием – скоростью и временем измерения (временем установления показаний). Скорость измерения (преобразования) определяется максимальным числом измерений (преобразований) в единицу времени, выполняемых с нормированной погрешностью. Время измерения (преобразования) – время, прошедшее с момента начала измерения (преобразования) до получения результата с нормированной погрешностью.
Чувствительность, порог чувствительности, разрешающая способность СИ.
Ч
увствительностью СИ называется отношение изменения выходной величины (информативного параметра) к вызывающему его изменению входной величины (информативного параметра входного сигнала). Различают абсолютную и относительную чувствительность. Абсолютная чувствительность равна производной от характеристики преобразования СИ : S = dy/dx = x/y . Приближенное равенство для определения чувствительности через конечные приращения х и у используется при экспериментальном определении чувствительности. Для линейных СИ (y=kx) чувствительность постоянна S=k и может быть определена как S=x/y (рис. 6-а.) для нелинейных чувствительность зависит от входного сигнала (рис. 6-б и 6-в.).
Для показывающих приборов признаком линейности или нелинейности характеристики преобразования является равномерность или неравномерность шкалы. В ряде случаев (например, в электрических мостах) для характеристики чувствительности используется относительная чувствительность S= y/(x/x), где x/x – относительное изменение входной величины. Наименьшее значение входной величины, которое можно обнаружить с помощью данного СИ, называется его порогом чувствительности.
Разрешающей способностью СИ называется наименьшее различаемое с помощью данного СИ изменение измеряемой величины, или наименьшее различимое отличие друг от друга двух одноименных величин. Порог чувствительности и разрешающая способность имеют размерность измеряемой величины и обычно определяются уровнем его внутренних шумов и нестабильностью элементов. У цифровых приборов порог чувствительности и разрешающая способность, как правило, равны цене единицы младшего разряда.
Погрешность средств измерений.
Погрешность прибора характеризует отличие его показаний от истинного или действительного значения измеряемой величины. Погрешность преобразователя определяется отличием номинальной (т.е. приписываемой преобразователю) характеристики преобразования или коэффициента преобразования от их истинного значения.
Погрешность меры характеризует отличие номинального значения меры от истинного значения воспроизводимой ею величины.
Точность СИ – качество, отражающее близость к нулю его погрешности. Например, при погрешности прибора =10-4 (0,01 %) точность – 104. Возникновение погрешности СИ объясняется рядом причин, в том числе приближенным расчетом характеристик, отличием параметров элементов и узлов прибора от требуемых расчетных значений, старением элементов и узлов, паразитными параметрами элементов, внутренними шумами, изменением влияющих величин и неинформативных параметров входного сигнала и др. Погрешности СИ оцениваются при его поверке.
Поверка СИ – определение метрологической организацией погрешностей СИ и установление его пригодности к применению. Поскольку погрешность во времени может изменяться, поверку проводят с определенной периодичностью.
По способу выражения различают погрешности :
-
абсолютная погрешность прибора – разность между показаниями прибора xп и истинным значением измеряемой величины x : = xп – x.
-
относительная погрешность прибора – отношение абсолютной погрешности прибора к истинному (действительному) значению измеряемой величины : = /x или в процентах = 100/x, где если x >> , то вместо x с достаточной степенью точности можно использовать xп .
-
приведенная погрешность прибора – отношение в процентах абсолютной погрешности прибора к нормирующему значению : = 100/xнорм.
В соответствии с ГОСТ 8.401-80 xнорм принимается равным :
-
большему из пределов измерений или большему из модулей пределов измерений для СИ с равномерной или степенной шкалой, если нулевая отметка находится на краю или вне диапазона измерений;
-
арифметической сумме модулей пределов измерений, если нулевая отметка находится внутри диапазона измерений;
-
установленному номинальному значению для СИ с установленным номинальным значением измеряемой величины.
-
Всей длине шкалы для приборов с существенно неравномерной шкалой, при этом абсолютные погрешности также выражают в единицах длины.
Во всех остальных случаях нормирующее значение устанавливается стандартами для соответствующих видов СИ.
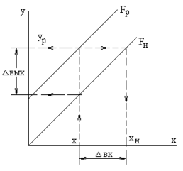
Для преобразователей определение абсолютных и относительных погрешностей несколько сложнее. Они определяются по входу вх и выходу вых и характеризуют отличие реальной характеристики преобразования yp = Fp(x) от номинальной yн=Fн(x). (см. рис. 7.)
Д
ля оценки погрешности по выходу находят значения yр и yн при заданной величине x. Тогда вых = yр- yн , а относительная погрешность = вых/yр. По входу вх = xн- x; где xн =Fн-1(yр) определяется через значение yр и функцию, обратную Fн , т.е. xн – такое значение x, которое при номинальной характеристики дало бы на входе значение yр; =вх/x – относительная погрешность.
Уже отмечалось, что в зависимости от условий применения СИ погрешности делятся на основную (при нормальных условиях) и дополнительную (при рабочих условиях).
В зависимости от поведения измеряемой величины во времени различают статическую и динамическую погрешности, а также погрешность в динамическом режиме.
Статическая погрешность СИ (ст) – погрешность СИ, используемого для измерения постоянной величины (например, амплитуды периодического сигнала). Погрешность в динамическом режиме (дин.р.) – погрешность СИ, используемого для измерения переменной во времени величины.















