referat (728897), страница 2
Текст из файла (страница 2)
Сотрудниками Уральского политехнического института и УралНИИчер-мета предложен способ прокатки рельсов на КМК с применением двух универсальных и двухвалковой клети (см. рис. 13.2, способ 1а), отличающийся тем, что в 4-х валковой клети приняты вертикальные валки одинакового диаметра как со стороны головки, так и подошвы рельса [14, 15]. Результаты этих работ были использованы в ПО "Уралмаш" при проектировании конструкции рабочих клетей для прокатки рельсов.
К рельсам, предназначенным для скоростного совмещенного движения, предъявляются повышенные требования по продольной прямолинейности, в частности, отклонения поверхности катания головки рельса в вертикальной плоскости не должны превышать 0,3 мм на базовой длине 1,5 м. Такая прямолинейность, как показывает практика зарубежных заводов, достигается с использованием как универсальных, так и двухвалковых калибров.
В последние годы ГНЦ РФ ОАО "УЙМ", КМК и ВНИИЖТ выполнили комплекс работ, в результате которых были внедрены мероприятия по термической правке рельсов во время отпуска [16] и после него, усовершенствованы технология [17] и схема правки, организован контроль прямолинейности рельсов с помощью устройства "Элекон", что позволило существенно повысить прямолинейность рельсов. В настоящее время на КМК до 80 % рельсов в потоке отвечают повышенным требованиям по прямолинейности, и разработаны мероприятия по повышению этой доли до 100 %. Поэтому, с точки зрения достижения повышенной прямолинейности рельсов, для реконструкции РБЦ НТМК правомочны предложения по прокатке рельсов с применением как универсальных, так и двухвалковых клетей.
13.2.2. Технологические схемы прокатки рельсов Р65 с применением универсальных клетей
Предложение УГТУ-УПИ
Для прокатки рельсов Р65 с применением универсальных клетей предложено четыре варианта размещения рабочих клетей (рис. 13.4-13.8). Ориенти-' ровочная схема прокатки рельсов по этим вариантам приведена на рис. 13.9, а в таблице 13.1 - ориентировочный режим деформации по проходам.
При выборе схемы прокатки приняли в 4-х валковой реверсивной универсальной клети УК1 2 прохода с общим коэффициентом вытяжки 1,537, а в чистовой клети УК2 - 1,06. Такие коэффициенты вытяжки в универсальных клетях обеспечат получение требуемой геометрии рельсов и повышенных механических свойств. В условиях РБЦ НТМК установить еще одну 4-х валковую универсальную клеть с целью увеличения прямого обжатия головки и подошвы рельса не представляется возможным.
Предлагаемые варианты размещения рабочих клетей предусматривают возможность прокатки как рельсов, так и профилей действующего сортамента.
По всем вариантам прокатка в обжимной реверсивной клети 950 производится за 5 проходов в ящичных и разрезных калибрах. Рассмотрим прокатку в последующих клетях.
ВАРИАНТ! (рис. 13.4)
а) Прокатка рельсов. Клеть дуо 850 убирается. Устанавливаются универсальная четырехвалковая клеть УК1 и универсальная трехвалковая клеть УК2. В клети трио 800-1 дается 4 прохода (рис. 13.9), клеть трио 800-2 используется как вспомогательная: 1-й проход дается в открытом контрольном калибре на нижнем горизонте. Далее в реверсивной клети УК1 дается 2 прохода, затем один проход в клети 800-2 на верхнем горизонте в открытом контрольном калибре (в этом случае можно иметь ширину калибра 180 мм). Применение в клети 800-2 различных калибров по ширине позволяет осуществлять более точный контроль профиля.
Заканчивается прокатка в клети УК2, которая может быть установлена или на место существующей клети дуо 850 (с использованием существующего привода) или рядом. За клетью УК1 необходимо установить рольганг длиной ~ 50 м. Привод клети УК1 осуществляется от электродвигателя, установленного в становом пролете на месте существующего стенда для перевалки валков.
По этому варианту возможна замена клетей трио 800 на реверсивные жесткие двухвалковые клети 800.
Рис. 13.4. Схема расположения оборудования по варианту реконструкции 1
4650 E! E1
9000
Рис.13.5. Схема расположения оборудования по варианту реконструкции 2
Рис. 13.6. Схема расположения оборудования по варианту реконструкции 3
4350
Рис. 13.7. Схема расположения оборудования по варианту реконструкции 4
Рис. 13.8. Схема прокатки при расположении оборудования по варианту
реконструкции 4
Рис. 13.9. Схема прокатки рельсов Р65 по вариантам 1 - 4
Таблица 13.1
Ориентировочный режим деформации при прокатке рельсов Р65 после проведения реконструкции по вариантам 1 - 4.
| '№ прох. | Клеть | Площадь поперечного сечения, мм2 | Коэффициент вытяжки | Длина раската, м | Размеры сечения, мм | |||
| Н | В | h | d | |||||
| Заготовка | 106630 | 4,4 | 300 | 360 | ||||
| 1 | 950 | 89290 | 1,194 | 5,3 | 245 | 370 | ||
| 2 | 950 | 67370 | 1,325 | 7,0 | 180 | 380 | ||
| 3 | 950 | 54400 | 1,328 | 8,6 | 310 | 200 | ||
| 4 | 950 | 35600 | 1,528 | 13,2 | 115 | 330 | ||
| 5 | 950 | 30400 | 1,171 | 15,4 | 270 | 135 | ||
| 6 | 800-1 | 29600 | 1,027 | 15,8 | 250 | 200 | ||
| 7 | 800-1 | 25000 | 1,184 | 18,7 | 205 | 230 | ||
| 8 | 800-1 | 19230 | 1,300 | 24,4 | 167 | 210 | 100 | 51 |
| 9 | 800-1 | 15020 | 1,280 | 31,2 | 158 | 212 | 88 | 38 |
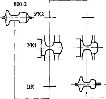
| 10 | 800-2 | 14170 | 1,060 | 33,1 | 152 | 213 | 85 | 36 |
| 11 | УК1 | 11160 | 1,270 | 42,1 | 154 | 192 | 86 | 26 |
| 12 | УК1 | 9222 | 1,210 | 50,9 | 157 | 180 | 88 | 20,5 |
| 13 | 800-2 или ВК | 8997 | 1,025 | 52,2 | 151 | 180 | 84 | 20,5 |
| 14 | УК2 | 8488 | 1,060 | 55,3 | 152,6 | 182,5 | 76,6 | 18 |
Примечание: УК1 - 4-х валковая универсальная клеть, УК2 - 3-х валковая универсальная клеть, ВК - вспомогательная клеть дуо;
Н и В - габаритные размеры поперечного сечения раската, h - толщина головки профиля, d - толщина шейки профиля.
б) Прокатка профилей действующего сортамента. Устанавливаются клети трио 800 и клеть дуо 850, а клеть УК2 убирается. Далее прокатка производится по существующей в настоящее время технологии. При замене клетей трио 800 на реверсивные клети дуо 800 невозможна прокатка сдвоенных полособульбовых профилей 30810 и 30812, ПБ-615, ПБ-1979, Z-310.
Достоинства 1-го варианта.
1) Универсальная клеть УК1 не мешает прокатке профилей действующего сортамента, ее необходимо убирать только при замене валков.
2) Отпадает необходимость изготовления вспомогательной клети ВК, так как ее роль выполняет клеть трио 800-2.
Недостатки 1-го варианта.
1) Электродвигатель клети УК1 устанавливается на месте существующего стенда для замены валков, поэтому перевалочный стенд для клетей трио 800 необходимо разместить на другом месте.
2) Необходимо изыскать место для размещения машинного помещения электродвигателя клети УК1 и место для размещения перевалочного стенда универсальных клетей.
ВАРИАНТ 2 (рис. 13.5)
а) Прокатка рельсов. Клети трио 800 заменяются на реверсивные клети дуо 800. Устанавливается клеть УК1 взамен клети дуо 800-2, а также клети ВК и УК2. Клеть дуо 850 убирается. Прокатка призводится в той же последовательности, что и по варианту 1.
б) Прокатка профилей действующего сортамента. Устанавливается клеть дуо 850 и реверсивная клеть 800-2 взамен клети УК1. Клети 800-1 и 800-2 приводятся от одного электродвигателя или от отдельных электродвигателей (клеть 800-2 приводится от электродвигателя клети УК1). Убираются также клети ВК и УК2. Клети ВК и дуо 850 одинаковой конструкции и взаимозаменяемые.
Достоинства 2-го варианта:
все клети располагаются в районе линии 800 вдали от пил горячей резки.
Недостатки 2-го варианта.
1) Исключается установка существующих клетей трио 800 для прокатки профилей действующего сортамента, так как клеть ВК устанавливается на месте размещения подъемно-качающегося стола клети 800-2.
2) Открытый калибр в клети ВК используется при прокатке дважды - до и после прокатки в клети УК1. При повторной прокатке ширина раската 180 мм меньше ширины калибра 213 мм, за счет чего не будет обрабатываться боковая поверхность головки и подошвы. На некоторых зарубежных станах на валках клети ВК нарезаются два калибра разной ширины, причем при обратном движении раската клеть ВК смещается по направляющим так, что напротив калибра клети УК1 оказывается более узкий калибр (в рассматриваемом случае калибр шириной 180 мм).















