145876 (728894), страница 2
Текст из файла (страница 2)
D1ЦВД = Dосн. - 6 .D; D1ЦВД0 = Dосн.0 - 60 .D0;
D1С = D1ЦВД - С1 .D; D1С0 = D1ЦВД0 - С10 .D0;
D2ЦВД = D1С - 5 .D; D2ЦВД0 = D1С0 - 50 .D0;
D3ЦВД = D2ЦВД - Д .D; D3ЦВД0 = D2ЦВД0 - Д0 .D0;
D4ЦВД = D3ЦВД - 4 .D; D4ЦВД0 = D3ЦВД0 - 40 .D0;
DС2 = D4ЦВД + Dдоп. - С2 .D; DС20 = D4ЦВД0 - С20 .D0;
D5ЦНД = DС2 - 3 .D; D5ЦНД0 = DС20 - 30 .D0;
D6ЦНД = D5ЦНД - 2 .D; D6ЦНД = D5ЦНД - 2 .D0;
Энтальпию расширенного пара в точке входа его в основную линию найдём по формуле для энтальпий смеси:
Используя формулу Стодолы, найдём давления на частичном режиме:
P0’ = P00 . 0,95 = 6,87 . 0,95 = 6,53 МПа;
Расчет температуры пара за промперегревателем произведём исходя из уравнения теплового баланса в промперегревателе:
K(DC2).t= DC2. (tПП – ts(PС2)),
где K(DC2) – коэффициент теплопроводности для ПП; t – среднелогарифмический перепад температур в ПП; DC2 – расход пара на ПП; ts(PС2) – температура пара на входе в ПП; tПП – температура пара на выходе из ПП.
Коэффициент теплопередачи найдём по формуле:
Найдем среднелогарифмический перепад температур при номинальном режиме:
Запишем уравнение теплового баланса в ПП для случаев без вспомогательной турбины и после ее установки. Поделив одно уравнение на другое, получим следующее равенство:
Разрешив это равенство относительно tПП мы найдём температуру пара за ПП после установки вспомогательной турбины. В результате вычислений получим:
tПП = 248,2, оС.
Расчет давлений в подогревателях произведём исходя из формулы Стодолы для частичных режимов:
Для расчета температур на выходе регенеративных подогревателей воспользуемся формулой для среднелогарифмического перепада температур и выразим температуру на выходе элемента как функцию температуры насыщения при заданном давлении в подогревателе, температуры рабочего тела на входе в элемент, коэффициента теплопередачи рабочей поверхности подогревателя, её площади и расхода рабочего тела:
Коэффициент теплопередачи определим как функцию от расхода через подогреватель:
Подставляя значения термодинамических величин для соответствующих элементов регенеративного подогрева функцию температуры на выходе, найдём температуры на выходе каждого элемента.
tПВД5 = ТВЫХ(Р2’, ts(PД), K(D), 2560, D) = 210,7 оС;
tПВД6 = ТВЫХ(Р1’, tПВД5, K(D), 2560, D) = 231,2 оС;
tОК1 = ТВЫХ(Р7’, ts(PК) + 7, K(D), 990.2, (1 - ПП - 6 - 5 - 4 - Д - С1 - С2 - 3 - 2).D) = 79,0 оС;
tОК2 = ТВЫХ(Р6’, tОК1, K(D), 1145, (1 - ПП - 6 - 5 - 4 - Д - С1 - С2 - 3 - 2).D) = 95,7 оС;
tОК3 = ТВЫХ(Р5’, tОК2, K(D), 1766, (1 - ПП - 6 - 5 - 4 - Д - С1 - С2).D) =
= 118,7 оС;
tОК4 = ТВЫХ(Р4’, tОК3, K(D), 2091, (1 - ПП - 6 - 5 - 4 - Д - С1 - С2).D) =
= 146,0 оС.
Далее рассчитываем технологическую схему непосредственно. Для этого берём начальные данные в соответствии с полученным процессом расширения пара в hs-диаграмме, записываем систему уравнений для относительных расходов в контуре и находим её решение методом последовательных итераций:
а = 0,8;
а = 1 - ПП - 6 - 5 - Д - 4 - С1;
ОК = 1 - ПП - 6 - 5 - 4 - Д - С1 - С2;
После пяти шагов итераций получены следующие результаты:
а = 0,659 – относительный расход через основной паропровод перед точкой включения обводной турбины.
ПП = 0,098;
С1 = 0,065;
6 = 0,052;
5 = 0,027;
Д = 0,07;
4 = 0,029;
ОК = 0,623;
С2 = 0,037;
ts(PД) = 195;
Для нахождения 3 и 2 воспользуемся методом последовательных итераций для уравнений теплового баланса регенеративных подогревателей ПНД-2, ПНД-3:
В результате вычислений получены следующие значения:
3 = 0,026;
2 = 0,017;
Подставляя полученные значения в исходные данные, и проводя расчеты повторно до тех пор, пока окончательные результаты будут мало отличаться от исходных данных, мы получим истинные значения для термодинамических величин в точках технологической схемы на новом режиме работы. В этом состоит суть метода последовательных итераций. Приведенные расчетом результаты являются окончательными.
Зная относительные расходы через элементы технологической схемы, и термодинамические величины в точках схемы, мы можем найти мощность ПТУ с учетом внесенных изменений, а также экономический показатель работы энергоблока – КПД брутто.
NЦВД = D.[(1 - ПП - ДОП).(h0 – h1) + (1 - ПП - 6 - С1 - ДОП).(hC1 – h2) +
+ (1 - ПП - 6 - С1 - 5 - ДОП).(h2 – h3) + (1 - ПП - 6 - С1 - 5 - Д –
- ДОП).(h3 – h4)] = 289,7 МВт.
NЦНД = D.[ (1 - ПП - 6 - С1 - 5 - Д – С2 - 4).(hПП – h5) + (1 - ПП - 6 – С1 – 5 - Д – С2 - 4 - 3).(h5 – h6) + (1 - ПП - 6 – С1 - 5 - Д – С2 –
- 4 – 3 - 2).(h6 – h7) + (1 - ПП - 6 – С1 - 5 - Д – С2 – 4 - 3 - 2 - 1).
.(h6 – h7) = 326,7 МВт;
NДОП = D.[ДОП . (h0 – h1K)] = 1005 . [0,025 . (2766 – 2535)] = 5,8 МВт.
Энтальпия питательной воды на входе в ПГ:
hПВ = h(tПВ6, 1,5.Р0).(1 - ПП) + ПП . h’(P00) = 997,2 . (1 – 0,098) + 0,098 .
. 1261 = 1023 кДж/кг;
Таким образом, теплота, срабатываемая в ПТУ, равна:
QТУ = D .(h’’(P0) – hПВ) = 1005 . (2774 – 1023) = 1760 МВт.
Для оценки изменений в режимах работы введём относительные изменения мощностей ЦВД, ЦНД и ПТУ в целом.
БР = 35,4 %
БР = 0,4 %
Из полученных результатов вычислений видно, что при включении обводной турбины на обводе ЦВД прирост мощности ПТУ составит 3,7 %, а КПД брутто – 0,4 %. Низкая мощность обводной турбины – следствие её низкого КПД. При расчете турбины [1] были использованы стандартные профили лопаток, что и послужило причиной для низкого КПД вспомогательной турбины, поскольку в данных условиях ступени турбины работают на нерасчетных режимах. Следовательно, для улучшения экономичности предлагаемой турбины необходима разработка специальных профилей. Опыт разработки подобных турбин показывает, что КПД турбины может быть повышен до 0,75 за счет создания улучшенных профилей с учетом режима работы турбины. Пересчитав схему с учетом улучшенного КПД обводной турбины, получим следующие результаты:
NЦВД = -0,015;
NЦHД = 0,083;
NT = 0,046;
NT = 627,6 МВт.
БР = 35,9 %
БР = 0,9 %
В этом случае экономичность и мощность ПТУ значительно возросли: снизились потери в ЦВД за счет более глубокого расширения пара в обводной турбине, возросла её мощность, повысилась мощность установки в целом и КПД брутто установки. При этом прирост КПД брутто установки относительно начального значения вырос на 0,9 %, что позволяет сэкономить значительное количество средств в ходе кампании.
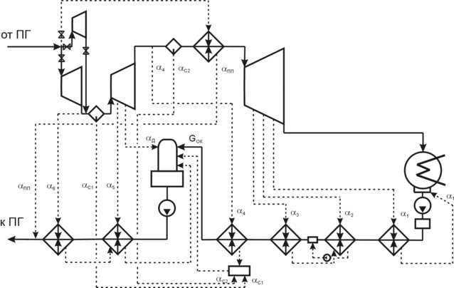
Расчет схемы включения дополнительной турбины на обводе ЧВД
Расчетная тепловая схема представлена на рис.3. Расчет проводится по аналогичному алгоритму, что и для схемы включения вспомогательной турбины на обводе ЦВД. Процесс расширения пара в основной и обводной турбине представлен на рис. 4.
Для данной схемы включения используется одновенечная ступень скорости. Выбор одновенечной ступени обусловлен следующими условиями: конструкция турбины должна иметь меньшие габариты для размещения на обводе ЧВД. Этот вариант ступени скорости имеет больший относительный окружной КПД по сравнению с предыдущим вариантом [3, с.239]. В то же время одновенечные ступени скорости имеют максимальные значения u при U/C0 около 0,5.
Полученная в результате расчета мощность турбины составляет 4,5 МВт, что меньше мощности двухвенечной ступени. Однако одновенечная турбина дешевле в изготовлении и эксплуатации.
Рисунок 3. Расчетная тепловая схема ПТУ ВВЭР-640 с дополнительной турбиной на обводе ЧВД.
В результате расчетов получены следующие показатели работы ПТУ на номинальном режиме:
NЦВД = 0,019;
NЦHД = 0,076;
NT = 0,057;
NT = 634,4 МВт.
БР = 35,9 %
БР = 0,9 %
Рисунок 4. Процесс расширения пара в основной и обводной турбине в hs-диаграмме.
При данной схеме включения видно, что суммарная мощность ЦВД увеличилась на 1,9 %, а прирост мощности ЦНД составил только 7,6 %, что меньше предыдущего варианта схемы на 0,7 %. Эти изменения являются следствием следующих причин:
-
При включении доп. турбины на обводе ЦВД в точке включения повышается давление пара, что приводит к увеличению перепада энтальпий на ЦНД, и понижению перепада на ЦВД. Как следствие понижается мощность, вырабатываема в ЦВЦ и повышается мощность ЦНД.
-
При включении доп. турбины на обводе ЧВД точка включения находится между ЧВД и ЧСД. Следовательно, повышение давления уменьшает перепад энтальпий на ЧВД и повышает перепад на ЧСД. Суммарное изменение мощности ЧВД и ЧСД дает прирост мощности ЦВД на 1,9 %. В то же время из-за переноса точки включения перепад на ЦНД уменьшается, что уменьшает прирост мощности в этой части турбины, а изменение мощности происходит исключительно за счет увеличения расхода пара.
Анализ вариантов включения обводной турбины
Полученные в результате расчетов значения запишем в сводную таблицу:
| Величина | Турбина на обводе | |
| ЦВД | ЧВД | |
| NДОП, МВт | 5,8 | 4,5 |
| NЦВД, МВт | 292,6 | 302,8 |
| NЦНД, МВт | 329,2 | 327,1 |
| NТ, МВт | 627,6 | 634,4 |
| NЦВД, % | -1,5 | 1,9 |
| NЦНД, % | 8,3 | 7,6 |
| NТ, % | 4,6 | 5,7 |
| БР, % | 35,9 | 35,9 |
| БР, % | 0,9 | 0,9 |
Из таблицы видно, что первый вариант включения доп. турбины менее экономичный, по сравнению со вторым. Учитывая меньшую стоимость изготовления и эксплуатации одновенечной турбины, следует отдать предпочтение второму варианту.















