kursovik (728853), страница 2
Текст из файла (страница 2)
4) В случае колебательного нагружения кольца подшипника поле допуска присоединительной поверхности (вал или корпус) устанавливается также по табл. 4.95 справочника [3, с.289-290];
–
5) Построить схему расположения полей допусков колец подшипника и присоединительных поверхностей вала и корпуса. Числовые значения предельных отклонений посадочных размеров колец подшипников берутся из таблиц справочника [3, c.273-281] или из других справочников по подшипникам качения;
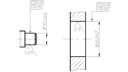
Предельные отклонения:
| для внутреннего кольца | – 90(-0,020) |
| для наружного кольца | – 160(-0,025) |
6) Выполнить эскизы посадочных мест вала и корпуса. Шероховатость поверхности вала и корпуса и допуски формы и расположения поверхности берутся из справочника [3, с.288-296] или из другой справочкой литературы по подшипникам качения.
Эскизы посадочных мест
Часть 5. НАЗНАЧЕНИЕ И ОБОСНОВАНИЕ ПОСАДОК
ШПОНОЧНОГО СОЕДИНЕНИЯ И ЕГО КОНТРОЛЬ
Исходные данные:
| Шпоночное соединение | – 16 |
| Номин. размер соединения | – 8 мм |
1) Установить и обосновать тип шпоночного соединения (свободное, нормальное или плотное);
Устанавливаем тип соединения – нормальное т.к. производство – серийное.
2) Назначить поля допусков и квалитеты для деталей, входящих в соединение: шпонка, паз вала, паз втулки. Для этого воспользоваться рекомендациями в [1, с.334] или [3, с.237,238];
По табл. 4.64 справочника [3, с.235] выбираем сечение шпонки для диаметра вала 8 – bh = 22 мм.
По табл. 4.65 справочника [3, с.237] выбираем предельные отклонения:
| - для ширины шпонки | - h9 | es = 0, ei = -25 мкм |
| - для ширины паза на валу | - N9 | ES = 0, EI = -25 мкм |
| - для ширины паза во втулке | - Js9 | ES = +13, EI = -13 мкм |
Вычисляем предельные зазоры и натяги.
В соединении шпонки с пазом вала (N9/h9)
Smax= ES – ei = 0 – (-25) = 25 мкм
Nmax= es – EI = 0 – (-25) = 25 мкм
В соединении шпонки с пазом втулки (Js9/h9)
Smax= ES – ei = 13 – (-25) = 38 мкм
Nmax= es – EI = 0 – (-13) = 13 мкм
3) Вычертить в масштабе (поперечный разрез) вал и втулку с указанием номинального размера по ширине шпоночных пазов, квалитета, поля допуска и предельных отклонений, а также шероховатости, допусков формы и расположения поверхностей;
4) Назначить средства для контроля деталей шпоночного соединения. Калибры для шпоночных соединений установлены в ГОСТ 24109-80, 24121-80, рекомендации по контролю даны в [3, с.248,249].
Контроль шпоночных соединений в серийном и массовом производстве осуществляют специальными предельными калибрами: ширина пазов вала и втулки Ь проверяется пластинами, имеющими проходную и непроходную сторону (рис. а); размер (d + t2 у отверстия) — пробками со ступенчатой шпонкой (рис. б); глубина паза вала (размер t1) — кольцевыми калибрами, имеющими стержень с проходной и непроходной ступенью (рис. в). Допуски этих типов калибров принимаются равными допускам гладких калибров, имея и виду зависимые допуски расположения.
Симметричность пазов относительно осевой плоскости проверяют комплексными калибрами: у отверстия — пробкой со шпонкой (рис. г), а у вала — накладной призмой с контрольным стержнем (рис. д).
Проектирование комплексных калибров для шпоночных соединений необходимо производить с учетом максимальных размеров сопрягаемых деталей.
После сборки контроль шпоночного соединения производят путем установления биения охватывающей детали, покачиванием охватывающей детали на валу и перемещением охватывающей детали вдоль вала (в случае подвижного соединения).
Часть 5. НАЗНАЧЕНИЕ ПОСАДОК ШЛИЦЕВЫХ СОЕДИНЕНИЙ
И ИХ КОНТРОЛЬ
Исходные данные:
| Шлицевое соединение | – 9 |
| Размер 2dD | – 104252 мм |
1) Назначить метод центрирования соединения;
Назначаем неподвижное центрирование по наружному диаметру.
2) Назначить посадки по центрирующим и не центрирующим элементам соединения. Посадку выбирают из табл. 4.72, 4.73, 4.74, 4.75 справочника [3,c.252-253] в зависимости от принятого метода центрирования и характера соединения (подвижное или неподвижное), в первую очередь назначить предпочтительные посадки;
Для центрирующего диаметра D=52 выбираем посадку
По боковым сторонам зубьев b=6 выбираем посадку
Для не центрирующего диаметра втулки d=42 выбираем посадку H11, а диаметр вала d1=36,9.
Предельные отклонения сводим в таблицу:
| Предельные отклонения и допуски шлицевых соединений, мкм | ||||||
| Втулка | Вал | |||||
| D=52H7 | B=5F8 | d=42h11 | D=52g6 | b=6js7 | d1 d | |
| Верхнее отклонение | ES=+30 | ES=+28 | ES=+160 | es=-10 | es=+6 | d1=36.9 |
| Нижнее отклонение | EI=0 | EI=+10 | EI=0 | ei=-29 | ei=-6 | |
| Допуск | TD=30 | TB=18 | Td=160 | Td=19 | Tb=12 | |
3) Построить схемы расположения полей допусков шлицевых деталей по соединяемым элементам;
Вычисляем зазоры по центрирующим и нецентрирующим поверхностям:
| По D: | Smax = ES - ei = 30 – (-29) = 59 мкм |
| Smin = EI - es = 0 – (-10) = 10 мкм | |
| По d: | Smax = dmaxвт – d1 = 42 + 0.160 – 36.9 = 5.26 мм |
| По b: | Smax = ES - ei = 28 – (-6) = 32 мкм |
| Smin = EI - es = 10 – 6 = 4 мкм |
4) Выполнить чертеж шлицевого соединения (поперечный или продольный разрез) и нанести на нем условное обозначение соединения по ГОСТ 1139-80. Чертеж выполняется на листах формата А4;
5) Выбрать средства для контроля заданных шлицевых деталей.
Для контроля шлицевого вала выбираем комплексный проходной колибр.
Часть 5. РАСЧЕТ СБОРОЧНЫХ РАЗМЕРНЫХ ЦЕПЕЙ
Исходные данные:
| Предельные отклонения А | А = 0, ES = +1.1, EI = +0.3 |
| Размер d | = 40 |
| Подшипники качения | ES = 0, EI = -120 мкм |
| Толщина прокладок | = 2-0.1 мм |
| Толщина стопорных колец | = 3–0.1 мм |
1. Определяем масштаб рисунка:
М = d / x = 40 / 12 = 3,3
2. Определяем увеличивающие (А2, А3, А4) и уменьшающие (А1, А5, А6, А7, А8, А9, А10, А11, А12, А13, А14) звенья, обозначив их начиная с А по часовой стрелке от А1 до Аn (у нас А14)
Общее число звеньев размерной цепи равно 15. Замыкающее звено А = 0, ES = +1,1, EI = +0,3. Составляющие звенья размерной цепи определяем согласно масштаба: А1=26, А2=2-0,1, А3=500, А4=2-0,1, А5=26, А6=36-0,12, А7=15, А8=53, А9=32, А10=50, А11=50, А12=71, А13=100, А14=10.
Согласно схемам размерных цепей:
где
– номинальный размер замыкающего звена,
и
– номинальные размеры увеличивающих и уменьшающих размерных звеньев цепи.
Но у нас А= 0
Для выполнения равенства корректируем звено А3:
3. Определим число единиц допуска
При решении задачи способом допусков одного квалитета предполагаем, что все составляющие цепь размеры выполняются по одному и тому же квалитету точности. А каждому квалитету точности соответствует вполне определенное число единиц допуска а. То есть а одинаково для всех звеньев размерной цепи.
Величина допуска каждого составляющего размера
где:
aj - число единиц допуска соответствующего звена размерной цепи;
ij - единица допуска. Величина i зависит от интервала размеров, в котором располагается соответствующий размер, и может быть определена по таблицам.
Так как по условии задачи принято одинаковое число единиц допуска для каждого звена, то среднее число единиц допуска для каждого звена можно обозначить am.
Для определения am используем формулу:
4. Определяем квалитет точности.
Принимаем am =16, тогда квалитет точности – 7.
5. Назначаем допуски.















