kursovik (722522), страница 3
Текст из файла (страница 3)
df(fmax) = 4,50536 кГц
3.Величины емкостей элементов схемы
C1 = Cl + Cm = 11.5 пФ ,
CC = 1/(4*pi*pi*Lk)*[1/n-1/l] = 2647,31 пФ.
C2 = CC*[1/2+SQRT(1/4+C1/CC)] = 2658.76 пФ,
C3 = 1/(4*pi*pi*Lk*l) - C1*C2/(C1+C2) = -9.82 пФ .
величина индуктивности контура гетеродина
Lg = Lk * l/m*(C2+C3)/(C2+C1) = 3.82 мкГн.
Для второго поддиапазона (11,0 – 30,1 МГц)
Ввод исходных данных:
Диапазон частот (в МГц.) fmin = 11
fmax = 30,1
Значение промежуточной частоты (в МГц.) fпр = 0,465
Индуктивность входного контура (в мкГн.) Lk = 0.57
Ёмкость катушки (в пф.) Cl = 4
Ёмкость монтажа (в пф.) Cm = 7.5
Задайте число точек точного сопряжения Т = 3
-
Частоты точного сопряжения:
f2 = 0.5*(fmax + fmin) = 20.55 MHz
f1 = f2 – 0.433*( fmax - fmin) = 12.29 MHz
f3 = f2 + 0.433*( fmax - fmin) = 28.82 MHz
-
Расчёт кривых сопряжения в 50 точках:
df(i) = (m * (f * f + n) – sqr(f + fпр) * (f * f + l))/(2 *( f + fпр) * (f * f + l))
где а = f1 + f2 + f3 = 61,65
b = f1*f2 + f1*f3 + f3*f2 = 1198,51
с = f1 * f2 * f3 = 7272,74
d = 2 fпр + а = 62,58
l = (b * d - c)/2*fr = 72827,949
m = fпр * fпр + l + a * d – b = 75487,713
n = (l * fпр * fпр + c *d)/m = 6,238
Ошибка на границах диапазона при этом имеет величину:
df(fmin) = - 9.57995 кГц
df(fmax) = 4,47807 кГц
3. Величины емкостей элементов схемы
C1 = Cl + Cm = 11.50 пФ (по ГОСТ 13 пф.),
CC = 1/(4*pi*pi*Lk)*[1/n-1/l] = 7123.58 пФ. ,
C2 = CC*[1/2+SQRT(1/4+C1/CC)] = 7135.07 пФ,
C3 = 1/(4*pi*pi*Lk*l) - C1*C2/(C1+C2) = - 10.87 пФ .
величина индуктивности контура гетеродина
Lg = Lk * l/m*(C2+C3)/(C2+C1) = 0.55 мкГн.
-
Фильтрация промежуточной частоты.
Существуют типовые схемы и расчёты фильтрации промежуточной частоты. В нашем случае целесообразно использовать керамический фильтр как наиболее простую и удобную форму. Из приведённого ниже списка самым подходящим является фильтр CFK465E10 (5.0 кГц/3 dB,
12 кГц/70 dB). Его параметры максимально приближены к техническому заданию. Так как чувствительность довольно низкая – можно пренебречь тем фактом, что некоторое количество помех всё же будет присутсвовать, но их уровень будет довольно мал. Подавление
соседнего канала в размере 34 децибел (заданных в техническом задании) данный фильтр сможет осуществить без существенного ухудшения частотных свойств полезного сигнала (исходя из таблицы сводного графика амплитудно-частотных характеристик фильтров марки CFK).
. Параметры Микросхемы К174ХА2, типовые включения
К174ХА2 представляет собой многофункциональную микросхему радиоприемного тракта, выполняющую функции усиления и преобразования сигналов с частотой до 27 МГц. В состав микросхемы входят: усилитель ВЧ сигнала с АРУ, смеситель, гетеродин, усилитель ПЧ с АРУ.
Корпус типа 238.16-2 (см. К174АФ1). Вес не более 1,5 г.
Электрические параметры
Номинальное напряжение питания..9В
Ток потребления при Uп = 9В, Т= +25°С, не более…………………16мА
Отношение сигнал-шум при Uп = 9В, вх = 1МГц, Uвх = 10мкВ, m = 0,8; Т= +25°С, не более……….. 24 дБ
Выходное напряжение низкой частоты при Uп = 9В, вх = 1МГц,
ПЧ = 465 кГц, м =1 кГц, m = 0,8; Т=+25°С:
при Uвх = 20мкВ, не менее……..60 мВ
при Uвх = 5103мкВ…….. .100..560мВ
Изменение выходного напряжения низкой частоты, при изменении напряжения источника питания в диапазоне 4,8 ...9В, при =1МГц,
м =1кГц, m=0,3, Uвх =10мкВ, Т=+25°С, не более…………….6 дБ
Верхнее значение частоты входного сигнала при UП = 9В, Т=+25°С,
не менее ………………….….27 МГц
Коэффициент гармоник при UП = 9 В, вх= 1МГц, ПЧ = 465кГц,
м =1кГц, m = 0,8; Т=+25° С, не более:
при Uвх = 5105мкВ…………………………………………………………………...…...10%
при Uвх = 3104мкВ……………….………………………………………………………..8%
Входное сопротивление УПЧ при UП = 9 В, Т=+25°С, не менее…………3 кОм Входное сопротивление УВЧ при UП = 9 В, Т=+25°С, не менее………..…3 кОм
Выходное сопротивление УПЧ при UП = 9 В, Т=+25°С, не менее………..60 кОм
Предельные эксплуатационные данные
Напряжение питания ….………………………………………………………….4,8 ...15 В
Максимальное входное напряжение…………………………………………………..2В
Максимальная температура кристалла……………………………………….+125° С
Температура окружающей среды…………………………………………. -25...+55°С
Зависимость тока потребления от температуры окружающей среды при UП = 9 В. Заштрихована область разброса значений параметра для 95% микросхем. Сплошной линией показана типовая зависимость.
Зависимость выходного напряжения от температуры окружающей среды при UП =В, вх=1 МГц. Заштрихована область разброса значений параметра для 95% микросхем. Сплошной линией показана типовая зависимость.
Зависимость изменения коэффициента передачи УПЧ от управляющего напряжения на частоте ПЧ = 465 кГц при UП = 9 В. Заштрихована область разброса значений параметра для 95% микросхем. Сплошной линией показана типовая зависимость.
Зависимость изменения коэффициента передачи УВЧ от управляющего напряжения на частоте входного сигнала вх = 1МГц при UП = 9В, ПЧ =465 кГц.
П
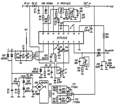
ринципиальная схема приемника радиоуправления моделями [23]. Входная и гетеродинная матушки намотаны на полистироловых цилиндрических каркасах диаметром 5 мм и содержат ^соответственно 11,2 и 11 витков провода ПЭВ-2 диаметром 0,2мм. Катушки ФПЧ намотаны на [двухсекционных каркасах, помещенных в ферритовые чашки марки 1000НМ диаметром 6,1 и высотой 4 мм и содержат 48+48 витков провода ПЭВ-2 диаметром 0,1 мм; катушка связи L4 содержит 22 витка провода ПЭВ-2 диаметром 0,07 мм и намотана поверх катушки L3
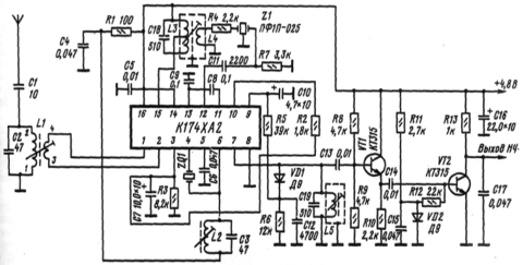
Принципиальная схема малогабаритного КВ-приемника [22 ]. Входной контур и контур гетеродина намотаны на полиетироловом цилиндрическом каркасе диаметром 7,5мм и содержат: L1—15 витков провода ПЭЛШО-0,3 мм; L2—4 витка теми же проводами соответственно. Катушки фильтров ПЧ намотаны на пластмассовых двухсекционных каркасах, которые помещены в ферритовые чашки марки 100QHM диаметром 6,1 и высотой 4 мм и имеют подстроечный сердечник 1000НМ размером МЗ х 10 мм; LJ — 6 витков, L6—115 витков, L7—100 витков провода
ГТЭВ-2 диаметром 0,12мм
10. Расчётная схема включения Микросхемы К174ХА2
Отличительной особенностью данной схемы включения от типовых являются параметры некоторых элементов, а также два параллельных гетеродинных контура и две входные катушки, которые попарно переключаются спаренным переключателем, что приводит к переключению поддиапазонов приёма с первого (3,95 – 11 МГц) на второй (11 – 15,8 МГц и более).
Изменённые и добавленные номиналы (по сравнению с типовой схемой):
Переменная ёмкость С1 – 10…600 пф.
Ёмкости: С5 – 12 пф.
С6 – 10 пф.
С7 – 2,7 нф.
С17 – 12 пф.
С18 – 6,8 нф.
С19 – 11 пф
Индуктивность входного контура L1 – 4,2 мкГн.
Индуктивность гетеродинного контура L3 – 3,8 мкГн.
Индуктивность входного контура L10 – 0,5 мкГн.
Индуктивность гетеродинного контура L3 – 0,5 мкГн
Керамический фильтр Z1 - CFK465E10
-
Выводы.
Данная микросхема К174ХА2 полностью соответствует требованиям, предъявленным в техническом задании:
Чувствительность в 200 микровольт абсолютно обеспечивается микросхемой, так как её номинальная чувствительность составляет 10 микровольт. (п.9 стр.19)
Ослабление по зеркальному каналу в 12 децибел обеспечивается микросхемой (входными цепями), которое при расчёте составило 19,52 децибела. (п.6 стр.14)
Ослабление соседнего канала в 34 децибела обеспечивается керамическим фильтром CFR465E10 с параметрами 5.0 кГц/3 dB,
12 кГц/70 dB. (п.8 стр.18)
Выходная мощность в 0,5 Ватта обеспечивается типовой схемой включения. (стр.20)
Полоса пропускания 9,5 килогерц и диапазон принимаемых частот достигается входной и гетеродинной цепями, а также керамическим фильтром.
Эффективность АРУ, оцениваемая пропорцией соотношений амплитуд двух входных и двух выходных сигналов составила:
Входные сигналы – 20 lg.(5000 мкВ/20 мкВ) = 48 дБ,
Выходные сигналы – 20 lg.(560 мВ/60 мВ) = 19 дБ,
что превышает параметры технического задания, но не вредит работе радиоприёмника. (п.9 стр.14)















