amplifier (722514), страница 2
Текст из файла (страница 2)
где
ток коллектора транзистора VT1,
статический коэффициент передачи тока с общим эмиттером транзистора VT1
-ток базового смещения транзистора VT1.
где
- ток коллектора транзистора VT2.
где
,
-напряжения рабочей точки транзистора VT1 и VT2.
где
Ом;
Ом;
Ом.
Для данного каскада схема эмиттерной термостабилизации более приемлема, чем остальные. Во-первых, она обеспечивает высокую стабильность, во-вторых, она легко реализуема, так как содержит малое количества элементов, в-третьих, эта схема применяется для маломощных каскадов.
4.5 Расчет элементов высокочастотной коррекции
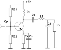
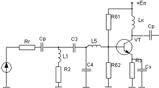
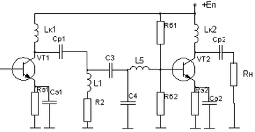
Так как нужно реализовать усилитель с подъемом АЧХ, то необходимо применение диссипативной межкаскадной корректирующей цепи четвёртого порядка [1]. Принципиальная схема усилителя с межкаскадной корректирующей цепью четвертого порядка приведена на рисунке 4.5.1,а, эквивалентная схема по переменному току - на рисунке 4.5.1,б.
Р
исунок 4.5.1
Коэффициент усиления каскада на транзисторе VT2 в области верхних частот можно описать выражением:
где
,коэффициент усиления каскада (4.31)
RВХН –нормированное входное сопротивление транзистора VT2;
,
,
,
,
– нормированные относительно
и
значения элементов L1, R2, C3, C4, L5, соответствующие преобразованной схеме КЦ, в которой значение СВХ2 равно бесконечности; СВЫХ1 – выходная емкость транзистора T1;
;
– нормированная частота;
– текущая круговая частота;
– высшая круговая частота полосы пропускания разрабатываемого усилителя. Для расчета элементов корректирующей цепи нужно воспользоваться таблицей 9.1 приведенной в [5]. Оконечный каскад реализуем с подъёмом в 3дБ, а предоконечный и выходной с подъёмом в 0 дБ искажения каждого
=
дБ. Так как для расчета требуется знать
транзистора VT2 то нужно сделать выбор транзистора предоконечного каскада. Свой выбор остановим на транзисторе КТ939А. Сопротивление выхода этого транзистора нам известно
Для расчета элементов воспользуемся формулами:
С помощью таблицы получены следующие нормированные значения элементов.
=1,68,
=0,842,
,=4,99,
=4,62,
=0,234.
Денормируя полученные значения, определим:
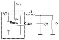
В усилительных каскадах расширение полосы пропускания связано с потерей части выходной мощности в резисторах корректирующих цепей (КЦ) либо цепей обратной связи. От выходных каскадов усилителей требуется, как правило, получение максимально возможной выходной мощности в заданной полосе частот. Из теории усилителей известно, что для выполнения указанного требования необходимо реализовать ощущаемое сопротивление нагрузки для внутреннего генератора транзистора равным постоянной величине во всем рабочем диапазоне частот. Этого можно достигнуть, включив выходную емкость транзистора в фильтр нижних частот, используемый в качестве в
VT1
ыходной КЦ. Схема включения выходной КЦ приведена на рисунке 4.5.2.
Рисунок 4.5.2
Использование фильтра нижних частот в качестве выходной КЦ при одновременном расчете элементов L1, C1 по методике Фано позволяет обеспечить минимально возможное, соответствующее заданным CВЫХ и fB, значение максимальной величины модуля коэффициента отражения
в полосе частот от нуля до fB.
Находим коэффициент
по формуле:
Далее находим по таблице 7.1 приведённой в [1] значения
,
,
,
, соответствующие коэффициенту
:
,
,
,
. Истинные значения элементов рассчитываются по формулам:
5 Расчет предоконечного каскада
Расчет рабочей точки предоконечного каскада производится по тем же формулам что и оконечный, только ток рабочей точки вычисляется по формуле
где
-ток рабочей точки выходного каскада, а
-коэффициент усиления выходного каскада,
Произведем расчет схем замещения по формулам (4.8-4.13).
Произведем расчет схемы термостабилизации и цепи питания. В этом каскаде также применена эмиттерная термостабилизация. Для расчета используем формулы (4.14-4.18).
Для расчета межкаскадной корректирующей цепи четвертого порядка выберем транзистор входного каскада. В входном каскаде используется транзистор КТ939А. Данные из таблицы для каскада с подъемом в 0 дБ с искажением
=
дБ. Для расчета используем формулы (4.30-4.33).
=2,22,
=1,11,
,=5,23,
=3,69,
=0,291;
Денормируя полученные значения, определим:
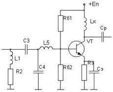
На рисунке 5.1 представлена электрическая схема каскада.
Рисунок 5.1
6 Расчет входного каскада.
Расчет выходного каскада производится по тем же формулам что и оконечный.
В данном каскаде используется транзистор КТ939А.
Расчет эквивалентных схем замещения произведем по формулам (4.8-4.13):
Произведем расчет схемы термостабилизации и цепи питания. В этом каскаде применена эмиттерная термостабилизация. Для расчета используем формулы (4.14-4.18).
Расчет входной корректирующей цепи четвертого порядка.
Данный расчет отличается отсутствием выходной емкости источника сигнала поэтому расчет упрощается. Для расчета используем формулы (4.30-4.33). Данные из таблицы для каскада с подъемом в 0 дБ с искажением
=
дБ
=2,22,
=1,11,
,=5,23,
=3,69,
=0,291.
Денормируя полученные значения, определим:
Uвх
а рисунке 6.1 представлена электрическая схема каскада.
Рисунок 6.1
7 Расчет разделительных и блокировочных ёмкостей
Рассчитаем максимальные искажения, вносимые разделительными и блокировочными ёмкостями в области низких частот. Так как значение искажений задано 1,5 дБ то на разделительные и блокировочные ёмкости должно приходится искажений по 0,75 дБ. Рассчитаем искажения приходящуюся на каждую ёмкость и переведём эти значения в разы.
Рассчитаем разделительные ёмкости по формуле [3]:
где
нижняя граничная круговая частота,
выходное сопротивление источника сигнала,
входное сопротивление приемника.
Произведем расчет блокировочных емкостей по формуле [3]:
где
крутизна транзистора,
сопротивление термостабилизации.
где
Для уменьшения искажений последовательно с разделительной емкостью включим дополнительное сопротивление параллельно емкости
корректирующей цепи каскада. Дополнительное сопротивление высчитывается по формуле:
где
сопротивление нагрузки для оконечного каскада и сопротивление
для остальных каскадов.
Так же включим
последовательно с сопротивлением цепи коррекции
со стороны земли. Дополнительную емкость включим только к оконечному и предоконечному каскаду:
| РТФ КП 468730.001.ПЗ | |||||||||||
| Лит | Масса | Масштаб | |||||||||
| Изм | Лист | Nдокум. | Подп. | Дата | |||||||
| Выполнил | Кузнецов | УCИЛИТЕЛЬ-КОРРЕКТОР | |||||||||
Проверил | Титов | ||||||||||
| Лист | Листов | ||||||||||
ТУСУР РТФ | |||||||||||
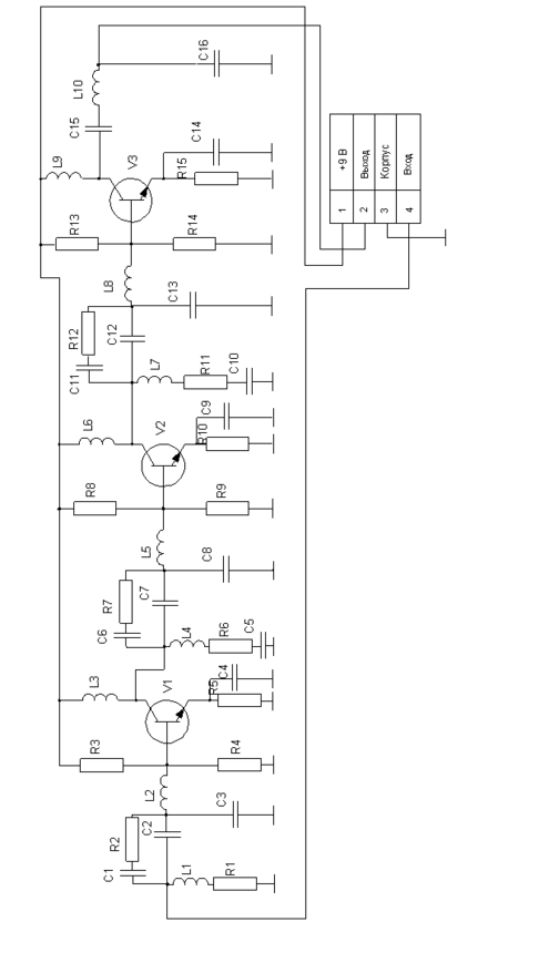
Принципиальная | Кафедра РЗИ | ||||||||||
| Схема | гр. 148-3 | ||||||||||
| Позиционные Обозначения | Наименование | Кол | Примечание | |||||||||||||||||||||||||||||||
| Конденсаторы ОЖ0.460.203 ТУ | ||||||||||||||||||||||||||||||||||
| С1 | КД-2-750пФ5% | 1 | ||||||||||||||||||||||||||||||||
| С2 | КД-2-39пФ5% | 1 | ||||||||||||||||||||||||||||||||
| С3 | КД-2-30пФ5 | 1 | ||||||||||||||||||||||||||||||||
| С4 | КД-2-2нФ5% | 1 | ||||||||||||||||||||||||||||||||
| C5,С13,С16 | КД-2-8,2пФ5% | 3 | ||||||||||||||||||||||||||||||||
| С6,С11 | КД-2-470пФ5% | 2 | ||||||||||||||||||||||||||||||||
| С7,с12 | КД-2-18пФ5% | 2 | ||||||||||||||||||||||||||||||||
| С8 | КД-2-6,2пФ5% | 1 | ||||||||||||||||||||||||||||||||
| С9 | КД-2-15нФ5% | 1 | ||||||||||||||||||||||||||||||||
| С10 | КД-2-1,1нФ5% | 1 | ||||||||||||||||||||||||||||||||
| С14 | КД-2-30нФ5% | 1 | ||||||||||||||||||||||||||||||||
| С15 | КД-2-290пФ5% | 1 | ||||||||||||||||||||||||||||||||
| Индуктивности | ||||||||||||||||||||||||||||||||||
| L1 | Индуктивность 44нГн10% | 1 | ||||||||||||||||||||||||||||||||
| L2 | Индуктивность 5,8нГн10% | 1 | ||||||||||||||||||||||||||||||||
| L3 | Индуктивность 2,21мкГн10% | 1 | ||||||||||||||||||||||||||||||||
| L4 | Индуктивность 75нГн10% | 1 | ||||||||||||||||||||||||||||||||
| L5 | Индуктивность 16нГн10% | 1 | ||||||||||||||||||||||||||||||||
| L6 | Индуктивность 3,75мкГн10% 1010% | 1 | ||||||||||||||||||||||||||||||||
| L7 | Индуктивность 57нГн10% | |||||||||||||||||||||||||||||||||
| L8 | Индуктивность 13нГн10% | |||||||||||||||||||||||||||||||||
| L9 | Индуктивность 2мкГн10% | |||||||||||||||||||||||||||||||||
| L10 | Индуктивность 19нГн10% | |||||||||||||||||||||||||||||||||
| Резисторы ГОСТ 7113-77 | ||||||||||||||||||||||||||||||||||
| R1 | МЛТ–0,125-56Ом10% | 1 | ||||||||||||||||||||||||||||||||
| R2,R8 | МЛТ–0,125-2,4кОм10% | 2 | ||||||||||||||||||||||||||||||||
| R3 | МЛТ–0,125-7,5кОм10% | 1 | ||||||||||||||||||||||||||||||||
| R4 | МЛТ–0,125-6,2кОм10% | 1 | ||||||||||||||||||||||||||||||||
| R5 | МЛТ–0,125-470Ом10% | 1 | ||||||||||||||||||||||||||||||||
| R6 | МЛТ–0,125-91Ом10% | 1 | ||||||||||||||||||||||||||||||||
| R7 | МЛТ–0,125-6,8кОм10% | 1 | ||||||||||||||||||||||||||||||||
| R9 | МЛТ–0,125-2кОм10% | 1 | ||||||||||||||||||||||||||||||||
| R10 | МЛТ–0,125-150Ом10% | 1 | ||||||||||||||||||||||||||||||||
| R11 | МЛТ–0,125-68Ом10% | 1 | ||||||||||||||||||||||||||||||||
| R12 | МЛТ–0,125-430Ом10% | 1 | ||||||||||||||||||||||||||||||||
| R13 | МЛТ–0,125-1кОм10% | 1 | ||||||||||||||||||||||||||||||||
| R14 | МЛТ–0,125-820Ом10% | 1 | ||||||||||||||||||||||||||||||||
| R15 | МЛТ–0,125-60Ом10% | 1 | ||||||||||||||||||||||||||||||||
| Транзисторы | ||||||||||||||||||||||||||||||||||
| V1,V2,V3 | КТ939А | 3 | ||||||||||||||||||||||||||||||||
| РТФ КП 468730.001 ПЗ | ||||||||||||||||||||||||||||||||||
| Лит | Масса | Масштаб | ||||||||||||||||||||||||||||||||
| Изм | Лист | Nдокум. | Подп. | Дата | ||||||||||||||||||||||||||||||
| Выполнил | Кузнецов | УСИЛИТЕЛЬ-корректор | У | |||||||||||||||||||||||||||||||
Провер. | Титов | |||||||||||||||||||||||||||||||||
| Лист | Листов | |||||||||||||||||||||||||||||||||
ТУСУР РТФ | ||||||||||||||||||||||||||||||||||
Перечень элементов | Кафедра РЗИ | |||||||||||||||||||||||||||||||||
| гр. 148-3 | ||||||||||||||||||||||||||||||||||
9 Заключение









