kursovik (722500), страница 2
Текст из файла (страница 2)
Д
анная модель применяется в области высоких частот.
Рисунок 2.2.2.2.1- Однонаправленная модель транзистора.
Параметры эквивалентной схемы расчитываются по приведённым ниже формулам.[2]
Входная индуктивность:
где
–индуктивности выводов базы и эмиттера.
Входное сопротивление:
где
, причём
,
и
– справочные данные.
Выходное сопротивление:
Выходная ёмкость:
В соответствие с этими формулами получаем следующие значения элементов эквивалентной схемы:
Lвх= Lб+Lэ=1+0,183=1,183 (нГн);
Rвх=rб=2,875 (Ом);
Rвых=Ri=100 (Ом);
Свых=Ск(треб)=2,92 (пФ);
fmax=fт=5 (ГГц)
2.2.3 Расчёт и выбор схемы термостабилизации.
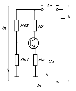
2.2.3.1 Эмитерная термостабилизация.
Эмитерная термостабилизация широко используется в маломощных каскадах, так как потери мощности в ней при этом не значительны и её простота исполнения вполне их компенсирует, а также она хорошо стабилизирует ток коллектора в широком диапазоне температур при напряжении на эмиттере более 3В.[1]
Рисунок 2.2.3.1.1- Каскад с эмитерной термостабилизацией.
Рассчитаем параметры элементов данной схемы.
Uэ=4 (В);
Eп=Uкэ0+Uэ=7 (В);
Rб1=
, Iд=10Iб, Iб=
, Iд=10
=10
=0,008 (А);
Наряду с эмитерной термостабилизацией используются пассивная и активная коллекторная термостабилизации.[1]
2.2.3.2Пассивная коллекторная термостабилизация:
Ток базы определяется Rб. При увеличении тока коллектора напряжение в точке А падает и следовательно уменьшается ток базы, а это не даёт увеличиваться дальше току коллектора. Но чтобы стал изменяться ток базы, напряжение в точке А должно измениться на 10-20%, то есть Rк должно быть очень велико, что оправдывается только в маломощных каскадах[1].
Р
исунок 2.2.3.2.1- Схема пассивной коллекторной термостабилизации
URк=7 (В);
Eп=Uкэ0+URк=10 (В);
2.2.3.3 Активная коллекторная термостабилизация.
Можно сделать чтобы Rб зависило от напряжения в точке А см. рис.(2.2.3.2.1). Получим что при незначительном уменьшении (увеличении) тока коллектора значительно увеличится (уменьшится) ток базы. И вместо большого Rк можно поставить меньшее на котором бы падало порядка 1В см. рис.(2.2.3.3.1).[1]
=100;
Eп=Uкэ0+UR=4 (В);
Р
исунок 2.2.3.3.1- Активная коллекторная термостабилизация.
Данная схема требует значительное количество дополнительных элементов, в том числе и активных. Если Сф утратит свои свойства, то каскад самовозбудится и будет не усиливать, а генерировать.Основываясь на проведённом выше анализе схем термостабилизации выберем эмитерную.
3 Расчёт входного каскада по постоянному току
3.1 Выбор рабочей точки
При расчёте требуемого режима транзистора промежуточных и входного каскадов по постоянному току следует ориентироваться на соотношения, приведённые в пункте 2.2.1 с учётом того, что
заменяется на входное сопротивление последующего каскада. Но, при малосигнальном режиме, за основу можно брать типовой режим транзистора (обычно для маломощных ВЧ и СВЧ транзисторов
мА и
В). Поэтому координаты рабочей точки выберем следующие
мА,
В. Мощность, рассеиваемая на коллекторе
мВт.
3.2 Выбор транзистора
Выбор транзистора осуществляется в соответствии с требованиями, приведенными в пункте 2.2.1. Этим требованиям отвечает транзистор КТ3115А-2. Его основные технические характеристики приведены ниже.
Электрические параметры:
Предельные эксплуатационные данные:
3.3 Расчёт эквивалентной схемы транзистора
Эквивалентная схема имеет тот же вид, что и схема представленная на рисунке 2.2.2.2.1 Расчёт её элементов производится по формулам, приведённым в пункте 2.2.2.1
3.3 Расчёт цепи термостабилизации
Для входного каскада также выбрана эмиттерная термостабилизация, схема которой приведена на рисунке 3.3.1.
Рисунок 3.3.1
Метод расчёта схемы идентичен приведённому в пункте 2.2.3.1 с той лишь особенностью что присутствует, как видно из рисунка, сопротивление в цепи коллектора
. Эта схема термостабильна при
В и
мА. Напряжение питания рассчитывается по формуле
В.
Расчитывая элементы получим:
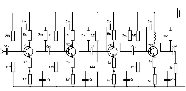
4.1 Расчет полосы пропускания выходного каскада
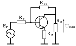
Поскольку мы будем использовать комбинированные обратные [1], то все соответствующие элементы схемы будут одинаковы, т.е. по сути дела расчёт всего усилителя сводится к расчёту одного каскада.
Рисунок 2.3.1 - Схема каскада с комбинированной ООС
Достоинством схемы является то, что при условиях
схема оказывается согласованной по входу и выходу с КСВН не более 1,3 в диапазоне частот, где выполняется условие
0,7. Поэтому практически отсутствует взаимное влияние каскадов друг на друга при их каскадировании [6].
При выполнении условия (1.53), коэффициент усиления каскада в области верхних частот описывается выражением:
Из (2.3.1), (2.3.3) не трудно получить, что при заданном значении
При заданном значении
,
каскада равна:
Нагружающие ООС уменьшают максимальную амплитуду выходного сигнала
каскада, в котором они используются на величину
При выборе
и
из (4.1.3), ощущаемое сопротивление нагрузки транзистора каскада с комбинированной ООС равно
.
Расчёт Kо:
Для реализации усилителя используем четыре каскада. В этом случае коэффициент усиления на один каскад будет составлять:
Общий уровень частотных искажений равен 3 дБ, то Yв для одного каскада примем равным:
П
одставляя все данные в (4.1.5) находим fв:
Р
исунок 4.1.1- Усилитель приёмного блока широкополосного локатора на четырёх каскадах.
4.2. Расчёт полосы пропускания входного каскада
Все расчёты ведутся таким же образом, как и в пункте 4.1 с той лишь разницей что берутся данные для транзистора КТ3115А-2.Этот транзистор является маломощным,
тем самым, применив его в первых трёх каскадах, где уровень выходного сигнала небольшой, мы добьемся меньших потерь мощности.
Так каr в усилителе 4 каскада и общий уровень частотных искажений равен 3 дБ, то Yв для одного каскада примем равным:
Подставляя все данные в (4.1.5) находим fв:
Все требования к усилителю выполнены
5 Расчёт ёмкостей и дросселей.
Проводимый ниже расчёт основан на [2].
На нижних частотах неравномерность АЧХ обусловлена ёмкостями Ср и Сэ, поэтому пусть 1,5 dB вносят Ср и столько же Сэ.
R1 и R2 сопротивления соответственно слева и справа от Ср
Yн допустимые искажения вносимые одной ёмкостью.
(dB),
(раз), для Ср1 и
(раз), для Сэ.
R1=Rвых(каскада), R2=Rвх(каскада)=Rн=50 (Ом), для Ср1 (межкаскадной),
R1=Rг=Rвых(3-го каскада)=50 (Ом), R2=Rвх(каскада)=Rн=50 (Ом), для Ср2,
По формуле (2.4.1) рассчитаем Ср.
| | |||||||||||
| РТФ КП 468730.001.ПЗ | |||||||||||
| усилитель приёмного | Лит | Масса | Масштаб | ||||||||
| Изм | Лист | Nдокум. | Подп. | Дата | блока широкополосного | ||||||
| Выполнил | Воронцов | локатора | |||||||||
Проверил | Титов | ||||||||||
| Лист | Листов | ||||||||||
ТУСУР РТФ | |||||||||||
Принципиальная | Кафедра РЗИ | ||||||||||
| схема | гр. 148-3 | ||||||||||
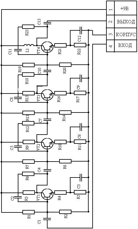
С1,С13 | КД-2-60 пФ10% | 2 | ||||||||
| Позиция Обозн. | Наименование | Кол | Примечание |
| Конденсаторы ОЖ0.460.203 ТУ |
С2,С5,С8,С11 | КД-2-1200 пФ10% | 4 | |||||||||||||||||||
| С3,С6 С9,С12 | КД-2-0.3 нФ10 | 4 | |||||||||||||||||||
| С4,С7, С10 | КД-2-33 пФ10% | 3 | |||||||||||||||||||
| Катушки индуктивности | |||||||||||||||||||||
| L1 | Индуктивность 8 мкГн10% | 1 | |||||||||||||||||||
| Резисторы ГОСТ 7113-77 | |||||||||||||||||||||
| R19 | МЛТ–0,125-264 Ом10% | 1 | |||||||||||||||||||
R20 | МЛТ–0,125-535 Ом10% | 1 | |||||||||||||||||||
| R4,R10 R16,R21 | МЛТ–0,5-18 Ом10% | 4 | |||||||||||||||||||
| R22 | МЛТ–0,5-73 Ом10% | 1 | |||||||||||||||||||
| R6,R12, R18,R23 | МЛТ–0,25-142 Ом10% | 4 | |||||||||||||||||||
| R1,R7, R13 | МЛТ–0,125-2200 Ом10% | 3 | |||||||||||||||||||
| R2,R8, R14 | МЛТ–0,125-1700 Ом10% | 3 | |||||||||||||||||||
| R5,R11, R17 | МЛТ–0,125-880 Ом10% | 3 | |||||||||||||||||||
| Транзисторы | |||||||||||||||||||||
| VT3 | КТ996А | 1 | |||||||||||||||||||
| VT1,VT2 VT3 | КТ3115А-2 | 3 | |||||||||||||||||||
| РТФ КП 468730.001 ПЗ | |||||||||||||||||||||
| Лит | Масса | Масштаб | |||||||||||||||||||
| Из | Лист | Nдокум. | Подп. | Дата | УСИЛИТЕЛЬ ПРИЁМНОГО БЛОКА | ||||||||||||||||
| Выполнил | Воронцов | ||||||||||||||||||||
Проверил | Титов | ШИРОКОПОЛОСТНОГО ЛОКАТОРА | |||||||||||||||||||
| Лист | Листов | ||||||||||||||||||||
ТУСУР РТФ | |||||||||||||||||||||
Перечень элементов | Кафедра РЗИ | ||||||||||||||||||||
| гр. 148-3 | |||||||||||||||||||||
3 Заключение















