1 (722458), страница 3
Текст из файла (страница 3)
С
пециальность____________
Расчётно-пояснительная записка
к письменной квалификационной работе
Допустить к защите:
Зам. директора по УПР...….. .………………………… (Шумилова Т. Г.)
Руководитель работы ...…...………………………… ( Воронов А. А. )
Консультант по охране труда…………………………….….. ( Ширяева В. Н. )
Нормоконтролёр...…...………………………… ( Ширяева В. Н. )
Учащийся...……………………………… ( Манжула И. О.)
Вологда
2000
СПИСОК ИСПОЛЬЗОВАННЫХ ИСТОЧНИКОВ
1./ Барон Д. А. Магистральные и внутризоновые кабельные линии связи. Линейные сооружения.–Учебное пособие для ПТУ. –М.: Радио и связь,
1988. -296 с.
2./ Полонский П. А. Монтаж линейно-кабельных сооружений городских телефонных сетей. –Учебник для ПТУ. –М.: Высшая школа, 1983.-271 с.
3./ Барон Д. А., Гершман Б. И., Гроднев В. И. и др. Справочник стро-ителя кабельных сооружений связи. –М.: Связь, 1979. –704 с.
4./ Алексеев В. И. и др. Кабельные линии городских телефонных сетей. –Учебник для техникумов. –М.: Связь, 1973. –232 с.
5./ Лутов М. Ф., Жарков М.А., Юнаков П. А. Квазиэлектронные и электронные АТС. –М.: Радио и связь, 1982. –264 с.
6./ Кошелев С. В. Монтажник станционного оборудования проводной связи. Учебник для рабочих. –М.: Радио и связь, 1984. –272 с.
7./ Цифровая система коммутации Квант. – Общее описание. –Рига: Квант Интерком Лимитед, 1996. –37 с.
СОДЕРЖАНИЕ
Введение………………………………………………………………. 4
-
АТСЭ Квант-Е…………………………………………………. 5
-
Историческая справка………………………………………… 5
-
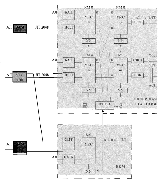
Архитектура цифровой системы коммутации Квант……….. 5
-
Функциональный состав оборудования……………………... 9
-
Устройство вводов кабелей в здания и сооружения………… 12
Техника безопасности………………………………………… 17
-
Общие положения по монтажу………………………………. 17
Заключение…………………………………………………………… 19
Список использованных источников………………………………. 20
ЗАКЛЮЧЕНИЕ
В письменной квалификационной работе рассмотрены следующие вопросы:
состав оборудования АТСЭ –Квант
устройство вводов кабелей в здания и сооружения
общие положения по монтажу.
Архитектура цифровой системы коммутации Квант.
ВАМ
АТС-100
ВАМ
Рис 1.1.













