referat (722438), страница 5
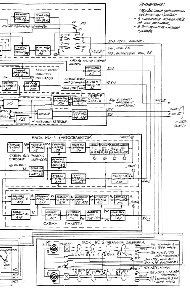
Текст из файла (страница 5)
Такое положение выполняется до тех пор, пока вторая составляющая напряжения ошибки (сдвинутая на 90°) на входе фазового детектора имеет симметричные положительную и отрицательную полуволны. При больших амплитудах эта составляющая в следствии перегрузки каскадов может получить нелинейные искажения, нарушающие симметрию положительной и отрицательной полуволн. При этом фазовый детектор будет выдавать напряжение на автопилот и при отклонении ракеты точно вверх (или вниз) от оси радиолуча, что нарушает правильность управления ракетой по курсу.
Симметричное двухстороннее ограничение напряжения ошибки при больших амплитудах ограничителями (Л22, Л27, Л28) устраняет возможность такой ненормальной работы станции НБ.
После усилителя-ограничителя напряжение ошибки подается на парафазный усилитель (Л23), на выходе которого создаются два напряжения, одинаковые по амплитуде, но сдвинутые по фазе на 180°. Эти напряжения поступают на фазовый детектор (Л18, Л25). Опорное напряжение к фазовому детектору подводится от генератора опорного напряжения (Л17, Л24). Генератором опорного напряжения является мультивибратор (Л17) с усилителем-ограничителем (Л24). Работа мультивибратора синхронизируется импульсами, поступающими из канала синхронизации. Мультивибратор вырабатывает напряжение прямоугольной формы с частотой вращения характеристики направленности антенны наземной станции управления (Т гц) сфазированное с положением диаграммы направленности. Для увеличения крутизны фронтов и амплитуды прямоугольного опорного напряжения в схему генератора опорного напряжения включен усилитель-ограничитель.
На нагрузке фазового детектора (после фильтра) выделяется управляющее напряжение постоянного тока, величина которого пропорциональна боковому отклонению ракеты от оси равносигнальной зоны. Полярность этого напряжения характеризует сторону отклонения от равносигнальной зоны.
После усиления усилителем постоянного тока (Л19, Л26) управляющее напряжение подается на автопилот.
4.5.2. Канал синхронизации
Все элементы, входящие в канал синхронизации, размещены в блоке НБ-5. К ним относятся:
-
дешифратор основной кодовой пары импульсов,
-
дешифратор опорных сигналов,
-
каскад управления схемой памяти,
-
схема формирования импульса запуска ответчика,
-
каскад формирования импульса синхронизации генератора стробирующих импульсов,
-
каскад формирования импульса-подавителя.
Видеоимпульсы из блока НБ-3 через катодные повторители (Л7) подаются одновременно на вход дешифратора основной кодовой пары и на вход дешифратора опорных сигналов.
Дешифратор основной кодовой пары состоит из каскада совпадения (Л9), линии задержки ЛЗ-1 и блокинг-генератора (Л8).
Линия ЛЗ-1 имеет время задержки, равное 2 мксек. При совпадении во времени второго импульса основной кодовой пары и первого импульса пары, задержанного на 2 мксек, на выходе каскада совпадения (Л9) формируется
одиночный импульс, который запускает блокинг-генератор (Л8). Импульс блокинг-генератора подается на линию задержки Л3_11 и на катодный повторитель (Л2).
Второй отвод линии задержки ЛЗ-1 к усилителю совпадений (Л9) служит для дешифрирования первой пары импульсов сигналов команды 2.
Катодный повторитель (Л2) формирует импульс запуска мультивибратора (Л20 в блоке НБ-4) и является каскадом управления схемой памяти.
В дешифратор опорных сигналов входят два каскада совпадения (Л15, Л16) и часть линии задержки ЛЗ-11.
Линия ЛЗ-11 имеет ряд отводов с различными временем задержки. Вывод "ОН 1" для импульса с временной задержкой в 3.5 мксек и вывод "ОН 2" для импульса с задержкой в 5 мксек подключены ко входам первого и второго каскадов совпадения дешифратора опорных сигналов. На эти же каскады подаются незадержанные видеоимпульсы сигнала станции НН от катодного повторителя, стоящего на входе канала (Л7).
Импульс блокинг-генератора (Л8), задержанный в линии ЛЗ-11 на 3.5 и 5 мксек, поочередно совпадает в одном из каскадов совпадений (Л25 или Л16) с третьим импульсом кодовой группы фиксирующим крайнее правое (Ωt = 90°) или крайнее левое (Ωt = 270°) положения антенного луча станции НН при его вращении. Таким образом, на выходе первого и второго каскадов совпадений поочередно образуются одиночные импульсы, которые используются для синхронизации генератора опорного напряжения, находящегося в канале управления (Л17, Л24).
С вывода "6, 7, 11" линии ЛЗ-11 задержанный импульс подается одновременно в схему формирования импульса запуска ответчика и на каскад формирования импульса синхронизации генератора стробирующих импульсов.
Схема формирования импульса запуска ответчика состоит из усилителя и блокинг-генератора (Л1). С выхода блокинг-генератора импульс запуска подается в канал передачи ответных сигналов (блок НБ-6).
Каскад формирования импульса синхронизации генератора стробирующих импульсов представляет собой катодный повторитель (Л2), с выхода которого синхронизирующий импульс подается в схему временного селектора (блок НБ-4).
С вывода "6, 7 11 + 0.3" линии ЛЗ-11 задержанный импульс подается на каскад формирования импульса-подавителя, который представляет собой ждущий блокинг-генератор (л8). Сформированные блокинг-генератором импульсы подаются на катоды ламп первого и второго каскадов УПЧ канала приема сигналов (блок НБ-3).
4.5.3. Канал формирования команды 2
В этом канале производится дешифрирование трехимпульсных кодовых групп сигнала команды 2 и формирование этой команды путем выдачи напряжения 27В.
Все элементы, входящие в канал формирования команды 2, размещены в блоке НБ-5. К ним относятся:
-
дешифратор команды 2;
-
накопитель импульсов;
-
схема формирования команды 2.
Дешифратор команды 2 состоит из:
-
расширителя импульсов (Л13);
-
видеоусилителя (Л14);
-
катодного повторителя (Л14);
-
линии задержки (Л3-111);
-
каскада совпадений (Л10);
-
блокинг-генератора (Л4);
-
двух переключателей кодов.
Видеоимпульсы сигналов станции НН через катодный повторитель (Л7) поступают на расширитель импульсов (Л13) для увеличения их длительности. Расширение импульсов производится путем сложения в анодной цепи лампы Л13 исходного импульса с импульсом, задержанным линией ЛЗ-1, благодаря чему длительность импульса приблизительно удваивается. Далее импульсы усиливаются видеоусилителем (Л14) и через катодный повторитель (Л14) подаются одновременно на линию задержки ЛЗ-111 и каскад совпадений (Л10).
Линия задержки ЛЗ-111 имеет ряд отводов, соответствующих различным временам задержки, используемых для получения набора кода. В зависимости от установленных для команды 2А и 2Б кодов выводы линии задержки ЛЗ-111 подключаются к каскаду совпадений (Л10) через соответствующий переключатель кодов и контакты 9 и 12 реле Р1. При одновременном совпадении во времени трех импульсов на выходе каскада совпадений образуется одиночный импульс, которым запускается блокинг-генератор (Л4).
Импульсы блокинг-генератора подаются на накопитель импульсов, который состоит из накопительного каскада (Л5) и катодного повторителя (Л5).
Схема формирования команды 2 включает в себя:
элементы для формирования команды 2А:
-
реле Р1;
-
мультивибратор (Л11);
-
усилитель мощности (Л12)
элементы для формирования команды 2Б:
-
реле Р2;
-
мультивибратор (ЛЗ);
-
усилитель мощности (Л6).
При обесточенной обмотке реле Р1 его контакты 5-11 разомкнуты, и к выходу катодного повторителя (Л5) подсоединен только мультивибратор схемы формирования команды 2А (Л11). При поступлении сигналов команды 2А мультивибратор (Л11) запускается. Это происходит только после подачи на вход накопителя (Л5) одиннадцати импульсов с блокинг-генератора. Такая мера служит для защиты цепей формирования команды 2 от случайных импульсных помех.
Нагрузкой усилителя мощности (Л12) является обмотка реле Р1. Это реле служит для подготовки схемы к приему команды 2Б. Когда реле Р1 срабатывает, то к выходу катодного повторителя (Л5) через контакты 5-11 подключается мультивибратор схемы формирования команды 2Б (ЛЗ). Через контакты 2-9 и 7-12 к каскаду совпадений (Л 10) подключаются соответствующие вывода линии задержки ЛЗ-111, а через контакты 4-10 включается анодное питание усилителя мощности схемы формирования команды 2Б (Л6).
Мультивибратор схемы формирования команды 2А (Л11) вырабатывает импульс длительностью в 135-155 мксек. Если в течении этого времени не будут приняты сигналы исполнительной команды 2Б, то схема вернется в исходное положение.
Принцип формирования исполнительной команды 2Б аналогичен описанному выше. По исполнительной команде срабатывает реле Р2, через контакты 4-10 которого в канал тангажа автопилота выдается команда 2Б в виде напряжения 27 в. Одновременно команда 2Б подается на запуск механизма задержки (блок НС-2) и на обмотку реле РЗ в блоке НБ-8. Реле РЗ служит для выключения ответчика, что необходимо для фиксации на станции НН момента выдачи станции НБ команды 2Б (или 2В).
При срабатывании реле Р2 осуществляется самоблокировка реле Р1 и Р2. Самоблокировка заключается в том, что при замыкании контактов 5-11 и 2-9 реле Р2 замыкаются цепи питания обмоток реле Р1 и Р2 независимо от работы соответствующих каскадов усилителя мощности (Л6, Л12).
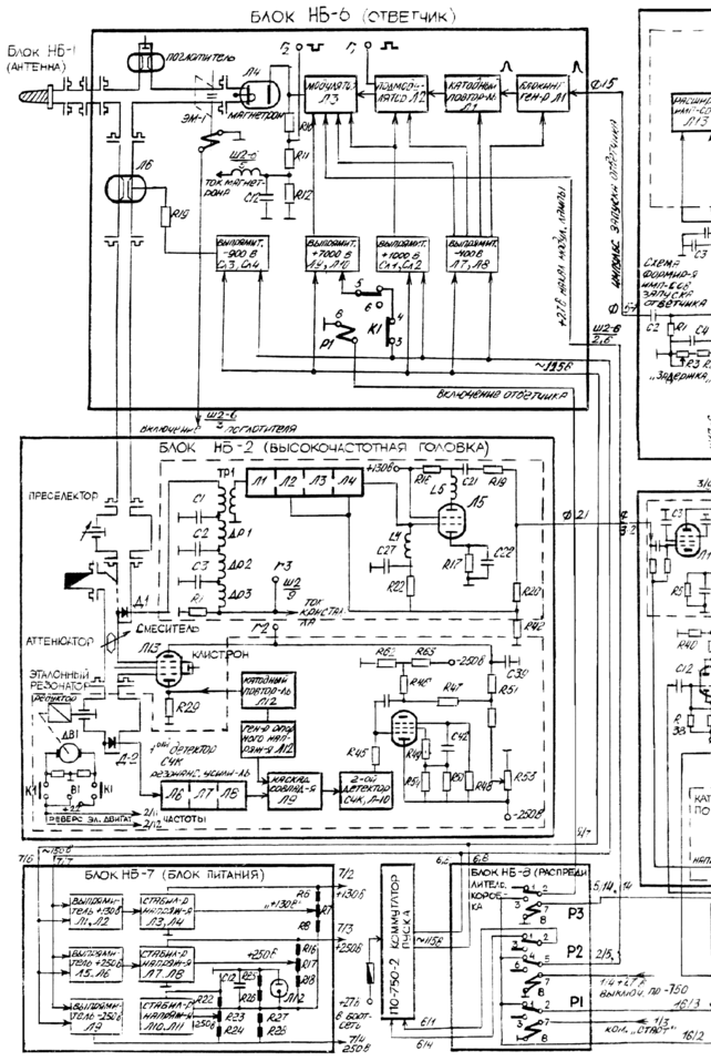
4.6. Блок НБ-6 (Ответчик)
В блоке НБ-6 (ответчик) размещены элементы канала передачи ответных сигналов (передатчик) и антенный переключатель. Передатчик состоит из
-
ждущего блокинг-генератора с катодным повторителем (Л1);
-
подмодулятора (Л2);
-
модулятора (ЛЗ);
-
магнетронного генератора (Л4);
-
трех выпрямителей (Л70Л10; Сл1, Сл2).
Импульс запуска ответчика подается на блокинг-генертор (Л1) из канала синхронизации (из блока НБ-5). Блокинг-генератор вырабатывает импульс, который через катодный повторитель (Л1) подается на подмодулятор (Л2). В подмодуляторе происходит формирование импульса нужной формы и длительности. Модулятор (ЛЗ) вырабатывает мощный отрицательный импульс, необходимый для запуска магнетрона (Л4). Высокочастотный импульс, генерируемый магнетроном, поступает через главный волновод в антенну.
Выпрямители служат для питания анодно-экранных цепей и цепей смещения передатчика.
Антенный переключатель расположен в главном волноводе и состоит из разрядника защиты приемника (Л6) с выпрямителем поджига (СлЗ и Сл4) и разрядника блокировки передатчика (Л5). В волноводном тракте блока имеется поглотитель с затуханием 10 дБ для снижения излучаемой мощности при контроле работы и настройки станции НБ. Управление поглотителем осуществляется с помощью электромагнита ЭМ1.
При выдаче станцией НН команды 2Б передатчик выключается из работы с помощью реле Р1, которое разрывает цепь питания высоковольтного выпрямителя. Работой реле Р1 управляет реле РЗ, расположенное в блоке НБ-8.
4.7. Блок НБ-7 (блок питания)
В блоке НБ-7 (блок питания) размещены выпрямители для питания анодно-экранных цепей, и цепей смещения блоков НБ-2, НБ-3, НБ-4 и НБ-5 станции НБ. Блок НБ-7 состоит из трех стабилизированных выпрямителей с выходными напряжениями +130 в, +250 в и -250 в.
Питание блока осуществляется напряжением 115 в частотой 400 гц.
4.8. Блок НБ-9 (Механизм времени)
Блок НБ-9 (механизм времени) предназначен для управления работой станции НБ по определенной временной программе. Блок состоит из кулачкового механизма, приводимого в движение электродвигателей с редуктором и переключателей. На одной оси с кулачками укреплен подвижный контакт потенциометра дальности.
С момента старта ракеты блок НБ-9 выполняет следующие операции:
-
выдает команду 1 через 25 сек после старта. Команда выдается в автопилот в виде напряжения 27В;
-
производит включение стробирования приемника через 70 сек. после старта. Эта команда выдается включением напряжением 27В на обмотку реле Р1 в блоке НБ-3;
-
снимает блокировку цепей формирования команды 2Б путем замыкания цепи катодного тока лампы усилителя мощности (Л6) в блоке НБ-5. Задержка разблокировки устанавливается перед стартом ракеты;
-
выдает команду 2В. Команда 2В выдается в виде напряжения 27В в канал тангажа автопилота на реле РЗ блока НБ-8, выключающее ответчик, и на механизм задержки (в блок НС-2). Задержка выдачи команды 2В устанавливается перед стартом ракеты в пределах 200-500 сек. Блокировка цепей формирования команды 2Б снимается на 160 сек. ранее выдачи команды 2В.
4.9. Блок НС-2 (Механизм задержки)
Блок НС-2 (механизм задержки) предназначен для выдачи команды 3 на боевую часть ракеты с заданной временной задержкой относительно команды 2Б или 2В.
Для повышения надежности работы блок НС-2 выполнен в виде двух одинаковых параллельно действующих механизмов. Каждый механизм состоит из электродвигателя с редуктором и программного кулачкового механизма с контактами.
Задержка выдачи команды 2 может быть установлена в пределах от 0.2 до 22 сек.
1 При описании принципа управления ракетой ФКР-1, из соображения наглядности не учитывается, что в станции НБ опорное и синусоидальное напряжение ошибки при отклонении ракеты вправо или влево от равносигнальной зоны сдвинуто по фазе ±90° относительно огибающей вида импульсов.
1 Рисунок расположен в конце всего текста. Блок-схема разбита на три составляющие. Неразделенная схема, находится в файле allbloks.gif















