135614 (722425), страница 2
Текст из файла (страница 2)
При предоставлении услуг телефонной (голосовой) связи, как показано проскальзывания могут вызвать случайные звуковые щелчки. Эти щелчки не всегда слышны и не приводят к серьезным искажениям речи. Поэтому услуги телефонной связи некритичны к проскальзываниям. Частота появления проскальзываний до нескольких проскальзываний в минуту считается допустимой.
Как показано на рис. 2, где рассматривается влияние управляемых проскальзываний на передачу факсимильных сообщений группы З, одиночные проскальзывания приводят к искажению или пропаданию строк в принятом факсимильном сообщении. Проскальзывание может вызвать пропадание до 8 сканированных линий. Это соответствует пропуску 0,08 дюйма вертикального пространства. На стандартной отпечатанной странице проскальзывание выглядит как отсутствие верхней или нижней половины отпечатанной строки. Длительное появление проскальзываний приведет к необходимости повторной передачи страниц, подвергшихся их влиянию. Повторная передача не может быть автоматизирована и осуществляется пользователем вручную.
Влияние проскальзываний на передачу данных при помощи модемов проявляется в виде длинных пакетов ошибок. Продолжительность такого пакета ошибок зависит от скорости передачи данных и типа модема находится в диапазоне от 10 миллисекунд до 1,5 секунд. В период появления этих ошибок оконечное приемное устройство, подключенное к модему, принимает искаженные данные. В результате пользователь должен осуществить повторную передачу данных.
При возникновении проскальзываний во время сеанса видеотелефонной связи происходит пропадание изображения. Абонентов просят повторно установить связь для восстановления изображения.
Влияние проскальзываний на передачу цифровых данных зависит от используемого протокола. В протоколах, не предусматривающих возможности повторной передачи, возможны пропуски, повторения или искажения данных.
Возможна потеря кадровой синхронизации, вызывающая искажения множества кадров при возобновлении поступления импульсов кадровой синхронизации. Протоколы с повторной передачей имеют возможность обнаружить проскальзывания и инициировать повторную передачу. Для инициализации и выполнения такой ретрансляции обычно требуется одна секунда. Поэтому проскальзывания будут влиять на пропускную способность, обычно приводя к потере секунды времени передачи.
При цифровой передаче изображений (например, видеоконференция), как показывают тесты, приведенные ниже, проскальзывание обычно вызывает искажение части изображения или его "замораживание" на время до 6 секунд. Серьезность и длительность искажений зависит от применяемого оборудования кодирования и компрессии. Наиболее значительные искажения возникают при использовании низкоскоростного декодирующего оборудования.
Наибольшее влияние проскальзывания оказывают при предоставлении услуг по передаче шифрованных данных. Проскальзывание приводит к потере ключа кодирования. Потеря ключа приводит к недоступности переданных данных до повторной передачи ключа и повторного осуществления связи. Поэтому вся связь останавливается. Что более важно, необходимость в ретрансляции ключа значительно влияет на безопасность. Для многих приложений, связанных с проблемами безопасности, число проскальзываний, превышающее 1 в день, считается неприемлемым.
Необходимость синхронизации SDH.
С появлением SDH к сетям синхронизации предъявляются новые требования. SDH являются высокоскоростными синхронными транспортными системами. Элементы сетей SDH требуют синхронизации, так как передаваемый ими оптический сигнал является синхронным. Однако потеря синхронизации сетевыми элементами SDH не приводят к возникновению проскальзываний. Это обусловлено тем фактом, что рабочая нагрузка в SDH передается асинхронно. Для идентификации начала кадра SDH используют указатели. Несовпадение скоростей передачи и приема вызовет изменения в указателе (см. Рис.2).
Рис. 2 - Выравнивание указателя.
Однако, выравнивание указателя может привести к возникновению джиттера и вандера в передаваемом сигнале. Джиттер это быстрое (>10 Гц) изменение фазы сигнала («дрожание фазы»). Вандер - это медленное (<10 Гц) изменение фазы сигнала («дрейф фазы»). Избыточный джиттер SDH может привести к потере кадровой синхронизации. Избыточный вандер может вызвать проскальзывание на оконечном оборудовании. Поэтому целью синхронизации сетей SDH является, ограничение числа выравниваний указателя, осуществляемых сетевыми элементами SDH. Это достигается ограничением кратковременных шумов (<100 секунд) в сети синхронизации путем использования более стабильных тактовых генераторов на всей сети.
Пакеты (паучки) ошибок, вызванные синхронизацией.
В частных сетях синхронизация может вызвать дополнительные сбои (ухудшения) в форме пакетов ошибок. Рассмотрим частную сеть, в которой тактовые генераторы оборудования, размещенного на территории пользователя (СРЕ), соединены в цепь. Кратковременному ухудшение опорной частоты первого СРЕ повлияет на работу всего оборудования в цепи (см. Рис.3). В ответ на кратковременную ошибку большинство генераторов CPE выработает пакеты ошибок на всех выходных линиях. Второй генератор в цепи определит наличие ухудшения, вызванного первым генератором, и будет реагировать подобным образом, вырабатывая ухудшения (сбои) на всех своих выходах. Таким образом, пучок ошибок распространяется (и произвольно увеличивается) по всей сети СРЕ.
Пучки ошибок, вызванные синхронизацией, по своей природе являются кратковременными переходными процессами и обычно мало отличаются от избыточно ошибочных линий передачи. Поэтому проблемы синхронизации могут быть ошибочно приняты за высокий коэффициент ошибок линий передачи. Таких трудностей можно избежать при использовании правильно разработанных генераторов СРЕ и при тщательном планировании распределения синхронизации в частной сети. Необходимо отметить, что такие проблемы пучков ошибок обычно не возникают в сетях общего пользования.
Рис. 3 – Ошибки каскадирования в частных сетях.
Требования к рабочим характеристикам синхронизации - Сети общего пользования.
Для управления частотой проскальзываний, событиями выравнивания указателей и пучками ошибок, вызванных синхронизацией, ITU и ANSI установили несколько требований к рабочим характеристикам синхронизации.
Для международных соединений порог скорости проскальзываний для "приемлемого" соединения установлен ITU на уровне одного проскальзывания за каждые пять часов. Для достижения удовлетворительной скорости проскальзываний при сквозной передаче долговременная максимальная нестабильность частоты на выходе цифровой системы синхронизации составляет 1х10-11. Это требование было установлено как ANSI, так и ITU. Требования к кратковременной нестабильности допускают от 1 до 10 микросекунд с ошибками в день на выходе каждого сетевого тактового генератора.
В настоящее время принимаются новые кратковременные требования. Это преследует две цели. Во-первых, это гарантирует, что случайные изменения синхронизации не приведут к появлению проскальзываний. Во- вторых, это ограничивает период кратковременной нестабильности сигнала синхронизации, что, в свою очередь, ограничивает число выравниваний указателя и результирующий джиттер в сетях SDH. ANSI требует, чтобы длительность кратковременного шума с ограниченной полосой пропускания на выходе генератора не превышала 100 наносекунд.
Требования к рабочим характеристикам синхронизации - Корпоративная (частная сеть)
В настоящее время в стадии разработки находятся спецификации ETSI выдвигающие требования к джиттеру и вандеру в сетях синхронизации, подходящих для SDH и PDH. Устанавливаются пределы для различных уровней (layers) сетевой синхронизации, а также рабочие характеристики генераторов оборудования SDH. В данном документе приводятся стандарты для тех администраторов сетей, которые придерживаются ETSI.
Для частных сетей существует несколько требований к рабочим характеристикам синхронизации. Рабочие характеристики синхронизации для частной цифровой сети могут быть в 1000 раз хуже, чем для сети общего пользования. В соответствии с требованиями ANSI первый СРЕ в цепи синхронизации частной сети должен обеспечивать 4,8 миллисекунд времени с ошибками в день. Это соответствует приблизительно 40 проскальзываниям в день на один СРЕ. Кроме того, ANSI в настоящее время не имеет требований, ограничивающих число пучков ошибок, вызванных синхронизацией в частных сетях. Однако, это временное требование. Ожидается, что в ближайшие несколько лет эти требования изменятся до 18 микросекунд ежедневных ошибок синхронизации и отсутствия пучков ошибок, вызванных синхронизацией.
Основной причиной плохих рабочих характеристик частных сетей является использование в СРЕ генераторов низкого качества Stratum 4. Кроме того, частные сети могут иметь сложные неограниченные архитектуры с большим количеством каскадно-соединенных эталонных источников синхронизации. При использовании генераторов 4 уровня проскальзывания вызываются не только ошибками передачи, но и сбоями, вызванными оборудованием. Кроме того, синхронизация СРЕ может стать серьезным источником ошибок на передающих устройствах частных сетей. Более подробно эта проблема обсуждается в разделе IV «Влияние генератора приемника, работа в условиях стресса - генераторы СРЕ».
-
Архитектура синхронизации.
Основы передачи сигналов в сетях SDH
В этом разделе рассмотрены основные принципы передачи сигналов в сетях SDH необходимые для понимания вопросов синхронизации. В обеих сетях осуществляется синхронное мультиплексирование сигналов. Это дает два основных преимущества: одноступенчатое мультиплексирование и возможность кросс-коммутации и мультиплексирования ввода- вывода.
В существующих асинхронных системах для достижения более высокой скорости передачи сигналов необходимо мультиплексировать сигнал на каждом уровне иерархии передачи. Например, сигналы DS1 мультиплексируются в DS2, затем в DS2 в DS3, затем в высокоскоростные сигналы оптической линии. В SDH мультиплексирование выполняется за один шаг, так как сигнал синхронный.
Второе основное преимущество заключается в возможности кросс коммутации и мультиплексировании ввода-вывода. Для получения сигнала DS1 или E1 в существующих асинхронных системах должен быть демультиплексирован полный сигнал. Высокоскоростной сигнал оптической линии должен быть демультиплексирован в DS3, DS3 в DS2, DS2 в DS1 или E1. Необходимо иметь все сигналы DS1 или E1, чтобы получить один из них. В SDH DS1 или E1 могут быть получены без демультиплексирования полного сигнала.
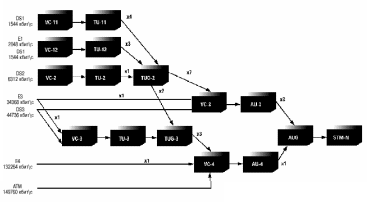
Мультиплексирование в сети SDH
Синхронный транспортный модуль уровня 1 (STM-1), имеющий скорость передачи 155,520 Мбит/с, обеспечивает базовую скорость потока для SDH. Все менее скоростные полезные нагрузки, такие как DS1, E1 или DSЗ упаковываются в STM-1. Более скоростные сигналы формируются путем мультиплексирования N транспортных модулей SТМ-1 в STM-N. Никаких дополнительных заголовков или дополнительной обработки при этом не требуется. Сигнал STM-1 состоит либо из сигналов трех административных блоков уровня З (AU-З), либо из сигнала одного блока AU-4.
Полезные нагрузки могут быть упакованы в SDH несколькими способами, как показано на рисунке 4. Сигналы DS1 или E1 сначала упаковываются в виртуальный контейнер (VC-11, VC-12, соответственно). Этот виртуальный контейнер УС содержит полезную нагрузку и информацию заголовка. VC-11 или VC-12 затем упаковываются в более скоростной виртуальный контейнер VC, такой как VC-З, который может быть также использован для переноса сигналов DSЗ. Сигнал VC-З имеет дополнительную информацию заголовка. Более скоростной сигнал УС затем упаковывается в сигнал AU-З или AU-4, которые входят в состав STM-1.
Рис. 4 – Мультиплексирование в сети SDH.
Основные методы синхронизации.
Для синхронизации цифровых сетей используется несколько основных методов: плезиохронная работа, иерархическая работа приемника - передатчика, взаимная синхронизация, импульсное дополнение (стаффинг) и указатели. Все они подробно рассматриваются ниже.
Плезиохронная работа.
Каждый узел получает эталонный сигнал от своего независимого источника синхронизации (рис.5). Допустимая частота проскальзываний сохраняется благодаря жесткой точности синхронизации на обеих сторонах соединения. Стандарты определяют границу стабильности генераторов, используемых для синхронизации плезиохронных соединений. В сетях, использующих плезиохронные ситуации, управляющие генераторы должны поддерживать долговременную нестабильность частоты в пределах 1х10-11. Это типовой режим работы для соединения через административные границы.
Рис. 5 – Плезиохронная работа
Иерархический передатчик - приемник.
Источник первичного эталонного сигнала в управляющем узле генерирует размноженный и распределенный эталонный сигнал синхронизации (рис.6). Управляющий узел посылает свой эталонный сигнал на принимающие узлы. Эталонный синхросигнал иерархически распределяется по сети. Двумя главными компонентами этой сети являются генераторы приемника, используемые для регенерации эталонного сигнала синхронизации, и цифровые тракты, используемые для передачи синхросигналов по сети.
Рис. 6 – Иерархическая структура источник-приемник.
Взаимная синхронизация.
При взаимной синхронизации информация о синхронизации совместно используется всеми узлами сети (рис.7). Каждый генератор посылает и принимает сигналы эталонной синхронизации на все другие генераторы в сети. Синхронизация цепи определяется путем усреднения всех сигналов синхронизации, получаемых каждым генератором от всех других генераторов в сети. Теоретически, эта работа может обеспечить идентичные сигналы синхронизации на каждый узел, но в реальных условиях, при наличии несовершенных генераторов и несовершенной передачи информации о синхронизации, синхронизация подвержена флуктуации и стремится к общей частоте.
Рис. 7 – Режим взаимной синхронизации.
Импульсное дополнение (стаффинг)
Этот метод используется для передачи асинхронных потоков выше уровня DSI / EI. Цифровые потоки, подлежащие мультиплексированию, уплотняются дополнительными ложными импульсами. Это увеличивает их скорости до скорости независимого местного генератора. Исходящая скорость мультиплексора выше, чем сумма входящих скоростей. Ложные импульсы не несут никакой информации, они кодируются для идентификации. На стороне приемника ложные импульсы удаляются. Полученные пробелы в потоке импульсов затем удаляются, восстанавливая первоначальный поток данных.
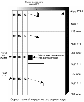
Указатели и выравнивание указателей
SDH для переноса сигнала используют указатели полезной нагрузки. Указатель содержит фактический адрес начала виртуального контейнера на карте поля, отведенного под полезную нагрузку в структуре SDH.
Разность фаз и частот между двумя сетевыми элементами (NE) в SDH может быть компенсирована с помощью указателей полезной нагрузки. Если передающий NE SDH работает быстрее приемного, последний будет создавать отрицательное выравнивание указателя и сдвигать полезную нагрузку вперед на один байт или восемь бит, как показано на рисунке 8(a). Таким образом приемный NE будет подстраиваться под передающий без потери информации. Аналогично, если передающий NE более медленный, чем приемный, возникнет положительное выравнивание указателя на один байт, как показано на рисунке 8(б).
Размещение полезной нагрузки
Сигналы DS3 размещаются в SDH с использованием вставки битов (стаффинга) для компенсации расхождения в тактировании между DS3 и SDH.
Сигналы DS1 и E1 могут размещаться одним из четырех методов: асинхронное размещение, плавающее байт-синхронное размещение, фиксированное байт-синхронное размещение и бит синхронное размещение.
При асинхронном размещении сигнал DS1 или E1 размещаются в VT1.5 или VC-12/1З асинхронно с использованием вставки битов для устранения расхождений в тактировании. Для определения начала кадра VT/VC используются указатели. При асинхронном размещении сигналы DS1 или E1 транспортируются без проскальзывания и без повторного тактирования. Однако система будет подвержена действию выравнивания указателей, которое будет происходить из-за возможной разности частот между сетевыми элементами в тракте передачи.
Плавающее байт-синхронное размещение отличается от асинхронного тем, что не использует вставки битов для устранения расхождения в тактировании полезных нагрузок и сетевых элементов. Такое размещение обеспечивает прямой доступ к сигналам DS0. Однако при этом необходимо, чтобы DS1 или E1 были синхронизированы с сетевым элементом SDH. Любое расхождение в частотах между полезной входной нагрузкой и первым сетевым элементом SDH в тракте передачи ведет к появлению проскальзываний.
Фиксированное байт-синхронное размещение не допускает использования какой бы то ни было вставки битов или указателей в процессе размещения. Следовательно, DS1 или E1 должен быть синхронизирован с сетевым элементом SDH. Для согласования тактирования по всему тракту транспортировки сигнала должен быть предусмотрен буфер проскальзывания.
Бит-синхронное размещение аналогично фиксированному байт синхронному размещению, за исключением того, что при этом не предполагается, что структура DS1 или E1 организована в составе DS0. DS1 или E1 пересылаются в виде одиночного битового потока с кадрами DS0 или DS1/E1 или без них.
Предполагается, что большинство сетей будут использовать асинхронное размещение для транспортирования сигналов DS1 и E1.
Рис. 8a – Операция выравнивание указателя AU-3 – отрицательное выравнивание.
Рис. 8б – Операция выравнивание указателя AU-3 – положительное выравнивание.
Синхронизация телекоммуникаций.
Для синхронизации сетей E1 / DS1 большинство администраторов телекоммуникационных сетей использует метод иерархического источника - приемника (ведущий - ведомый). Источником основного эталонного сигнала синхронизация сети является один или более первичных эталонных генераторов (ПЭГ). Эталонный сигнал этого генератора распределяется по сети, состоящей из генераторов - приемников или ведомых задающих генераторов (ВЗГ) (рис.6).
Узел с наиболее стабильным генератором назначается узлом - источником. Узел - источник передает эталонную синхронизацию на один или более принимающих узлов. Рабочие характеристики принимающих узлов обычно такие же или хуже, чем у узла источника. Узел приемника захватывает эталонную частоту синхронизации источника и затем передает ее другим узлам приемника. Поэтому синхронизация распределяется вниз по иерархии узлов.
Принимающие узлы обычно разрабатываются для приема одного или большего числа эталонных сигналов. Один эталонный сигнал является активным. Все другие альтернативные эталонные сигналы являются резервными. В случае, если активный эталонный сигнал потерян, узел приемника может переключать эталонные сигналы, и подключается к альтернативному эталонному сигналу. Таким образом, каждый принимающий узел имеет доступ к синхронизации от одного или нескольких источников. Большинство сетей спроектированы таким образом, что всем генераторам приемникам подается два или более разных эталонных сигналов. В частных сетях это может быть невозможным из-за ограниченной возможности соединений между узлами.
Генераторы размещаются в соответствии с иерархией, основанной на уровнях рабочих характеристик. ANSI назначает уровни рабочих характеристик как уровни слоев (Stratum): слои 1, 2, 3, 4Е и 4, в порядке от лучших к худшим. ITU (9) назначает 4 уровни рабочих характеристик: первичный эталонный генератор, транзитный узел, локальный узел, терминал или узел СРЕ. Слой 1 или ПЭГ являются управляющими узлами для сети. Слой 2 или генераторы транзитного узла обычно находятся в коммутационных устройствах и в некоторых видах цифрового кроссового оборудовании. Е третьему слою, или генераторам местных узлов относится большая часть местного коммутационного оборудования, цифровые кроссовые системы, некоторые учрежденческие АТС (РВХ) и мультиплексоры T1. Слой 4, или генераторы СРЕ, включают большую часть мультиплексоров T1, РВХ, банков каналов и эхоподавителей.
Генераторы источника: Первичный эталонный генератор.
Первичный эталонный генератор (ПЭГ) является управляющим генератором для сети, обеспечивающей точность установки частоты лучше, чем 1х10-11 (7). Одним из классов ПЭГ является генератор слов 1. Генератор слов 1, по определению, является свободным генератором (7). Он не использует эталонный сигнал синхронизации для получения или запуска его синхронизации. Генераторы слов 1 обычно состоят из нескольких цезиевых стандартов частоты.
Тем не менее, ПЭГ может быть выполнен не только на основе первичных атомных стандартов частоты (7). Другими примерами ПЭГ являются генераторы систем всемирного координированного времени (GPS) и LORAN-С. Эти системы используют местные рубидиевые или кварцевые генераторы, которые запускаются информацией о синхронизации, получаемой от GPS или LORAN-С. Они не считаются принадлежащими к слою 1, т.к. они запускаются принудительно, но по своим параметрам классифицируются как первичные эталонные генераторы. Эти генераторы способны поддерживать погрешность от нескольких единиц 10-13 до нескольких единиц 10-12.
Влияние скорости проскальзываний на ПЭГ обычно не принимается во внимание. Сеть, синхронизируемая от двух ПЭГ, будет подвержена в наихудшем случае пяти проскальзываниям в год, обусловленным нестабильностью частот генераторов. По сравнению с характеристиками генераторов приемников эта цифра пренебрежимо мала, как показано в разделе IV. Поэтому, среди операторов телекоммуникационных сетей наблюдается тенденции в большей степени полагаться на ПЭГ, а для синхронизации их сетей использовать множество таких генераторов.
Генераторы приемника (ведомые задающие генераторы).
Главным предназначением генератора приемника (ВЗГ) является восстановление синхронизации из опорного сигнала и поддержание синхронизации как можно ближе к синхронизации узла источника. для этого требуется, чтобы генератор приемника выполнял две основные функции. Во-первых, он должен воспроизводить синхронизацию генератора источника эталонного сигнала, даже, несмотря на то, что эталонный сигнал может быть ошибочным. Во-вторых, он должен сохранять адекватные временные состояния в отсутствие эталона синхронизации.
Обычным режимом работы ВЭГ является извлечение сигнала синхронизации из эталонного сигнала ПЭГ. В этом режиме генератор приемника должен иметь способность выявлять возможные короткие ошибки эталонного сигнала. Этими ошибками могут быть нестабильность синхронизации (джиттер) или краткие прерывания эталонного сигнала (пучки ошибок). Эти ошибки обычно вызываются устройством, транспортирующим эталонный сигнал от генератора источника к генератору приемника.
Генератор приемника использует низкочастотные фильтры для выявления кратковременной нестабильности частоты синхронизации. Для выявления кратких прерываний генераторы приемника разрабатываются с двумя или большим числом входов эталонных сигналов, для того чтобы они могли переключать эталонные сигналы при наличии кратковременных искажений (ухудшений). Большинство сетевых генераторов (ANSI слой 2,3 и 4Е, транзитные и местные генераторы ITU) разработаны таким образом, чтобы вызвать ошибку временного интервала длительностью не более 1000 нсек при каждом переключении эталонного сигнала или другом переходном событии. Кроме того, сетевые генераторы разрабатываются для сохранения ежедневных ошибок временного интервала в пределах 1-10 мксек при отсутствии прерываний.
Генераторы слоя 4 (СРЕ) не предъявляют каких-либо требований к их режиму восстановления синхронизации. В ответ на краткие прерывания генератор слоя 4 будет обычно вызывать 10-1000 мксек ошибку временного интервала. Кроме того, этот фазовый скачок будет сопровождаться пучком ошибок. Поэтому, СРЕ очень неустойчивы к ошибкам устройств (см. раздел IV "Влияние генератора приемника, работа в условиях стресса - генераторы СРЕ" стр. 18, для характеристик типичного слоя 4).
Вторым режимом работы является генератор приемника, действующий при потере всех своих эталонных сигналов синхронизации. Режим удержания (holdover) служит для запоминания известной последней частоты источника и для поддержания необходимой погрешности частоты после потери всех опорных сигналов синхронизации. СРЕ может входить в свободный режим, когда оно теряет все эталонные сигналы синхронизации. Свободный режим относится к такому режиму работы, при котором синхронизация, исходящая от генератора управляется местным осциллятором, а для корректировки частоты генератора не используется память о частоте внешнего эталонного сигнала.
Стандарты генераторов.
ITU и ANSI классифицируют генераторы приемников в уровнях, соответствующих их рабочим характеристикам. ITU обозначает генераторы как транзитные, местные и генераторы оконечных устройств (СРЕ). ANSI назначает генераторы слоям 2, З, 4Е и 4, в соответствии с убывающими значениями характеристик. Чтобы удовлетворить определенному уровню рабочих характеристик, генератор должен отвечать требованиям нескольких функций. Ими являются: перестройка временных отношений , функция удержания, погрешность в свободном режиме, дублирование аппаратной части и возможности внешней синхронизации. Эти функции кратко описаны в Таблицах 1 и 2.
Таблица 1. Стандарты генераторов ITUI
Функция Транзитный узел Местный узел Терминал СРЕ
Погрешность Нет требований Нет требований 5х10
Удержание
Первоначальный сдвиг
частоты 5х10-10 1х10-8 Нет требований
Долговременный 1х10 2х10-8
Ошибка временного
интервала 1 мксек 1 мксек Нет требований
Наклон изменения фазы 61х10-6 61х10-6 Нет требований
Таблица 2. Стандарты генераторов ANSI
Функция Слой 2 Слой З Слой 4Е Слой 4
Погрешность 1.6х10-8 4.6х10-6 3.2х10 3.2х10
Удержание 1х10-10 3.7х10 Нет требований
Ошибка временного интервала 1 мксек 1 мксек 1 мксек Нет требований
Наклон изменения фаз 61х10-6 61х10 61х10-6 Нет требований
дублирование Требуется Требуется Нет требований Нет требований
Внешние входы Требуется Требуется Нет требований Нет требований
Наиболее важным требованием в генераторах приемника является возможность перестройки (реорганизации) сохранения синхронизации. Это объясняется тем, что генераторы приемника часто могут быть подвержены кратким прерываниям их эталонного сигнала синхронизации. Краткое прерывание обуславливает перестройку генератора. Перестройка определяется как переключение генератором его эталонного сигнала или внесение погрешности небольшой длительности. Переключение аппаратных средств генератора тоже считается перестройкой. В условиях перестройки все генераторы, за исключением генераторов 4-го CPE, должны вызывать ошибку временного интервала не более 1 мкс по отношению к ее источнику синхронизации. Кроме того, если генератор вызывает ошибку временного интервала, он не может быстро построить фазу. Фаза должна изменяться со скоростью менее 61х10-6. Требование к скорости изменения фазы необходимо потому, что генераторы прямого потока могут оставаться «привязанными» к генератору, начавшему перестройку.
Требования к функции удержания значительно различаются для разных сетевых генераторов. Слой 2 и транзитный узел должны иметь относительную погрешность по частоте 1х10-1О и 1х11-9 в первые 24 часа после пропадания эталонного сигнала.
Эти строгие спецификации необходимы, потому что эти генераторы обычно используются для управления синхронизацией в переговорных пунктах, имеющих десятки тысяч трактов. Эта спецификация гарантирует, что ни один из трактов не подвергается более, чем одному проскальзыванию в первые 24 часа режима удержания. Напротив, т.к. слой З и местные генераторы обычно используются в небольших офисах и влияют на меньшее число трактов, для них допускается появление до 255 и 14 проскальзываний соответственно в каждом тракте в первые 24 часа.
Для генераторов слоя 4 СРЕ не требуются обеспечения режима удержания. Генератор слоя 4 без задержки будет немедленно переходить в состояние свободного режима при каждой потере эталонного сигнала синхронизации.
Состояние свободного режима относится к стабильности генератора, когда он работает на своих собственных внутренних осцилляторах без принудительного запуска или корректировки предыдущим состоянием внешнего эталонного сигнала, для генераторов с функцией удержания свободный режим наблюдается только при длительном пропадании эталонного сигнала (от недель до месяцев) и он является исключительно редким. Т.о. спецификации погрешности свободного режима являются наименее критичными из всех спецификаций генератора. Эта мысль подчеркивается тем фактом, что ITU не определяет погрешности свободного режима. Для генераторов слоя 4 СРЕ их свободный режим будет определять характеристики проскальзывания даже во время кратковременной потери эталонного сигнала.
Дополнительными требованиями является то, что генераторы слоя 2 и З ANSI должны иметь дублирующую аппаратную часть и входы внешних генераторов. Дублированная аппаратная часть гарантирует, что оборудование продолжает работать при аппаратном сбое генератора. Вход внешнего генератора предназначен для дополнительной внешней синхронизации. Он используется для подачи синхронизации непосредственно на генератор. Этот вход полезен для планирования гибкой синхронизации, при которой сигнал эталонной синхронизации для генератора может и не заканчиваться в цифровой системе.
-
Характеристики синхронизации.
Характеристики синхронизации в иерархической сети передатчика -приемника определяются тремя компонентами: погрешностью управляющего генератора, характеристиками устройств, распределяющих эталонный сигнал, и характеристиками генераторов приемника, получающего эталонный сигнал через эти устройства. В дальнейшем будет показано, что нестабильность частоты синхронизации управляющего генератора обычно слабо влияет на общую нестабильность в сетях синхронизации. Характеристики синхронизации в основном определяются комбинацией характеристик устройств распределения и генератора приемника. В реальных сетях генератор приемника, подсоединенный к управляющему генератору, будет работать с долговременной частотой, отличающейся от частоты управляющего генератора. Нестабильность частоты генератора приемника обычно в 10 -100 раз превышает нестабильность частоты управляющего генератора. Поэтому, генераторы приемника служат причиной большей части ошибок синхронизации и проскальзываний в сетях.
Влияние первичного эталонного генератора.
Влияние ПЭГ на уровень проскальзываний обычно крайне незначительно. Цезиевые генераторы, GPS и LORAN-C будут обычно иметь долговременные погрешности по частоте порядка от нескольких единиц на 10-13 до нескольких единиц на 10-12. Это приводит к уровням проскальзывания, колеблющимся, от проскальзывания один раз в пять лет до трех проскальзываний в год. Это является небольшой частью допустимого значения в пять проскальзываний / день для сквозного соединения и обычно не принимается во внимание.
Характеристики устройства.
Для определения характеристик устройства, служащего для передачи эталонного сигнала синхронизации существует два основных фактора. Ими являются ошибки и нестабильности синхронизации (джиттер и вандер).
Устройство, используемое для распределения эталонного сигнала синхронизации, может иметь значительное число событий прерывания. Число появлений пучков ошибок может колебаться в среднем от 1 до 100 событий в день, в зависимости от типа устройства, расстояния и других факторов. Например, требованием 'ТП для сквозного соединения характеристика значительно поврежденных секунд, (SES) равна 175 событий в день. SES - это секунда передачи, когда происходит по крайней 320 ошибочных событий CRS-6. Это приблизительно эквивалентно частоте битовых ошибок 1х10-3 на протяжении секунды. Требования к характеристикам в ANSI равны 40-50 SES в день, в зависимости от расстояния.
Такие постоянные ухудшения неизбежно повлияют на распределение эталонного сигнала синхронизации. Как описывалось выше, генератор приемника будет реагировать на каждую ошибку. Генератор может отклоняться на время до 1 мксек в ответ на каждую ошибку в его эталонном сигнале синхронизации. Накапливание ошибок устройства передачи, приводящее к возникновению фазовых ошибок в генераторе приемника, будет значительно влиять на уровень проскальзываний в сети, что может привести к десяткам микросекунд смещений фазы в день в том случае, если сеть плохо спланирована.
Нестабильность частоты эталонного сигнала зависят от технологии, используемой оборудованием для передачи эталонного сигнала. Если эталонный сигнал передается асинхронно (например, при передаче DS3), эталонный сигнал обычно будет иметь джиттер менее 600 нсек и незначительный вандер. Эти уровни обычно не принимаются во внимание.
Эталонные сигналы, передаваемые через спутник, будут иметь избыточный вандер. Это вызывается небольшими перемещениями спутника относительно его геостационарного положения. Величина вандера обычно равна 1,8 миллисекунд в день. Это делает спутниковую передачу неподходящей для использования в качестве эталонного сигнала синхронизации.
Эталонные сигналы синхронизации, передаваемые в качестве полезной нагрузки по сети SDH, могут иметь значительный вандер. Сигнал DS1 или E1, размещенный и переданный по SDH, может иметь вандер длительностью в несколько десятков микросекунд в день. Поэтому синхронизация никогда не передается как полезная нагрузка по SDH. В сетях, использующих передачу по SDH, для передачи синхронизации используется оптический носитель, т.к. он не подвержен выравниваниям указателя и возникающим в результате джиттеру и вандеру.
Влияние генератора приемника.
Генератор приемника это генератор, выход синхронизации которого, управляется сигналом синхронизации от генератора источника равного или более высокого качества. Как было показано выше, генераторы приемника должны воспроизводить синхронизацию источника эталонного сигнала, даже, несмотря на то, что эталонный сигнал может быть ошибочным, и он должен в течение адекватного времени удержания поддерживать синхронизацию в отсутствие всех эталонов синхронизации.
Характеристики генератора приемника выявляются при его работе в трех режимах:
-
Идеальная работа
-
Работа в условиях стресса
-
Работа в режиме удержания
Идеальная работа описывает кратковременное поведение генератора, она важна для управления выравниваниями указателя в сетях SDH. Работа в условиях стресса это типичный режим работы генератора приемника, при котором ожидается, что генератор приемника получает синхронизацию от генератора источника через устройство, имеющее кратковременные ухудшения. Наконец, работа в режиме удержания определяет характеристики генератора в том редком случае, когда все эталонные сигналы, подаваемые на генератор, потеряны.
Идеальная работа.
При идеальной работе генератор приемника не испытывает прерываний от входного эталонного сигнала синхронизации. даже несмотря на то, что это не типично для реальных сетевых операций, понимание характеристик генератора в условиях идеальной работы показывает границы характеристик генератора. Также важно ограничить кратковременный шум генератора. Кратковременный шум генератора будет влиять на появление выравниваний указателя в сетях SDH и возникновение в результате этого джиттера и вандера полезной
нагрузки SDH.
При идеальных условиях генератор приемника должен работать в строгой фазовой привязке с входящим эталонным сигналом. для кратких интервалов наблюдений, меньших, чем постоянная времени петли фазовой автоподстройки (PLL), нестабильность частоты синхронизации определяется кратковременной нестабильностью местного генератора, а также влиянием шумов квантования и PLL. При отсутствии прерываний эталонного сигнала, нестабильность выходного сигнала синхронизации ведет себя как фазовая модуляция белого шума. Высокочастотный шум является ограниченным и некоррелированным (белым) для больших периодов наблюдений относительно времени наблюдения PLL.
Работа в условиях стресса - сетевые генераторы.
Эта категория работы отражает характеристики генератора приемника в условиях реальной сети, когда возможны краткие прерывания эталонного сигнала синхронизации. Как описывается в разделе IV, "Характеристики устройства", стр.15, эти прерывания являются кратковременными, при этом время эталонного сигнала синхронизации недоступно. Число прерываний может колебаться от 1 до 100 в день.
Все прерывания будут влиять на генератор приемника. Во время прерывания эталонный сигнал синхронизации не может быть использован. Когда эталонный сигнал восстанавливается, или если прерывание сохраняется и генератор переключает эталонные сигналы, сохраняется одна ошибка, относящаяся к реальной временной разнице между местным генератором приемника и вновь восстановленным эталонным сигналом. Ошибка временного интервала, возникающая из-за каждого прерывания, зависит от конструкции генератора, но должна быть меньше 1 мксек. Эта случайная ошибка синхронизации будет накапливаться, как случайный набег, вызывающий появление частотной модуляции белого шума в сигнале синхронизации принимающего генератора.
В дополнение к частотной модуляции белого шума, прерывания могут привести к частотному сдвигу между генератором приемника и генератором источника. Это происходит из-за смещения фазы в генераторе приемника во время восстановления эталонного сигнала. Число смещений зависит от конструкции генератора. Величина этого смещения играет решающую роль для рабочих характеристик долговременной синхронизации генератора приемника.
Это смещение будет накапливаться в цепочке генераторов приемников. Конечным результатом является то, что возникает сдвиг частоты между всеми генераторами в цепочке синхронизации. Величина сдвига по частоте увеличивается с количеством генераторов в цепи. Поэтому, в условиях реальной сети, генераторы приемника будут работать с долговременной частотой, слегка отличающейся от частоты первичного эталонного генератора. Величина этого частотного смещения является функцией возможностей характеристик генератора приемника (смещения его ошибки временного интервала во время перестроек) и числа кратковременных прерываний (SES) устройства, передающего эталонный сигнал.
Таким образом, существует длительное частотное смещение, вызванное кратковременными сбоями устройства и уходом частоты приемника, что является основной причиной проскальзываний в сети. Долговременный сдвиг по частоте может изменяться от нескольких единиц на 10 -12 до нескольких единиц на 10 - 10, в зависимости от сетевой конфигурации и от характеристик генератора и устройства. Этот сдвиг по частоте на несколько порядков хуже, чем разница частот между двумя первичными эталонными генераторами. По этой причине среди операторов сетей существует растущая тенденция устанавливать в сети множество источников первичного эталонного сигнала и ограничивать количество каскадов эталонной синхронизации, подключенных к сети.
Работа в условиях стресса - генераторы СРЕ.
При работе в условиях стресса (экстремальных внешних воздействий) функционирование генераторов СРЕ слоя 4 совершенно отличается от работы других сетевых генераторов. Это обусловлено тем, что большинство генераторов СРЕ не имеют фазовой автоподстройки для ограничения ошибок временного интервала, возникающих вследствие кратковременных прерываний. Большинство СРЕ плохо работают при кратковременных ошибках на входах тактовой синхронизации.
Когда генератор слоя 4 подвергается кратковременному прерыванию, он сигнализирует о невозможности использования эталонного сигнала и переключает эталонный сигнал на запасной источник синхронизации. Этот запасной источник может быть либо другим эталонным сигналом синхронизации, либо его внутренним генератором. Во время этого переключения генератор обычно будет выдавать большой, быстрый фазовый скачок длительностью 10-1000 мксек. Этот фазовый скачок возникает на всех исходящих линиях СРЕ.
Генераторы, расположенные вниз по направлению потока, не способны оставаться «привязанными» к эталонному сигналу при таком фазовом выбросе. Для устройства, расположенного вдоль сети, фазовый скачок не отличается от ошибки устройства. В результате, генератор, расположенный вдоль сети, будет переключать свой эталонный сигнал, вызывать другой фазовый выброс и дальнейшее распространение событий ошибок. Поэтому одна ошибка в устройстве в верхней точке цепи синхронизации может привести к ошибкам всех линий и узлов , расположенных ниже по цепи синхронизации. (Рис.9).
Частных сети, использующие генераторы слоя 4, обычно имеют слабые рабочие характеристики. Они могут быть в 1000 раз хуже, чем в сетях общего пользования, работающих при эффективной долговременной нестабильности частоты от 1х10-9 до 1х10-7. Обычным является появление десятков проскальзываний в день/СРЕ. Кроме того, фазовые выбросы, вызванные плохой синхронизацией, появляются как ошибки передачи. Синхронизация СРЕ может вызвать до сотен до сотен ошибок передачи в день. Избыточные ошибки передачи в частных сетях являются обычным симптомом плохих рабочих характеристик синхронизации.
Рис. 9 – Ошибки каскадирования в частных сетях.
Работа в режиме удержания
Генератор приемника будет работать в режиме удержания в тех редких случаях, когда он теряет все свои эталонные сигналы синхронизации на значительный период времени. Существует два основных фактора, влияющих на характеристики удержания:
начальный сдвиг по частоте и дрейф частоты. Начальный сдвиг частоты вызывается возможностью установки частоты местного генератора и шумом эталонного сигнала синхронизации, когда генератор впервые переходит в режим удержания. Дрейф частоты возникает из-за старения кварцевых генераторов. Требования ITU, предъявляемые к генератору, рассматривают влияние обоих факторов на характеристики удержания по отдельности. Требования ANSI к удержанию рассматривают объединенные характеристики.
Стандарты сопряжения
Современные стандарты генераторов не гарантируют приемлемой работы в условиях стресса. Требования к сопряжению ANSI и ITU разработаны только для идеальных условий. В условиях идеальной работы ежедневная ошибка временного интервала должна сохраняться в пределах 1-10 мксек, а долговременный сдвиг частоты должен быть менее чем 1х10-11. Однако, из-за неопределенности характеристик при работе в условиях стресса, допускается, что долговременные рабочие характеристики реальной сети могут быть хуже, чем 1х10-11.
-
Введение в планирование синхронизации.
Роль планирования синхронизации заключается в определении распределение синхронизации в сети и в выборе генераторов и оборудования, используемых для синхронизации сети. Это включает выбор и определение местоположения управляющего генератора (ов), распределение функций первичных и вторичных сигналов синхронизации и анализ сети, гарантирующий, что достигаются и сохраняются приемлемые уровни характеристик.
Основные принципы.
Чтобы обеспечить наилучшие характеристики и устойчивость сети синхронизации, следует придерживаться нескольких правил и процедур. Наиболее важными из них являются отсутствие замкнутых петель синхронизации, поддержание иерархии, следование принципу BITS, использование наилучших возможностей для транспортировки эталонных сигналов синхронизации и сведения к минимуму их каскадирования.
Петли синхронизации возникают, когда генератор использует для отслеживания свой собственный эталонный сигнал синхронизации (рис. 10). При возникновении таких петель, частота эталонного сигнала становится нестабильной. Генераторы в петле синхронизации медленно начнут работать с погрешностью полного диапазона генератора. Это приводит к тому, что генератор показывает характеристики во много раз хуже, чем в свободном режиме или в режиме удержания. Поэтому важно, чтобы поток эталонных сигналов синхронизации в сети разрабатывался бы таким образом, чтобы петли синхронизации не могли формироваться ни при каких обстоятельствах. Ни одна комбинация первичных и/или вторичных эталонных сигналов не должна привести к петле синхронизации. В правильно спланированной сети всегда можно избежать петель синхронизации.
Рис. 10 – Петля синхронизации.
Поддержание иерархии важно для достижения наилучших рабочих характеристик в сети. В идеальных условиях или в условиях стресса передача синхронизации с лучших на худшие генераторы оптимизирует рабочие характеристики. Синхронизация все еще будет сохраняться при нормальной работе, если синхронизация передается с худшего на лучший генератор. При этом могут немного пострадать рабочие характеристики, т.к. лучший генератор менее чувствителен к кратковременным сбоям сети и будет накапливать меньше ошибок временного интервала. Только в том случае, если генератор, расположенный выше по сети, входит в режим удержания или в свободный режим, это приводит к нарушению иерархии и вызывает основные проблемы. В этом случае генератор с худшими характеристиками, расположенный выше по сети и находящийся в режиме удержания, может иметь частотную погрешность хуже, чем может обеспечить генератор, расположенный ниже по сети. Генератор, расположенный ниже по сети, не будет оставаться ведомым и тоже перейдет в режим удержания. Это приводит к появлению множества генераторов, работающих в режиме удержания и к возникновению избыточных проскальзываний в сети.
Большинство сетевых администраторов при распределении синхронизации следует принципу BITS (создание интегрированного источника синхронизации) или SSU (рис. 11). При использовании метода BITS или SSU наилучший генератор в офисе предназначен для приема эталонных сигналов из-за пределов этого офиса. Все другие генераторы в офисе синхронизируются от этого генератора.
Рис. 11 – Конфигурация BITS/SSU.
Во многих случаях BITS или SSU является генераторами сигнала синхронизации, единственным назначением которого является синхронизация. Другие администрации полагаются на синхронизацию BITS или от коммутационных систем или кросс-коммутаторов. Генератор BITS или SSU должен быть генератором, который наилучшим образом действует в условиях стресса и удержания и является наиболее надежным. В соответствии с принципом BITS или SSU, рабочие характеристики синхронизации офиса будут определяться генератором BITS/SSU, т.к. только генератор BITS/SSU подвержен стрессу в отношении его эталонного сигнала синхронизации.
Для сведения к минимуму количества проскальзываний необходимо применять лучшее оборудование для передачи эталонного сигнала синхронизации. Наилучшее оборудование должно вырабатывать эталонный сигнал с наименьшим числом сбоев. Это относится к эталонному сигналу, который имеет наименьшее среднее число SES и свободен от избыточной нестабильности синхронизации (джиттера и вандера). Эталонные сигналы, являющиеся полезными нагрузками на SDH не должны использоваться для синхронизации, т.к. они подвержены обработке указателя, которая добавляет избыточный джиттер и вандер к эталонному сигналу. Подобным же образом, эталонные сигналы, которые передаются услугами ATM, будут иметь значительный вандер и не должны использоваться для синхронизации.
Каскадирование эталонных сигналов синхронизации по сети должно сводиться к минимуму (рис.12). Характеристики синхронизации будут всегда ухудшаться, т.к. синхронизация передается от генератора к генератору. Чем больше генераторов и оборудования в цепи синхронизации, тем больше будет накопленное ухудшение и тем больше частотный сдвиг. Каждое устройство будет добавлять ухудшения, на которые должны будут реагировать генераторы в цепи. Поэтому, для обеспечения наилучших характеристик цепи синхронизации должны оставаться короткими.
Рис. 12 – Избыточное каскадирование.
-
Планирование синхронизации в сети SDH
Основным моментом планирования сети синхронизации является решение вопроса распределения тактовых сигналов и выбор источников синхросигналов и другого оборудования для тактирования сети. Распределение тактовых сигналов и выбор источников различны для сетей на основе SDH. В этом разделе рассматривается планирование синхронизации для сетей SDH.
Р
аспределение опорного сигнала
ITU определяет способ подключения источника опорного сигнала к сети синхронизации (рисунок 13) как ключевой вопрос распределения сигналов синхронизации. В цепи не должно быть более 10 транзитных или местных узловых точек. Эти узловые точки относятся к 10 офисам, которые используют источник синхросигнала транзитного или местного уровня в качестве источника-размножителя синхросигналов (SSU). Между офисами существуют цепи источников синхросигналов в виде элементов SDH. Ни одна цепь не должна содержать более 20 синхронизируемых источников. Общее число источников в полной цепи подключения опорного сигнала должно быть не более 60. Каждый источник синхросигнала в цепи получает сигнал синхронизации от оптической линии, как показано на рисунке 14.
Рис. 14 – Распределение тактирования с использованием линий SDH
Такое подключение опорного источника было принято на основе моделирования работы в идеальных условиях и должно удовлетворять требованиям обеспечения величины джиттера 5 UI для транспортирования DS3, DS1 и E1. Измерений для экспериментальной проверки результатов моделирования не проводилось. Следует отметить, что дрейф, вносимый при транспортировке DS1 и E1, был незначительным при таком подключении опорного источника. Необходимость уменьшения величин дрейфа путем ограничения допустимой величины временной ошибки в напряженном режиме может потребовать изменения в подключении опорного источника, как обсуждалось в предыдущем разделе. Кроме того, в интересах надежности может потребоваться укорочение длины цепи.
Требования к источнику-размножителю синхросигналов (SSU)
Чтобы удовлетворить требованиям к величине джиттера при транспортировании DS3, DS1 и E1, источник-размножитель синхросигнала, используемый для создания единого времени для офисов в сети ВН, должен иметь транзитный или местный уровень. Источник синхросигнала должен иметь низкий уровень собственного шума и полосу пропускания фильтра не более 0,1 Гц для фильтрации шума сети. Источник должен обрабатывать МТIЕ, равную 1000 наносекунд при скорости изменения фазы менее 5х10-8 для наибольшего из периодов восстановления синхронизации. Эта скорость изменения фазы значительно меньше, чем требуется в сетях, основанных на SONET.
Рис. 13 – Цепь подключения опорного источника в сети синхронизации SDH.
Для ограничения дрейфа E1 и DS1 следует использовать SSU с лучшей характеристикой отработки MTIE и улучшенной фильтрацией. ITU еще не разработал подходов для выполнения требований по дрейфу DS1/E1.
Требования к тактированию сетевого элемента SDH
Источник синхросигнала сетевого элемента имеет более низкие характеристики, чем источник местного уровня, соответствующий ITU. Он удовлетворяет требованиям по удержанию частоты 5х10-8 для начального сдвига частоты и 5х10-7 за сутки для дрейфа частоты. Требования к восстановлению синхронизации: MTIE менее 1,0 микросекунды при скорости изменения фазы менее 5х10-8 для наибольшего из периодов восстановления синхронизации.
Основное различие между источниками синхросигнала сетевых элементов SDH и SSU состоит в полосе пропускания. Сетевой элемент SDH имеет полосу от 1 до 10 Гц, которая ограничена этими пределами по двум причинам. Во-первых, полоса пропускания должна быть, по крайней мере, в 10 раз больше полосы SSU, чтобы накопление дрейфа в условиях идеального режима было минимальным. Во-вторых, источник синхросигнала сетевого элемента должен обеспечивать быстрое восстановление синхронизации.
К
огда сетевые элементы SDH сконфигурированы в кольцо, и в тракте передачи сигнала синхронизации происходит разрыв (рисунок 15а), распределение синхронизации в кольце переконфигурируется. Переконфигурированное распределение показано на рисунке 156. Переконфигурирование распределения синхронизации полного кольца из 20 сетевых элементов должно занимать около 15 секунд. Это означает, что каждый сетевой элемент должен закончить переконфигурирование своей синхронизации и выйти на режим установившегося выходного сигнала за время около одной секунды. Это условие требует достаточно быстрой реакции сетевого элемента SDH и, следовательно, ограничивает полосу фильтрации.
Рис. 15а – Кольцевая конфигурация SDH Рис. 15б – Кольцевая конфигурация SDH с
с нормальным потоком сигнала синхро- разрывом в тракте передачи сигнала синх-
низации, направленным против часовой ронизации, поток которого направлен про-
стрелки. тив часовой стрелки.
Заключение.
В данной работе был представлен обзор сетевой синхронизации. Было показано, что характеристики синхронизации оказывают значительное влияние на предоставление услуг по передаче цифровых данных, услуг передачи кодированных сообщений и на развитие новых технологий, таких как SDH. Главным фактором воздействия на характеристики синхронизации в реальной работе сети является частотный сдвиг, который генератор приемника демонстрирует относительно источника первичного эталонного сигнала (ПЭГ), к которому он "привязан". Это ухудшение характеристик может управляться введением нескольких первичных эталонных генераторов, путем использования устойчивых генераторов и правильного планирования синхронизации.
Литература
-
И.Г.Бакланов "Технологии измерений первичной сети. Часть 1. Системы Е1,PDH, SDH."; ЭКО-ТРЕНДЗ, 2000
-
Н.Н.Слепов "Синхронные цифровые сети SDH."; ЭКО-ТРЕНДЗ, 1999
-
В.Н. Папантонопуло, Б.И. Круг, «Телекоммуникационные системы и сети»; СГАТИ, Новосибирск 1997
-
В.Г. Фокин «Аппаратура и сети доступа»; СГТУТИ, Новосибирск 1999.
-
«Учебный курс SDH мультиплексор SMA-1»; НПЦ СПЕКТР, Самара 1996
-
Кашин М.В., Муштаков Е.А «Основы SDH»; СРТТЦ, Самара, 2001
23
10>















