135573 (722329)
Текст из файла
МИНИСТЕРСТВО ОБЩЕГО И
ПРОФЕЕССИОНАЛЬНОГО ОБРАЗОВАНИЯ
РОССИЙСКОЙ ФЕДЕРАЦИИ
МОСКОВСКИЙ ГОСУДАРСТВЕННЫЙ ИНСТИТУТ
РАДИОТЕХНИКИ ЭЛЕКТРОНИКИ И АВТОМАТИКИ
(ТЕХНИЧЕСКИЙ УНИВЕРСИТЕТ)
Курсовой проект
по предмету:
“Электротехника”.
Тема:
“Расчет силового трансформатора ”
Студент: Чубаков А.С.
Группа: ВАИ-6-00
Преподаватель: Плотников С.Б.
МОСКВА 2002
ВВЕДЕНИЕ.
Трансформатор – устройство, предназначенное для изменения величины переменного напряжения, - является практически обязательным структурным элементом источника вторичного электропитания. При наличии первичного источника, вырабатывающего переменное напряжение, трансформатор достаточно часто включается в источник вторичного электропитания в качестве входного элемента. В этом случае трансформатор называется силовым, и его функциональное назначение заключается в преобразовании входной системы переменного напряжения (однофазной или трехфазной) в одну или несколько других систем переменных напряжений, используемых для питания соответствующих потребителей постоянного и переменного тока. В системах питания электронной аппаратуры применяют силовые трансформаторы малой мощности ( не более 4 кВ-А для однофазных и 5 кВ-А для трехфазных систем переменного тока). Они в большинстве случаев работают при низких напряжениях на обмотках (до 1кВ), синусоидальной или близкой к синусоидальной форме преобразуемого напряжения и частоте, равной 50 Гц (частота промышленной сети).
Электронная аппаратура, как правило, требует наличия постоянного напряжения питания одного или нескольких уровней. Поэтому в источниках вторичного электропитания силовой трансформатор работает совместно с одним или несколькими выпрямителями – устройствами, преобразующими системы переменных напряжений в постоянные по полярности и пульсирующие по величине (выпрямленные) напряжения. Выпрямители могут быть регулируемыми и нерегулируемыми. Первые реализуются на базе управляемых полупроводниковых вентилей – тиристоров, вторые – на базе неуправляемых вентилей – диодов. Нерегулируемые выпрямители не обеспечивают стабилизацию выходных напряжений. При колебаниях напряжения источника электропитания, а также при изменении тока в любой из нагрузок, получающих питание от силового трансформатора, величина напряжения, снимаемого с нерегулируемого выпрямителя, изменяется.
Вместе с тем, нерегулируемы выпрямители широко применяются в системах питания электронной аппаратуры в случаях, когда отсутствуют жесткие требования со стороны соответствующих потребителей постоянного тока, или, если такие требования есть, когда предусмотрено включение стабилизаторов постоянного напряжения в цепи питания потребителей.
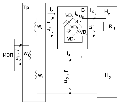
В данной курсовой работе представлен расчет однофазного низковольтного силового трансформатора малой мощности как структурного элемента источника вторичного электропитания, работающего в длительном режиме. Трансформатор имеет ряд обмоток. Первичная обмотка с числом витков w1 подключена к источнику электропитания, вырабатывающему переменное синусоидальное напряжение U1 и частотой 400 Гц. С двух групп вторичных обмоток с числами витков w2 и w3 снимаются переменные напряжения соответственно U2 и U3 той же частоты. Вторичная обмотка с числом витков w2 через соответствующий нерегулируемый выпрямитель В и выпрямленное напряжение U0, снабжает электроэнергией нагрузку H3, имеющую чисто активный характер, требующую питание постоянным током. Однофазная вторичная обмотка с числом витков w3 подключена непосредственно к нагрузке H3, получающей питание переменным током, частота которого совпадает с частотой источника. На рис. схемы протекают следующие токи: i1 – переменный ток, потребляемый первичной обмоткой трансформатора; i2- переменный ток в фазе вторичной обмотки с числом витков w2; i0 – постоянный по направлению и пульсирующий по величине (выпрямленный) ток, питающий нагрузку H3; i3 – переменный ток, протекающий во вторичной обмотке с числом витков w3 и нагрузке H3.
Возможное наличие реактивных элементов в цепи нагрузки H3 учитывается коэффициентом мощности cosφ3, равным отношению активной составляющей мощности к полной мощности, потребляемой нагрузкой.
Начальные данные:
| Напряжение источника электропитания | U1 | 24 B |
| Частота напряжения источника электропитания | ƒ | 400 Гц |
| Схема выпрямителя B в цепи питания | Однофазная мостовая | |
| Напряжение на нагрузке H2 | U0 | 12 В |
| Ток в нагрузке H2 | I0 | 4,16 A |
| Характер нагрузок H2 | Активный | |
| Напряжение на нагрузке H3 | U3 | 36 В |
| Ток в нагрузке H3 | I3 | 0,277 A |
| Коэффициент мощности нагрузки H3 | cosφ3 | 0,35 |
| Температура окружающей среды | t0 | 30 0C |
| Макс. Температура нагрева трансформатора | tTmax | 120 0C |
| Режим работы | длительный | |
1. РАСЧЕТ ВЫПРЯМИТЕЛЕЙ И ЭЛЕКТРОМАГНИТНЫЙ РАСЧЕТ ТРАНСОРМАТОРА.
01. По соотношению величин напряжений и токов в трансформаторе и выпрямителе рассчитаем среднее значение прямого тока через диод IDnр,cp и наибольшее мгновенное значение обратного напряжения на диоде UDo бр,u,n :
IDnр,cp=0,5I0=2,08 A
UDo бр,u,n =1,57U0=18,84 U
02. Для выпрямителя B выбирается диод типа КД202А
(Inр,cp max=3 A, Uo бр,u,n max=50 B)
Для выпрямителя определяем среднее значение прямого напряжения на диоде UDnр,cp = 0,9 B
03. Среднее значение прямых напряжений на выпрямителе B равно
UBcp=2* UDnр,cp; UBcp==2*0,9=1,8 B
04. Действующее значение номинального напряжения на фазе обмотки трансформатора, работающего на выпрямителе B:
U2=1,11(U0+UBср); U2=1,11(12+1,8)=15,3 B
и номинальный ток в нем:
I2=1,11I0; I2=1,11*4,16=4,6 A
05. Коэффициент трансформации, характеризующий взаимно-индуктивную связь между первичной обмоткой и фазой вторичной обмотки, на выпрямителе B:
k1/2=U1/ U2; k1/2=24/15,3=1,57
06. Действующее значение номинального тока в первичной обмотке, обусловленное передачей мощности от источника электропитания в цепи нагрузки вторичной обмотки, на выпрямителе B:
I1/2=1,11I0/k1/2; I1/2=1,11*4,16/1,57=2,94 A
07. Действующее значение номинального тока в первичной обмотке трансформатора:
I1= I1/2+( U3* I3)/ U1; I1=2,94+(36*0,277)/24=3,35 A
08. Расчетная мощность трансформатора
ST=0,5(U1I1+m2U2I2+ U3I3);
ST=0,5(24*3,35 +15,3 *4,6 +36*0,277)=80,4 B*A
09. Выбирается броневой ленточный магнитопровод из стали марки 3422,
ΔC=0,1 mm
10. Выбираем ориентировочные величины электромагнитных нагрузок: амплитуды магнитной индукции в магнитопроводе трансформатора Bm=1,34 Тл и действующее значение плотности тока в обмотке j=4,4 A/mm2
11. Определяем значение коэффициента заполнения магнитопровода сталью kc=0,88
12. Выбирается ориентировочное значение коэффициента заполнения окна магнитопровода медью k0 =0,249
13. Конструктивный параметр, представляющий собой произведение площади поперечного сечения магнитопровода SC и площади окна под обмотки S0
SCS0=( ST100)/(2,22*ƒ*Bm*j*kc*k0);
SCS0=( 80,4 *100)/(2,22*400*1,36 *4,6*0,88*0,249)= 6,6 см4
14. Выбираем типоразмер магнитопровода – ШЛ12х16 (SCS0=6,9см4); a=12 mm; b=16 mm; c=12 mm; h=30 mm; SC=1,92 см2; S0=3,6см2; lM=10,4 см; mc=135 г;
15. Выбираем ориентировочные значения падения напряжения на первичной обмотке, выраженного в процентах от номинального значения U1, Δ U1%=3,5% и падений напряжения во вторичных обмотках, в % от соответствующих номинальных значении U2 и U3 равные друг другу Δ U2,3%=4,4%
17. Число витков на выпрямителе B:
Число витков на вторичной обмотке подключенной непосредственно к нагрузке H3 :
18. Площади поперечных сечений обмоточных проводов без изоляции для всех обмоток трансформатора рассчитываются по формулам:
q1пр= I1/j; q1пр=3,35/4,6=0,7283 мм2
q2пр= I2/j; q2пр=4,6 /4,6= 1 мм2
q3пр= I3/j; q3пр=0,277/4,6=0,0602 мм2
19. Выбирается марка обмоточных проводов ПЭВТЛ-1 (tTmax до 1200)
20. Габариты провода:
d 1пр=0,96 мм; q1пр=0,7238 мм2 ;d1из= 1,02 мм;
d 2пр=1,16 мм; q2пр=1,057 мм2 ;d2из= 1,24 мм;
d 3пр=0,27 мм; q3пр=0,05726 мм2 ;d3из= 0,31 мм;
21. Действующие значения плотности тока во всех обмотках трансформатора:
j1=I1/ q1пр; j1=3,35/0,7238=4,63 A/мм2;
j2=I2/ q1пр; j1=4,6 /1,057 =4,35 A/мм2;
j3=I3/ q1пр; j1=0,277/0,05726 =4,84 A/мм2;
22. Удельные потери мощности в магнитопроводе трансформатора
PСуд= PСудH (Bm/ВmH )2; PСуд=15,4 Вт/кг
23. Pc=PСуд *mc*10-3; Pc=15,4*135*10-3=2,08 Вт
24. Потери мощности в обмотках
PM=ρ(0,9* j12*
* q1пр+1,1(j22*m2*
*q2пр+ j32*
*q3пр))* lM (1+α(tTmax-20))*10-2;
PM=0,0175(0,9* 4,63 2*57* 0,7238+1,1(4,35 2*0,135*36*1,057+ 4,84 2* 85*0,0602))* 10,4 (1+0,00411(120-20))*10-2=2,66 Вт
Характеристики
Тип файла документ
Документы такого типа открываются такими программами, как Microsoft Office Word на компьютерах Windows, Apple Pages на компьютерах Mac, Open Office - бесплатная альтернатива на различных платформах, в том числе Linux. Наиболее простым и современным решением будут Google документы, так как открываются онлайн без скачивания прямо в браузере на любой платформе. Существуют российские качественные аналоги, например от Яндекса.
Будьте внимательны на мобильных устройствах, так как там используются упрощённый функционал даже в официальном приложении от Microsoft, поэтому для просмотра скачивайте PDF-версию. А если нужно редактировать файл, то используйте оригинальный файл.
Файлы такого типа обычно разбиты на страницы, а текст может быть форматированным (жирный, курсив, выбор шрифта, таблицы и т.п.), а также в него можно добавлять изображения. Формат идеально подходит для рефератов, докладов и РПЗ курсовых проектов, которые необходимо распечатать. Кстати перед печатью также сохраняйте файл в PDF, так как принтер может начудить со шрифтами.















