kursovik (722177), страница 3
Текст из файла (страница 3)
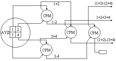
При двумерном слежении по азимуту и углу места измеряются рассогласования по . Антенна имеет четыре излучателя, симметрично смещенных относительно фокуса зеркала. В измерителе три суммарно-разностных моста: два – для образования разностных сигналов по и , третий – для формирования общего суммарного сигнала. Разносный выход третьего моста замкнут на поглощающую нагрузку. Приемное устройство содержит соответственно три приемных канала: суммарный и два разностных. Выделенные на выходе фазовых детекторов напряжения рассогласования по и с помощью следящих систем управляют положением равносигнальной оси, непрерывно совмещая ее с направлением на сопровождаемый объект [4].
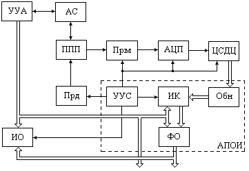
Устройство управления антенной (УУА) служит для винтового обзора пространства. В качестве углового датчика используется ФАР, выполняющая функцию пространственного фильтра.
Как было отмечено выше, на ЦП используется импульсный режим излучения, поэтому в момент окончания очередного зондирующего радиоимпульса (ЗИ) антенна переключается от передатчика (Прд) к приемнику (Прм) и используется для приема до начала генерации следующего зондирующего радиоимпульса, после чего антенна снова подключается к передатчику и т.д. Эта операция выполняется переключателем прием-передача (ППП). Пусковые импульсы, задающие период повторения зондирующих сигналов и синхронизирующие работу всех подсистем ЦП, генерирует устройство управления и синхронизации (УУС), от которого зависит также вся логика работы. Сигнал с Прм после цифрового устройства селекции движущихся целей (ЦСДЦ) поступает на аппаратуру первичной обработки информации (АПОИ), где выполняется обнаружение сигнала и измерение координат (ИК) объекта. Окончательно отметки целей формируются в устройстве ФО. Сформированные сигналы вместе с информацией об угловом положении антенны передаются для дальнейшей обработки, а также для контроля на индикатор обзора (ИО).
Такая станция обычно ведет обработку информации в цифровой форме, для чего предусмотрено устройство преобразования сигнала в цифровой код (АЦП).
Система приема информации на ЦП имеет стандартную структуру системы выделения информации с ВРК (приложение 1).
Сигналы с объекта через антенну поступают в приемное устройство дискретных сообщений (ПрУ), где производится предварительная фильтрация и усиление. Затем в ДМII для детектирования (снятие вторичной модуляции). На выходе ДМ выделяется оценка группового сигнала. Выделенный групповой сигнал подается на селектор синхроимпульсов (ССИ). ССИ может представлять собой, например, интегрирующую цепь (ИЦ) с пороговым устройством на выходе, срабатывающим при действии на входе ИЦ синхроимпульса (ИС). Выделенные ИС поступают на генератор канальных селекторных импульсов (ГКСИ), имеющий Nкан выходов. ГКСИ вырабатывает последовательности канальных импульсов, открывающих соответствующие временные канальные селекторы (КСi), представляющие собой схемы «И». Канальные сигналы поступают на канальные демодуляторы (КДМi), где снимается первичная модуляция. На выходе КД формируются оценки переданных сообщений (снимается первичная модуляция), поступающие к получателям (Пi) [2, 3].
Для приема данных приемник ЦП должен иметь системы ФАПЧ и БАРУ.
Обращение к объекту осуществляется с помощью адреса.
-
Описание структурной схемы объекта
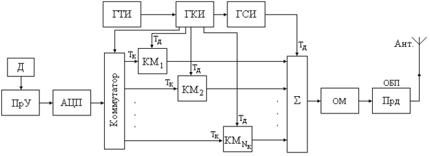
Система сбора и передачи информации шар-зонда согласно ТЗ имеет структуру системы с ВРК (приложение 2).
Аналоговый сигнал с датчиков через фильтр и усилитель согласующего устройства поступает на АЦП, где преобразуется в цифровой код.
Ритм работы системы задается высокостабильным генератором тактовых импульсов (ГТИ). Тактовые импульсы поступают на генератор канальных импульсов (ГКИ), имеющий Nкан+1 выходов, где Nкан – число каналов. Канальные импульсы поступают соответственно на канальные модуляторы (КМi), где модулируются сообщениями, поступающими с коммутатора, а также на генератор синхронизирующих импульсов (ГСИ). На выходах КМ формируются модулированные канальные сигналы (первая ступень модуляции КвАМн). Параметры модуляции выбраны так, чтобы импульсы различных модулированных канальных сигналов (КС) не перекрывались. КС подаются на линейный сумматор () одновременно с последовательностью ИС, вырабатываемых ГСИ, которые необходимы для синхронизации работы приемной части. На выходе сумматора образуется групповой сигнал, состоящий из последовательности ИС и модулированных канальных импульсов. Групповой сигнал поступает на модулятор второй ступени (ОМ) и модулирует по амлитуде высокочастотную несущую (ОБП), вырабатываемую передатчиком (Прд).
Выводы
В курсовой работе спроектирована система сбора информации с метеорологических шар-зондов. Она обладает следующими параметрами:
-
частота дискретизации 102.3 Гц;
-
шаг квантования 0.294 В;
-
максимальное отклонение сообщения от среднего значения 17.83 В;
-
пик-фактор 4.46;
-
число разрядов двоичного кода 7;
-
число каналов 8;
-
длительность канального сигнала 978 мкс;
-
длительность импульса 139.7 мкс;
-
полоса частот радиолинии 18.8 кГц;
-
пороговое отношение мощности сигнала к мощности шума 38.9;
-
рабочее отношение мощности сигнала к мощности шума 174.74;
-
необходимая мощность передатчика зонда 282 мВт;
-
необходимая мощность передатчика ЦП 231 мВт;
-
рабочая длина волны 5 см.
В начале кодовой посылки находится синхропризнак, амплитуда которого значительно превышает длительность информационного импульса. Синхропризнак всегда появляется с одним и тем же периодом, поэтому накапливая необходимое число отсчетов, можно добиться абсолютно четкой работы СПИ.
С целью улучшения системы сбора информации можно применить для шар-зонда антенную систему с большим КНД вследствие чего снизится рабочая мощность передатчика.
БИБЛИОГРАФИЧЕСКИЙ СПИСОК
-
Бакулев П.А., Сосновский А.А Радиолокационные и радионавигационные системы: Учебное пособие для вузов. М.: Радио и связь, 1994. 296с.
-
Пенин П.И., Филиппов Л.И. Системы передачи цифровой информации: Учебное пособие для вузов. М.: Сов. Радио, 1984. 256с.
-
Радиотехнические системы передачи информации: Учеб. пособие для вузов/ Под ред. В.В. Калмыкова. М.: Радио и связь, 1990. 304с.
-
Радиотехнические системы: Учеб. пособие для вузов/ Под ред. Ю.М. Казаринова. М.: Высшая школа, 1990.496 с.
-
Белых Д.П. Методические указания к выполнению курсовой работы. Екатеринбург: УГТУ-УПИ, 2000. 32с.
Приложение 1. Структурная схема центральной наземной станции
Система определения координат объекта
Угловой датчик и преобразователь суммарно-разностного радиопеленгатора
Система приема информации с объекта
Приложение 2. Структурная схема объекта
Система передачи информации с объекта















