moy1 (722143), страница 2
Текст из файла (страница 2)
I1=560 (mA)
I2=360 (mA)
Отсюда следует:
Задаём коэффициент асимметрии плеч который равен Х=0.5, тогда коэффициент нелинейных искажений по второй гармонике:
РИС.3 Сквозная характеристика.
С учётом ООС:
Коэффициент передачи для предоконечного каскада:
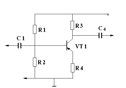
2. РАСЧЁТ ПРЕДОКОНЕЧНОГО КАСКАДА
2.1 Определяем сопротивление резистора Rк.
R3= Rк (0.2 0.3) Rвых = 0.25*24662 (Ом),где Rвых = Rвх.ок.
2.2 Определяем сопротивление резистора Rэ.
Rэ =R4= 0.5*Rк= 0.5 * 62= 33 (Ом)
2.3 Определяем статический и динамический токи
На основании этих данных выбираем транзистор КТ610А.
Uэкmax=20 (В) Iкmax=300 (mA)
На семействе выходных характеристик строим статическую нагрузочную прямую.
РИС.4 Семейство выходных характеристик КТ610А
Положению рабочей точки будет соответствовать точка пересечения прямой
Uэк=Uэк0+Umвх=4,37(В)
и статической нагрузочной прямой. Этому требованию соответствует точка А с координатами:
Uэк=4,37(В) Ik=47,5 (мА) Iб=0.5 (мА).
Строим динамическую нагрузочную прямую с координатами
Ik=109 (мА) и Uэк= Uэк0+ 2Um вх=8,24 (В)
Статическая и динамическая нагрузочные прямые пересеклись в точке А, полученное значение Iб=0.5 (мА) позволяет найти точку А на входной характеристике.
РИС.5 Входная характеристика транзистора КТ610А
2.4 . Для нахождения Rвх, проведем касательную к точке покоя А и найдем Rвх.пр
как соотношение:
MK=0,055 (B); KА=0,5 (мA);
2.5 Рассчитаем коэффициент передачи ООС:
2.6 Рассчитаем глубину ООС:
где коэффициент усиления каскада по напряжению на средних частотах определяется по формуле:
Определяем по выходной характеристике:
Iк=63-26=37 (mA) Iб=0,5 (mА)
Следовательно:
А=1+0,22*55=13
2.7 Находим входное сопротивление предоконечного каскада с учётом ООС:
2.8 Находим амплитуду тока и напряжения на входе предоконечного
каскада:
2.9 Определим элементы делителя напряжения в цепи базы:
Находим напряжение, подводимое к делителям R1 и R2.:
Uд = Eп=9 (B)
Выбираем ток делителя из условия:
Iдел=(25)Iбр ; Iдел=3,5 *0,5=1,75 (mA) Iбр=0.5(mA)
Падение напряжения на резисторе R4 :
2.10 Расчитаем искажения в предоканечном каскаде, для построим
сквозную характеристику:
Eб = Uэб + IбRг= Uэб + 0.5IбRвх.оос= Uэб + 710Iб
Rг=710 (Ом)
| Iб, (mA) | Ik, (mA) | Uэб, (B) | IбRг, (B) | Eб, (B) |
| 0.05 | 5 | 0.678 | 0.035 | 0.713 |
| 0.12 | 19 | 0.69 | 0.0851 | 0.775 |
| 0.25 | 27.5 | 0.715 | 0.178 | 0.893 |
| 0.38 | 37.5 | 0.732 | 0.27 | 1.002 |
| 0.5 | 47.5 | 0.75 | 0.355 | 1.105 |
| 0.62 | 55 | 0.762 | 0.44 | 1.202 |
| 0.75 | 65 | 0.772 | 0.533 | 1.305 |
| 0.87 | 72.5 | 0.78 | 0.618 | 1.398 |
| 1 | 82.5 | 0.787 | 0.710 | 1.497 |
РИС.6 Сквозная характеристика.
По сквозной характеристике определяем:
а=35
b=42.5
c=35
Определим коэффициент нелинейных искажений с учетом ООС:
Находим общий коэффициент нелинейных искажений для оконечного и предоконечного каскадов:
3. РАСЧЁТ ВХОДНОГО КАСКАДА
3.1Для реализации УНЧ выбираем микросхему КР538УН3 – одноканальный
сверхмалошумящий усилитель низкой частоты. Её параметры:
Uпит - 57.5(В)
Um.вых.max. - 0.5 (B)
Um.вх.max - 0.2 (B)
Iн (не болеее) - 2 (mA)
Iпотр.(не более) - 5 (mA)
Rвх.0 - 250 (кОм)
Rвых.0 - 1 (кОм)
K0 - 50000
3.2. На входе предоконечного каскада напряжение 0,9 (B). Напряжение источ
ника E=7*10-3 (B), значит коэффициент усиления каскада должен составить:
Подставляя R3 типовое для включения ИМС R3=30 (Оm) получаем:
3.3. Входное сопротивление с учетом ООC:
Выходное сопротивление с учетом ООС:
3.4. Падение напряжения на R1 принимаем равным UR1=6 [B].Ток потребления
микросхемы Iпот=5 [mA], тогда:
Конденсатор С2 на входе 10 (mкФ) из типовой схемы включения ИМС. Конденсатор С3=0.15 (нФ) для коррекции микросхемы (ограничение диапазона рабочих частот).Конденсатор С4=50 (мкФ) емкость фильтра.
4. РАСЧЕТ МЕЖКАСКАДНЫХ СВЯЗЕЙ
Основные линейные искажения в схеме приходятся на разделительные конденсаторы:
С4 - между входным и предоконечным каскадом.
С
- между предоконечным и оконечным каскадом.
С
- между оконечным каскадом и нагрузкой.
Считаем, что заданный коэффициент ослабления разделен поровну между тремя
каскадами:
Тогда коэффициент линейных искажений:
Емкость рассчитывается по формуле:
Конденсаторы выбираем из ряда компонентов Е - 24.
Sн=20lgMн
Sн4=20lg1.107=0.882 (дБ)
Sн5=20lg1.12=0.984 (дБ)
Sн6=20lg1.12=0.984 (дБ)
Общий Sн=2.85 (дБ) < 3 (дБ), значит общее ослабление на граничных частотах удовлетворяет требованию ТЗ.
5. РАСЧЕТ НАДЕЖНОСТИ
Вероятность безотказной работы:
tср - среднее время безотказной работы.
S - интенсивность отказов.
Если изделие содержит n-типов элементов, последний из которых содержит Ni равнонадежных элементов с надежностью i, то
i* Ni .
| N,n/n | Тип | i*10-6 | N кол-во | i* Ni |
| 1. 2. 3. 4. 5. 6. 7. 8. | диоды - кремниевые конденсаторы - керамические - электролитические панели (на одно гнездо) резисторы - металопленочные соединения - паянные транзисторы - кремниевые микросхемы плата | 0.2 0.1 0.035 0.0244 0.04 0.004 0.5 0.02 0.1 | 2 1 6 4 9 48 2 1 1 | 0.4 0.1 0.175 0.0976 0.36 0.192 1 0.02 0.1 |
6. ЗАКЛЮЧЕНИЕ.
Настоящая курсовая работа представляет собой полный расчет усилителя сигналов первичных измерительных преобразователей систем автоматического регулирования.
В ходе работе выполнен полный электрический расчет усилителя, произведена оценка надежности, разработан конструктивный чертеж устройства.
В схеме оконечного каскада для задания рабочего напряжения используются делитель напряжения, диод в прямом включении, комплиментарные транзисторы, что дает возможность осуществить работу схемы от одного источника. Чтобы обеспечить работу каскадов усиления мощности используют предварительные каскады усиления мощности. В этих каскадах учитывали влияние входного сопротивления последующего каскада. Для уменьшения нелинейных искажений ввели отрицательную обратную связь.
Для облегчения расчета и проектирования в качестве входного
каскада использована микросхема.
Спроектированный усилитель полностью удовлетворяет требованию технического задания и конструктивно может быть выполнен на печатной плате.
-
ЛИТЕРАТУРА
1. Гершунский Б.С.
“Справочник по расчету электронных схем”- Киев : Вища школа 1983 г.
2. Лавриненко В.Ю.
“Справочник по полупроводниковым приборам”- М : “Техника” 1994 г.
3. Линецкий А.И.
“Конспект лекций по курсу: «Электроника и микросхемотехника»”.
4. Новаченко В.М.
“Микросхемы для бытовой радиоаппаратуры”- М. : КубК-а 1996 г.
25















