135473 (722116), страница 2
Текст из файла (страница 2)
Трехслойная транзисторная структура создается по сплавной или диффузионной технологии, по которой выполняется и двухслойная структура проводниковых диодов. Трехслойная транзисторная структура типа p-n-p, выполненная по сплавной технологии Пластина полупроводника n-типа является основанием, базой конструкции. Два наружных p-слоя создаются в результате диффузии в них акцепторной примеси при сплавлении с соответствующим материалом. Один из слоев называется эмитерным, а другой- коллекторным . Так же называются и p-n-переходы создаваемые этими слоями со слоем базы, а также внешние выводы от этих слоев.
Функция эмиттерного перехода – инжектирование (эмитирование) носителей заряда в базу, функция коллекторного перехода – сбор носителей заряда, прошедших через базовый слой. Чтобы носители заряда, инжектируемые эмиттером и проходящий через базу, полнее собирались коллектором, площадь коллекторного перехода.
В транзисторах типа n-p-n функции всех трех слоев и их названия аналогичны, изменяется лишь тип носителей заряда, проходящий через базу: в приборах типа p-n-p –
э
то дырки ,в приборах типа n-p-n –это электроны
Полупроводниковая структура транзистора типов p-n-p и n-p-n
С
уществуют три способа включения транзистора: с общей базой (ОБ), с общим эмиттером (ОЭ), и общим коллектором (ОК). Различие в способах включения зависит от того, какой из выводов транзистора является общим для входной и выходной цепей. В схеме ОБ общей точкой входной и выходной цепей является база, в схеме ОЭ- эмиттер, в схеме ОК – коллектор.
В силу того, что статические характеристики транзистора в схемах ОЭ или ОК примерно одинаковы, рассматриваются характеристики только для двух способов включения : ОБ или ОЭ.
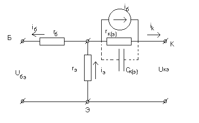
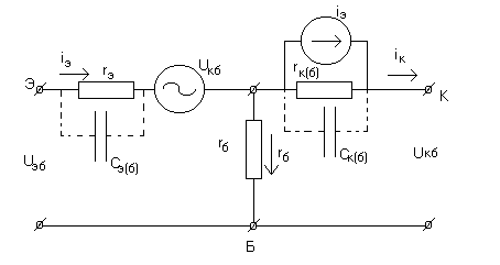
Представление транзистора схемой замещения (эквивалентной схемой) необходимо для проведения расчетов цепей с транзисторами. Особый интерес представляет схема замещения в физических параметрах, в которых все ее элементы связаны с внутренними (физическими) параметрами транзистора. Использование такой схемы замещения создает удобство и наглядность при анализе влияния параметров прибора на показатели схем с транзисторами.
Ниже рассматриваются схемы замещения транзисторов ОБ и ОЭ для переменных составляющих токов и напряжений применительно к расчету схем с транзисторами, работающими в усилительном режиме, в частности усилительных каскадов. Такие схемы замещения справедливы для линейных участков входных и выходных характеристик транзистора, при которых параметры транзистора можно считать неизменными. В этом случае используют так называемые дифференциальные параметры транзистора, относящиеся к небольшим приращениям напряжения и тока. Наиболее точно структуру транзистора при этом отображает Т-образная схема замещения.
Т-образная схема замещения транзистора ОБ показана на рисунке ниже ,По аналогии со структурой транзистора она представляет собой сочетание двух контуров: левого, относящегося к входной цепи (эмиттер -база), и правого, относящегося к выходной цепи (коллектор -база). Общим для обоих контуров является цепью базы с сопротивлением r.
Литература:
-
И. П. Жеребцов “Основы электроники”
-
Ю.С. Забродин “Промышленная электроника”
-
И.М. Викулин “Физика полупроводниковых приборов”















