124886 (717490), страница 2
Текст из файла (страница 2)
Рис 1.8. Головка для кільцевого свердління.
3.Зенкери
Зенкери - багатолезові інструменти, що обертаються, призначені для обробки циліндрових отворів, отриманих після свердління, відливання або штампування; циліндрових поглиблень під голівки гвинтів; конічних отворів і торцевих поверхонь на виступах корпусних деталей (бабишках, траверзах і т. п.). Основні типи зенкерів показані на мал. 3.1. Зі всіх типів найбільш широке вживання мають циліндричні зенкери, які служать для збільшення діаметру заздалегідь підготовленого отвору, підвищення його точності і зменшення шорсткості поверхні.
Циліндричні зенкери бувають кінцеві цілісні або зварні діаметром 10-32 мм; кінцеві збірній конструкції діаметром 32-75 мм; насадні цілісні діаметром 25-60 мм; насадні збірній конструкції діаметром 40-120 мм. Крім того, зенкери роблять з пластинками, що напаяли з твердого сплаву. Для обробки циліндрових отворів вони бувають кінцеві діаметром 14-40 мм і насадні, такі, що мають D = 344-80 мм. Вказані розміри характерні для стандартних зенкерів.
Зенкери обробляють отвори по 11-у квалитету точності і забезпечують шорсткість поверхні Rz =20-12 мкм. В порівнянні зі свердлами зенкери підвищують точність і знижують шорсткість поверхні обробленого отвору. Це пояснюється тим, що конструкція зенкера жорсткіша, ніж конструкція свердла, у нього більше число ріжучих зубів. Внаслідок цього зенкер має кращу стійкість і напрям в роботі, що сприяє підвищенню точності обробки. Припуск під зенкерування менший, ніж при свердлінні. В результаті цього зменшується товщина шару, що зрізається, кожним зубом і шорсткість обробленої поверхні. На мал. 3.2. показаний кінцевий зенкер. Він схожий на спіральне свердло. Але на відміну від свердла зенкер не має поперечної ріжучої кромки і число зубів z у нього 3-4. Діаметр зенкера встановлюють залежно від його призначення. Для кінцевої обробки діаметр зенкера визначають по діаметру оброблюваного отвору з обліком
Рис.3.1 Типи зенкерів
Рис.3.2 Кінцевий циліндричний зенкер
Орієнтовно величина розбиття приймається 0,3-0,4 допуску на оброблюваний отвір. При зенкеруванні допуск на отвір приймає по 11-у квалитету точність, а допуск на виготовлення по зовнішньому діаметру в середньому 0,25 мм допуску на отвір. Для попередньої обробки діаметр зенкера приймається з врахуванням припуска під подальшу обробку отвору
Діаметр серцевини в цілісних зенкерів (d = 0,51∙D). Для підвищення міцності і жорсткості зенкера діаметр серцевини до хвостовика може збільшуватися на 1-2 мм. Так само як і в свердел, робоча ділянка зенкера складається з ріжучої і калібруючої частин. Ріжуча частина має невелику довжину , вона розташована на конічній поверхні з кутом конусності L = 90^-120°. З врахуванням напряму сходу стружки леза на ріжучій частині відносно осьової площини можуть мати різний нахил: нульовий, негативний або Калібруюча частина L має довжину 60-130 мм для коротких і 80-170 мм для довгих кінцевих зенкерів залежно від діаметру. Вона не є строго циліндровою, а виконується із зворотною конусністю до хвостовика на 0,04 до 0,1 мм на 100 мм довжини. Це необхідно для зменшення тертя і зношування калібруючих зубів.
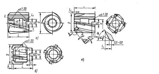
В цілях економії інструментальних матеріалів зенкери великих діаметрів роблять насадними цілісними і насадними збірними (мал. 3.3). Насадні цілісні зенкери (мал. 3.3, а) проектуються з гвинтовими канавками, що мають кут нахилу ω = 15^20, профіль яких криволінійний. Число зубів в таких зенкерів z, a їх діаметр d= 32--80 мм.
На мал. 3.3,б показаний насадний зенкер збірної конструкції. Такі зенкери роблять діаметром 40-120 мм. Зуби кріпляться за допомогою рифлень (мал. 3.3, а), клину (мал. 3.3,6) або без клину (мал. 3.3, в). Вони допускають регулювання діаметру. Зуби можуть бути з швидкорізальної сталі або із сталі 45 з твердосплавними пластинками, що напаяли. Передня поверхня плоска; зуби мають нахил уздовж осі під кутом φ = 10.
рис. 3.3 Зенкери циліндричні насадні.
4.Розвертки
Розвертки – це багатолезові інструменти, що подібно до свердел і зенкерів у процесі роботи обертаються навколо своєї осі (головний рух) і поступово переміщуються вздовж неї, здійснюючи рух подачі (рис.2.1). Як операція процес розверчування має свої особливості: зменшений припуск під оброблення; у роботі бере участь більше число зубців; утворені стружки мають малу товщину та велику ширину, що зменшує навантаження на кожний зубець, надійне спрямування розвертки в отворі за рахунок циліндричної калібрувальної частини; орієнтація в отворі розвертки під час врізання різальної частини (для забезпечення самовстановлення розвертки в отворі застосовують плавальні патрони, видовжені оправи для закріплення розверток тощо).
Розверчування отвору забезпечує йому 6…8 квалітети точності та параметри шорсткості Ra = 3…1,25 мкм. У всіх випадках під розверчування отвір обробляють попередньо свердлом, зенкером чи розточують. Згідно з загальним класифікатором розвертки поділяються:
-
за способом застосування – на ручні та машинні;
-
за формою оброблюваного отвору - на циліндричні та конічні;
-
за конструкцією – на суцільні та збірні, постійного діаметра та регулівні;
-
за методом закріплення – кінцеві (хвостові) і насадні;
-
за формою зубців та родом різального матеріалу.
Правильна робота розвертки залежить від конструкції, якості її виготовлення та від умов експлуатації (режиму різання, охолодження, величини припуску для розверчування, якості загострення та доведення різальних лез тощо).
4.1Ручні розвертки застосовують для розверчування отворів вручну. Розвертки діаметром 3…40 мм мають циліндричний хвостовик з квадратом для воротка. Розвертки відносно малого діаметра виготовляють з циліндричним або конічним хвостовиком, за допомогою яких їх закріплюють на верстаті.
Насадні розвертки закріпляють на спеціальні оправи, які вставляють у шпиндель верстата. Найпростішими за конструкцією є суцільні розвертки (рис.2.1), проте вони не передбачають регулювання діаметра. У зв’язку з цим широко застосовують розтискні та збірні розвертки з швидкорізальними та твердосплавними вставними зубцями (ножами), які після спрацювання та перезагострення можна відрегулювати на необхідний розмір, збільшивши термін їх роботи (рис.2.2). Ці та інші ровертки виготовляють кінцевими та насадними. Решта - діаметром 32…50 мм - мають конічний хвостовик, а діаметром 40…100 мм – насадні.
Основними конструктивними елементами робочої частини розвертки є її діаметр, довжина відповідних ділянок, кут різального конуса, число та напрям зубців, розміри й форма остружкових рівців, а також геометрія зубців.
Збірні конструкції розверток дозволяють економити інструментальні матеріали, створити оптимальнішу геометрію, підвищити різальні властивості та розмірну стійкість.
На рис.2.2 показана розвертка з прямими плоскими зубцями, які закріплюються на корпусі за допомогою конічних кілець і гайок. Ножі фіксуються контргайками Дно отвору у корпусі та ножі мають нахил до хвостовика під кутом 3…5о. Число зубців збірних розверток менше, ніж у суцільних. На цьому ж рис.2.2 наведена також розтискна розвертка.
Рис. 2.1. Розвертки суцільні Рис.2.2. Розвертки регулівні
Котельні розвертки з гвинтовими зубцями, що застосовують для оброблювання отворів у аркушевих матеріалах, звичайно мають Z = 4. Довжина їх робочої частини l = (0,3…0,5)d. З метою полегшення контролю діаметра розвертки число зубців, як правило, парне. Для покращання якості (шорсткості) поверхні зубці розвертки мають нерівномірне розміщення по колу, тобто нерівномірний коловий крок.
Розтискні розвертки використовують у ремонтній справі, коли за відремонтованим валом розверчують отвір до необхідного розміру. Для цієї мети діаметр розтискної розвертки відповідно регулюють у певних межах.















