124364 (717338), страница 3
Текст из файла (страница 3)
а — устройство; б, в — соответственно трубчато-пластинчатая и трубчато-ленточная сердцевины
Охлаждающую жидкость сливают через сливные краны 21, расположенные соответственно на нижнем патрубке радиатора и в нижней части блока-картера, при этом пробки радиатора и расширительного бачка должны быть открытыми. У двигателей ЗИЛ управление кранами дистанционное с выводом тяг 29 в подкапотное пространство.
В
местимости систем охлаждения (в л) автомобилей составляют: у ЗИЛ-130 —26; у ЗИЛ-4331 — 27, у КамАЗ-5320 — 35, у ГАЗ-3102 — 12, у ВАЗ-2108 «Спутник» — 7,8.
Рис. 7. Пробка радиатора с открытым клапаном:
а — паровым; б — воздушным
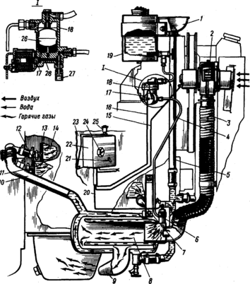
Предпусковой подогреватель
Предпусковой подогреватель служит для предварительного прогрева двигателя перед пуском в холодное время года. На автомобилях обычно устанавливают подогреватель, работающий на том же топливе, что и двигатель. Предпусковой подогреватель двигателя ЗИЛ-130 состоит из котла 8 (рис.8), постоянно соединенного трубопроводами 10 и 7 с системой охлаждения двигателя, топливного бачка 19, электродвигателя с вентилятором 2, регулятора 18 подачи топлива с электромагнитным клапаном 17 и пульта управления 22, расположенного на щитке 23 двигателя.
В камеру сгорания неразборного котла 8 из бачка 19 по трубке 4 самотеком подается топливо, а через воронку 1 по трубе 5 в котел подогревателя заливают 1,5—2 л воды. Электромагнитный клапан и регулятор 18 обеспечивают дозирование необходимого количества топлива. Они собраны в одном топливодозирующем устройстве, включающем в себя поплавковую камеру с поплавком 26, жиклер 28 и регулировочную иглу 27. Воздух в камеру сгорания подается вентилятором 2 по шлангу 3.
Р
ис.8.Предпусковой подогреватель
Образовавшаяся горючая смесь первоначально воспламеняется свечой б, включаемой дистанционно выключателем 27, работу которой можно контролировать по накалу контрольной спирали 24, установленной на пульте управления 22 с под-. веденными к нему электропроводами 15, 16 и 20. Как только в камере сгорания горение смеси станет устойчивым (без дыма и копоти), свечу выключают переключателем 25 и дальнейшее воспламенение топлива происходит от горящей смеси. Через 1—2 мин после начала работы подогревателя в котел дополнительно наливают 6—8 л воды. Закрывают пробку воронки и продолжают прогрев двигателя.
Нагретая вода по трубопроводу 10 и патрубкам 11 и 13 поступает в жидкостную рубашку охлаждения правого 12 и левого 14 рядов цилиндров, прогревает его и в виде конденсата снова поступает к котлу через трубопровод 7. Газы, выходящие из котла по патрубку 9, направляются под поддон картера для прогрева масла.
После прогрева двигателя пусковой рукояткой проворачивают коленчатый вал несколько раз для распределения смазочного материала по подшипникам. Свободное вращение коленчатого вала 1 будет свидетельствовать о готовности двигателя к пуску стартером.
Когда ручка переключателя 25 вдвинута до отказа, система подогрева не работает, если она вытянута на половину хода, включается электродвигатель вентилятора 2, а если вытянута до отказа, то дополнительно включается электромагнитный клапан. При температуре —25 °С подогреватель обеспечивает прогрев двигателя за 15—20 мин.
Для прекращения работы подогревателя необходимо переключателем 25 включить электромагнитный клапан, закрыть кран бачка 19, а затем через 1—2 мин выключить вентилятор.
Если в систему охлаждения залита низкозамерзающая смесь (ТОСОЛ А-40, ТОСОЛ А-65), то, прежде чем пользоваться предпусковым подогревателем, необходимо убедиться, что она не превратилась в густую массу, и строго соблюдать заводскую Инструкцию по подготовке пуска двигателя с низкозамерзающей жидкостью.
3. Проверка уровня и плотности жидкости в системе охлаждения
Правильность заправки системы охлаждения проверяется по уровню жидкости в расширительном бачке, который на холодном двигателе (при 15-20° С) должен находиться на 3-4 см выше метки «МIN, нанесенной на расширительном бачке
Р
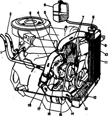
ис. 9. Система охлаждения: 1 - трубка отвода жидкости от радиатора отопителя; 2 - шланг отвода горячей жидкости из головки цилиндров в радиатор отопителя; 3 - перепускной шланг термостата; 4 -выпускной патрубок рубашки охлаждения; 5 -подводящий шланг радиатора; б - расширительный. бачок; 7 - рубашка охлаждения; 8 - пробка радиатора; 19 - радиатор; 10 - кожух вентилятора; 11 - вентилятор; 12 - резиновая опора радиатора; 13 - шкив привода насоса охлаждающей жидкости; 14- отводящий шланг радиатора; 15 - ремень привода насоса и генератора; 16 - насос охлаждающей жидкости; 17 - шланг подачи охлаждающей жидкости в надое; 18 - термостат. Стрелками указано направление движения жидкости.
При необходимости проверяйте ареометром плотность охлаждающей жидкости, которая должна быть 1,078-1,085 г/см3 для жидкости ТОСОЛ А-40. При низкой плотности и высокой (более 1,085-1,095 г/см3) повышается температура кристаллизации жидкости, что может привести к ее замерзанию, в холодное время года. Если уровень жидкости в бачке ниже нормы, а плотность выше нормы, то доливайте дистиллированную воду. Если плотность нормальная доливайте жидкость той же плотности и марки, какая находится в системе охлаждения.
Если плотность жидкости в системе охлаждения ниже нормы, доливайте жидкость ТОСОЛ-А.
3.1 Заправка системы охлаждения жидкостью
Заправка производится при смене охлаждающей жидкости или после ремонта двигателя. Операции по заправке выполняйте в следующем порядке:
— снимите пробки с радиатора и с расширительного бачка и откройте кран отопителя;
— залейте охлаждающую жидкость (9,85 л) в радиатор (жидкость заливается до тех пор, пока она не будет выливаться из горловины) и поставьте, на место пробку радиатора;
—долейте оставшуюся жидкость в расширительный бачок и закройте его пробкой;
—запустите двигатель издайте ему поработать на холостом ходу 1-2 мин для удаления воздушных пробок. После остывания двигателя проверьте уровень охлаждающей жидкости. Если уровень ниже нормального, а в системе охлаждения нет следов подтекания, то долейте жидкость.
3.2 Регулировка натяжения ремня привода насоса
Натяжение ремня проверяется его прогибом между шкивами генератора и насоса или между шкивами насоса и коленчатого вала. При нормальном натяжении ремня прогиб А (рис. 10) под усилием 98 Н (10 кгс) должен быть в пределах 10-15 мм, а прогиб В в пределах 12-17 мм. Для увеличения натяжения ремня, ослабив гайки крепления генератора, сместите его от двигателя и затяните гайки.
Р
ис. 10. Схема проверки натяжения ремня привода насоса
3.3 Насос охлаждающей жидкости. Разборка
Для разборки насоса:
— отсоедините корпус насоса от крышки 6 (рис. 11);
— закрепите крышку в тисках, используя прокладки, и снимите крыльчатку с валика съемником А. 40026 (рис. 12);
— при необходимости снимите ступицу 2 (рис.13) шкива вентилятора с валика при помощи съемника А.40005/1/5;
— выверните стопорный винт 5 (рис.11) и выньте подшипник с валиком насоса;
— удалите сальник 8 из крышки 6 корпуса.
Контроль
Проверьте осевой зазор в подшипнике. Эту операцию надо делать обязательно, если отмечался значительный шум насоса. Зазор не должен превышать 0,13 мм при нагрузке 49 Н (5 кгс). При большем зазоре подшипник замените.
Сальник насоса и прокладку между насосом и блоком цилиндров при ремонте рекомендуется заменять. Осмотрите корпус и крышку насоса, деформации или трещины не допускаются.
Сборка
Сборку насоса производите в следующем порядке:
— установите оправкой сальник, не допуская перекоса, в крышку корпуса;
— запрессуйте подшипник с валиком в крышку так, чтобы гнездо стопорного винта совпало с отверстием в крышке корпуса насоса;
— заверните стопорный винт подшипника и зачеканьте контуры гнезда, чтобы винт не ослабевал;
— напрессуйте с помощью приспособления А.60430 (рис.14) на валик ступицу шкива, выдержав размер 84,4±0,1 мм. Если ступица из металлокерамики, то после снятия напрессовывайте только новую;
— напрессуйте крыльчатку на валик с помощью приспособления А.60430, обеспечивающего технологический зазор между лопатками крыльчатки и корпусом насос 0,9-1,3 мм, и соберите корпус насоса с крышкой, установив между ними прокладку.
Р
ис. 11. Продольный разрез насоса охлаждающей жидкости: 1 - корпус; 2 - подшипник; 3...- щкив;4 -ступица шкива; 5 - стопорный винт подшипника; б -крышка; 7 - валик; в - сальник; 9 - крыльчатка
Р
ис. 12. Снятие крыльчатки насоса: 1 - съемник; 2 -крыльчатка
Рис.13. Снятие ступицы шкива: 1 - крышка корпуса насоса; 2 - ступица шкива; 3 – съемник.
Рис.14. Напрессовка крыльчатки на валик насоса приспособлением А.60430: 1- опора 2 - валик насоса; 3-крышка корпуса насоса; 4-стакан; 5 - установочный винт
3.4 Термостат
У термостата следует проверять температуру начала 1 открытия основного клапана и ход основного клапана.
Д
ляэтоготермостатустановитенастендсБС-106.000, опустив в бак с водой или охлаждающей жидкостью. Снизу в основной клапан 9 (рис.15) уприте кронштейн ножки индикатора.
Рис. 15. Термостат: 1 - входной патрубок (от двигателя); 2 - перепускной клапан; 3 - пружина перепускного клапана; 4 - стакан; 5 - резиновая вставка; 6 - выходной патрубок; 7 -1 пружина основного клапана; 8 - седло основного клапана; 9 - основной клапан; 10 - держатель; 11 - регулировочная гайка; 12-поршснь; 13-входной патрубок от радиатора; 14- наполнитель; 15 - обойма; D - вход жидкости от двигателя; Р - вход жидкости от радиатора; Н - выход жидкости к насосу
Начальная температура жидкости в баке должна быть 73-75º С. Температуру жидкости постепенно увеличивайте примерно на 1ºС в минуту при постоянном перемешивании, чтобы она во всем объеме жидкости была одинаковой.
За температуру начала открытия клапана принимается! та, при которой ход основного клапана составит 0,1 мм.















