124312 (717324), страница 2
Текст из файла (страница 2)
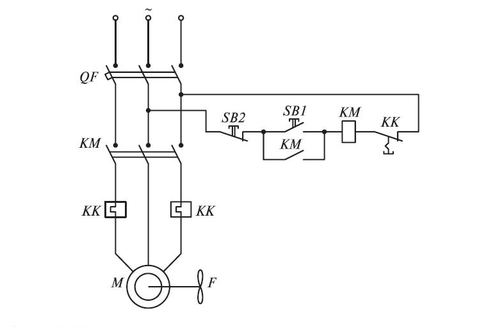
Рис. 1
Электропривод, показанный на рис 1. содержит также защитные устройства для зашиты от токов короткого замыкания в проводниках или в обмотке статора двигателя. Эта зашита обеспечивается автоматическим выключателем Qf имеющим максимальный расцепитель. Зашита двигателя от перегрузок реализуется посредством тепловых реле КК, входящих в состав магнитного пускателя.
В качестве второго примера рассмотрим электропривод лифтов. Лифт — автоматизированное средство вертикального пассажирского транспорта. Пассажир, войдя в кабину лифта, нажимает кнопку нужного ему этажа, после чего автоматически закрываются двери кабины и лифтовой шахты. Кабина лифта движется в нужном направлении и точно останавливается на уровне заданного этажа, двери открываются. Электродвигатель через редуктор, на ведущий шкив и канатную передачу приводит кабшгу лифта в движение, выполняя преобразование электрической энергии в механическую, необходимую для осуществления движения кабины. Второй электромеханической системой является устройство открывания и закрывания дверей, состоящее из электродвигателя и кинематических механических звеньев.
Система управления лифтом осуществляет управление дверями, выбор направления движения кабины, обеспечивает плавный пуск, движение с установившейся скоростью, торможение и точную остановку кабины. Для обеспечения точности остановки и комфортности пассажиров в кабине нужно регулировать скорость движения по определенному закону. Для этого в лифтах со скоростью движения до 1.4 м/с применяют двухскоростные асинхронные двигатели, а в более быстроходных лифтах — электроприводы с плавным регулированием скорости. Кроме управления движением система управления лифтом содержит необходимые зашиты и блокировки, обеспечивающие безопасность пассажиров и безаварийную работу оборудования, а также информацию о положении кабины.
ПЕРЕЧЕНЬ ЛИТЕРАТУРЫ
-
Н.Ф. Ильинского, М.Г. Юнькова Автоматизированный электропривод 1986 «Энергоатомиздат».
-
Н. П. Ермолин Электрические машины 1975 «Высшая школа».
-
Н.Ф. Котеленца Монтаж, техническая эксплуатация и ремонт электрического и электромеханического оборудования 2004 «ACADEMIA»
-
А. С. Кокорев Контроль и испытание электрических машин, аппаратов и приборов.
7















