ref-14471 (709006), страница 3
Текст из файла (страница 3)
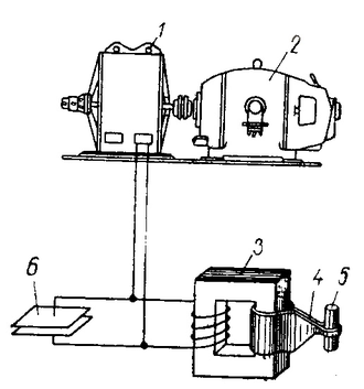
Закалка токами высокой частоты по методу В.П. Вологдина нашла очень широкое применение в промышленности, так как отличается высокой производительностью, легко поддается управлению и обеспечивает хорошее качество. Закаливаемая деталь 5 (рис. 9) помещается в индуктор (катушку) 4, по которому пропускается ток высокой частоты. Ток поступает через трансформатор 3 от машинного генератора 1, приводимого во вращение электродвигателем 2. Возбуждаемый при этом в детали ток имеет наибольшую плотность у поверхности и быстро нагревает поверхность детали. Когда нагрев закончен, деталь обрызгивается водой из индуктора, который для этого делается полым с отверстиями.
Для улучшения коэффициента мощности высокочастотной установки включены конденсаторы 6.
Регулируя мощность тока и время выдержки, можно ограничить нагрев на толщину от долей миллиметра до десятков миллиметров.
Машинные генераторы с частотой тока до 10 кГц обычно применяют для закалки на глубину свыше 2 мм. При закалке на глубину меньше 2 мм пользуются высокочастотными ламповыми генераторами, создающими ток весьма высокой частоты, который можно изменять в зависимости от особенностей закаливаемых деталей.
Дефекты закалки. К этим дефектам относится: трещины, поводки, или коробление и обезуглероживание.
Главная причина трещин и поводки – неравномерное изменение объема детали при нагреве и, особенно, при резком охлаждении. Другая причина – увеличение объема при закалке на мартенсит.
Трещины возникают потому, что напряжения при неравномерном изменении объема в отдельных местах детали превышают прочность металла в этих местах.
Лучшим способом уменьшения напряжений является медленное охлаждение около температуры мартенситного превращения (точка МН). При конструировании деталей необходимо учитывать, что наличие острых углов и резких изменений сечения увеличивает внутреннее напряжение при закалке.
Коробление (или поводка) возникает также от напряжений в результате неравномерного охлаждения и проявляется в искривлениях деталей. Если эти искривления невелики, они могут быть исправлены, например, шлифованием. Трещины и коробление могут быть предотвращены предварительным отжигом деталей, равномерным и постепенным нагревом их, а также применением ступенчатой и изотермической закалки.
Обезуглероживание стали с поверхности – результат выгорания углерода при высоком и продолжительном нагреве детали в окислительной среде. Для предотвращения обезуглероживания детали нагревают в восстановительной или нейтральной среде (восстановительное пламя, муфельные печи, нагрев в жидких средах).
Обработка холодом – новый вид термической обработки. Этот метод разработан в Советском Союзе (труды С.С. Штенберга, А.П. Гуляева и Н.А. Минкевича) для повышения твердости стали путем перевода остаточного аустенита закаленной стали в мартенсит. Это выполняется при охлаждении стали до температуры нижней меартенситной точки МК (см. рис. 3).
Холодом обрабатывают углеродистую сталь, содержащую более 0,5% C, у которой температура мартенситового превращения (точка МК) находится ниже 0, а также легированную сталь, например, быстрорежущую.
Отпуск стали смягчает действие закалки, уменьшает или снимает остаточные напряжения, повышает вязкость, уменьшает твердость и хрупкость стали. Отпуск производится путем нагрева деталей, закаленных на мартенсит до температуры ниже критической. При этом в зависимости от температуры нагрева могут быть получены состояния мартенсита, троостита или сорбита отпуска. Эти состояния несколько отличаются от соответственных состояний закалки по структуре и свойствам: при закалке цементит (в троостите и сорбите) получается в форме удлиненных пластинок, как в пластинчатом перлите. А при отпуске он получается зернистым, или точечным, как в зернистом перлите.
Преимуществом точечной структуры является более благоприятное сочетание прочности и пластичности. При одинаковом химическом составе и одинаковой твердости сталь с точечной структурой имеет значительно более высокое относительное сужение и ударную вязкость ан, повышенное удлинение и предел текучести т по сравнению со сталью с пластинчатой структурой.
Мартенсит закалки имеет неустойчивую тетрагональную решетку, а мартенсит отпуска – устойчивую центрированную кубическую решетку -железа.
Отпуск разделяют на низкий, средний и высокий в зависимости от температуры нагрева.
При низком отпуске (нагрев до температуры 200-300) в структуре стали в основном остается мартенсит, который, однако, изменяется решетку. Кроме того, начинается выделение карбидов железа из твердого раствора углерода в -железе и начальное скопление их небольшими группами. Это влечет за собой некоторое уменьшение твердости и увеличение пластических и вязких свойств стали, а также уменьшение внутренних напряжений в деталях. Для низкого отпуска детали выдерживают в течение определенного времени обычно в масляных или соляных ваннах. Если для низкого отпуска детали нагревают на воздухе, то для контроля температуры часто пользуются цветами побежалости, появляющимися на поверхности детали. Появление этих цветов связано с интерференцией белого света в пленках окисла железа, возникающих на поверхности детали при ее нагреве. В интервале температур от 220 до 330 в зависимости от толщины пленки цвет изменяется от светло-желтого до серого (табл.). Низкий отпуск применяется для режущего, измерительного инструмента и зубчатых колес.
Таблица
| Цвет побежалости | Температура, С | Цвет побежалости | Температура, С |
| Светло-желтый Соломенно-желтый Коричнево-желтый Коричнево-красный Пурпурно-красный | 220 240 258 265 275 | Фиолетовый Васильково-синий Светло-синий Серый | 285 395 315 330 и выше |
При среднем (нагрев в пределах 300-500) и высоком (500-700) отпуске сталь из состояния мартенсита переходит соответственно в состояние троостита или сорбита. Чем выше отпуск, тем меньше твердость отпущенной стали и тем больше ее пластичность и вязкость. Происходящее при этом изменение свойств стали можно проследить по кривым диаграммы, приведенной на рис. 4. При высоком отпуске сталь получает наилучшее сочетание механических свойств, повышение прочность, пластичность и вязкость, поэтому высокий отпуск стали после закалки ее на мартенсит называют кузнечных штампов, пружин, рессор, а высокий – для многих деталей, подверженных действию высоких напряжений (например, осей автомобилей, шатунов двигателей).
Для некоторых марок стали отпуск производят после нормализации. Этот относится к мелкозернистой легированной доэвтектоидной стали (особенно никелевой), имеющий высокую вязкость и поэтому плохую обрабатываемость режущим инструментом. Для улучшения обрабатываемости производят нормализацию стали при повышенной температуре (до 950-970), в результате чего она приобретает крупную структуру (определяющую лучшую обрабатываемость) и одновременно повышенную твердость (ввиду малой критической скорости закалки никелевой стали). С целью уменьшения твердости производят высокий отпуск этой стали.
Список литературы:
-
Технология металлов и конструирование материалы. В.М. Никифоров, Москва, 1968, Изд. “Высшая школа”.
-
Материаловедение. А.Е. Лейкин, Б.И. Родин, Москва, 1971, Изд. “Высшая школа”.
16















